Symulacja i pomiar, czyli LTspice i Analog Discovery 2 w rękach konstruktora (20). Modulacja AM

Symulacja i pomiar, czyli LTspice i Analog Discovery 2 w rękach konstruktora (20). Modulacja AM
Pobierz PDF Download icon

Zawsze zastanawiałem się, czy różne rozwiązania układów elektronicznych powstawały w wyniku wcześniejszych rozważań np. matematycznych, czy też najpierw powstawał jakiś pomysł urządzenia, do którego później dorabiano teorię. Modulacja amplitudowa mogłaby być takim przykładem. Wydaje się, że na pomysł budowy takiego modulatora można by było wpaść zupełnie nie znając teorii, ale też pasjonat matematyki mógłby podsunąć pomysł budowy urządzenia koledze elektronikowi.

Teorię modulacji AM poznałem zdecydowanie wcześniej niż jej opis matematyczny. Pierwszy kontakt z modulacją, w moim przypadku, nie wymagał głębokiej wiedzy teoretycznej, gdyż w zasadzie wykonywałem tylko polecenia mojego instruktora, i to bez głębszego zastanawiania się nad ich sensem. A było to dawno, dawno temu w kółku radiotechnicznym w osiedlowym ośrodku kultury. Tak, tak kiedyś było. Ów instruktor tłumaczył oczywiście najprościej jak mógł o co w ogóle chodzi z tą modulacją. Zrozumiałem to chyba dopiero, jak moje pierwsze radio zaczęło grać – na falach długich i średnich. Wtedy wystarczyła mi wiedza, że jeden sygnał wpływa na amplitudę drugiego sygnału, a o widmie nie było ani słowa, bo po co?

Wystarczyło zrozumieć, że falę o wysokiej częstotliwości można przesyłać na wielkie odległości w odróżnieniu od fali akustycznej, której za rogiem już by nikt nie odbierał. Żeby jednak ta fala w.cz. niosła jakąś informację musi być zmodulowana.

Wzmocnienie tranzystorowego wzmacniacza różnicowego

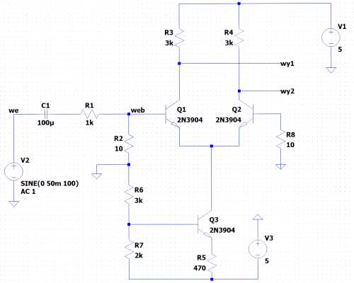
Rozpatrzmy układ z rysunku 1. Jest to typowy wzmacniacz różnicowy zbudowany na tranzystorach dyskretnych 2N3904. Nazwa „różnicowy” mogłaby sugerować, że wejście powinny tworzyć dwie linie, do których są podawane dwa sygnały, a na wyjściu pojawia się wzmocniona ich różnica. Rzeczywiście, w ogólnym przypadku tak jest, o czym świadczy przykład z rysunku 2. Mamy tu tranzystorowy wzmacniacz różnicowy. Do jego wejść doprowadzono sygnały prostokątne o takich samych amplitudach, lecz przesunięte w fazie. Rozpatrujemy je jako sygnały cyfrowe, których poziom ok. 55 mV ma wartość cyfrową „1”, a poziom 0 V ma wartość cyfrową „0”. Dzięki przesunięciu fazowemu możemy wykonać cztery operacje arytmetyczne odejmowania z różnymi kombinacjami argumentów. Wynik jest oczywiście wzmocniony, więc dla wyjścia przyjmujemy, że poziom „1” odpowiada napięciu ok. 4 V. Szybka analiza wyników dowodzi, że rzeczywiście układ można traktować jako wzmacniacz różnicowy.

Rysunek 1. Tranzystorowy wzmacniacz różnicowy

Nic jednak nie stoi na przeszkodzie, aby jedno wejście dołączyć do jakiegoś stałego, niezmiennego potencjału – może nim być na przykład masa (0 V), a sygnał podawać tylko do jednego wejścia. Jasne jest, że w takiej konfiguracji nie chodzi nam o obliczanie różnicy sygnałów, tylko o wzmocnienie jednego sygnału. Układ przecież nadal pozostaje wzmacniaczem. Wykorzystamy natomiast inną jego cechę, jaką jest możliwość regulacji wzmocnienia za pomocą zmiany wydajności źródła prądowego zrealizowanego na tranzystorze Q3 (rysunek 1).

Paradoksalnie, nie zależy nam nawet na wzmacnianiu sygnału wejściowego, lecz na możliwości wpływania w pewnym zakresie na jego amplitudę. W kontekście omawianego tematu, jakim jest modulacja amplitudowa, wydaje się to jak najbardziej uzasadnione.

Niestety, jak na złość wzmacniacz różnicowy w proponowanej konfiguracji ma dość znaczne wzmocnienie. Do obliczeń inżynierskich można przyjąć, że jest ono równe:

gdzie:
RC – rezystancja kolektorowa,
IC – prąd kolektora,
uT – potencjał termiczny, który w temperaturze pokojowej jest w przybliżeniu równy:

k – stała Boltzmana,
T – temperatura,
Q – ładunek elektronu.

Z powyższego wyrażenia wynika, że wzmocnienie wzmacniacza jest proporcjonalne do prądu kolektora. Dla tranzystorów bipolarnych mających współczynnik wzmocnienia prądowego β równy kilkaset można przyjąć, że prąd kolektora jest równy prądowi emitera. Mamy więc to, co chcieliśmy uzyskać. Zmieniając prąd źródła Q3 zmieniamy prądy kolektorów tranzystorów Q1, Q2, a zatem wpływamy również na wzmocnienie układu.

Rysunek 2. Odpowiedź wzmacniacza różnicowego na wymuszenia przebiegiem cyfrowym

Załóżmy, że wzmacniacz będzie zasilony dwoma napięciami: +5 V i –5 V. Przyjmujemy, że spoczynkowe napięcie na kolektorach powinno być równe mniej więcej 2,5 V. Przyjmujemy również rezystory kolektorowe równe 3 kΩ, z czego wynika, że prądy kolektorów Q1 i Q2 są równe 0,833 mA. Prąd źródła Q3 jest więc równy sumie tych prądów i wynosi 1,67 mA. Jeśli w dzielniku polaryzującym bazę tranzystora zastosujemy rezystory 3 kΩ i 2 kΩ, jak na rysunku 1, to napięcie na bazie Q3 względem masy będzie równe:

Rezystancja rezystora emiterowego powinna więc być równa:

Można przyjąć z szeregu 750 Ω.

Rysunek 3. Wyniki symulacji .OP potwierdzającej założony punkt pracy tranzystorów wzmacniacza różnicowego

Ostatecznie punkt pracy wzmacniacza weryfikujemy w symulacji .op (rysunek 3). Okazuje się, rozbieżności są w akceptowalnych granicach. Najważniejszy jest prąd kolektora, gdyż od niego zależy wzmocnienie. Z symulacji wynika, że prąd ten jest równy 877 µA, a więc wzmocnienie układu powinno być równe ok.:

Ponieważ na wzmocnieniu nam nie zależy, zastosujemy na wejściu tłumik, który zmniejszy napięcie doprowadzone do bazy tranzystora Q1 100-krotnie. Tłumikiem tym będzie dzielnik napięciowy R1=1 kΩ i R2=10 Ω. Przepływający przez rezystor R2 prąd powinien być jak najmniejszy, aby nie zaburzał punktu pracy tranzystora Q1, Ideałem by było, gdyby baza Q1 była na potencjale masy. Wówczas nie byłby potrzebny kondensator wejściowy, ale mimo niewielkiego spadku napięcia na rezystorze R2 z kondensatora tego nie rezygnujemy. Rezystor R8 teoretycznie wydaje się niepotrzebny, jednak ze względu na zachowanie symetrii baz obu tranzystorów Q1 i Q2 uwzględniamy go na schemacie.

Układ wzmacniacza jest już kompletny, pozostaje tylko sprawdzić czy wzmocnienie jest zgodne z obliczeniami. W tym celu definiujemy polecenia obliczające napięcia peak-to-peak na wejściu (uwepp), na bazie tranzystora Q1 (uwebpp) i na wyjściu różnicowym pomiędzy kolektorami (uwyrpp)

.meas TRAN uwepp PP V(we)
.meas TRAN uwebpp PP V(web)
.meas TRAN uwyrpp PP V(wy2,wy1)

Mając te dane można obliczyć wzmocnienie mierzone jako stosunek różnicowego napięcia wyjściowego do napięcia wejściowego występującego na bazie tranzystora Q1:

.meas TRAN kurb PARAM uwyrpp/uwebpp

Wzmocnienie to powinno być równe obliczonemu, czyli wynosić ok. 101 V/V. Interesujące będzie ponadto całkowite wzmocnienie wzmacniacza z tłumikiem. Spodziewamy się, że będzie ono równe ok. 1 V/V. Wzmocnienie to obliczamy komendą:

.meas TRAN kur param uwyrpp/uwepp

Rysunek 4. Wyniki symulacji .TRAN z obliczeniem wzmocnienia układu

Pokazane na rysunku 4 wyniki chyba powinny zadowolić. Są w dobrym stopniu zgodne z oczekiwanymi.

Sterowane źródło prądowe

Jesteśmy już o krok od realizacji modulatora AM. W emiterach tranzystorów Q1 i Q2 mamy źródło prądowe zbudowane z tranzystora Q3 i jego rezystora emiterowego R5. W modulatorze będziemy mieli do czynienia z dużymi częstotliwościami. Załóżmy, że częstotliwość modulowana będzie równa 200 kHz. Musimy wiec mieć pewność, że wzmacniacz przeniesie takie częstotliwości. Zanim weźmiemy lutownicę do ręki wykonujemy oczywiście symulację „AC Analysis”. Układ badamy w zakresie częstotliwości od 1 Hz do 10 MHz. Ustalamy 200 punktów na oktawę. Wynik upewnia nas, że wszystko powinno się udać. 3-decybelowe pasmo wzmacniacza zawiera się w przedziale od ok. 2 Hz do ok. 10 MHz (rysunek 5).

Rysunek 5. Pasmo symulowanego wzmacniacza różnicowego

Przed nami najważniejszy eksperyment. Musimy tak zmodyfikować układ, aby można było zmieniać wydajność źródła prądowego Q3. Nie jest to zadanie bardzo trudne, wystarczy za pośrednictwem kondensatora doprowadzić jakiś sygnał zmienny. Będzie on modulował sygnał w.cz. podawany na bazę tranzystora Q1. Modulator jest gotowy. Aby sprawdzić jego działanie wykonujemy symulację .TRAN 2m. Powinniśmy zobaczyć przebieg 200 kHz zmodulowany przebiegiem 1 kHz. Wynik symulacji został pokazany na rysunku 6.

Rysunek 6. Przebieg wyjściowy modulatora amplitudy zrealizowanego na tranzystorowym wzmacniaczu różnicowym dla różnych napięć modulujących

Uwzględniono tu 3 różne amplitudy sygnału modulującego. Uzyskaliśmy w ten sposób przebiegi o różnych głębokościach modulacji. Dane zostały dobrane tak, aby nie przesterować wzmacniacza. Co się jednak stanie, gdy do wejścia modulującego zostanie doprowadzony zbyt duży sygnał? Przekroczymy dozwolony zakres pracy, a skutek dla kilku zbyt dużych napięć wejściowych jest widoczny na rysunku 7.

Rysunek 7. Przesterowanie modulatora

Niestety, okazało się przy okazji, że został nie najlepiej dobrany prąd kolektora przy założonych rezystancjach kolektorowych, albo rezystancje te zostały niezbyt dobrze dobrane do prądu kolektora.

Rysunek 8. Przebieg wyjściowy modulatora po korekcie wydajności źródła prądowego

W wyniku takich założeń nie jest możliwe uzyskanie 100-procentowej głębokości modulacji, gdyż sygnał modulowany jest wcześniej ucinany. Zwiększenie rezystancji R5, np. do 2 kΩ eliminuje tę wadę (rysunek 8). Taką więc poprawkę wprowadzamy.

Widmo modulacji AM

Nie będziemy tu wnikać w matematyczny opis modulacji amplitudy. Wynikałyby z niego wnioski dotyczące produktów modulacji zarówno w dziedzinie czasu, jak i częstotliwości.

Przyjmijmy więc na wiarę, może trochę na intuicję, że musi się w nim znaleźć składowa związana z częstotliwością nośną (modulowaną) i składowa związana z sygnałem modulującym.

Faktycznie, okazuje się, że widmo zawiera składową częstotliwości nośnej i odbite po obu jej stronach częstotliwości wynikające z różnicy częstotliwości nośnej i modulującej. W naszym przypadku będą więc to częstotliwości: 1 kHz (modulująca), 200 kHz (modulowana) i listki boczne 200 k–1 k=199 kHz oraz 200 k+1 k=201 kHz. Sprawdźmy to w symulacji .TRANSIENT, przy czym dla zapewnienia dużej rozdzielczości analizy FFT wydłużamy czas symulacji do 200 ms. W wyniku tej symulacji uzyskujemy wykres czasowy. Ze względu na długi czas symulacji efekt modulacji nie będzie widoczny aż do momentu, gdy zostanie powiększony jego niewielki wycinek. Wykres widma uzyskujemy po kliknięciu prawym przyciskiem myszki na przebiegu czasowym, a następnie wybraniu poleceń: View → FFT. Następnie w oknie zawierającym wszystkie węzły obwodu wybieramy węzły wyjściowe V(wy1) i V(wy2). Konieczne jest jeszcze wskazanie tych węzłów spośród wybranych do analizy, które mają być wyświetlone. Wybieramy oba węzły, tj. V(wy1) i V(wy2).

Rysunek 9. Definiowanie wyjścia różnicowego dla wykresu widma

Omawiany modulator ma jednak wyjście różnicowe, więc klikamy prawym przyciskiem myszki na opis np. wykresu V(wy2) i modyfikujemy go tak, jak to pokazano na rysunku 9 – V(wy2,wy1). Na ekranie zostaje wyświetlony wykres widma zmodulowanego sygnału występującego na wyjściu różnicowym. Powiększamy jego fragment w okolicach 200 kHz i wycinamy przyciskiem F5 przebieg V(wy1) (rysunek 10).

Rysunek 10. Powiększony fragment widma w okolica częstotliwości nośnej 200 kHz

Rzeczywiście, w widmie widoczne są wyraźnie składniki modulacji 199 kHz, 200 kHz i 201 kHz, ale też szereg jakichś harmonicznych. Wynikają one prawdopodobnie ze zniekształceń wnoszonych przez wzmacniacz. Na rysunku zostały one przykryte szarą maską.

Weryfikacja praktyczna modulatora AM

Symulacja na wszystkich etapach projektu wypadła nieźle. Z pozytywnym nastawieniem możemy przystąpić do montażu i pomiarów modulatora rzeczywistego. Jak zwykle używamy do tego płytki stykowej, która przy częstotliwościach 200 kHz i plątaninie kabelków pomiędzy układem a zestawem pomiarowym Analog Discovery 2 może jednak powodować nieprzewidziane w symulacji problemy. Zobaczymy.

Rysunek 11. Widmo układu rzeczywistego zmierzone zestawem Analog Discovery 2

Pierwszy pomiar pasma przenoszenia od wejścia sygnału nośnej do wyjścia różnicowego potwierdza obawy. Górna 3-decybelowa częstotliwość graniczna jest znacznie niższa od uzyskanej w symulacji i wynosi ok. 1,15 MHz (rysunek 11). Nie dyskwalifikuje to jednak układu, gdyż pracujemy w zakresie częstotliwości do ok. 200 kHz. Statyczny pomiar pracy punktu pokrył się niemal idealnie z wynikami symulacji. Pora więc na sprawdzenie czy układ działa zgodnie z zamierzeniami. W takich chwilach emocje zwykle sięgają zenitu. Do wejścia nośnej doprowadzamy sygnał sinusoidalny o częstotliwości 200 kHz i amplitudzie 1 V z 1. kanału generatora arbitralnego Analog Discovery 2. Drugi kanał będzie źródłem sygnału modulującego. Jest to więc sinusoida o częstotliwości 1 kHz i amplitudzie 1 V. Kanał 2. oscyloskopu dołączamy różnicowo do wyjścia modulatora, czyli do kolektorów tranzystorów Q1 i Q2. Możliwość pomiaru różnicowego jest nieocenioną zaletą Analog Discovery 2, co wielokrotnie już podkreślałem. Po chwili w oknie oscyloskopu pojawia się wynik zgodny z oczekiwanym (rysunek 12).

Rysunek 12. Zmodulowany przebieg układu rzeczywistego

Oddychamy z ulgą. Układ działa podręcznikowo. Widmo sygnału jest również takie, jakiego oczekiwaliśmy (rysunek 13).

Rysunek 13. Widmo rzeczywistego modulatora AM

Układ działa, można powiedzieć – wręcz rewelacyjnie. Nie bójmy się tego słowa, ale jedna jego cecha bywa czasami dość uciążliwa. Jest nią obecność w widmie składowej o częstotliwości nośnej. Odfiltrowanie jej w przypadku małych częstotliwości modulujących może być bardzo kłopotliwe. Wady tej są pozbawione modulatory zrównoważone. Jednym z możliwych rozwiązań jest modulator w układzie Gilberta, składający się z dwóch wzmacniaczy różnicowych o połączonych równolegle wyjściach.

Rysunek 14. Schemat modulatora w układzie Gilberta

Przykład takiego wzmacniacza pokazano na rysunku 14, zaś wynik badania zmodulowanego przez niego widma sygnału na rysunku 15. Jak widać w widmie nie występuje składowa nośnej 200 kHz. Budowa takiego układu zrealizowanego na elementach dyskretnych zajęłaby sporo miejsca na płytce drukowanej. Znacznie lepszym rozwiązaniem jest zastosowanie scalonego modulatora, jakim jest popularny LM1496.

Rysunek 15. Widmo symulowanego modulatora w układzie Gilberta

Po ściągnięciu spice’owego modelu tego układu (będzie dołączony w materiałach dodatkowych do artykułu) można przeprowadzić symulację. Korzystamy ze schematu zawartego w nocie aplikacyjnej LM1496. Nie jest to najwygodniejsze do praktycznego zastosowania rozwiązanie, gdyż wymaga zasilania napięciem +12 V i –8 V. Ograniczymy się wiec jedynie do symulacji.

Rysunek 16. Modulator amplitudy zrealizowany na układzie LM1496 – schemat, wykres czasowy i widmo

Pozostawiamy te same częstotliwości: nośną 200 kHz i modulującą 1 kHz. Wynik symulacji przedstawiono na rysunku 16. I w tym przypadku długi czas symulacji (210 ms) wynika z chęci uzyskania dobrej rozdzielczości widma FFT.

Rysunek 17. Wpływ regulacji równoważenia na przebieg wyjściowy i widmo sygnału zmodulowanego

Widoczny na schemacie potencjometr X1 służy do wytłumiania nośnej w widmie sygnału. Składowa ta pojawia się w przypadku, gdy układ nie jest dokładnie zrównoważony. Na rysunku 17 pokazano przypadki dla trzech położeń suwaka potencjometru. Położenia są określone liczbą z przedziału 0...1, przy czym 0 i 1 są położeniami skrajnymi. Jak widać, idealne zrównoważenie układu symulowanego odpowiada pozycji środkowej suwaka, czyli s=0,5. W układach rzeczywistych mogą wystąpić pewne asymetrie, które spowodują konieczność ich korekcji poprzez inne ustawienie suwaka niż w pozycji środkowej. Jak już było wspomniane badanie układu modulatora scalonego LM1496 ograniczamy tylko do symulacji.

Jarosław Doliński, EP

Artykuł ukazał się w
Elektronika Praktyczna
marzec 2021
DO POBRANIA
Pobierz PDF Download icon
Materiały dodatkowe
Elektronika Praktyczna Plus lipiec - grudzień 2012

Elektronika Praktyczna Plus

Monograficzne wydania specjalne

Elektronik listopad 2025

Elektronik

Magazyn elektroniki profesjonalnej

Raspberry Pi 2015

Raspberry Pi

Wykorzystaj wszystkie możliwości wyjątkowego minikomputera

Świat Radio listopad - grudzień 2025

Świat Radio

Magazyn krótkofalowców i amatorów CB

Automatyka, Podzespoły, Aplikacje listopad - grudzień 2025

Automatyka, Podzespoły, Aplikacje

Technika i rynek systemów automatyki

Elektronika Praktyczna listopad 2025

Elektronika Praktyczna

Międzynarodowy magazyn elektroników konstruktorów

Elektronika dla Wszystkich grudzień 2025

Elektronika dla Wszystkich

Interesująca elektronika dla pasjonatów