Jak napisać aplikację mobilną poprzez UART (4)

Jak napisać aplikację mobilną poprzez UART (4)
Pobierz PDF Download icon

W kolejnej części artykułu BBMobile, zajmiemy się oprogramowaniem mikrokontrolera, będącego sercem sterownika „REMOTE SWITCH”. Zbudujemy uniwersalną strukturę programu, która nieznacznie zmodyfikowana pozwoli zrealizować wiele nowych, ciekawych i użytecznych urządzeń sterujących: włączników czasowych, termostatów, sterowników kolektorów słonecznych i bojlerów, włączników z opóźnionym startem, sterowników wentylatorów itp. Wszystkie te urządzenia łączy wspólny element: bezprzewodowy interfejs użytkownika na ekranie urządzenia mobilnego.

Hardware projektu

Sterownik „REMOTE SWITCH” składa się z trzech głównych elementów: mikrokontrolera sterującego, modułu BBMobile (most rozpięty pomiędzy interfejsem UART kontrolera, a interfejsem użytkownika na ekranie smartfona) oraz wykonawczego układu mocy. Jako układ programowalny wybrano chip ATmega88. Może go zastąpić dowolny inny kontroler wyposażony w port UART, z co najmniej 8 kB pamięci programu i 2 kB pamięci RAM (co nie powinno sprawić większych problemów).

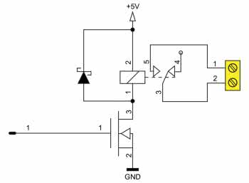
Rysunek 1. Schemat układu „REMOTE SWITCH”

Schemat układu prezentuje rysunek 1. Komunikacja szeregowa pomiędzy mikrokontrolerem a modułem BBMobile, odbywa się dwoma liniami portu UART (PD.0 i PD.1 kontrolera). Obydwa komponenty zasilane są tym samym napięciem o wartości 3,3 V, które dołączone jest do pinów 7 i 8 modułu BBMobile. Zasilanie dla ATmega88 pobierane jest natomiast z pinów 21 i 24. Do pinu PB.0 kontrolera podłączono diodę sygnalizującą stan pracy sterownika, a do pinu PB.1 należy dołączyć wspomniany wykonawczy układ mocy. W zależności od zastosowania sterownika, może to być przekaźnik półprzewodnikowy SSR lub układ wykonawczy z triakiem (rysunek 2), tranzystor mocy (rysunek 3) lub przekaźnik mechaniczny (rysunek 4). Do złącza śrubowego podłączamy sterowane urządzenie, a wejście układu wykonawczego podpinamy do PB.1 mikrokontrolera.

Rysunek 2. Przekaźnik SSR
Rysunek 3. Tranzystor mocy
Rysunek 4. Przekaźnik mechaniczny

Biblioteka bbmobile_lib

Obsługa modułu BBMobile została zaimplementowana w dedykowanej bibliotece, której kod źródłowy dostępny jest w witrynie bbmagic.net. Składa się z dwóch plików: bbmobile_uart04.c i bbmobile_lib04.c. Pierwszy plik zawiera funkcje obsługujące hardware portu szeregowego mikrokontrolera. Wymaga edycji w przypadku chęci zastosowania biblioteki z innym chipem. Dostosować należy zmienną kompilatora UART_DATA_REG (definiuje nazwę rejestru danych UART) oraz dwie funkcje: bbmobile_uart_init, konfigurującą sterownik UART i bbmobile_uart_tx_wait_free, oczekującą na możliwość wysłania kolejnego znaku UART-em. Drugi z plików zawiera funkcje obsługujące moduł BBMobile oraz stworzony interfejs mobilny i nie wymaga edytowania. W tabeli 1 zostały zestawione funkcje biblioteki wraz z ich krótkim opisem.

Funkcjonalność projektu

Demonstracyjny projekt „REMOTE SWITCH” umożliwia zdalne załączanie i wyłączanie dowolnego sprzętu elektronicznego, przy pomocy urządzenia mobilnego (smartfon, tablet). Dostęp do sterowania zabezpieczony będzie kodem PIN. Dioda LED sygnalizuje trzy stany sterownika: błąd związany z brakiem komunikacji pomiędzy mikrokontrolerem, a modułem BBMobile (długi okres świecenia i krótki 100 milisekundowy czas wygaszenia LED-u), oczekiwanie na zestawienie połączenia Bluetooth (krótki błysk diody trwający 100 ms), stan zestawionego połączenia (sygnalizowany świeceniem diody).

Na bazie tego projektu możliwe jest zbudowanie wielu ciekawych i użytecznych urządzeń. Poza prostotą tworzenia estetycznych wizualnie interfejsów użytkownika. Dodatkową funkcjonalnością projektów z BBMobile jest możliwość zdalnego konfigurowania i odczytywania parametrów urządzenia. Nie ma już konieczności instalowania sterownika w łatwo dostępnym i widocznym miejscu. Można zapomnieć o sięganiu do pokręteł i przycisków sterujących na panelu oraz wytężaniu wzroku, by odczytać wskazania. Wystarczy uruchomić aplikację i wszystko czego potrzebujemy, wyświetlone będzie na kolorowym ekranie.

Projekt programu sterującego

Struktura programów dla mikrokontrolerów korzystających z modułu BBMobile, jest dość podobna. Wynika to ze sposobu użytkowania urządzeń z mobilnym interfejsem. Użytkownik wykonuje czynności, których obsługa jest zaimplementowana w kontrolerze sterującym tj. włączenie aplikacji BBMobile i uruchomienie skanowania w poszukiwaniu dostępnych peryferii (rysunek 5), zestawienie połączenia z wybranym z listy urządzeniem (rysunek 6), wprowadzenie kodu PIN umożliwiającego dostęp jeśli jest wymagany (rysunek 7), odczytywanie wartości i wprowadzanie zmian parametrów lub sterowanie urządzeniem (rysunek 8).

Rysunek 5. Skanowanie w poszukiwaniu urządzeń
Rysunek 6. Funkcje biblioteki BBMobile
Rysunek 7. Wprowadzanie pinu
Rysunek 8. Interfejs sterujący

Program sterujący można podzielić na trzy intuicyjne bloki funkcjonalne: inicjalizację kontrolera i konfigurację wszystkich układów peryferyjnych wraz z modułem BBMobile (aby ten był gotowy do przyjęcia nadchodzących połączeń), oczekiwanie na zestawienie połączenia Bluetooth (a gdy to nastąpi stworzenie interfejsu użytkownika na ekranie), współpraca z interfejsem aż do chwili zamknięcia połączenia (obsługiwanie żądań i wysyłanie komend sterujących). Dwa ostatnie bloki wykonywane są w nieskończonej pętli, ponieważ po zamknięciu aktywnego połączenia, sterownik musi oczekiwać na zestawienie kolejnego i realizację nowych zadań.

Program sterujący – inicjalizacja

Na listingu 1 został pokazany kod inicjujący sterownik „REMOTE SWTICH”.

Listing 1. Inicjalizacja programu

48 //============================================
49 //-MAIN
50 //============================================
51 int main(void)
52 {
53 uint8_t i, pk_state ;
54
55 DDRB = 0b00000011 ;
56 PORTB = 0b00000011 ;
57 DDRD = 0b00000010 ;
58 PORTD = 0b00001111 ;
59
60 PK_OFF ;
61 pk_state =0 ;
62
63 //bbmobile_uart_init((uint16_t)(F_CPU/(9600*16l)-1)) ;
//-UBRR reg with double UART speed -> 960bps
64 bbmobile_uart_init(12) ;
65
66 sei() ; //-enable interrupts
67
68 //-wait for BBMobile module answer
69 do
70 {
//-it takes about 500ms if timeout
71 if( bbmobile_send_2chip_ack("<hello\r\n") ==0 )
72 break ;
73 LED_OFF ; bbmobile_wait_ms(100) ; LED_ON ;
74 }while(1) ;
75
76 //-set Bluetooth device name
77 i = bbmobile_send_2chip_ack("<name,REMOTE SWITCH\r\n") ;
78
79 //-set PIN
80 i = bbmobile_send_2chip_ack("<pin,123\r\n") ;

Linie od 55...58 konfigurują porty mikrokontrolera, zgodnie z opisanym powyżej przeznaczeniem. W stanie początkowym sterowane urządzenie jest wyłączone, a flaga pk_state wyzerowana, o czym decydują linie 60 i 61. W linii 64 konfigurowany jest port UART do pracy z prędkością 9600 bps, przy wewnętrznym zegarze kontrolera 1 MHz. Linia 66 włącza obsługę przerwań, co jest niezbędne do poprawnej pracy biblioteki BBMobile.

Pętla rozpoczynająca się od linii 69 sprawdza czy komunikacja pomiędzy kontrolerem a modułem, działa w sposób niezakłócony. W tym celu wysyłana jest komenda <hello na którą poprawnie działający BBMobile odpowiada pozdrowieniem >HI. Zwróćmy uwagę, że każdy obieg pętli powoduje przygaśnięcie diody na 100 ms, co pozwala zidentyfikować ewentualny problem braku komunikacji pomiędzy modułem, a kontrolerem. Dłuższy okres świecenia diody z krótkimi przygaśnięciami, sygnalizuje właśnie ten problem. Dopiero gdy funkcja bbmobile_send_2chip_ack("<hello\r\n") zwróci wartość różną od zera, pętla zostaje przerwana, a w linii 77 definiowana jest nazwa urządzenia, która widoczna będzie na ekranie urządzenia mobilnego podczas skanowania. Kod dostępu do sterownika ustawiony jest wywołaniem kolejnej funkcji w linii 80, a jej pominięcie spowoduje, że „REMOTE SWITCH” nie będzie zabezpieczony hasłem.

Program sterujący – nieskończona pętla główna

Na listingu 2 pokazano nieskończoną główną pętlę programu, która realizuje: oczekiwanie na zestawienie połączenia, wysłanie kodu JSON budującego interfejs użytkownika (po otwarciu kanału komunikacyjnego), aktualizację kontrolek interfejsu, obsługę interfejsu (reakcję na żądania użytkownika aż do chwili zamknięcia połączenia Bluetooth).

Listing 2. Nieskończona pętla

82 for(;;) //-do it forever
83 {
84 //-wait for BLE connection
85 while( bbmobile_check_ble_conn() ==0 )
86 {
87 LED_OFF ; bbmobile_wait_ms(900) ;
88 LED_ON ; bbmobile_wait_ms(100) ;
89 } ;
90
91 //-send JSON structure to build mobile interface
92 bbmobile_send_json(json_switch) ;
93
94 //-update status
95 if(pk_state) //-if switch is on
96 bbmobile_send_2app_ack("$set,t1:te=\"-- ON --\"tc=\"0,150,0\"\r\n") ;
97 else //-if switch is off
98 bbmobile_send_2app_ack("$set,t1:te=\"-- OFF --\"tc=\"255,255,255\"\r\n") ;
99
100 //-play with interface
101 while(bbmobile_check_ble_conn()) //-until BLE connection is established
102 {
103 if( bbmobile_is_data() ) //-if there is new data from BBMobile
104 {
105 if(cmp_flash_ram_bytes("$by,b1", bbm_buf, 6)) //-if ON button is pressed
106 {
107 PK_ON ;
108 pk_state =1 ;
109 bbmobile_send_2app_ack("$set,t1:te=\"-- ON --\"tc=\"0,150,0\"\r\n") ;
110 }else if(cmp_flash_ram_bytes("$by,b2", bbm_buf, 6)) //-if OFF button is pressed
111 {
112 PK_OFF ;
113 pk_state =0 ;
114 bbmobile_send_2app_ack("$set,t1:te=\"-- OFF --\"tc=\"255,255,255\"\r\n") ;
115 }
116 bbmobile_rx_enable() ; //-enable rec new data from BBMobile
117 }
118 } ;
119 //-BLE connection is closed
120 LED_OFF ;
121 }
122
123 return(0) ;
124 }

Przyjrzyjmy się jak poszczególne zadania zostały zrealizowane przy użyciu zasobów biblioteki bbmobile_lib. Pierwsza pętla mająca swój początek w linii 85, używa funkcji bbmobile_check_ble_conn() do sprawdzania stanu połączenia z aplikacją mobilną. Pulsująca dioda zaświecana jest w tym stanie na 100 ms, co sygnalizuje poprawną pracę sterownika i oczekiwanie na nadchodzące połączenia. Jeżeli kanał komunikacyjny z aplikacją mobilną zostanie otwarty, dioda świeci na stałe. Funkcja bbmobile_send_json(json_switch) wyśle kod opisujący strukturę interfejsu, zawarty w tablicy json_switch. Na listingu 3 widoczna jest definicja tablicy, zapisanej w pamięci programu. Jest to zaimplementowany przez nas kod JSON z listingu 4, który przygotowany był na etapie projektowania interfejsu w poprzednich częściach kursu. Tutaj został nieco zoptymalizowany pod kątem zajmowanego w pamięci miejsca. Ponadto, aby możliwa była kompilacja kodu wszystkie znaki " zostały escapeowane – zastąpione przez \".

Listing 3. Konfiguracja programu z pliku JSON

13 #include <avr/pgmspace.h>
14 #include <avr/io.h>
15 #include <avr/interrupt.h>
16
17 #include "bbmobile_lib04.c"
18
19 #define LED_PORT PORTB
20 #define LED_PIN 0
21 #define LED_ON LED_PORT |= (1<<LED_PIN)
22 #define LED_OFF LED_PORT &= ~(1<<LED_PIN)
23
24 #define PK_PORT PORTB
25 #define PK_PIN 1
26 #define PK_ON PK_PORT |= (1<<PK_PIN)
27 #define PK_OFF PK_PORT &= ~(1<<PK_PIN)
28
29
30 //-JSON structure - mobile interface definition
31 const char json_switch[] PROGMEM ="{\"ty\":\"lout\",\"or\":\"V\",\"img\":\"1\",\"cs\":[ \
32 {\"ty\":\"TextView\",\"te\":\"\nREMOTE SWITCH\",\"tc\":\"255,255,255\",\"ts\":\"30\",\"w\":\"1\"}, \
33 {\"ty\":\"TextView\",\"te\":\"Kontroluj zdalnie\n z Bluetooth Low Energy\",\"tc\":\"174,174,174\",\"ts\":\"20\",\"w\":\"1\"}, \
34 {\"ty\":\"TextView\",\"n\":\"t1\",\"tc\":\"255,255,255\",\"ts\":\"35\",\"tl\":\"bold\",\"w\":\"1\"}, \
35 {\"ty\":\"Button\",\"n\":\"b1\",\"te\":\"ON\",\"tc\":\"255,255,255\",\"bg\":\"3,96,164\",\"ts\":\"25\"}, \
36 {\"ty\":\"Button\",\"n\":\"b2\",\"te\":\"OFF\",\"tc\":\"255,255,255\",\"bg\":\"0,62,120\",\"ts\":\"25\"}, \
37 {\"ty\":\"TextView\",\"w\":\"3\"}]}" ;
Listing 4. Kod opisujący layout aplikacji

{
"ty":"lout",
"or":"V",
"img":"1",
"cs":[
{
"ty":"TextView",
"te":"REMOTE SWITCH",
"tc":"255,255,255",
"ts":"30",
"w":"1"
},
{
"ty":"TextView",
"te":"Kontroluj zdalnie\n z Bluetooth Low Energy",
"tc":"174,174,174",
"ts":"20",
"w":"1"
},
{
"ty":"TextView",
"n":"t1",
"te":"-- OFF --",
"tc":"255,255,255",
"ts":"35",
"tl":"bold",
"w":"1"
},
{
"ty":"Button",
"n":"b1",
"te":"ON",
"tc":"255,255,255",
"bg":"3,96,164",
"ts":"25"
},
{
"ty":"Button",
"n":"b2",
"te":"OFF",
"tc":"255,255,255",
"bg":"0,62,120",
"ts":"25"
},
{
"ty":"TextView",
"w":"3"
}
]
}

Po zbudowaniu interfejsu, następuje uaktualnienie parametrów kontrolek. W sterowniku „REMOTE SWITCH” konieczny jest update tekstu informującego o aktualnym stanie wysterowania (urządzenie włączone lub urządzenie wyłączone). Kod w liniach 95...98 sprawdza stan flagi pk_state i wysyła do interfejsu za pomocą funkcji bbmobile_send_2app_ack() odpowiednią komendę, która wyświetli biały napis OFF lub czerwony ON.

Interfejs na ekranie jest wyświetlony i zaktualizowany, a program zostaje zamknięty w kolejnej pętli, która wykonywana będzie dopóki radiowe połączenie z aplikacją jest otwarte (linia 101). W pętli tej sprawdzamy cyklicznie, czy nadeszły nowe dane od interfejsu (linia 104). Jeśli tak, to reagujemy w zależności od odebranego komunikatu: włączamy sterowane urządzenie, gdy użytkownik dotknął guzika b1 (if(cmp_flash_ram_bytes("$by,b1", bbm_buf, 6))) i wyłączamy, gdy dotknął b2 (else if(cmp_flash_ram_bytes("$by,b2", bbm_buf, 6))). Za każdym razem aktualizujemy wartość flagi pk_state oraz parametry kontrolki TextView, wyświetlającej aktualny stan – napis i jego kolor w kontrolce t1. Funkcja cmp_flash_ram_bytes("$by,b2", bbm_buf, 6) porównuje sześć bajtów znajdujących się w buforze bbm_buf w pamięci RAM, z ciągiem podanym jako pierwszy argument funkcji. Jeśli ciągi znaków są różne, funkcja zwraca wartość zero, w przeciwnym wypadku jeden.

Krytyczna linia kodu 116 wywołująca funkcję bbmobile_rx_enable(), umożliwia odbieranie kolejnych komunikatów poprzez port UART. Bez jej wywołania, reagowanie na kolejne komendy płynące z interfejsu użytkownika byłoby niemożliwe, co spowodowałoby wrażenie zawieszenia się urządzenia.

Po dotknięciu przycisku „STOP” na ekranie interfejsu aplikacji mobilnej, połączenie Bluetooth zostanie zamknięte, a funkcja bbmobile_check_ble_conn() w linii 101 zwróci wartość zero. Spowoduje to zakończenie wykonywania pętli zawartej w liniach 101...118. Program wróci do linii 85 i ponownie rozpocznie oczekiwanie na kolejne połączenie, mrugając diodą LED.

Ewolucja

Ponieważ kod źródłowy projektu jest ogólnodostępny w witrynie bbmagic.net, a jego budowa jest prosta i przejrzysta, to z łatwością można poddać go modyfikacji, rozbudowując funkcjonalność, bądź całkowicie ją zmieniając. Aby stworzyć nowy interfejs użytkownika wystarczy zmienić zawartość tablicy z listingu 3. Można zmienić zabezpieczający kod PIN, edytując argument funkcji w linii 80 lub usunąć go, pomijając jej wywołanie. Zaprogramować reakcje na naciśnięcie kolejnych button-ów, możemy dodając kolejne warunki, rozpoczynając od linii 115.

Rysunek 9. Przykład innego zastosowania biblioteki BBMobile

W ten sposób, w ciągu kilkunastu minut może powstać całkowicie nowy projekt, z interfejsem mobilnym na ekranie smartfona, jak na przykład na rysunku 9.

Mariusz Żądło
iram@poczta.onet.pl

Artykuł ukazał się w
Elektronika Praktyczna
lipiec 2020
DO POBRANIA
Pobierz PDF Download icon
Elektronika Praktyczna Plus lipiec - grudzień 2012

Elektronika Praktyczna Plus

Monograficzne wydania specjalne

Elektronik listopad 2025

Elektronik

Magazyn elektroniki profesjonalnej

Raspberry Pi 2015

Raspberry Pi

Wykorzystaj wszystkie możliwości wyjątkowego minikomputera

Świat Radio listopad - grudzień 2025

Świat Radio

Magazyn krótkofalowców i amatorów CB

Automatyka, Podzespoły, Aplikacje listopad - grudzień 2025

Automatyka, Podzespoły, Aplikacje

Technika i rynek systemów automatyki

Elektronika Praktyczna listopad 2025

Elektronika Praktyczna

Międzynarodowy magazyn elektroników konstruktorów

Elektronika dla Wszystkich grudzień 2025

Elektronika dla Wszystkich

Interesująca elektronika dla pasjonatów