Tętnienia w filtracji zasilania

Tętnienia w filtracji zasilania

Chcemy najczęściej, aby odfiltrowane napięcie zasilające było pozbawione tętnień wynikających z działania prostownika. Wszyscy wiemy również, że bez stabilizacji nie jest to możliwe – tętnienia będą zawsze, choć można przyczynić się do tego, by były mniejsze. Niekiedy inżynierowie sami zastawiają na siebie pułapki, tworząc przedziwne układy. Jakie to układy i czemu ich nie polecam?

Całkowicie typowa sytuacja: prostownik dwupołówkowy prostuje napięcie przemienne z transformatora, za prostownikiem znajduje się kondensator obciążony rezystancją imitującą zasilany układ. Schemat takiego tworu oraz przybliżony przebieg napięcia na zaciskach tegoż kondensatora pokazano na rysunku 1. Najczęściej ten przykład przytacza się w nawiązaniu do prostowania napięcia sieciowego o częstotliwości 50 Hz (tudzież 60 Hz), lecz w przypadku przetwornic impulsowych te przebiegi również są podobne. Nie jest zagadką także działanie takiego filtra: kondensator zostaje doładowany impulsem prądu dostarczanym przez diody w trakcie dochodzenia napięcia do wartości maksymalnej, po czym się rozładowuje przez pozostałą część (czyli więcej niż połowę, bo napięcie na kondensatorze nie spada do zera) okresu napięcia wejściowego. Im większy jest prąd pobierany z kondensatora filtrującego, tym silniej ulegnie on rozładowaniu przed następnym ładowaniem. Warto również zauważyć, że krzywa narastania napięcia na kondensatorze w trakcie jego ładowania odtwarza dokładnie taki sam kształt, jak przebieg napięcia podanego na prostownik, z różnicą w postaci spadku napięcia na diodach prostowniczych.

Rysunek 1. Schemat prostownika dwupołówkowego z filtrem oraz przykładowy przebieg napięcia wyjściowego

Teraz pytanie: co zrobić, żeby składowa zmienna napięcia na kondensatorze miała możliwie małą amplitudę? O ile ładowanie zawsze przebiega dokładnie tak samo, o tyle wpływ mamy na część dotyczącą rozładowania. Im większa pojemność i/lub mniejszy prąd pobierany z prostownika, tym spadek napięcia wywołany rozładowaniem będzie niższy, o czym świadczy poniższy (uproszczony) wzór na wartość międzyszczytową napięcia tętnień w przypadku małej ich wartości:

 [1]

gdzie: Iout to prąd pobierany z kondensatora filtrującego, f to częstotliwość napięcia przemiennego wchodzącego na prostownik, zaś C to oczywiście pojemność kondensatora filtru.

Wzór ten jest bardzo rozpowszechniony w internecie, lecz zakłada on, że faza rozładowania kondensatora trwa dokładnie połowę okresu napięcia zasilającego – co oznaczałoby, że jego ładowanie jest nieskończenie szybkie, bo odbywa się wyłącznie w samym punkcie ekstremum napięcia wejściowego. Można jednak przyjąć, że wzór jest słuszny dla relatywnie niewielkiego napięcia tętnień.

Nie chcę się tutaj zagłębiać się w tajniki dotyczące współczynników tętnień, kształtu i innych, ponieważ zaciemnią one obraz, który powinien pozostać klarowny: chcemy uzyskać możliwie wysoką wartość składowej stałej na wyjściu takiego prostownika z filtrem, najlepiej równą wartości maksymalnej napięcia wejściowego. Oznaczałoby to, że wartość międzyszczytowa składowej zmiennej musiałaby wynosić zero. Z oczywistych przyczyn takie warunki nie są możliwe do spełnienia, bowiem wymagałoby to kondensatora o nieskończenie wielkiej pojemności, który byłby obciążony zerowym prądem. Brzmi mało realistycznie, więc zejdźmy na ziemię.

Można dobrać kondensator filtrujący, kierując się dopuszczalną wartością międzyszczytową napięcia tętnień – wystarczy w tym celu przekształcić wzór [1]:

 [2]

Jednak to podejście nie jest zbyt praktyczne, bowiem rzadko kiedy wiemy tak naprawdę, jakiego rzędu wartości międzyszczytowej napięcia tętnień oczekujemy – wyjątkiem są sytuacje, kiedy prostownik z filtrem zasila stabilizator o określonej wartości napięcia Vdropout, więc chwilowa wartość napięcia na jego wejściu musi przekraczać określone minimum. W swojej praktyce dnia codziennego kieruję się z reguły uproszczoną zasadą, znalezioną dawno temu w jakiejś książce bądź artykule: na każdy jeden miliamper prądu pobieranego z prostownika zastosuj kondensator o pojemności 3…6 μF. Proste? Proste. Sprawdza się? Owszem, dla niewielkich obciążeń (rzędu 2 A lub mniej) jak najbardziej – zwłaszcza jeżeli następnym stopniem jest stabilizator. Warto dodać, że większa pojemność filtrująca za prostownikiem powoduje podniesienie składowej stałej napięcia na niej, co przekłada się również na większą moc strat w stabilizatorze. Nie jest to powszechnie uwzględniany fakt, lecz warto mieć go na uwadze, jeżeli tej mocy do rozpraszania na stabilizatorze będzie znacząco dużo.

Można jednak zmienić podejście do filtracji, przechodząc do dziedziny częstotliwościowej. Otóż tętniące napięcie na kondensatorze wygładzającym to nic innego jak suma dwóch składowych:

  • stałej (pożądanej),
  • zmiennej (niepożądanej, o wielu harmonicznych).

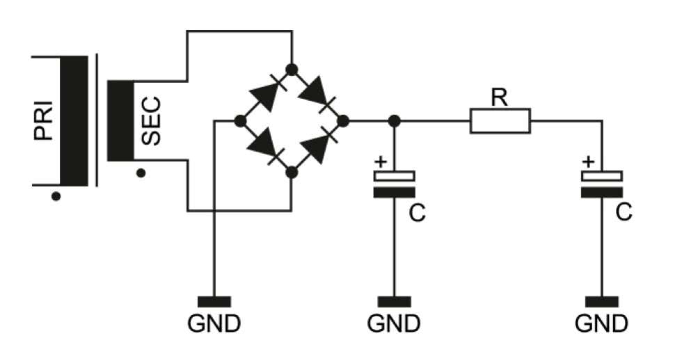
Potrzebujemy zatem filtru dolnoprzepustowego o możliwie niskiej częstotliwości odcięcia, bowiem interesująca jest dla nas jedynie składowa stała. Można więc zastosować filtr RC, znany pod nazwą CRC, po uwzględnieniu pierwszego kondensatora wygładzającego, który w tej roli sprawdzi się lepiej niż pojedynczy kondensator – patrz rysunek 2. Utrudnieniem jest fakt, że wypadkowa rezystancja takiego filtru wpływa na spadek napięcia, wobec czego napięcie wyjściowe może się okazać nieakceptowalnie niskie. Z tego powodu takie układy filtrujące, w tym wieloczłonowe, najczęściej spotyka się w urządzeniach lampowych, gdzie strata kilkunastu czy nawet kilkudziesięciu woltów nie jest bolesna dla konstruktora, a niekiedy wręcz pożądana z punktu widzenia dopasowania zasilacza do konkretnego układu. Jednak również w zasilaczach cyfrowych urządzeń półprzewodnikowych, zwłaszcza przetwarzających sygnały (przy wysokich wymaganiach co do ich jakości) również się je spotyka.

Rysunek 2. Filtr CRC do zredukowania wartości międzyszczytowej napięcia tętnień

Zauważyłem już w kilku miejscach praktykę polegającą na wstawianiu rezystorów przed prostownik, jak na rysunku 3.

Rysunek 3. Rezystory dodane przed prostownikiem

Oczywiście z punktu widzenia teorii obwodów da to taki sam efekt, jak wstawienie jednego rezystora, o wartości równej sumie dwóch poprzednich, zaraz za mostkiem – rysunek 4. Jaki ma to wpływ na układ? Jeżeli chodzi o fazę rozładowywania kondensatora, tutaj nie zmienia się nic – prąd jest pobierany z jego okładek, diody prostownika pozostają w tym czasie zatkane, napięcie na kondensatorze spada. Natomiast dzieje się coś innego, bowiem... wydłuża się faza ładowania kondensatora. Jest tak, ponieważ rośnie rezystancja wewnętrzna źródła ładującego kondensator, więc dostarczenie do niego tej samej porcji ładunku (doładowanie go) zajmie więcej czasu. Jednak w rzeczywistym układzie nie ma więcej czasu, ponieważ okres napięcia wejściowego jest nadal taki sam. Czyli, tak naprawdę, kondensator ten nie doładowuje się do maksymalnej wartości, czyli wartości szczytowej napięcia za prostownikiem. Oznacza to, że wartość średnia takiego napięcia zmniejsza się, czyli... maleje składowa stała, na której utrzymaniu (na właściwym poziomie) tak naprawdę nam zależy.

Rysunek 4. (Teoretycznie) równoważna reprezentacja układu z rysunku 3

Słyszałem argumentację polegającą na tym, że taki zabieg zmniejsza zakłócenia pochodzące od przełączania diod. Coś w tym może być, bowiem w trakcie doładowywania kondensatora wygładzającego płynie przez diody mostka prąd o relatywnie wysokim natężeniu – znacznie wyższym od tego, który jest potem pobierany z filtru. Dodanie rezystorów rozciąga ten proces, to znaczy: ładowanie przebiega dłużej, ale prądem o mniejszym natężeniu. Tyle że nadal mamy niepożądaną składową zmienną napięcia za filtrem, którą trzeba usunąć. Jednocześnie, ten prąd ładowania i tak jest ograniczony przez rezystancję statyczną diod, rezystancję uzwojenia transformatora, rezystancję połączeń i ESR kondensatora.

Osobiście wolę mieć do dyspozycji jak najwyższą wartość składowej stałej, którą potem mogę zredukować w filtrze CRC bądź dowolnym innym (np. CLC), zmniejszając również wartość międzyszczytową napięcia tętnień. Owszem – wiąże się to z pewnym wysiłkiem dla diod, jednak współczesne diody prostownicze są projektowane pod kątem pracy w takich właśnie warunkach. Z kolei niepożądane harmoniczne, wynikające z ich przełączania, można odfiltrować lub wręcz uciąć stabilizatorem liniowym.

Michał Kurzela, EP

Źródła:
[1] https://www.electronics-tutorials.ws/pl/dioda/prostowniki-pelnookresowe.html

Artykuł ukazał się w
Elektronika Praktyczna
lipiec 2025
Elektronika Praktyczna Plus lipiec - grudzień 2012

Elektronika Praktyczna Plus

Monograficzne wydania specjalne

Elektronik listopad 2025

Elektronik

Magazyn elektroniki profesjonalnej

Raspberry Pi 2015

Raspberry Pi

Wykorzystaj wszystkie możliwości wyjątkowego minikomputera

Świat Radio listopad - grudzień 2025

Świat Radio

Magazyn krótkofalowców i amatorów CB

Automatyka, Podzespoły, Aplikacje listopad - grudzień 2025

Automatyka, Podzespoły, Aplikacje

Technika i rynek systemów automatyki

Elektronika Praktyczna listopad 2025

Elektronika Praktyczna

Międzynarodowy magazyn elektroników konstruktorów

Elektronika dla Wszystkich grudzień 2025

Elektronika dla Wszystkich

Interesująca elektronika dla pasjonatów