Pomiary charakterystyk częstotliwościowych (2). Filtry aktywne m.cz. typu Sallen–Key

Pomiary charakterystyk częstotliwościowych (2). Filtry aktywne m.cz. typu Sallen–Key

W kolejnej części cyklu poświęconego pomiarom charakterystyk częstotliwościowych liniowych układów przetwarzania sygnałów analogowych skupiono się na tzw. amplifiltrach m.cz., czyli filtrach aktywnych na małe częstotliwości. Element wzmacniający stanowi w nich nieodzowną część struktury układu. Niniejsze opracowanie stało się też okazją do przemycenia garści praktycznych rozwiązań projektowych. W publikacji pokazane i przeanalizowane zostały bowiem trzy projekty filtrów (dolnoprzepustowego, górnoprzepustowego oraz pasmowoprzepustowego), utworzone za pomocą środowiska projektowego firmy Analog Devices.

Wzmacniacze selektywne z założenia przeznaczone są do wydzielania i wzmacniania sygnałów w określonym pasmie częstotliwości oraz tłumienia sygnałów o częstotliwościach leżących poza wybranym fragmentem spektrum. W zależności od przyjętych wymagań mogą one mieć różny przebieg charakterystyki amplitudowej. Generalnie wyróżnia się wzmacniacze selektywne: dolnoprzepustowe, górnoprzepustowe, pasmowoprzepustowe oraz pasmowozaporowe, czyli selektywnie tłumiące sygnały. Wzmacniacze selektywne stosuje się m.in. w urządzeniach telekomunikacyjnych, audiowizualnych, radarowych, automatyce przemysłowej, technice pomiarowej, telemetrii i w wielu innych dziedzinach elektroniki sygnałowej. Mogą one być wykonywane w różny sposób. Do dwóch podstawowych topologii należą: układy z obwodem rezonansowym, włączonym między dwa stopnie wzmacniające oraz topologie z obwodem selektywnym, włączonym w obwód sprzężenia zwrotnego. Wzmacniacze z selektywnym sprzężeniem zwrotnym nazywane są też filtrami aktywnymi lub amplifiltrami. Spośród licznych, stosowanych w praktyce koncepcji amplifiltrów, poczesne miejsce zajmują rozwiązania typu Sallen–Key, które wyróżnia prosta topologia, a także znaczna łatwość projektowania i implementacji w technologiach scalonych. Warto w tym miejscu zaznaczyć, że obwody selektywne w amplifiltrach m.cz. są w znakomitej większości oparte na elementach RC, które zapewniają znacznie bardziej zwartą konstrukcję i lepszą odporność na interakcje elektromagnetyczne z otoczeniem od komponentów indukcyjnych, które z kolei przy niższych częstotliwościach mogą też osiągać znaczne gabaryty i wysokie ceny. Z kolei we wzmacniaczach selektywnych w.cz., jako elementy kształtujące charakterystyki częstotliwościowe, zdecydowanie dominują elementy LC, piezoceramiczne i kwarcowe, które oferują znacznie korzystniejsze właściwości (m.in. dokładność, powtarzalność oraz stabilność temperaturową i czasową częstotliwości charakterystycznych, a także innych parametrów elektrycznych).

Metodyka pomiarów i zastosowane układy

W zaprezentowanych dalej testach jako źródło sygnału pomiarowego ponownie zastosowano generator-wobulator z modułem DDS (AVT5980, EP 4...6/2023), który pracował jako generator przestrajany ręcznie w wybranych zakresach częstotliwości. Schemat blokowy układu pomiarowego pokazano na rysunku 1 – poziom sygnału na wyjściach amplifiltrów był odczytywany ręcznie za pośrednictwem szerokopasmowej sondy logarytmicznej AVT5991 (EP 8...9/2024) oraz multimetru cyfrowego (oscyloskop cyfrowy posłużył wyłącznie do kontroli kształtu mierzonego przebiegu napięcia). Dalej dane pomiarowe były wprowadzane do tabel, na podstawie których powstawały stosowne wykresy.

Rysunek 1. Schemat blokowy zastosowanego toru pomiarowego

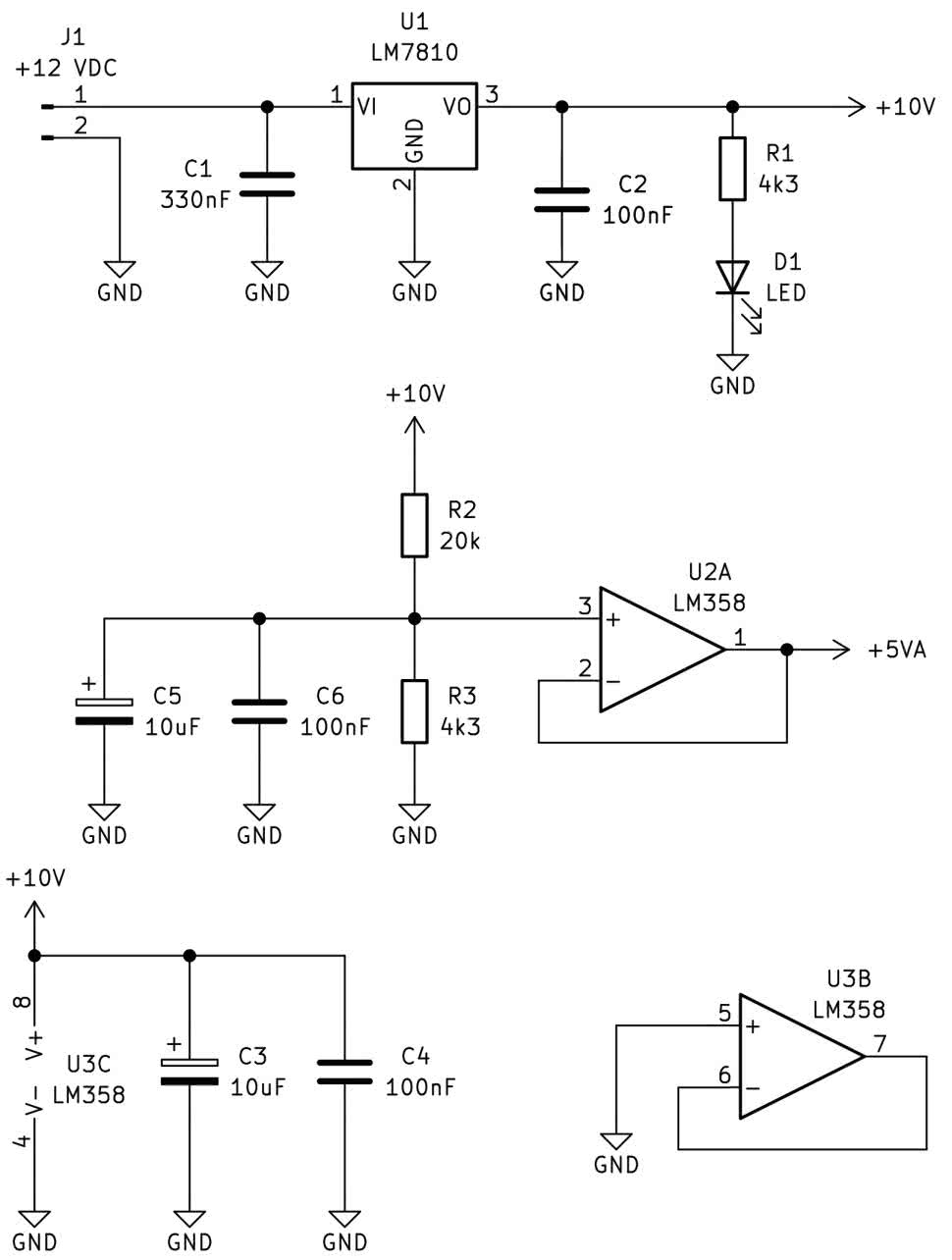
Na rysunku 2 pokazano schematy układów zasilania oraz polaryzacji wejść użytych w testach wzmacniaczy operacyjnych, będących elementami aktywnymi w zaprojektowanych filtrach.

Rysunek 2. Układy zasilania i polaryzacji wzmacniaczy operacyjnych

Rysunek 3 prezentuje okno startowe programu użytego do projektowania amplifiltrów. Jest to aplikacja sieciowa udostępniana bezpłatnie przez firmę Analog Devices (ADI) pod adresem internetowym https://tools.analog.com/en/filterwizard/. We wszystkich trzech zaprojektowanych i zmierzonych układach filtrów aktywnych zastosowano popularny i łatwo dostępny, podwójny wzmacniacz operacyjny TL082, który w przedmiotowych projektach uznano za rozsądny zamiennik dla specjalizowanych, nowoczesnych wzmacniaczy operacyjnych produkcji ADI, rekomendowanych przez wspomniane narzędzie projektowe.

Rysunek 3. Okno startowe aplikacji do projektowania amplifiltrów (Analog Devices)

Tabela 1 przybliża wybrane parametry dynamiczne układu TL082. Wynika to, że układ oferuje bardzo wysoką impedancję wejściową i bardzo niski wejściowy prąd polaryzacji – zapewne z uwagi na obecność tranzystorów JFET na wejściach różnicowych. W dodatku relatywnie wysokie wartości parametrów w opisywanych zastosowaniach: iloczynu „wzmocnienie-pasmo” GBP oraz wzmocnienia w otwartej pętli, pozwalają traktować ten podzespół niemalże jako idealny wzmacniacz operacyjny. Pozytywną percepcję zamiennego zastosowania tutaj układu TL082 dopełnia bardzo niski współczynnik zawartości harmonicznych THD w układzie testowym o dość znacznym wzmocnieniu i sporym napięciu wyjściowym.

Narzędzie projektowe firmy Analog Devices pozwalało na kilkuetapowe przygotowanie projektów filtrów – łącznie ze stosownymi symulacjami konkretnych rozwiązań układowych i dlatego w tym przypadku żadne odrębne symulacje nie były realizowane. Pełne cykle projektowe zostały opisane w dalszej części publikacji – wraz z opisami kolejnych etapów kreowania fizycznych układów.

Dolnoprzepustowy amplifiltr m.cz. (LPF)

Jako punkt wyjścia do projektu wybrano filtr dolnoprzepustowy o częstotliwości granicznej Fg=2,7 kHz przy tłumieniu –3 dB. Mógłby to być np. filtr ograniczający pasmo odbieranego i/lub nadawanego sygnału głosowego w radioamatorskich emisjach SSB czy DSB. Po wybraniu w głównym oknie aplikacji projektowej (rysunek 3) stosownego prototypu filtru zostajemy przeniesieni do okna, w którym możemy wprowadzić podstawowe założenia do projektu (rysunek 4). Niezbyt wygórowane wymagania pod względem tłumienia w pasmie zaporowym (–20 dB przy F=5,4 kHz) pozwoliły uzyskać realizację filtru czwartego rzędu o charakterystyce maksymalnie płaskiej, tzn. wg tzw. aproksymacji Butterwortha. Suwak w dolnej części okna specyfikacji parametrów filtru (po lewej stronie ilustracji) pozwala na prosty wybór pomiędzy rozwiązaniem o bardziej stromej charakterystyce a takim, które wymaga bardziej złożonego rozwiązania projektowego (filtru wyższego rzędu).

Rysunek 4. Założenia do projektu amplifiltru LPF typu Sallen–Key

Pokazane na rysunku 5 kolejne okno aplikacji pokazuje już bazowy (wstępny) schemat projektowanego amplifiltru (widok „Circuit”). Na tym etapie można ustalić m.in.: dostępny zakres napięć zasilania wzmacniaczy operacyjnych oraz stopień swobody przy doborze wartości elementów RC w poszczególnych stopniach filtru, a także włączyć lub wyłączyć funkcję autokompensacji przez aplikację parametru GBW w modelu konkretnie wybranego (z obszernej listy sugerowanych podzespołów prod. firmy ADI) wzmacniacza operacyjnego. Autor projektu postanowił skorzystać z opcji ingerencji we wzajemne proporcje pomiędzy elementami RC w pierwszym stopniu filtru „A”, z uwagi na chęć uzyskania gwarantowanej impedancji wejściowej układu w całym interesującym pasmie częstotliwości na poziomie nie mniejszym niż około 100-krotność impedancji wyjściowej zastosowanego generatora, czyli około 100·50 Ω=5 kΩ. Jako topologię pojedynczego stopnia filtrującego drugiego rzędu wybrano architekturę typu Sallen–Key – nieco prostszą implementacyjnie od alternatywnie dostępnej topologii filtru z wielokrotnym sprzężeniem zwrotnym. W przypadku tej propozycji projektowej warto zwrócić uwagę na drobne niedociągnięcie, polegające na braku sugestii co do sposobu wprowadzenia do układu napięcia referencyjnego, polaryzującego wejście wzmacniaczy operacyjnych (+Vs/2). W praktyce zrobiono to na piechotę poprzez podanie wspomnianego napięcia referencyjnego wprost na wejście nieodwracające pierwszego wzmacniacza operacyjnego za pośrednictwem rezystora o wartości 1 MΩ, którego znaczna wartość nie powinna zakłócić charakterystyki częstotliwościowej amplifiltru.

Rysunek 5. Bazowy schemat amplifiltru LPF typu Sallen–Key

Rysunek 6 prezentuje kolejne okno projektu amplifiltru, w którym można wprowadzić dopuszczalne tolerancje kluczowych parametrów podzespołów w filtrze (wartości elementów RC oraz GBW wzmacniacza operacyjnego) a także typoszeregi komponentów RC, z których aplikacja może w kolejnym kroku działania dobierać konkretne rezystancje i pojemności standardowe. Większą część tego okna zajmuje wykres charakterystyki częstotliwościowej projektowanego układu (widok: „Magnitude (dB)”) wraz z wyróżnionymi błękitnym kolorem polami możliwych jej odstępstw od idealnego pierwowzoru, wynikającymi właśnie z tolerancji parametrów zastosowanych podzespołów.

Rysunek 6. Charakterystyka częstotliwościowa amplifiltru LPF typu Sallen–Key

Rysunek 7 prezentuje widok „Input Impedance (Ω)” z wykresem impedancji wejściowej projektowanego amplifiltru. Jego analiza posłużyła do kontroli tego, czy zbyt niska impedancja wejściowa układu nie będzie w stanie zaburzyć pomiarów jego charakterystyki częstotliwościowej.

Rysunek 7. Impedancja wejściowa amplifiltru LPF typu Sallen–Key

Z kolei rysunek 8 (widok „Stages”) przybliża kluczowe własności poszczególnych stopni amplifiltru – ten tryb pracy może być przydatny szczególnie wtedy, gdy projektant nie jest do końca zadowolony z uzyskanych własności całego filtru i poszukuje możliwości jego dalszej optymalizacji wyłącznie w ramach poszczególnych stopni.

Rysunek 8. Własności poszczególnych stopni amplifiltru LPF typu Sallen–Key z uwzględnieniem tolerancji użytych elementów

Rysunek 9 (widok „Circuit”) prezentuje ostateczny schemat zaprojektowanego filtru aktywnego – już z zastosowaniem elementów RC o wskazanych dopuszczalnych tolerancjach i należących do preferowanych typoszeregów.

Rysunek 9. Ostateczny schemat amplifiltru LPF typu Sallen–Key

Rysunek 10 obejmuje pełne rozwiązanie projektowe – z uwzględnieniem pojemności blokujących zakłócenia zasilania poszczególnych wzmacniaczy operacyjnych czy sposobu zagospodarowania na firmowej płytce ewaluacyjnej pozostałych niewykorzystanych układów. W zasadzie taki schemat może już posłużyć do realizacji ostatecznej postaci amplifiltru. W lewej części tego okna można też znaleźć narzędzia wspierające zamówienie u producenta płytki ewaluacyjnej czy próbek wybranych wzmacniaczy operacyjnych, pobranie na dysk lokalny kompletu plików projektowych (w tym m.in. schematu, projektu PCB oraz BOM-u) lub tylko plików wsadowych do przeprowadzenia symulacji w środowiskach opartych na silniku SPICE. Dystrybutor aplikacji zapewnił też przycisk zachęcający do udostępnienia opracowanego projektu drogą mailową.

Rysunek 10. Sugestie odnośnie do realizacji ostatecznej postaci amplifiltru LPF typu Sallen–Key

Fotografia 1 pokazuje roboczy model zaprojektowanego uprzednio, dwustopniowego amplifiltru LPF czwartego rzędu. Tymczasowy model zbudowano na płytce stykowej, a jego konstrukcja (wbrew pozorom) wymagała znacznej staranności i ostrożności. W lewej części fotografii wyróżniono układy zasilania i polaryzacji, natomiast w części prawej widzimy właściwą implementację filtru aktywnego. Zagęszczenie częstotliwości pomiarowych dobrano stosownie do nieregularności charakterystyki amplitudowo-częstotliwościowej prototypu filtru.

Fotografia 1. Roboczy model amplifiltru LPF typu Sallen–Key

Liczbowe rezultaty pomiarów zostały ujęte w tabeli 2 oraz zwizualizowane na wykresie na rysunku 11.

Czerwona (wygładzona) linia trendu bardzo dobrze pokrywa się z niebieską linią odpowiadającą rzeczywistym pomiarom. W dodatku obydwie krzywe bardzo dobrze zgadzają się z charakterystyką filtru prototypowego, co zasadniczo świadczy o poprawności realizacji zarówno projektu, jak i prototypu układu.

Rysunek 11. Charakterystyka częstotliwościowa amplifiltru LPF typu Sallen–Key (pomiar)

Górnoprzepustowy amplifiltr m.cz. (HPF)

Przyczynkiem do podjęcia projektu tego filtru górnoprzepustowego pierwotnie była szersza koncepcja wzmacniacza stereofonicznego, wyłącznie na pasma górnych-średnich i wysokich częstotliwości akustycznych, który współpracowałby z dolno-średniotonowym, centralnym subwooferem. Przyjęto dolną częstotliwość graniczną filtru Fd=3,0 kHz przy tłumieniu –3 dB. Ponownie najpierw w głównym oknie aplikacji projektowej (rysunek 3) wybieramy odpowiedni prototyp filtru, a następnie w kolejnym oknie wprowadzamy kluczowe założenia do projektu (rysunek 12).

Rysunek 12. Założenia do projektu amplifiltru HPF typu Sallen–Key

Umiarkowane wymagania odnośnie do tłumienia w pasmie zaporowym (–20 dB przy F=1,5 kHz) pozwoliły uzyskać realizację filtru czwartego rzędu o charakterystyce maksymalnie płaskiej (wg aproksymacji Butterwortha). Kolejne okno aplikacji (rysunek 13, widok „Circuit”) prezentuje wstępny schemat projektowanego filtru aktywnego.

Rysunek 13. Bazowy schemat amplifiltru HPF typu Sallen–Key

Ponownie skorzystano z możliwości ingerencji w proporcje między elementami RC w pierwszym stopniu filtru „A” w celu uzyskania odpowiedniej impedancji wejściowej układu w interesującym pasmie częstotliwości – nie mniejszej niż około 100 razy impedancja wyjściowa generatora, czyli 5 kΩ. W tym projekcie dla poszczególnych stopni także wybrano topologię typu Sallen–Key. Rysunek 14 pokazuje okno projektowe, przeznaczone do wprowadzania maksymalnych tolerancji kluczowych parametrów elementów filtru oraz preferowane typoszeregi elementów RC (do doboru konkretnych ich wartości) wraz z wynikowym wykresem opartym na analizie tolerancji.

Rysunek 14. Charakterystyka częstotliwościowa amplifiltru HPF typu Sallen–Key

Rysunek 15 prezentuje widok „Input Impedance (Ω)” z wykresem impedancji wejściowej projektowanego filtru aktywnego. Wykazuje on spełnienie wstępnych założeń co do minimalnej wartości impedancji wejściowej układu.

Rysunek 15. Impedancja wejściowa amplifiltru HPF typu Sallen–Key

Natomiast rysunek 16 (widok „Stages”) pokazuje kluczowe parametry obu stopni amplifiltru na potrzeby ewentualnej dalszej optymalizacji poszczególnych stopni.

Rysunek 16. Własności poszczególnych stopni amplifiltru HPF typu Sallen–Key z uwzględnieniem tolerancji użytych elementów

Rysunek 17 (widok „Circuit”) pokazuje końcowy schemat układu (z zastosowaniem elementów RC o dopuszczalnych wartościach), a rysunek 18 ujmuje pełne rozwiązanie projektowe – np. do implementacji wprost na firmowej ewaluacyjnej PCB.

Rysunek 17. Ostateczny schemat amplifiltru HPF typu Sallen–Key
Rysunek 18. Sugestie odnośnie realizacji ostatecznej postaci amplifiltru HPF typu Sallen–Key

Fotografia 2 pokazuje roboczy model zaprojektowanego amplifiltru, zbudowany na płytce stykowej. Na fotografii wyodrębniono układy zasilania i polaryzacji oraz właściwą implementację filtru aktywnego. Zagęszczenie częstotliwości pomiarowych dostosowano do kształtu charakterystyki amplitudowo-częstotliwościowej prototypu filtru.

Fotografia 2. Roboczy model amplifiltru HPF typu Sallen–Key

Wyniki liczbowe pomiarów ujęto w tabeli 3 oraz zaprezentowano graficznie na rysunku 19.

Rysunek 19. Charakterystyka częstotliwościowa amplifiltru HPF typu Sallen–Key (pomiar)

Wygładzona czerwona linia trendu bardzo dobrze pokrywa się z niebieską linią odpowiadającą rzeczywistym pomiarom, a obie krzywe również bardzo dobrze zgadzają się z charakterystyką filtru prototypowego – jednak w okolicach wartości parametru GBW, zastosowanego w prototypie układu TL082 (ok. 4 MHz), można zaobserwować anomalię polegającą na miejscowym podbiciu charakterystyki przenoszenia filtru. Podbicie to wynika zapewne z braku w projekcie systemowej kompensacji parametrów wzmacniacza. Dodatkowo warto zwrócić uwagę na fakt, że amplifiltr, który z założenia miał być filtrem górnoprzepustowym, nie jest filtrem idealnym, ponieważ zarówno zaprojektowany komputerowo prototyp, jak i jego praktyczna realizacja mają ograniczone od góry pasmo przenoszenia. W tej sytuacji, w tym konkretnie zastosowaniu (filtr m.cz. wydzielający pasmo wyższych średnich oraz wysokich częstotliwości akustycznych) powinien zostać profilaktycznie zaprojektowany jako filtr pasmowoprzepustowy (np. na pasmo 3...20 kHz), a być może także poprzedzony stosownym dolnoprzepustowym filtrem w pełni biernym (RC lub nawet LC – np. w topologii „π”).

Podsumowanie i wnioski

W materiale opisano pełne cykle projektowe oraz praktyczne pomiary charakterystyk częstotliwościowych dwóch aktywnych filtrów RC. Do przeprowadzenia projektów zastosowano profesjonalne środowisko programowe, oferowane bezpłatnie przez firmę Analog Devices w postaci aplikacji sieciowej. Zaprezentowane w artykule treści stały się m.in. pretekstem do przekazania garści wskazówek do projektowania i pomiarów podobnych filtrów aktywnych. W kolejnych odcinkach tego cyklu autor zamierza zaprezentować jeszcze dwie koncepcje analogowych amplifiltrów wąskopasmowych, projektowanych jednak całkowicie na piechotę, tzn. w oparciu o ogólnie znane topologie, stosowne wzory oraz powszechnie dostępne narzędzie symulacyjne, a następnie dokonać wprowadzenia do technologii DSP.

Adam Sobczyk, EP

Artykuł ukazał się w
Elektronika Praktyczna
styczeń 2025
Elektronika Praktyczna Plus lipiec - grudzień 2012

Elektronika Praktyczna Plus

Monograficzne wydania specjalne

Elektronik listopad 2025

Elektronik

Magazyn elektroniki profesjonalnej

Raspberry Pi 2015

Raspberry Pi

Wykorzystaj wszystkie możliwości wyjątkowego minikomputera

Świat Radio listopad - grudzień 2025

Świat Radio

Magazyn krótkofalowców i amatorów CB

Automatyka, Podzespoły, Aplikacje listopad - grudzień 2025

Automatyka, Podzespoły, Aplikacje

Technika i rynek systemów automatyki

Elektronika Praktyczna listopad 2025

Elektronika Praktyczna

Międzynarodowy magazyn elektroników konstruktorów

Elektronika dla Wszystkich grudzień 2025

Elektronika dla Wszystkich

Interesująca elektronika dla pasjonatów