Systemy dla Internetu Rzeczy (49). Pozyskiwanie energii słonecznej, śledzenie maksymalnego punktu mocy (MPPT)

Systemy dla Internetu Rzeczy (49). Pozyskiwanie energii słonecznej, śledzenie maksymalnego punktu mocy (MPPT)
Pobierz PDF Download icon

Do produkcji energii elektrycznej nadają się różne źródła energii z otoczenia, w tym drgania mechaniczne, różnica temperatur i padające światło. Jednym z wyzwań stojących przed aplikacjami wykorzystującymi źródło fotowoltaiczne jest brak mocy wejściowej w ciemności i przy słabym oświetleniu. W przypadku większości zastosowań wymaga to użycia elementów magazynujących energię, takich jak superkondensatory lub akumulatory, który są wystarczająco duże, aby zapewnić podtrzymanie zasilania przez najdłuższy okres oczekiwania w ciemności.

Źródła fotowoltaiczne mogą być modelowane elektrycznie przez źródło prądu połączone równolegle z diodą. Bardziej złożone modele wykazują efekty wtórne, ale do naszych celów ten model jest wystarczający [7]. Dwa typowe parametry charakteryzujące ogniwo fotowoltaiczne to napięcie w układzie otwartym i prąd zwarciowy. Typowe krzywe prądu i napięcia ogniwa fotowoltaicznego zostały pokazane na rysunku 1. Należy zauważyć, że prąd zwarciowy jest wyjściem źródła prądowego modelu, podczas gdy napięcie w obwodzie otwartym jest napięciem przewodzenia diody modelu. Wraz ze wzrostem poziomu oświetlenia wzrasta prąd z generatora, a krzywe wykresu I/V (zielony) przesuwają się w górę.

Rysunek 1. Krzywa charakterystyki I/V typowego panelu słonecznego [2]

Aby uzyskać maksymalną moc z ogniwa fotowoltaicznego, rezystancja wejściowa przetwornika mocy musi być dopasowana do rezystancji wyjściowej ogniwa, co skutkuje pracą w punkcie maksymalnej mocy. Aby zapewnić maksymalny pobór mocy, napięcie wyjściowe ogniwa powinno pracować na szczycie krzywej mocy.

Moc, jaką można wygenerować za pomocą ogniwa fotowoltaicznego, zależy od wielu czynników. Moc wyjściowa ogniwa jest proporcjonalna do poziomu światła padającego na ogniwo, całkowitej powierzchni ogniwa i wydajności ogniwa. Większość ogniw fotowoltaicznych jest przystosowana do pracy w pełnym, bezpośrednim świetle słonecznym (1000 W/m2), ale takie idealne warunki raczej nie wystąpią w większości zastosowań. W przypadku urządzeń zasilanych światłem słonecznym szczytowa moc dostępna z ogniwa może łatwo zmieniać się wielokrotnie z dnia na dzień z powodu pogody, pory roku, zamglenia, kurzu i zmian kąta padania światła słonecznego. Ogniwo mocno nagrzane w pełnym słońcu zmniejsza wydajność o 15...30%. Typowa moc wyjściowa ogniwa krystalicznego w pełnym słońcu wynosi około 40 mW na cal kwadratowy, w zależności od charakterystyki ogniwa. Ogniwo fotowoltaiczne o powierzchni kilku cali kwadratowych wystarcza do uruchomienia wielu zdalnych czujników i do podładowania baterii [7].

Śledzenie maksymalnego punktu mocy (MPPT)

Algorytm śledzenia maksymalnego punktu mocy MPPT (Maximum Power Point Tracking) może zapewnić dostarczanie przez panel słoneczny maksymalnej moc wyjściowej przy różnych obciążeniach i przy różnych poziomach światła słonecznego. Możemy określić prąd zwarciowy ISC oraz napięcia otwartego układu VOC z przecięcia punktów krzywej wykresu I/V (zielony). Wartości ISC i VOC rosną wraz ze wzrostem poziomu oświetlenia. Wraz ze wzrostem napięcia wyjściowego VPANEL prąd wyjściowy IPANEL stopniowo maleje, a następnie spada w dół w sposób określony przez specjalne punkty VMP, maksymalnej mocy. Mnożąc napięcie i prąd, co daje moc, i przyjmując napięcie wyjściowe jako oś x, otrzymujemy krzywą P/V (kolor niebieski). Moc wyjściowa PPANEL osiąga szczyt, gdy napięcie wyjściowe wynosi VMP.

Chociaż maksymalna moc wzrasta wraz z oświetleniem, VMP zmienia się nieznacznie. W rezultacie można wybrać pojedyncze napięcie śledzące VMP, które zapewnia pracę w pobliżu maksymalnego punktu mocy dla szerokiego zakresu poziomów oświetlenia. Nawet jeśli punkt pracy nie będzie dokładnie w punkcie maksymalnej mocy przy ekstremalnych poziomach oświetlenia, redukcja mocy wyjściowej w stosunku do ideału wynosi zwykle tylko 5...10%. Z reguły maksymalne napięcie sterujące punktu mocy powinno wynosić około 75...80% napięcia układu otwartego ogniwa. Śledzenie ogniwa przy tym napięciu skutkuje prądem wyjściowym ogniwa na poziomie 75...80% prądu zwarciowego [7].

Układ scalony zarządzania energią słoneczną CN3065

Układ scalony CN3065 firmy Consonance Electronic [6] to ładowarka akumulatorów przeznaczona głównie do ładowania akumulatorów litowo-jonowych lub litowo-polimerowych z pojedynczym ogniwem [7]. Układ jest wyposażony w wewnętrzny tranzystor MOSFET z kanałem P. Ładowanie akumulatorów odbywa się w trybach stałego prądu i stałego napięcia.

Ciągły prąd ładowania można zaprogramować do 1000 mA za pomocą zewnętrznego rezystora. Nie jest wymagana żadna dioda blokująca ani rezystor pomiarowy. Wbudowany 8-bitowy przetwornik ADC umożliwia automatyczne regulowanie prądu ładowania w oparciu na możliwościach dołączonego zasilacza.

Układ CN3065 dobrze nadaje się do systemów zasilanych energią słoneczną lub aplikacji, które wymagają ładowania akumulatora litowo-jonowego lub akumulatora litowo-polimerowego z zasilaczem wejściowym, którego możliwości prądowe są ograniczone. Wyjścia nDONE i nCHRG, typu otwarty dren, wskazują stan ładowarki. Wewnętrzny obwód regulacji termicznej zmniejsza zaprogramowany prąd ładowania, jeśli temperatura struktury scalonej układu wzrasta do około 115°C. Ta funkcja chroni układ CN3065 przed nadmiernym przegrzaniem i pozwala użytkownikowi zwiększać możliwości obsługi zasilania bez ryzyka uszkodzenia układu lub elementów zewnętrznych. Inną korzyścią płynącą z zastosowania regulacji termicznej jest to, że prąd ładowania można ustawić zgodnie z typowymi temperaturami otoczenia dla danego zastosowania, z gwarancją, że ładowarka automatycznie zmniejszy prąd w najgorszych warunkach.

Układ CN3065 ma wejście TEMP dołączane do termistora, służące do pomiaru temperatury akumulatora. Jeśli temperatura akumulatora jest zbyt wysoka lub zbyt niska i cykl ładowania jest zawieszany, funkcję wykrywania temperatury akumulatora można wyłączyć, podłączając wejście TEMP do GND.

Wewnętrzny obwód blokady podnapięciowej (UVLO) monitoruje napięcie wejściowe i utrzymuje ładowarkę w trybie wyłączenia, aż VIN wzrośnie powyżej napięcia blokady podnapięciowej (3,0 V typ.). Obwód UVLO ma wbudowaną histerezę 0,1 V.

Układ ma komparator dla stanu uśpienia, który utrzymuje ładowarkę w tym stanie, jeśli VIN spadnie poniżej progu trybu uśpienia – VBAT + 40 mV. Z trybu uśpienia ładowarka wyjdzie, gdy VIN wzrośnie o 90 mV powyżej napięcia akumulatora.

Układ pracuje z napięciem wejściowym do 6 V i umożliwia ładowanie prądem stałym do 1000 mA (typowo 900 mA). Pobór prądu przez sam układ wynosi typowo 650 µA w trakcie ładowania akumulatora, 3,5 µA w stanie czuwania (Vbat=VREG) oraz 3 µA (max.) w stanie uśpienia (VIN=0).

Cykl ładowania akumulatora

Napięcie odniesienia, wzmacniacz błędu i dzielnik rezystora zapewniają regulację napięcia z dokładnością do 1%, która może spełnić wymagania akumulatorów litowo-jonowych i litowo-polimerowych. Gdy napięcie wejściowe nie jest obecne, ładowarka przechodzi w tryb uśpienia, obniżając prąd rozładowania akumulatora do mniej niż 3 µA. To znacznie zmniejsza pobór prądu z akumulatora i wydłuża czas czuwania.

Cykl ładowania rozpoczyna się, gdy napięcie na wejściu VIN wzrośnie powyżej poziomu UVLO oraz rezystor nastawy prądu RISET jest podłączony pomiędzy wejście ISET oraz masę. Wtedy wyjście nCHRG jest ustawiane w niski stan logiczny, aby wskazać, że cykl ładowania jest w toku.

Układ scalony zarządzania energią słoneczną CN3065 bezpiecznie i szybko ładuje baterię litową przez trzy fazy: ładowanie podtrzymujące, ładowanie stałym prądem, ładowanie stałym napięciem (rysunek 2).

Rysunek 2. Fazy ładowania akumulatora litowego [2]

Ładowanie podtrzymujące. Ponieważ rezystancja wewnętrzna akumulatora litowego staje się wysoka, gdy napięcie jest niskie, ładowanie dużym prądem na początku nie jest dobrym sposobem. W takich warunkach temperatura akumulatora wzrasta, a żywotność baterii spada. Gdy napięcie akumulatora (doprowadzone do wejścia FB) jest niższe niż napięcie progowe ładowania podtrzymującego wynoszące 3 V, moduł przechodzi w fazę ładowania podtrzymującego, ładując akumulator prądem wynoszącym 10% maksymalnego prądu ładowania (do 90 mA), aż do momentu, gdy napięcie akumulatora będzie wyższe niż 3 V.

Ładowanie prądem stałym. Gdy napięcie akumulatora jest wyższe niż 3 V, moduł wchodzi w fazę ładowania akumulatora prądem stałym do 900 mA. W trybie prądu stałego prąd ładowania jest ustawiany przez RISET. Wyjście nCHRG jest nadal ustawione na niski stan logiczny.

Ładowanie stałonapięciowe. Gdy napięcie akumulatora zbliża się do napięcia odcięcia ładowania 4,2 V, moduł wchodzi w fazę ładowania stałonapięciowego. Moduł kontynuuje ładowanie akumulatora stałym napięciem, a prąd ładowania stopniowo maleje. Gdy prąd ładowania spada do 10% maksymalnego prądu ładowania (90 mA), ładowanie kończy się. Wyjście nCHRG jest ustawiane w wysoki stan logiczny a wyjście nDONE w stan niski. Aby wznowić cykl ładowania, wystarczy usunąć napięcie wejściowe i ponownie je przyłożyć.

Ładowanie automatyczne. Jeśli akumulator jest w pełni naładowany (dioda DONE świeci się), źródło wejściowe modułu (SOLAR IN lub USB IN) jest włączone, a napięcie akumulatora spada z powodu samorozładowania lub obciążenia poniżej 4,05 V, to nowy cykl ładowania rozpocznie się automatycznie.

Układ scalony zarządzania energią słoneczną CN3065 maksymalizuje moc wyjściową, utrzymując napięcie wyjściowe w pobliżu VMP, w sposób zwany algorytmem stałonapięciowym MPPT. Dzięki tej funkcji moduł ma lepszą wydajność konwersji w porównaniu do zwykłej liniowej ładowarki akumulatorów.

Moduł zarządzania energią słoneczną

Moduł Solar DFR0559 Power Manager firmy DFRobot jest modułem zarządzania energią słoneczną o małej mocy i wysokiej wydajności, przeznaczony do panelu słonecznego 5 V o mocy do 10 W (rysunek 3).

Rysunek 3. Moduł zarządzania energią słoneczną DFR0559 [2]

W module został zastosowany układ scalony zarządzania energią słoneczną CN3065 [2]. Moduł nadaje się do projektów IoT, związanych z energią odnawialną. Jego podstawowe parametry to:

  • napięcie wejściowe z panelu solarnego (SOLAR IN): 4,5...6 V,
  • napięcie wyjściowe 5 V, 1 A (1,5 A max.),
  • wydajność (akumulator 3,7 V 900 mA): 5 V/USB OUT: 89% przy 10% obciążenia, 86% przy 50% obciążenia, 83% przy 90% obciążenia,
  • wydajność ładowania USB/słonecznego: 73%,
  • maksymalny prąd spoczynkowy: <1 mA,
  • temperatura pracy: –40...+85°C,
  • wymiar: 33×63 mm/1,30×2,48 cala,
  • waga: 12 g.

Na dolnej stronie płytki drukowanej jest wykonane złocone pole druku z opisem „Cooling Fin”. Jest ono przeznaczone do przyklejenia (poprzez samoprzylepną podkładkę termoprzewodzącą) radiatora (dostarczany w zestawie). Poprawia on parametry termiczne pracy układu scalonego CN3065, zmontowanego po przeciwnej stronie płytki drukowanej. Jest to konieczne przy stosowaniu panelu słonecznego o mocy od 5 W (10 W) przy maksymalnym prądzie ładowania akumulatora (900 mA). Układ scalony ma funkcję ochrony przed przegrzaniem, która automatycznie ograniczy prąd ładowania.

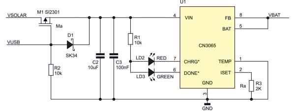
Dołączanie panelu słonecznego. Panel słoneczny o napięciu 4,4...6 V (typowo 5 V) jest dołączany do złącza „SOLAR IN” (P2). Do zacisków wejściowych dołączona jest dioda LED „REV SOLAR” (LD4, żółta/pomarańczowa), która świeci, gdy zostanie podłączone napięcie wejściowe o odwrotnej polaryzacji (rysunek 4). Dalej jest zastosowany tranzystor M1, który zapobiega uszkodzeniu układu scalonego CN3065 przy odwrotnym podłączeniu napięcia wejściowego. Można zastosować dowolny rodzaj paneli, o ile napięcie w obwodzie otwartym jest mniejsze niż 6,5 V, w przeciwnym razie moduł może zostać trwale uszkodzony.

Ładowanie akumulatora ze złącza USB. Na płytce drukowanej modułu jest zamontowane gniazdo „USB IN 5V 1A” typu microUSB (U3) dołączone do linii VUSB (rysunek 3). Gniazdo służy tylko do ładowania akumulatora. Zaleca się używanie zasilacza sieciowego o napięciu 5 V i prądzie 1 A.

Automatyczne przełączanie USB IN/SOLAR IN. Zarówno wejście „USB IN”, jak i „SOLAR IN” są w stanie dostarczyć maksymalny prąd ładowania 900 mA. Aby zapobiec konfliktowi ładowania spowodowanemu przez użycie obu wejść, ładowanie USB ma wyższy priorytet. Gdy gniazdo „USB IN” jest zasilane przez zasilacz sieciowy, to prąd płynie przez diodę D1, a wejście „SOLAR IN” jest odłączone przez tranzystor M1 (rysunek 4). Po wyłączeniu zasilania „USB IN” wejście „SOLAR IN” wznawia ładowanie.

Rysunek 4. Obwód dołączenia panelu słonecznego oraz układ scalony zarządzania energią słoneczną CN3065 [1]

Prąd ładowania akumulatora jest ustawiany wartością rezystora Ra (rysunek 4) według wzoru ICHG=1800/Ra. Dla Ra=2 kΩ daje to 900 mA.

Dołączanie akumulatora. Akumulator jest dołączany do wejścia „BAT IN” poprzez dwa złącza (rysunek 3) połączone równoległe (P1) w standardzie JST PH2.0 oraz KF396 3,96 mm (rysunek 5). Zwykle podłączany jest jeden akumulator litowo-polimerowy/litowo-jonowy 3,7 V (4,2 V po całkowitym naładowaniu) do jednego ze złączy. Maksymalny prąd ładowania wynosi 900 mA zarówno dla zasilania z wejścia „USB IN”, jak i „SOLAR IN”.

Rysunek 5. Układ dołączenia akumulatora [1]

Do zacisków wejściowych dołączona jest dioda LED „REV BAT” (LD1, żółta/pomarańczowa), która świeci, gdy zostanie podłączone napięcie wejściowe odwrotnej polaryzacji. Dalej jest zastosowany tranzystor M2, który zapobiega uszkodzeniu układu scalonego CN3065 przy odwrotnym podłączeniu napięcia wejściowego.

Do zabezpieczenia akumulatora jest zastosowany układ zabezpieczający DW06D (U6). Jest on dołączony do linii VBAT pomiędzy zaciskiem dodatnim akumulatora i wyprowadzeniem BAT układu scalonego zarządzania energią słoneczną CN3065. Wyprowadzenie S2 układu DW06D jest dołączone do zacisku ujemnego akumulatora, a wyprowadzenie S1 do masy modułu.

W ten sposób układ kontroluje przepływ prądu i umożliwia odłączenie akumulatora od modułu. Układ DW06D zabezpiecza akumulator litowy przed przeładowaniem (4,3 V, próg 4,1 V), nadmiernym rozładowaniem (2,5 V, próg 2,9 V), odwrotnym podłączeniem oraz nadmiernym prądem (3 A).

Po każdym dołączeniu akumulatora do gniazdka BAT IN modułu należy przycisnąć przycisk „BOOT” (S1) w celu aktywowania układu zabezpieczenia i wyprowadzenia napięcia wyjściowego na gniazdko USB OUT oraz listwę 5 V (czerwona).

Wskaźniki LED określają status systemu [2]:

  • jeśli podłączone jest źródło zasilania modułu (USB IN lub SOLAR IN), to wykonywane jest ładowanie akumulatora i dioda CHG (czerwona) się świeci;
  • jeśli akumulator jest w pełni naładowany, to dioda CHG gaśnie, a dioda DONE (zielona) zaczyna świecić;
  • jeśli akumulator nie jest podłączony, świecą się jednocześnie diody CHG i DONE.

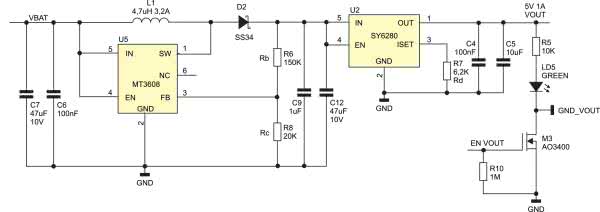
Regulatory napięcia wyjściowego

Moc dostarczana na wyjście modułu jest pobierana bezpośrednio z akumulatora, z linii VBAT (rysunek 6).

Rysunek 6. Układy regulatorów napięcia wyjściowego [1]

Najpierw został zastosowany impulsowy regulator DC-DC podwyższający MT3608 (U5) o niskiej mocy spoczynkowej. Napięcie wyjściowe jest ustalane przez dzielnik rezystancyjny według wzoru Vout1=0,6·(1+Rb/Rc). Dla zastosowanych wartości daje to 5,1 V (do 2 A). Układ pracuje z częstotliwością 1,2 MHz ze sprawnością ok. 93%.

Napięcie to jest podawane na układ przełącznika zasilania SY6280 (U2) o niskim spadku napięcia (Ron=80 mΩ). Układ dostarcza napięcie wyjściowe VOUT 5 V 1 A dołączone do gniazdka „USB OUT” typu USB-A. Układ SY6280 ma funkcję ograniczania prądu wyjściowego. Poziom ograniczenia jest ustawiany zewnętrznym rezystorem R7 według wzoru Ilim=6800/R7. Dla zamontowanego na module rezystora oznacza to ograniczenie do ok. 1 A prądu.

Układy konwertera DC-DC MT3608 oraz klucza zasilania SY6280 są zawsze włączone. Napięcie wyjściowe VOUT 5 V jest zawsze generowane i doprowadzane do gniazdka USB OUT, gdy jest aktywne jedno z wejść USB IN, BAT IN lub SOLAR IN.

Jednak kluczowane jest dołączenie masy gniazdka USB OUT (USB-A). Zastosowany jest do tego tranzystor M3 sterowany z wejścia EN_VOUT (aktywne poziomem wysokim 3,3 V lub 5 V).

Stan włączenia zasilania gniazdka USB OUT jest sygnalizowany świeceniem zielonej diody LED (LD5).

Linia EN_VOUT jest dołączona do środkowego wyprowadzenia listwy P5 (niebieskie, oznaczenie Q). Pozostałe wyprowadzenia złącza są dołączone do linii VBAT (oznaczenie „ON”) oraz masy modułu (oznaczenie „OFF”). Zwora założona na pozycję ON włącza zasilanie dla gniazdka USB OUT. Masa „GND VOUT” gniazdka VOUT (USB) jest odizolowana od masy modułu „GND”. Przy braku połączenia pomiędzy masami gniazdko USB OUT nie ma dostarczanego zasilania. Włączony tranzystor M3 daje połączenie pomiędzy tymi masami i włącza zasilanie gniazdka wyjściowego.

Napięcie wyjściowe VOUT (5 V, 1 A) jest także dołączone do trzech wyprowadzeń listwy P4 (kolor czerwony, oznaczenie „5V”). Całkowita moc wyjściowa gniazda USB OUT i złącza 5 V nie powinna przekraczać 5 V·1,5 A=7,5 W. Masa wyjściowa „GND VOUT” jest dołączona do wszystkich wyprowadzeń listwy P3 (kolor czarny, oznaczenie „GND”). Należy zwrócić uwagę na różnicę między masą („GND VOUT”) na czarnym nagłówku i masą („GND”) na niebieskim nagłówku, chociaż mają (prawie) te same nazwy. Gdy wyjście VOUT 5 V jest włączone, to „GND” na czarnym złączu jest podłączane do uziemienia systemu GND. Gdy wyjście VOUT 5 V jest wyłączone, to tylko wyprowadzenie GND na niebieskiej listwie jest masą systemu GND. Wyprowadzenia na listwie czarnej są wtedy odłączone.

Używanie wejścia USB do ładowania akumulatora

Ładowanie akumulatora za pomocą panelu słonecznego typowo jest powolne i zależne od natężenia oświetlenia. Szczególnie trwa to długo, gdy akumulator jest bardzo rozładowany.

Ładowanie akumulatora przez USB umożliwia szybkie jego naładowanie (na przykład w nocy). Wtedy ładowanie za pomocą panelu słonecznego umożliwia w ciągu dnia uzupełnienie na bieżąco zużytej energii.

Rysunek 7. Konfiguracja ładowania akumulatora przez USB [1]

Konfiguracja połączeń podczas ładowania akumulatora przez USB jest pokazana na rysunku 7. Do modułu jest podłączony akumulator (wejście BAT IN) oraz ładowarka z wtykiem microUSB (wejście USB IN). Może być także dołączony panel słoneczny do wejścia SOLAR IN. Źródło ładowania zostanie automatycznie przełączone na napięcie z wejście USB IN.

Podłączenie napięcia do wejścia USB IN powoduje od razu wystawienie napięcia wyjściowego 5 V, bez konieczności przyciskania przycisku BOOT, a nawet bez konieczności podłączania akumulatora do wejścia BAT IN. Maksymalny prąd ładowania akumulatora wynosi 900 mA, bez względu na moc dołączonej ładowarki.

Podstawowa konfiguracja pracy modułu DFR0559

Podstawowa konfiguracja pracy modułu została pokazana na rysunku 8. Napięcie wyjściowe 5 V można pobierać jednocześnie z gniazdka USB OUT oraz z listew 5 V – GND (czerwona – czarna). Według dokumentacji można pobierać maksymalnie 1,5 A prądu.

Rysunek 8. Podstawowa konfiguracja pracy modułu DFR0559 [1]

Panel słoneczny

Do prób został zastosowany panel słoneczny CNC165X135 (AKU-06988, Botland) o mocy 3,5 W i napięciu wyjściowym 6 V (580 mA) [3]. Wymiary płyty to: 165×135×3 mm.

Wyprowadzeniami panelu są pola lutownicze (pady) do przylutowania przewodów (rysunek 9). Panel zawiera monokrystaliczne ogniwa o wysokiej wydajności z wodoodporną powłoką poliuretanową wzmocnioną płytą pilśniową. Dzięki solidnemu uszczelnieniu panel słoneczny jest niezwykle trwały i niezawodny.

Rysunek 9. Panel słoneczny CNC165X135 3,5 W, 6 V [3]

Akumulator

Akumulator marki Akyga został wykonany z ogniw Li-Pol (litowo-polimerowych) o napięciu znamionowym 3,7 V i pojemności 1100 mAh [4]. Cechuje go duża gęstość energii, niewielkie wymiary, mała masa i powolne samorozładowywanie. Akumulator jest wyposażony w przewód o długości 150 mm zakończony 2-pinowym złączem JST typu żeńskiego (raster 2,54 mm).

W zestawie jest konektor do złącza JST (fotografia 1).

Fotografia 1. Akumulator Li-Pol 1100 mA, 3,7 V [4]

Specyfikacja akumulatora Li-Pol jest następująca:

  • zakres temperatury pracy: –20...+60°C;
  • nominalny prąd ładowania/rozładowania: 0,2 C (0,22 A)/0,2 C;
  • maksymalny prąd ładowania/rozładowania: 1 C (1,1 A)/1 C;
  • zabezpieczenie: PCM;
  • wymiary: 55×32×6,2 mm.

Próby praktyczne

Praktyczna praca z pozyskiwaniem energii słonecznej została przeprowadzona z użyciem następujących elementów:

  • moduł zarządzania energią słoneczną DFR0559 Power Manager firmy DFRobot [2];
  • ogniwo słoneczne CNC165X135 3,5 W/6 V 165×135×3 mm (Botland) [3];
  • akumulator Li-Pol Akyga 1100 mAh 1S 3,7 V (Botland) [4].

Pomiar napięcia na zaciskach panelu słonecznego woltomierzem jest prosty. Dla panelu wystawionego bezpośrednio na światło słoneczne bez obciążenia pomiar daje poziom maksymalnego napięcia panelu (układ otwarty). Podobnie prosty jest pomiar prądu zwarciowego dostarczanego przez panel słoneczny realizowany bezpośrednio przez amperomierz.

Trzeba wtedy pamiętać o wewnętrznej rezystancji amperomierza włączonej szeregowo w obwód. Jednak typowo jest ona nieduża i znacząco nie zmienia działania układu. Tak samo, poprzez szeregowe włączenie amperomierza, można mierzyć prąd pobierany z panelu słonecznego podczas pracy z modułem.

Pomiar napięcia i prądu akumulatora wygląda podobnie, jednak należy go wykonywać bezpośrednio na wyprowadzeniach akumulatora. Zacisk ujemny akumulatora nie jest połączony bezpośrednio z masą modułu. Napięcie zacisku dodatniego względem masy modułu dosyć mocno się zmienia. Pomiar napięcia wyjściowego 5 V ponownie należy wykonywać w stosunku do masy wyjściowej „GND VOUT”, która jest dołączona do wszystkich wyprowadzeń listwy P3 (kolor czarny, oznaczenie „GND”). Należy pamiętać, aby po podłączeniu akumulatora do modułu przycisnąć przycisk „BOOT”. Dopiero wtedy zostanie aktywowana praca modułu.

Próby wykazały, że układ CN3065 stara się utrzymać napięcie pracy panelu słonecznego VMP na poziomie ok. 4,6 V, co stanowi ok. 75...80% napięcia nieobciążanego panelu ok. 5,6...6,45 V, przy prądzie ładowania ok. 85...92% prądu zwarciowego. Pomiary nie są łatwe ze względu na zmiany warunków oświetlenia, które mocno rzutują na wyniki.

Została przeprowadzona próba długotrwałego obciążenia modułu prądem 24 mA (rezystor 200 Ω, 0,1%). Początkowo akumulator był całkowicie naładowany VBAT=4,13 V (świeci DONE). Szybko moduł przeszedł w tryb ładowania (świeci CHG) z dosyć zmiennymi warunkami słonecznymi (prąd ładowania malejący od ok. 11 mA do zera po 4 godzinach, VBAT=4,07 V). Dalej były warunki nocne z brakiem doładowania. Po kolejnych 4 godz. było VABT=3,88 V a po następnych 9 godzinach 3,64 V. Pomimo słonecznego następnego dnia i ciągłego ładowania (w szczycie 110 mA) napięcie na koniec wynosiło 3,591 V, czyli całkowita pozyskana energia był mniejsza niż pobór stałym prądem 24 mA.

Podłączenie do wejścia SOLAR IN zasilacza regulowanego pokazuje, że dioda CHG zapala się przy wzroście napięcia wejściowego do ok. 3,6 V. Jednak dla prądu obciążenia 24 mA, 5 V oznacza to kontynuowanie rozładowania akumulatora. Dopiero od napięcia ok. 4,36 V rozpoczyna się ładowanie akumulatora. Prąd ładowania wzrasta przy wzroście napięcia wejściowego.

Ale potem maleje i dla napięcia na akumulatorze ok. 4,08 V prąd spada do zera. Dioda CHG świeci, ale akumulator nie zostaje naładowany pomimo napięcia wejściowego nawet ok. 6 V.

Podsumowanie

W warunkach dużego poziomu oświetlenia stosowanie układu pozyskania energii ze światła sprawdza się dobrze. Ustawione na stałe napięcie wyjściowe (5 V) układu CN3065 sprawia kłopot przy próbie bezpośredniego zasilania typowych układów komunikacji bezprzewodowej – z napięciem około 3,3 V.

Badania praktyczne użycia modułu DFR0559 pokazały mankament polegający na braku wskazywania poziomu naładowania i rozładowania akumulatora. Pokazywane są tylko dwa stany akumulatora: naładowany (świeci LED DONE) oraz ładowany (świeci LED CHG). W większości zakresu pracy akumulatora pomiar napięcia na nim nie pokazuje stopnia rozładowania. Dla systemów IoT wymagających niezawodnej pracy długookresowej może to być bardzo duży problem.

Henryk A. Kowalski
Instytut Informatyki , Politechnika Warszawska

Literatura:
[1] Solar Power Manager 5 V SKU DFR0559, DFRobot, https://bit.ly/3yCZBZS
[2] DFRobot Solar Power Manager – Moduł zarządzania energią słoneczną – 5 V, Botland, https://bit.ly/3ulygrT
[3] Ogniwo słoneczne 3,5 W/6 V 165×135×3 mm, AKU-06988, Botland, https://bit.ly/2SuvK5r
[4] Akumulator Li-Pol Akyga 1100 mAh 1S 3,7 V, Botland, https://bit.ly/3vhV9O9
[5] Lithium Ion Battery Charger for Solar-Powered Systems CN3065, Consonance Electronic, https://bit.ly/3vmOAd3
[6] CN3065 Układ zarządzania ładowaniem baterii litowej, który może być zasilany przez panel słoneczny, Consonance Electronic, (język chiński), https://bit.ly/2RDLzqr
[7] Harvest Energy from a Single Photovoltaic Cell, Nathan Bourgoine, Journa; of Ananlog Innovation, April 2011, Analog Devices (Linear Technology), https://bit.ly/3yzuuP3

Artykuł ukazał się w
Elektronika Praktyczna
czerwiec 2021
DO POBRANIA
Pobierz PDF Download icon
Elektronika Praktyczna Plus lipiec - grudzień 2012

Elektronika Praktyczna Plus

Monograficzne wydania specjalne

Elektronik listopad 2025

Elektronik

Magazyn elektroniki profesjonalnej

Raspberry Pi 2015

Raspberry Pi

Wykorzystaj wszystkie możliwości wyjątkowego minikomputera

Świat Radio listopad - grudzień 2025

Świat Radio

Magazyn krótkofalowców i amatorów CB

Automatyka, Podzespoły, Aplikacje listopad - grudzień 2025

Automatyka, Podzespoły, Aplikacje

Technika i rynek systemów automatyki

Elektronika Praktyczna listopad 2025

Elektronika Praktyczna

Międzynarodowy magazyn elektroników konstruktorów

Elektronika dla Wszystkich grudzień 2025

Elektronika dla Wszystkich

Interesująca elektronika dla pasjonatów