Systemy akwizycji danych w pracowni elektronika

Systemy akwizycji danych w pracowni elektronika

Efektywne prowadzenie wielopunktowych pomiarów wielkości elektrycznych i nieelektrycznych wymaga dostępu do nowoczesnego sprzętu, który będzie w stanie zapewnić oczekiwany przez użytkownika poziom dokładności, powtarzalności i rozdzielczości pomiarów, a także spełni wymagania dotyczące zakresu pomiarowego, dopuszczalnych warunków środowiskowych, czy wreszcie - sposobu zapisu i ewentualnej transmisji danych. W tym numerze "Elektroniki Praktycznej" przyjrzymy się współczesnym systemom akwizycji danych (ang. Data AcQuisition, w skrócie DAQ), przeznaczonym zarówno do uniwersalnych zastosowań w praktyce inżynierskiej, jak i specjalistycznych aplikacji laboratoryjnych bądź polowych.

Zacznijmy od definicji

Na stronie firmy National Instruments - jednego z czołowych producentów systemów DAQ - czytamy, że akwizycja danych (DAQ) to proces pomiaru zjawiska elektrycznego lub fizycznego, np. napięcia, prądu, temperatury, ciśnienia lub dźwięku. System DAQ składa się z czujników, sprzętu pomiarowego oraz komputera z programowalnym oprogramowaniem (…). Warto tutaj zwrócić uwagę na kilka zagadnień.

Po pierwsze - mówiąc o systemach DAQ, bardzo często mamy na myśli sam tylko sprzęt pomiarowy, zaś czujniki (lub nawet kompletne przetworniki), a także oprogramowanie stanowią elementy zewnętrzne, zwykle dobierane przez użytkownika stosownie do potrzeb. Po drugie - uwagę zwraca szeroki zakres rodzajów mierzonych sygnałów, wymuszający spore zróżnicowanie front-endów wejściowych, co zresztą doskonale widać na przykładzie modułowych systemów DAQ wspomnianej już firmy NI (fotografia 1) oraz konkurencyjnych producentów.

Fotografia 1. Modułowe systemy DAQ marki National Instruments (https://t.ly/HjZZ4)

I wreszcie, po trzecie - oprogramowanie, służące do obsługi uniwersalnych systemów akwizycji, musi być możliwie jak najbardziej elastyczne, aby móc sprostać niezliczonym scenariuszom aplikacyjnym w zakresie zarówno zestawiania niezbędnych modułów sprzętowych, jak i całego procesu późniejszego kondycjonowania, przetwarzania, wizualizacji czy wreszcie przesyłania i archiwizacji danych. Stąd też najczęściej stosowane w praktyce pakiety oprogramowania (służące do obsługi aparatury pomiarowej) są w istocie środowiskami programistycznymi, opartymi czy to na językach graficznych, czy też skryptowych. Mało tego - na rynku można znaleźć liczne przykłady urządzeń i programów obsługowych, dostosowanych do ściśle określonego, często nawet bardzo wąskiego obszaru zastosowań - przykładem mogą być tutaj systemy akwizycji biosygnałów, intensywnie wykorzystywane w badaniach nad fizjologią ludzi i zwierząt.

Rzecz jasna, system akwizycji sygnałów nie musi bazować wyłącznie na jednym urządzeniu pomiarowym (zintegrowanym lub modułowym) - w użyciu są bowiem także tzw. rozproszone systemy DAQ, bazujące na szeregu jednostek, rozmieszczonych w różnych lokalizacjach i połączonych za pomocą sieci lokalnej, a nawet internetowej (rysunek 1) i obsługiwanych za pomocą centralnego komputera. Tego typu rozwiązania coraz częściej są łączone z chmurą, co czyni z systemów akwizycji danych swego rodzaju odmianę (bardzo zaawansowanych) implementacji (I)IoT.

Rysunek 1. Przykład rozproszonego systemu akwizycji danych (https://t.ly/9DE1y)

W ramach niniejszego artykułu zdecydowaliśmy się podejść do tematu od nieco innej strony, niż zazwyczaj ma to miejsce w publikacjach z tej dziedziny. Pokażemy bowiem trzy grupy urządzeń: systemy "biurkowe", przystawki DAQ z portem USB oraz kilka przykładów systemów specjalnego przeznaczenia.

Umyślnie pominiemy natomiast opis bardzo szerokiej grupy modułowych systemów, wyposażonych w interfejs PXI i najczęściej stanowiących pierwsze skojarzenie większości użytkowników po usłyszeniu hasła "akwizycja danych". Ponieważ jednak rozwiązaniom tym poświęciliśmy już sporo uwagi w artykule pt. Automatyczne systemy pomiarowe w praktyce inżyniera, opublikowanym w EP 1/23, to zainteresowanych tą tematyką Czytelników zachęcamy do zapoznania się z ww. opracowaniem.

DAQ na biurku elektronika

Nasz przegląd rozpoczniemy od tych systemów DAQ, które swoją formą konstrukcyjną, zakresem funkcjonalności oraz wsparciem programowym pozostają zdecydowanie najbliższe "sercu" inżyniera elektronika. Klasycznym przykładem takiego rozwiązania jest seria DAQ97xA marki Keysight (fotografia 2), która - już na pierwszy rzut oka - pod wieloma względami wydaje się być zbliżona do kultowej serii multimetrów laboratoryjnych Keysight 3446xA.

Fotografia 2. "Biurkowy" system DAQ DAQ970A/DAQ973A marki Keysight. Po prawej stronie widoczne są wymienne moduły rozszerzeń (https://t.ly/NMCRz)

W obudowie urządzenia nie znajdziemy jednak klasycznych gniazd laboratoryjnych, wyprowadzonych na przedni lub tylny (fotografia 3) panel obudowy - blok 6,5-cyfrowego, 22-bitowego multimetru (DMM) jest niejako "ukryty" we wnętrzu i wspiera wielokanałowe pomiary napięcia DC (z dokładnością na poziomie 0.003%) oraz AC, prądu DC (w zakresie już od 1 μA) i AC (od 100 μA), rezystancji (w trybie 2- i 4-przewodowym, do 1000 MΩ), pojemności, częstotliwości oraz temperatury.

Fotografia 3. Widok panelu tylnego jednostki DAQ973A marki Keysight. 1 - sloty rozszerzeń, 2 - złącze interfejsu GPIB, 3 - gniazdo zasilania AC, 4 - gniazdo interfejsu Ethernet, 5 - port sygnałów dodatkowych (alarmy, wyzwalanie), 6 - gniazdo USB, 7 - zacisk uziemienia (https://t.ly/0rPJh)

Ostatni z wymienionych parametrów może być mierzony za pomocą termopar, termorezystorów lub termistorów, a dodatkowo DMM obsługuje pomiary za pomocą tensometrów, podłączanych bezpośrednio lub w układzie mostkowym. Maksymalna częstotliwość skanowania wynosi 450 pomiarów/sekundę, co pozwala na efektywną współpracę z modułami multiplekserów, których firma Keysight opracowała aż 6. Wśród nich można znaleźć m.in. 20-kanałowe multipleksery półprzewodnikowe (DAQM900A - fotografia 4, rysunek 2) oraz oparte na przekaźnikach elektromagnetycznych (DAQM901A - fotografia 5, rysunek 3), 16-kanałowy multiplekser na bazie przekaźników kontaktronowych (DAQM902A), macierz połączeniową 4×8 (DAQM904A - fotografia 6, rysunek 4) czy też 40-kanałowy multiplekser ze wspólnym punktem odniesienia (DAQM908A - fotografia 7, rysunek 5).

Fotografia 4. Widok modułu DAQM900A marki Keysight (https://t.ly/2Nti1)
Fotografia 5. Widok modułu DAQM901A marki Keysight (https://t.ly/2Nti1)
Fotografia 6. Widok modułu DAQM904A marki Keysight (https://t.ly/2Nti1)
Rysunek 2. Schemat połączeń modułu DAQM900A marki Keysight (https://t.ly/2Nti1)
Rysunek 3. Schemat połączeń modułu DAQM901A marki Keysight (https://t.ly/2Nti1)
Rysunek 4. Schemat połączeń modułu DAQM904A marki Keysight (https://t.ly/2Nti1)
Rysunek 5. Schemat połączeń modułu DAQM908A marki Keysight (https://t.ly/2Nti1),
Fotografia 7. Widok modułu DAQM908A marki Keysight (https://t.ly/2Nti1)
Fotografia 8. Widok modułu DAQM905A marki Keysight (https://t.ly/2Nti1)
Fotografia 9. Widok modułu DAQM907A marki Keysight (https://t.ly/2Nti1)
Rysunek 6. Schemat połączeń modułu DAQM905A marki Keysight (https://t.ly/2Nti1)
Rysunek 7. Schemat połączeń modułu DAQM907A marki Keysight (https://t.ly/2Nti1)

Do dyspozycji użytkowników jest ponadto 4-kanałowy multiplekser RF o paśmie do 2 GHz i impedancji charakterystycznej równej 50 Ω - moduł DAQM905A (fotografia 8, rysunek 6), wielofunkcyjny moduł DAQM907A (fotografia 9, rysunek 7) z dwoma 8-bitowymi portami I/O, 26-bitowym licznikiem zdarzeń oraz dwoma wyjściami analogowymi o rozdzielczości 18 bitów, a także 4-kanałowy digitizer, umożliwiający pomiary napięć różnicowych do 36 Vpk z rozdzielczością 24 bitów, co ważne - z szybkością aż do 800 kSps (DAQM909A - fotografia 10, rysunek 8).

Fotografia 10. Widok modułu DAQM909A marki Keysight (https://t.ly/2Nti1)
Rysunek 8. Schemat połączeń modułu DAQM909A marki Keysight (https://t.ly/2Nti1)

Warto dokładniej zapoznać się z przedstawionymi schematami połączeń, zastosowanymi w modułach należących do serii DAQM90xA - jest to bowiem doskonałe studium rozwiązań, stosowanych w multipleksowaniu sygnałów pomiarowych w różnych aplikacjach laboratoryjnych i przemysłowych, a bardzo podobne układy można znaleźć także u innych producentów.

Całość "biurkowego" systemu DAQ marki Keysight pracuje pod kontrolą oprogramowania Keysight BenchVue DAQ (rysunek 9), integrującego w sobie szereg zaawansowanych możliwości konfiguracji i programowania pomiarów, wykonywanych za pomocą jednostek sprzętowych. Obróbka przechwyconych sygnałów może być prowadzona zarówno w domenie czasu, jak i częstotliwości, a rozbudowane tryby wizualizacji wyników pozwalają na odczyt zarówno w formie numerycznej, jak i różnego rodzaju wykresów: oscylogramów, XY, histogramów itp.

Rysunek 9. Widok okna programu Keysight BenchVue Data Acquisition (https://t.ly/BgkCJ)

Z nieco podobnych założeń konstrukcyjnych wyszła firma Keithley, wprowadzając na rynek multimetr-rejestrator DAQ6510 (fotografia 11).

Fotografia 11. Multimetr DAQ6510 marki Keithley (https://t.ly/w6rSp)

Jednostka bazowa także jest wyposażona we wbudowany multimetr klasy laboratoryjnej (6,5 cyfry) o bardzo szerokich zakresach pomiarowych (rysunek 10), zaś 16-bitowy digitizer umożliwia rejestrację sygnałów z częstotliwością 1 MSps i to aż do 7 mln próbek (na tyle pozwala bowiem wewnętrzna pamięć przyrządu).

Rysunek 10. Zakresy pomiarowe systemu DAQ6510 (https://t.ly/5m23F)

12 kompatybilnych modułów rozszerzeń (fotografia 12) pozwala na dostosowanie konfiguracji do potrzeb użytkownika w bardzo szerokim zakresie aplikacji - pojedynczy cykl pomiarowy może trwać zaledwie 8.5 μs, a częstotliwość przemiatania kanałów (przy użyciu multipleksera półprzewodnikowego) wynosi 800 ch/s.

Fotografia 12. Przykładowe moduły rozszerzeń dla systemu DAQ6510 (https://t.ly/Pa5DS)

Łączna liczba kanałów, do której można rozszerzyć system oparty na DAQ6510, to 80. Co ważne - wbudowany wyświetlacz dotykowy sam w sobie daje spore możliwości wizualizacji zmierzonych danych (rysunek 11), a oprogramowanie KickStart Data Acquisition (rysunek 12) pozwala na szybkie tworzenie wykresów i tabel, choć - w odróżnieniu od konkurencyjnych rozwiązań - jest pozbawione elastyczności, jaką dają środowiska wyposażone w funkcje programowania sekwencji pomiarowych.

Rysunek 11. Przykładowe ekrany konfiguracji przyrządu i wizualizacji danych pomiarowych, wyświetlane przez urządzenie DAQ6510 (https://t.ly/Pa5DS)
Rysunek 12. Oprogramowanie Keithley KickStart Data Acquisition (https://t.ly/Pa5DS)

Warto w tym miejscu dodać, że ten sam producent opracował także interesujące rozwiązanie pośrednie pomiędzy klasycznym systemem DAQ, a multimetrem laboratoryjnym. Urządzenie DMM6500 - choć w podstawowej wersji pełni rolę multimetru - po zamontowaniu opcjonalnego modułu rozszerzeń (fotografia 13) pozwala na przemiatanie do 9 kanałów termoparowych lub - przy użyciu modułu 2000-SCAN - dziesięciu dwubiegunowych lub pięciu czterobiegunowych kanałów ogólnego przeznaczenia (fotografia 14).

Fotografia 13. Panel tylny multimetru DMM6500 oraz moduł 9-kanałowego multipleksera termoparowego 2001-TCSCAN (https://t.ly/Y3KF5)
Fotografia 14: Widok modułu 2000-SCAN - 10-kanałowego, uniwersalnego multipleksera pomiarowego (https://t.ly/Y3KF5)

Propozycja marki Keithley stanowi dobry punkt wyjścia dla tych użytkowników, którzy wprawdzie potrzebują możliwości dokonywania pomiarów wielopunktowych, ale ich potrzeby w tym zakresie są jeszcze na tyle niewielkie, że zakup "pełnoprawnego" systemu akwizycji danych byłby nieopłacalny. Mało tego - multimetry z serii DMM6500 są w stanie przesyłać dane do dowolnego miejsca na świecie, bez udziału dodatkowego komputera, co czyni je jednym z najbardziej kompaktowych i przystępnych urządzeń pomiarowych z funkcjonalnością a’la IoT na rynku.

Kolejnym producentem, który nie pozostał dłużny konkurencji w omawianym segmencie rynku aparatury pomiarowej, jest znana marka Rigol. Do swojej oferty wprowadziła ona serię jednostek akwizycji danych M300/M301/M302 (fotografia 15).

Fotografia 15. Jednostka bazowa systemu akwizycji danych M300 marki Rigol (https://t.ly/P1TsH)

W ramach systemu dostępnych jest osiem modułów rozszerzeń:

  • Multimetr 6,5 cyfry (MC3065),
  • Multiplekser 20-kanałowy (MC3120),
  • Multiplekser 32-kanałowy (MC3132),
  • Multiplekser 64-kanałowy (MC3164),
  • Mieszany multiplekser z 20 kanałami napięciowymi i 4 prądowymi (MC3324) - rysunek 13,
Rysunek 13. Mieszany multiplekser z 20 kanałami napięciowymi i 4 prądowymi typu MC3324 marki Rigol (https://t.ly/Lb5HD)
  • 16-kanałowy moduł przekaźnikowy (zwany aktuatorem), umożliwiający sterowanie niewielkimi obciążeniami lub podłączanie sygnałów testowych (np. z generatora funkcyjnego) do testowanego urządzenia (MC3416) - rysunek 14,
Rysunek 14. 16-kanałowy moduł przekaźnikowy MC3416 marki Rigol (https://t.ly/Lb5HD)
  • moduł wielofunkcyjny (MC3534) z czterema portami I/O 8-bit, czterema licznikami zdarzeń oraz czterema skalibrowanymi wyjściami analogowymi (±12 V) - fotografia 16,
Fotografia 16. Wielofunkcyjny moduł MC3534 marki Rigol (https://t.ly/Lb5HD)
  • multiplekser macierzowy 4×8 (MC3648).

Warto dodać, że dla ułatwienia obsługi, firma Rigol oferuje także moduły zacisków śrubowych, podłączane do zewnętrznych gniazd modułów rozszerzeń - każdy z nich jest przystosowany do użycia z określonym typem modułu. Przykład takiego akcesorium można zobaczyć na fotografii 17.

Fotografia 17. Blok zacisków M3TB34 dla modułu I/O MC3534 marki Rigol (https://t.ly/Lb5HD)

Moduły DAQ USB

Diametralnie inną grupą urządzeń do akwizycji danych są przystawki komputerowe, pracujące pod kontrolą zewnętrznego oprogramowania i komunikujące się z nim za pośrednictwem interfejsu USB. Jednym z czołowych producentów w tym segmencie rynku jest firma LabJack, która w swojej ofercie ma 9 urządzeń - najprostsze z nich, LabJack U3-LV oraz -HV (fotografia 18), posiadają do 16 wejść analogowych, 16 linii I/O, po dwa liczniki oraz timery, wyjścia PWM oraz dwa, 10-bitowe wyjścia analogowe.

Fotografia 18. Urządzenie LabJackU3-HV (https://t.ly/ZrWpL)

Najbardziej rozbudowany model - LabJack T8 (fotografia 19) - oferuje 8 w pełni izolowanych, analogowych wejść różnicowych o rozdzielczości 24 bitów i szybkości próbkowania do 40 kSps (zakres do ±11 V), dwa analogowe wyjścia (16 bitów, 0…10 V), 20 cyfrowych linii I/O, 9 wyjść PWM (z opcją generowania impulsów), 8 par wejść kwadraturowych i wiele więcej. Co ciekawe, urządzenie wspiera także najpopularniejsze interfejsy szeregowe: I²C, SPI, UART czy 1-Wire, zaś komunikacja z komputerem nadrzędnym może odbywać się za pośrednictwem USB bądź sieci lokalnej (LAN).

Fotografia 19. Moduł akwizycji danych LabJack T8 (https://t.ly/8NrNh)

W ofercie firmy National Instruments (od wielu lat pozostającej jednym z potentatów na rynku systemów akwizycji danych) można znaleźć szeroki wachlarz przystawek USB, przeznaczonych do  prowadzenia wielopunktowych pomiarów w rozmaitych zastosowaniach inżynierskich, laboratoryjnych czy też przemysłowych. Jednym z najprostszych produktów z tego segmentu jest USB-6000 (fotografia 20) - kompaktowy moduł, zasilany z portu USB i wyposażony w osiem 12-bitowych wejść analogowych (10 kSps) oraz 4 linie cyfrowe I/O.

Fotografia 20. Moduł USB-6000 marki National Instruments (https://t.ly/uAgnU)

Koszt urządzenia nie przekracza 250 Euro. Dla kontrastu warto też przedstawić zaawansowane urządzenie USB-6356 (fotografia 21), w którym znajdujemy już osiem szesnastobitowych wejść o próbkowaniu do 1,25 MSps dwa wyjścia analogowe 3,33 MSps oraz 24 linie I/O - wraz ze wzrostem osiągów metrologicznych drastycznie rośnie też cena jednostkowa, która w tym przypadku wynosi już ponad 5200 Euro Wszystkie urządzenia NI posiadają rzecz jasna silne wsparcie programowe, w szczególności w postaci rozbudowanego ekosystemu LabView.

Fotografia 21. Moduł USB-6356 marki National Instruments (https://t.ly/owpvk)

Podobnych kart pomiarowych, współpracujących z komputerem za pośrednictwem USB, jest zresztą na rynku naprawdę wiele. Przykładowo - moduły z serii USB-200 Marki Measurement Computing (fotografia 22, rysunek 15) umożliwiają akwizycję sygnałów wejściowych z rozdzielczością 12 bitów i prędkością próbkowania do 100 lub nawet 500 kSps, w tym przypadku jednak podana częstotliwość jest osiągalna tylko w przypadku pracy w trybie jednokanałowym - wraz ze wzrostem liczby włączonych kanałów wejściowych, szybkość akwizycji proporcjonalnie spada.

Fotografia 22. Moduł z serii USB-200 marki Measurement Computing (https://t.ly/0gyuy)
Rysunek 15. Schemat blokowy modułu akwizycji danych z serii USB-200 (https://t.ly/0gyuy)

Warto wiedzieć, że kategorii urządzeń DAQ opartych na interfejsie USB nie należy kojarzyć tylko i wyłącznie z niewielkimi, samodzielnymi urządzeniami - w tej grupie można bowiem znaleźć także kompaktowe systemy modułowe, czego najlepszym przykładem jest chassis U2781A marki Keysight (fotografia 23). Urządzenie, wyposażone we wbudowany, 200-watowy zasilacz sieciowy, może obsługiwać do 5 modułów pomiarowych jednocześnie, co umożliwia uzyskanie nawet 384 kanałów pomiarowych, synchronizowanych poprzez wewnętrzną szynę komunikacyjną. Oprócz klasycznych kart rozszerzeń DAQ, w ramach tego samego systemu można także stosować moduły oscyloskopów, generatorów arbitralnych, multimetrów cyfrowych, czy nawet jednostek SMU.

Fotografia 23. Modułowa jednostka DAQ z serii U2781A marki Keysight (https://t.ly/b6KOr)

Systemy DAQ specjalnego przeznaczenia

Zgodnie z zapowiedzią, na koniec naszego ekspresowego przeglądu pozostawiliśmy systemy DAQ, przeznaczone do ściśle określonych rodzajów aplikacji. Jednym z najlepszych przykładów będzie tutaj system PowerLab (fotografia 24) marki ADInstruments, stanowiący jedno z najczęściej wykorzystywanych rozwiązań przeznaczonych do budowy stanowisk laboratoryjnych w obszarze fizjologii, badań klinicznych, testów na zwierzętach itp.

Fotografia 24. Zestaw urządzeń biosygnałowych z serii PowerLab (https://t.ly/qaeIs)

Typowy system składa się z przynajmniej jednej jednostki pomiarowej (wyposażonej w kilka pojedynczych oraz różnicowych kanałów wejściowych), a także zestawu przetworników i dodatkowych urządzeń, realizujących określone funkcje. W ekosystemie PowerLab dostępne są m.in. wzmacniacze biosygnałowe (stosowane w pomiarach EKG, EEG, EMG, czy też EOG), przetworniki ciśnienia krwi, wzmacniacze mostkowe, sensory optyczne, front-endy do pomiaru pH, spirometry (fotografia 25), czujniki temperatury, a także moduły uniwersalnych elektrostymulatorów.

Fotografia 25. Moduł spirometru, przeznaczony dla systemu PowerLab (https://t.ly/jvmv6)

Kolejnym interesującym przykładem systemu DAQ specjalnego przeznaczenia jest 1586A Super-DAQ marki Fluke (fotografia 26). Urządzenie umożliwia prowadzenie wielokanałowych pomiarów temperatury z niebywałą dokładnością na poziomie ±0,005°C przy użyciu termorezystorów lub ±0,002°C przy zastosowaniu termistorów (dokładność dla termopar wynosi natomiast ±0,5°C). Specjalny multiplekser DAQ-STAQ (fotografia 27), wyposażony w najwyższej jakości, pozłacane gniazda pomiarowe, umożliwia podłączenie do 10 sensorów w czteroprzewodowej konfiguracji Kelvina.

Fotografia 26. Ultra-precyzyjny system pomiaru i rejestracji temperatury 1586A Super-DAQ wraz z kalibratorem Fluke 9190A (https://t.ly/yDyNH)
Fotografia 27. Multiplekser DAQ-STAQ marki Fluke (https://t.ly/hAvnK)

Marka Yokogawa - znana z wysokiej klasy oscyloskopów wielokanałowych - opracowała serię przenośnych rejestratorów GP10 oraz GP20 (fotografia 28), zintegrowanych z dużym wyświetlaczem wielodotykowym. Urządzenia oferują maksymalną liczbę kanałów równą 20, przy czym dostępne moduły rozszerzeń umożliwiają akwizycję sygnałów napięciowych i prądowych, obsługę termopar i termorezystorów, a także generowanie prądowych sygnałów analogowych, obsługę wejść i wyjść cyfrowych, czy nawet… regulację w zamkniętej pętli sprzężenia zwrotnego (do tego celu służy podwójny kontroler PID o oznaczeniu GX90UT). Rejestratory GP10/GP20 zapewniają niezwykle szeroki wachlarz funkcji dodatkowych - pozwalają na tworzenie własnych interfejsów GUI, posiadają obszerny zestaw wbudowanych trybów wizualizacji i eksportu danych, pozwalają nawet na podgląd danych w czasie rzeczywistym za pomocą przeglądarki internetowej.

Fotografia 28. Przenośne, zintegrowane urządzenia DAQ z serii GP10/GP20 marki Yokogawa (https://t.ly/Snt2x)

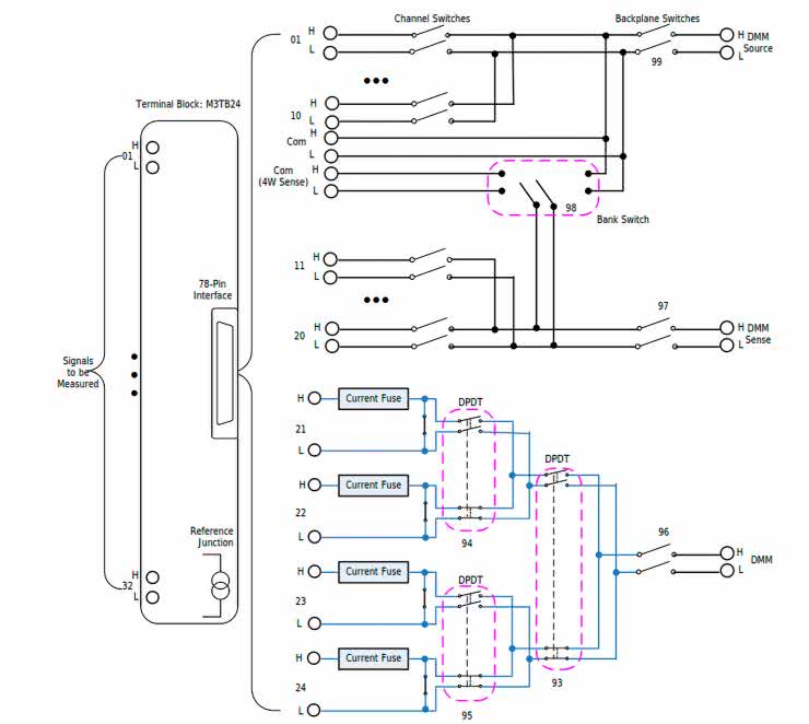
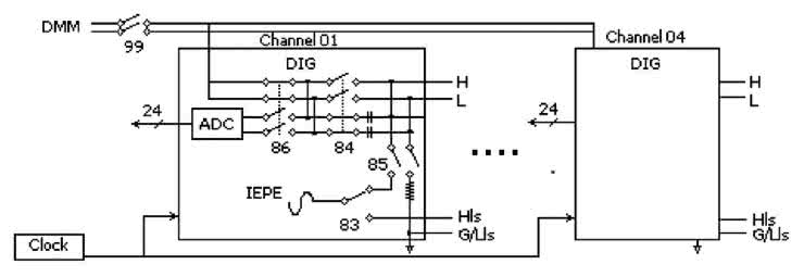
Wspomniana wcześniej marka Keithley, należąca do koncernu Tektronix, oferuje natomiast interesujący system, przeznaczony do testów motoryzacyjnych, m.in. do badania poduszek powietrznych. System o numerze katalogowym 2790 (fotografia 29) jest dostosowany do pomiaru dużych rezystancji oraz monitorowania ciągłości nawet w 40 kanałach, przy użyciu dedykowanych modułów generujących napięcia w zakresie od 50 do 500 V i prądy stałe od 0 do 50 mA - przykładowy moduł rozszerzeń o oznaczeniu 7753 można zobaczyć na fotografii 30, zaś schemat blokowy systemu testowego przedstawiono na rysunku 16.

Fotografia 29. Jednostka pomiarowa dla przemysłu motoryzacyjnego - 2790 marki Keithley (https://t.ly/ufdf8)
Fotografia 30. Moduł rozszerzeń 7753 marki Keithley (https://t.ly/-M52V)
Rysunek 16. Schemat blokowy systemu testowego, opartego na bazie jednostki 2790 marki Keithley (https://t.ly/imAC4)

Podsumowanie

Systemy akwizycji danych zajmują bardzo istotne miejsce w arsenale sprzętowym i programowym laboratoriów badawczych, działów R&D przedsiębiorstw, czy pracowni dydaktycznych, a także na stanowiskach automatycznego testowania produktów, czy nawet w automatyce przemysłowej. Zróżnicowanie form i parametrów dostępnych urządzeń pozwala na dobór odpowiedniego wyposażenia praktycznie do dowolnej aplikacji - niezależnie od tego, czy mamy do czynienia z prostymi pomiarami kilku napięć kontrolnych podczas testowania płytek PCBA w produkcji masowej, czy też z zaawansowanymi, wielomodalnymi pomiarami sygnałów fizjologicznych człowieka, niemal zawsze istnieje szereg gotowych rozwiązań. Rzecz jasna, wynikowa użyteczność systemu DAQ zależy w dużej mierze od odpowiedniej konfiguracji oraz przygotowanego dla konkretnego zastosowania programu sterującego - na szczęście, także w tym zakresie producenci idą swoim odbiorcom na rękę, udostępniając intuicyjne, proste w użyciu oprogramowanie do wizualizacji i wstępnej obróbki pozyskanych danych. Dlatego też warto mieć "z tyłu głowy" szereg narzędzi, po które można sięgnąć, gdy taka potrzeba się pojawi - mamy nadzieję, że przedstawiony w tym artykule przegląd pomoże naszym Czytelnikom w dokonaniu odpowiedniego wyboru oraz zachęci do dalszych poszukiwań w tym ciekawym i zróżnicowanym segmencie rynku.

inż. Przemysław Musz, EP

Artykuł ukazał się w
Elektronika Praktyczna
grudzień 2023
Elektronika Praktyczna Plus lipiec - grudzień 2012

Elektronika Praktyczna Plus

Monograficzne wydania specjalne

Elektronik listopad 2025

Elektronik

Magazyn elektroniki profesjonalnej

Raspberry Pi 2015

Raspberry Pi

Wykorzystaj wszystkie możliwości wyjątkowego minikomputera

Świat Radio listopad - grudzień 2025

Świat Radio

Magazyn krótkofalowców i amatorów CB

Automatyka, Podzespoły, Aplikacje listopad - grudzień 2025

Automatyka, Podzespoły, Aplikacje

Technika i rynek systemów automatyki

Elektronika Praktyczna listopad 2025

Elektronika Praktyczna

Międzynarodowy magazyn elektroników konstruktorów

Elektronika dla Wszystkich grudzień 2025

Elektronika dla Wszystkich

Interesująca elektronika dla pasjonatów