Metamorfoza zegara cyfrowego

Metamorfoza zegara cyfrowego
Pobierz PDF Download icon

Jak współcześnie zbudować zegar? Zapewne większość z nas sięgnie po układ mikrokontrolera lub FPGA, wstuka pewną, zależną od wymaganej funkcjonalności liczbę linijek kodu i już. W realiach naszego kraju jest to możliwe od okolic lat dziewięćdziesiątych, w których to zaczęto stosować pierwsze układy programowalne. Spowodowały one prawdziwą rewolucję w elektronice i dziś już mało kto myśli o tym, aby budować zegar elektroniczny z użyciem specjalizowanych kości lub "na piechotę", to znaczy - składając zegar z komponentów dyskretnych, takich jak liczniki cyfrowe.

Myślę, że własnoręcznie wykonany zegar cyfrowy był (i nadal jest) takim rodzajem aplikacji, o której wykonanie, a może nawet i zaprojektowanie, pokusiło się wielu elektroników. Najczęściej, dla tych początkujących było to swego rodzaju wyzwanie, natomiast ci bardziej zaawansowani po prostu chcieli wykonać coś niesztampowego, spełniającego ich wymagania.

Mimo iż z zagadnieniem pomiaru czasu ludzkość mierzy się od początku swojego istnienia, to tak naprawdę podobno standaryzację w tym zakresie wymusiła kolej żelazna. Wraz z wprowadzeniem kolei musiano opracować rozkłady jazdy dla podróżnych, mierzyć czas przejazdu pociągu i synchronizować wskazania zegarów za pomocą telegrafu.

Później opracowano również inne metody synchronizacji zegarów, a współcześnie nawet podróżując z kontynentu na kontynent oczekujemy, że co prawda wskazania zegara muszą uwzględniać daną strefę czasową, ale mimo wszystko będą one zsynchronizowane z jakimś globalnym wzorcem czasu.

Typowy zegar cyfrowy wykonany z układów dyskretnych nie jest aplikacją aż tak skomplikowaną, jak mogłoby się wydawać. Podstawową trudnością jest wykonanie wiarygodnego wzorca czasu, który powinien dostarczać stabilnego przebiegu - zwykle o częstotliwości 1 Hz. Ten przebieg należy doprowadzić na wejścia liczników zliczających minuty i godziny, rzadziej sekundy. Takie liczniki można zbudować chociażby z popularnych układów typu 7490 czy 7493.

Do wyjść liczników dołącza się dekodery 7447, bezpośrednio sterujące dołączonym wyświetlaczem 7-sementowym. Oczywiście, typ zastosowanego dekodera będzie zależał od współpracującego wyświetlacza, ale dla uproszczenia przejmijmy, że używany 7-segmentowych, niewielkich wyświetlaczy LED. Osobne zagadnienie stanowi interfejs użytkownika, za pomocą którego można wprowadzać nastawy takiego zegara oraz ewentualnie wstrzymywać jego pracę po to, aby ręcznie uzyskać synchronizację z jakimś wzorcem.

Pomimo prostej aplikacji i zasady działania tak zbudowany zegar ma dwie poważne wady. Pierwszą jest brak możliwości miniaturyzacji. Drugą jest brak możliwości łatwej rozbudowy funkcjonalności. Wyobraźmy sobie dla przykładu, że potrzebujemy wskazanie nazwy dnia oraz kilka alarmów załączanych w określonych dniach tygodnia, o dowolnie ustawianej godzinie. Oczywiście, da się to zrobić, ale może zabraknąć miejsca na stole na kolejne układy dyskretne... A jak wykonać interfejs użytkownika?

W sukurs takim aplikacjom przyszły specjalizowane układy zegarowe. Nawet jeśli nie były one oparte na mikrokontrolerze, to pojedyncza obudowa układu scalonego integrowała wiele elementów logicznych, co pozwalało na dalece posuniętą miniaturyzację.

Przykładem takiej aplikacji jest zegar cyfrowy AVT-140, którego projekt był opublikowany w czerwcowym wydaniu EP z 1994 r. Niestety, wiele z tych układów było przeznaczonych do aplikacji zegarów stacjonarnych i jako takie używały łatwo dostępnego wzorca czasu - przebiegu o częstotliwości 50 lub 60 Hz dostępnego w sieci energetycznej.

Niestety, o ile na tzw. Zachodzie skrupulatnie pilnowano tej częstotliwości, a w razie potrzeby ją korygowano po to, aby mieściła się w pewnych granicach tolerancji, o tyle w Polsce zaczęto o nią dbać dopiero niedawno, więc układy scalone wykorzystujące ją jako wzorzec nie były zbyt dokładne.

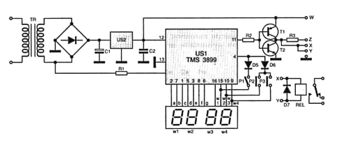
Rysunek 1. Schemat ideowy zegara elektronicznego AVT-140 z EP 6/1994

A przy okazji - częstotliwość napięcia przemiennego w sieci energetycznej nie wzięła się stąd, że jakiś rząd czy państwo tak zadecydowały. Jest ona skutkiem kompromisu pomiędzy zasilaniem a produkcją energii, a same prace nad odpowiednim doborem jej doborem trwały wiele lat. Zagadnieniami związanymi z zasilaniem energią elektryczną zajmował się między innymi George Westnghouse, który jako pierwszy skonstruował prądnicę napędzaną silnikiem parowym.

Generowała ona napięcie o częstotliwości 133 i 1/3 Hz, które nie powodowało migotania żarówek, ale jego częstotliwość była zbyt duża dla maszyn elektrycznych. W latach 1889 i 1890 inni producenci wprowadzili do oferty generatory, które generowały napięcie o mniejszej częstotliwości, jednak nadal nie dopracowano się żadnego standardu.

Wszystko uległo zmianie, gdy do zespołu Westinghousea dołączył Nikola Tesla. Skonstruowany przez niego silnik pracował przy zasilaniu napięciem o częstotliwości 60 Hz, co zapoczątkowało zmiany. Dodatkowego impulsu dostarczył rozwój motoryzacji.

W 1870 roku Austriak Siegfried Marcus skonstruował, nienadający się do powszechnego użytku, prototyp pojazdu mechanicznego z silnikiem benzynowym o zapłonie iskrowym. Z kolei inny konstruktor, Niemiec Carl Benz, zbudował trzykołowy automobil w roku 1885 r., a w 1886 r. uzyskał na niego patent. W tych samych latach prace w dziedzinie silników spalinowych oraz pojazdów napędzanych takimi silnikami prowadzili wspólnie Wilhelm Maybach i Gottlieb Daimler.

Siłą rzeczy, silniki parowe zaczęły przechodzić do przeszłości. George Westnighouse przydzielił swój zespół do specjalnego zadania - dostosowania silnika tłokowego do napędu alternatora Tesli. Przed końcem roku 1892 r. wybrano dwie funkcjonujące częstotliwości - 60 Hz dla oświetlenia i 30 Hz do zamiany energii elektrycznej na mechaniczną.

Wybrana przez Teslę częstotliwość 60 Hz miała również znaczenie dla Thomasa Alvy Edisona, który uchodził w swoim okresie za niekwestionowany autorytet w dziedzinie elektryczności. Firma Edison General Electric Company GE dominowała wówczas na rynku energii elektrycznej i konkurencja musiała się z nią liczyć. Przypomnijmy jednak, że Edison używał prądu stałego, a Tesla przemiennego.

W latach dwudziestych ub. wieku firma Henry Warrena nadzorowała projekt elektrowni wodnej na wodospadzie Niagara. Jej turbiny były przystosowane do częstotliwości 25 Hz ze względu na możliwą do osiągnięcia dużą sprawność. Zapowiadało się zatem, że w Ameryce Północnej będą obowiązywały dwie częstotliwości: 60 Hz dla oświetlenia i 25 Hz dla przemysłu.

Edison zaproponował kompromis - pojedynczą częstotliwość 40 Hz, ale było już za późno. Mimo iż wykonano instalacje 40-hercowe, to jednak znacznie więcej było pracujących z częstotliwością 25 Hz, a jeszcze więcej z 60 Hz. Z czasem szybkie turbiny wyparły maszyny tłokowe i częstotliwość 25 Hz nie była już potrzebna.

W Europie w 1918 r. tylko w samym Londynie istniało około 70 różnych organizacji elektrycznych, z których każda miała jakieś własne preferencje. Stosowano więc różne systemy dystrybucji energii, 10 częstotliwości sieci oraz 24 różne napięcia! Bliżej nas, bo w Niemczech w 1891 firma AEG będąca filią amerykańskich zakładów Edisona, zaprezentowała system dystrybucji na dużą odległość - Michał Doliwo-Dobrowolski i zaproponował budowę pierwszej na świecie linii transmisyjnej pracującej w układzie trójfazowym. Była to linia z elektrowni wodnej w Lauffen do Frankfurtu, a dokładniej sieć energetyczna składająca się z:

  • Transformatora podwyższającego napięcie do 10 kV.
  • 3-fazowej linii przesyłowej.
  • Transformatora obniżającego napięcie, zainstalowanego na terenie Światowej Wystawy Elektrotechniki.

Obciążeniem instalacji były żarówki oraz silnik trójfazowy wynaleziony przez konstruktora linii. Do historii elektrotechniki słowo "transformator" wprowadzili węgierscy uczeni, jednak to Polak znalazł dla niego najważniejsze zastosowanie. Częstotliwość sieci była równa 40 Hz, moc turbiny 300 KM, moc prądnicy 230 KM (około 170 kW), napięcie 95 V. Pomimo sukcesu tej instalacji, zjawisko migotania żarówek przy tej częstotliwości zasilania przesądziło o wyborze 50 Hz w kolejnych projektach, w których uczestniczyła firma AEG.

Jeszcze w latach dwudziestych ubiegłego wieku w Anglii i we Włoszech eksperymentowano z częstotliwością 42 Hz. W Szwajcarii do teraz pracują kolejki zasilane napięciem z częstotliwością otrzymywaną z systemu pracującego z częstotliwością 50 Hz, a wynoszącą 16 i 2/3 Hz.

Na terenach obecnie należących do Polski, w 1893 roku zbudowano sieć energetyczną we Wrocławiu. Na jej bazie uruchomiono pierwszą linię tramwajową z Grabiszyna na Rakowiec. Kolejny (około 2 lata później) był Wałbrzych, a następnie Zielona Góra. Śmiało można zaryzykować twierdzenie, że sieć dystrybucji prądu elektrycznego zmieniła oblicze świata.

Sieci energetyczne większej części Europy są ze sobą zsynchronizowane. Obszar tej synchronizacji, zwany CE (Continental European), rozciąga się od Turcji po Holandię i od Polski po Hiszpanię i obejmuje 25 państw. Swoje odrębne synchronizacje mają Wielka Brytania, Irlandia, kraje nordyckie, a także obszar byłego Związku Radzieckiego, w tym i należące do UE kraje bałtyckie.

Dla utrzymania częstotliwości pracy - w UE teoretycznie wynoszącej 50 Hz - tyle samo energii musi do niej trafiać, ile wypływać. Czyli produkcja i konsumpcja muszą być zbilansowane i to w czasie rzeczywistym. Pierwsze oznaki braku zbilansowania to właśnie zmiany częstotliwości. Wzrasta, gdy energii jest "za dużo", czyli gdy obciążenie jest małe, za to w czasie dużego obciążenia ma tendencję do spadku.

Zmiana częstotliwości pracy sieci jest więc pierwszą oznaką problemów i dlatego jest tak skrupulatnie kontrolowana. W Europie częstotliwości sieci pilnuje organizacja ENTSO-E. Jako ciekawostkę można dodać, że w połowie stycznia ub. roku poinformowała ona o nieznanej przyczynie spadku częstotliwości.

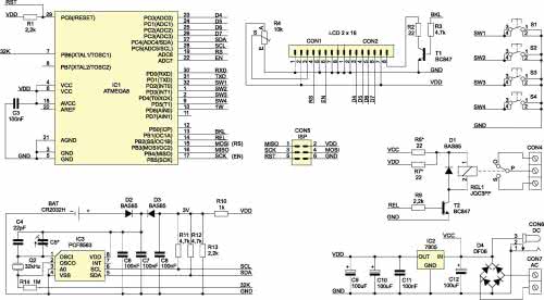
Rysunek 2. Schemat ideowy zegara elektronicznego AVT-5410 z EP 10/2013

Oznaczało to, że w którymś miejscu sieć nie jest zbilansowana - więcej energii z niej wypływa, niż trafia. Oczywiście, na stosunkowo niewielką skalę, która nie była w stanie zachwiać całym połączonym systemem. ENTSO-E zidentyfikowała obszar "wycieku" w samym środku bałkańskiego kotła, gdzieś między Serbią a Kosowem. Wyliczyła też, że od początku roku z sieci "wyparowało" w ten sposób 113 GWh energii. Hurtowa cena energii w Kosowie to 28 euro za MWh więc "zniknięty" prąd jest wart około 3 mln euro. Dla porównania, roczna konsumpcja Polski to ok. 150 TWh.

Wróćmy jednak do zegarów elektronicznych. Układy specjalizowane pozwalały na miniaturyzację aplikacji i znaczne ograniczenie pobieranej energii, jednak i one miały wady. Podstawową jest trudność rozbudowy aplikacji. Na przykład, jeśli producent wyposażył zegar w możliwość zaprogramowania 3 alarmów, to nie dało się dodać kolejnego i już.

Po prostu, najpierw konstruktor a później producent zegara byli skazani na pewną funkcjonalność, której nie dawało się zmienić bez zmiany układu i płytki drukowanej. To było wygodne w zegarkach naręcznych, ale w urządzeniach automatyki lub pomiarowych mogło powodować pewne niedogodności.

Dlatego elastyczność zapewniana przez układy programowalne była w tych zastosowaniach wprost nieoceniona, a projekty urządzeń tego typu szybko trafiły do EP. Do porównania wybrałem jednak projekt zegara opublikowany 19 lat później, w październiku 2013 r.

Podstawą budowy starszego zegara był TNIS 3899 firmy Texas Instruments. Źródłem częstotliwości wzorcowej dla zegara jest sieć energetyczna, więc a tamtych latach nie było mowy o dłuższym używaniu urządzenia jako typowego zegara - będzie się on ustawicznie spóźniał (jak pamiętamy - sugeruje to niedobór energii elektrycznej). Jaką właściwie funkcję miał zatem spełniać tamten zegar?

Zgodnie z sugestią autora, przyda się wszędzie tam, gdzie istnieje potrzeba, aby włączyć jakieś urządzenie o określonej godzinie (przekaźnik pozostawał w stanie aktywnym aż do odłączenia zasilania). Dla przykładu, może to być domowy regulator temperatury, w którym zegar włączy piecyk, np. na dwie godziny przed naszym powrotem z pracy.

Schemat ideowy zegara pokazano na rysunku 1. Dzięki zastosowaniu specjalizowanego układu scalonego jest on nieskomplikowany. W zasilaczu zastosowano transformator sieciowy TS 2/56 i trzykońcówkowy stabilizator scalony. Nóżka 14 układu US1 to wejście częstotliwości sieci 50 Hz. Nóżka 11 jest wyjściem, na którym po osiągnięciu nastawionego czasu wystąpi poziom niski.

Układ steruje czterema wskaźnikami LED ze wspólną katodą. Przełącznikiem P1 dokonuje się wyboru ZEGAR PORA WŁĄCZENIA, przyciskami P2 i P3 można w każdym z tych stanów ustawić odpowiednią godzinę i minutę. Układ wykonawczy z tranzystorami T1 i T2 wyglądu co najmniej podejrzanie: rzeczywiście, oprócz R2, normalnie montujemy zawsze tylko jeden tranzystor, w zależności od zastosowania modułu.

Na przykład, do współpracy z regulatorem z EP 1/94 wlutujemy tylko T2 i R3, a punki Z połączymy z punktem C regulatora (patrz EP 1/ 94). Obsługa gotowego modułu jest bardzo łatwa. Po włączeniu do sieci świecenie wyświetlacza jest pulsujące. Przy otwartym przełączniku P1 przyciskami P2 i P3 ustawia się najpierw czas bieżący, potem - przy zamkniętym P1 - tymi samymi przyciskami porę włączenia. Gdy P1 jest otwarty, w yświetlacz pokazuje bieżący czas.

W budowie zegara AVT-5410 zastosowano mikrokontroler, co - jak sugerowałem wcześniej - miało silny wpływ na funkcjonalność gotowego urządzenia. Co prawda, urządzenie jest nieco bardziej skomplikowane od protoplasty (oprócz mikrokontrolera zastosowano w nim specjalizowany układ scalony zegara RTC), ale za to bardzo zyskało na funkcjonalności:

  • Zegar odmierza czas nawet pomimo wyłączenia zasilania.
  • W pamięci zegara można zapisać aż 30 programów typu włącz/ wyłącz o określonej godzinie, w określonym dniu tygodnia.
  • Łatwo można zmienić program zegara, aby zrealizować wymaganą funkcjonalność.
  • Zastosowano w nim alfanumeryczny wyświetlacz LCD, który może w czytelny sposób prezentować komunikaty przeznaczone dla użytkownika.
 

Taki zegar przyda się nie tylko do włączenia pieca, ale również w sytuacji, gdy wyjeżdżamy na kilka dni lub nawet tygodni i pojawiają się problemy, np. dotyczące podlewania kwiatów lub karmienia rybek. Często też obawy czy mieszkanie, w którym nic się nie dzieje przez kilka dni nie stanie się celem włamywaczy.

Schemat ideowy sterownika AVT-5410 pokazano na rysunku 2. Wykonano go na bazie mikrokontrolera ATmega8 z dołączonym wyświetlaczem 2×16 i przyciskami. Jako zegar czasu rzeczywistego zastosowano układ scalony typu PCF8563. Informacja o aktualnej godzinie i dniu tygodnia jest pobierana tylko w trakcie włączania sterownika, a potem czas jest odmierzany przez sam procesor.

Aby odliczanie było precyzyjne, wewnętrzny licznik procesora TIMER2 pracuje asynchronicznie i jest taktowany przebiegiem o częstotliwości 32,768 kHz dostarczanym przez generator wbudowany w RTC. Sterownik przystosowano do zasilania napięciem przemiennym (bezpośrednio z transformatora) lub stałym (z gotowego zasilacza). Transformator powinien mieć na-pięcie ok 9 VAC i powinien być dołączony do CON7, natomiast zasilacz o napięciu ok. 12 VDC dołączamy do CON6. Interfejs użytkownika składa się z wyświetlacza i 4 przycisków.

Jacek Bogusz, EP

Bibliografia:

Artykuł ukazał się w
Elektronika Praktyczna
marzec 2019
DO POBRANIA
Pobierz PDF Download icon
Elektronika Praktyczna Plus lipiec - grudzień 2012

Elektronika Praktyczna Plus

Monograficzne wydania specjalne

Elektronik listopad 2025

Elektronik

Magazyn elektroniki profesjonalnej

Raspberry Pi 2015

Raspberry Pi

Wykorzystaj wszystkie możliwości wyjątkowego minikomputera

Świat Radio listopad - grudzień 2025

Świat Radio

Magazyn krótkofalowców i amatorów CB

Automatyka, Podzespoły, Aplikacje listopad - grudzień 2025

Automatyka, Podzespoły, Aplikacje

Technika i rynek systemów automatyki

Elektronika Praktyczna listopad 2025

Elektronika Praktyczna

Międzynarodowy magazyn elektroników konstruktorów

Elektronika dla Wszystkich grudzień 2025

Elektronika dla Wszystkich

Interesująca elektronika dla pasjonatów