Metamorfoza komputera samochodowego

Metamorfoza komputera samochodowego
Pobierz PDF Download icon

O ile współcześnie nie sposób opędzić się od elektroniki w motoryzacji, a tyle niegdyś była to głównie domena różnych majsterkowiczów – miłośników modernizacji (jak to się mówiło – ubajerzania) swoich pojazdów. Bodajże pierwszym popularnym gadżetem, instalowanym w pojazdach różnej maści, był wskaźnik napięcia panującego w instalacji elektrycznej. To był nie tylko bajer, montowano z różnych powodów. Oczywiście, aby ustrzec się rozładowania akumulatora, ale nie tylko. Niedostatek powodował, że taki akumulator było bardzo trudno nabyć i dlatego „chodziło się” wokół niego, jak wokół przysłowiowego jajka, a prądnice, alternatory i regulatory napięcia psuły się z byle powodu. Te nieskomplikowane wskaźniki, często budowane na bazie ustrojów pomiarowych lub woltomierzy cyfrowych, szybko ewoluowały do nieskomplikowanych komputerków samochodowych, które do dziś – aczkolwiek już o znacznie bardziej rozbudowanej funkcjonalności – cieszą się ogromnym zainteresowaniem.

Motoryzacja jest specyficzną dziedziną. Wymagania odnośnie do bezpieczeństwa użytkowników pojazdów są powodem, że każde rozwiązanie jest wielokrotnie testowanie i przez to wprowadzane stosunkowo wolno. Niekiedy dziwimy się, że „to już takie popularne, a w samochodach nie ma”, ale przemysł motoryzacyjny rządzi się swoimi regułami i normami, i dlatego wprowadzanie różnych nowinek trwa, chociaż nie sposób nie zauważyć, nie współcześnie przyjmują się one znacznie szybciej, niż kiedyś. Moim zdaniem nie ma co utyskiwać na to, że tak się dzieje. To bardzo ważne, aby każdy moduł użyty w pojeździe był wielokrotnie sprawdzony, bo… i tak mimo tego zdarzą się jakieś „wpadki”. Co prawda, nie są one już tak częste, jak kiedyś, ale co rusz możemy przeczytać o „wąsach” powstałych na skutek lutowania i blokujących pedał gazu, o niedomykającym się na skutek błędu w oprogramowaniu zaworze itp. Około miesiąca temu przeczytałem informację o tym, że pewien znany producent aut wzywa do serwisu blisko 1,5 miliona popularnych samochodów, aby usunąć usterkę! O zgrozo!

Zdecydowana większość nowych samochodów, pomimo licznych układów elektronicznych, jest w stanie bezawaryjnie przejeździć przynajmniej te 5-6 lat. Dzięki elektronice zamontowanej w samochodzie możemy cieszyć się pojazdem wygodnym, ekonomicznym, „dbającym” o kierowcę i pasażerów. Już dawno temu dostrzegli to twórcy różnych gadżetów montowanych w pojazdach, a ich zadanie zostało w dużej mierze ułatwione dzięki popularyzacji mikrokontrolerów.

Bodajże pierwszy „mikrokontrolerowy”, cieszący się przez wiele lat ogromną popularnością komputerek samochodowy był opublikowany w majowym wydaniu EP w 1996 r. Zestaw do samodzielnego montażu tego komputera był oferowany pod oznaczeniem AVT-286. Aż uśmiechnąłem się czytając ten artykuł, bo znalazłem w nim swoisty „znak czasu”. Autor artykułu przekonuje czytelników, że mikrokontrolery wcale nie są takie straszne, jakby to się mogło wydawać! Dziś jest dokładnie odwrotnie – niektórych, zwłaszcza młodych elektroników, trzeba przekonywać, że bez mikrokontrolera też się da!

Gdy sięgnę pamięcią wstecz, to wydaje mi się, że właśnie Elektronika Praktyczna była prekursorem promującym zastosowania mikrokontrolerów. Dzięki lekturze EP wykonałem pierwszy programator mikrokontrolerów i zacząłem je stosować, chociaż same procesory znałem z pracy zawodowej. Jednak były one programowane za pomocą sprzętu, na którego zakup po prostu nie było mnie stać – te 25 lat temu programator kosztował naprawdę „ciężkie” pieniądze! Natomiast w EP zawsze można było znaleźć sprzęt na każdą kieszeń. Wróćmy jednak do komputera samochodowego.

Zgodnie ze słowami autora, pomysł na komputer samochodowy AVT-286 zrodził się w momencie, gdy w jego samochodzie zepsuł się fabryczny zegarek kwarcowy, zamontowany na tablicy rozdzielczej. Jasne, że można go było naprawić czy wymienić, ale dlaczego nie wykonać czegoś własnego, o znacznie bardziej rozszerzonej funkcjonalności?

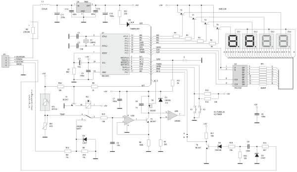
Rysunek 1. Schemat blokowy komputera samochodowego AVT-286 z EP 5/1996

Na rysunku 1 pokazano schemat ideowy komputerka AVT-286. Już jeden rzut oka wystarczy, aby stwierdzić, że „zmieszczenie” tak wielu funkcji w niewielkiej obudowie wymagało użycia na tamte czasy nowoczesnego, ale jednocześnie taniego mikrokontrolera. Wszystkie sygnały z otoczenia, tzn. temperatura, napięcie w instalacji elektrycznej samochodu oraz obroty silnika trafiają do procesora, gdzie są zamieniane do postaci czytelnej dla użytkownika, a potem wyświetlone na 4-cyfrowym wyświetlaczu LED. Dodatkowa dioda LED „Timer On” informuje kierowcę o aktywnej funkcji „timera podróżnego”, natomiast dwa przyciski umieszczone są w sposób ułatwiający ich odnalezienie nawet w ciemności i pozwalają na zmianę aktualnie wyświetlanej informacji. Rysunek 2 przedstawia schemat elektryczny naszego komputerka. Głównym elementem jest układ U1, tj. AT89C2051. Zastosowano popularną wersję procesora 8051, w obudowie 20-końcówkowej, co wpłynęło na zmniejszenie wymiarów całości urządzenia. Poprzez końcówki oznaczone jako P1.0...P1.7 oraz P3.0...P3.7 układ ten steruje wszystkimi funkcjami urządzenia.

Rysunek 2. Schemat ideowy komputera samochodowego AVT-286 z EP 5/1996

Pomiar obrotów; impulsy z uzwojenia niskiego napięcia cewki zapłonowej zostają uformowane w układzie ogranicznika-prostownika. Na kolektorze tranzystora T8 uzyskuje się impulsy w takt obrotów silnika. Te impulsy trafiają na końcówkę RPM mikrokontrolera, który oblicza prędkość obrotową silnika. Jeżeli mamy do czynienia z silnikiem 4-cylindrowym, na obrót wału przypadają dwa zapłony, toteż otrzymany wynik należy podzielić przez 2. W tym celu w układzie przewidziano zworę „Z”, która zwiera końcówkę SUW (pin 15 U1) do masy wymuszając poziom niski. Jest to sygnał dla układu U1, aby podzielił wynik pomiaru prędkości przez 2. Po zakończeniu pomiaru wynik jest pokazywany na wyświetlaczu DL1...DL4 z zaokrągleniem do 100 obr/min.

Pomiar temperatury: zrealizowano za pomocą taniego termistora. Napięcie na termistorze i napięcie instalacji są mierzone za pomocą zewnętrznego, nieskomplikowanego przetwornika A/ C. Zasada działania polega na pomiarze (przez mikrokontroler) czasu ładowania kondensatora C6, który to przed rozpoczęciem pomiaru zostaje rozładowany poprzez tranzystor T6. Napięcie na C6 jest doprowadzone do komparatora U3B. Na jego wejściu panuje napięcie 2,5 V, dzięki diodzie referencyjnej D1, toteż w momencie kiedy napięcie na kondensatorze C6 osiągnie wartość 2,5 V, wyjście komparatora zostanie wyzerowane, informując układ U1 o zakończeniu ładowania. Mikrokontroler zatrzymuje zliczanie wewnętrznych impulsów i na ich podstawie obliczona zostaje temperatura. Przy pomiarze napięcia mikrokontroler przełącza wejście przetwornika A/C za pomocą RL1 na układ złożony z elementów D5, R9 i R113. Tworzą one typowy dzielnik napięcia instalacji samochodu, zabezpieczony dodatkowo diodą Zenera D5.

Mikrokontroler umożliwił również realizację funkcjonalności zegara i timera podróżnego. Zegar wskazuje godzinę i minuty. Do sygnalizacji pracy ,,timera podróżnego” służy dioda D2. Jej miganie oznacza, że timer nie zlicza czasu, samochód stoi. Decyzję czy pojazd stoi, czy po-rusza się układ Ul podejmuje na podstawie obecności impulsów z cewki zapłonowej, tych które wykorzystywane są przy pomiarze prędkości obrotowej.

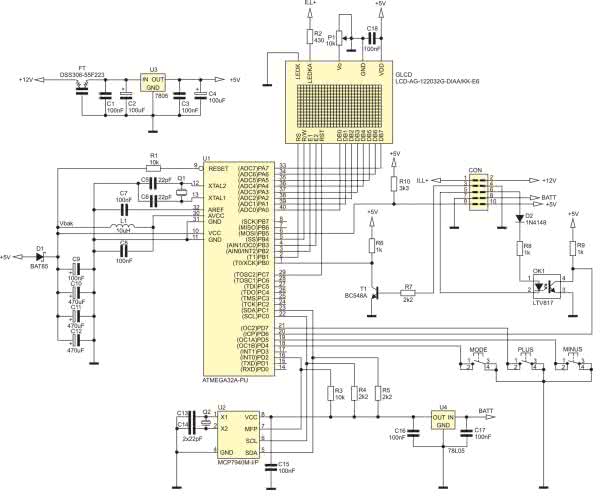
W marcu 2015 r. już nikogo nie trzeba było przekonywać do zastosowania mikrokontrolera. Mało tego, wzrosła skala ich integracji, co pozwoliło na zamknięcie w miniaturowej obudowie licznych bloków funkcjonalnych. Schemat ideowy komputera samochodowego, opisywanego w marcowym wydaniu EP w 2015 r. (AVT-5495) pokazano na rysunku 3. Komputer wykonano z użyciem mikrokontrolera ATmega32A-PU, zegara czasu rzeczywistego typu MCP7940M-I/P oraz graficznego wyświetlacza LCD o rozdzielczości 122×32 piksele. Schemat ideowy komputera nie jest skomplikowany. Mikrokontroler realizuje założoną funkcjonalność urządzenia posiłkując się w tym celu szeregiem wewnętrznych modułów peryferyjnych. Jest taktowany zewnętrznym rezonatorem kwarcowym 4,194 MHz. W programie obsługi użyto dwóch bloków czasowo-licznikowych w mikrokontrolerze oraz jednego przerwania zewnętrznego. Nie ma też mowy o budowaniu przetwornika A/C „na piechotę”, ponieważ jest on jednym z bloków dostępnych w otoczeniu rdzenia AVR.

Rysunek 3. Schemat ideowy komputera samochodowego AVT-5495 z EP 3/2015

Komputer dokonuje w czasie każdej jednej sekundy pomiaru sumarycznej liczby impulsów doprowadzanych na wejście T0 mikrokontrolera z przetwornika drogi pojazdu i pomiaru sumarycznego czasu wtrysków, których to sygnał doprowadzony jest na wejście przechwytujące licznika Timer1 (wejście ICP1). W celu realizacji drugiej z funkcjonalności zaprojektowano bezpieczny układ wejściowy (przy użyciu popularnego optoizolatora LTV817), formujący sygnał wtryskiwacza dla potrzeb wejściowych obwodów mikrokontrolera. Jak łatwo zauważyć, nowszy komputer nie korzysta już z impulsów z układu zapłonowego, ale pobiera sygnały z wtrysków – większość współczesnych samochodów nie ma już gaźnika.

Zostawmy jednak opisy komputerów, z którymi można zapoznać się w darmowym, otwartym archiwum Elektroniki Praktycznej dostępnym pod adresem https://ep.com.pl/archiwum.html. Bardzo ważny jest fakt, który może explicite nie wynika z lektury artykułów, ale na który nie sposób nie zwrócić uwagi. Oprogramowanie starszego komputera samochodowego zostało napisane w asemblerze 8051. Nie dosyć, że jest skomplikowane, to jeszcze w tamtych latach niekoniecznie kompilator był dostępny, jak dziś, za darmo. Za darmo można było otrzymać raczej nieliczne programy narzędziowe o uproszczonej funkcjonalności lub siermiężnym interfejsie użytkownika. A jakim edytorem tekstowym posługiwał się autor? Czy miał debbugger lub symulator, czy jakoś musiał sobie poradzić? Zapewne jakoś musiał sobie poradzić. nadrabiając wyobraźnią. Trudno powiedzieć…

Od tamtego czasu wiele się zmieniło. Program dla nowszego komputera został napisany za pomocą darmowego kompilatora C. Razem z nim są dostępne – również za darmo – fantastyczny, funkcjonalny edytor oraz symulator i debugger. Polityka firm producentów znacznie zmieniła się w tym zakresie. Współcześnie ważniejsi producenci wprowadzają nowe mikrokontrolery na rynek jednocześnie z całą gamą funkcjonalnych, nowoczesnych narzędzi.

Jacek Bogusz, EP

Artykuł ukazał się w
Elektronika Praktyczna
grudzień 2018
DO POBRANIA
Pobierz PDF Download icon
Elektronika Praktyczna Plus lipiec - grudzień 2012

Elektronika Praktyczna Plus

Monograficzne wydania specjalne

Elektronik listopad 2025

Elektronik

Magazyn elektroniki profesjonalnej

Raspberry Pi 2015

Raspberry Pi

Wykorzystaj wszystkie możliwości wyjątkowego minikomputera

Świat Radio listopad - grudzień 2025

Świat Radio

Magazyn krótkofalowców i amatorów CB

Automatyka, Podzespoły, Aplikacje listopad - grudzień 2025

Automatyka, Podzespoły, Aplikacje

Technika i rynek systemów automatyki

Elektronika Praktyczna listopad 2025

Elektronika Praktyczna

Międzynarodowy magazyn elektroników konstruktorów

Elektronika dla Wszystkich grudzień 2025

Elektronika dla Wszystkich

Interesująca elektronika dla pasjonatów