Metamorfoza stopera na szkolną olimpiadę

Metamorfoza stopera na szkolną olimpiadę
Pobierz PDF Download icon

Raczej nikogo nie trzeba przekonywać, że postęp w wielu dziedzinach życia dokonał się dzięki osiągnięciom i odkryciom najpierw elektrotechniki, a później jej bardziej wyspecjalizowanej siostry-
-elektroniki. Począwszy od żarówki, a skończywszy na sieci Internet i łatwości wymiany informacji – to wszystko zaczęło się od odkrycia prądu, a skończy… No właśnie, nie bardzo wiadomo, czym się skończy. W rytm zmian w technice zmieniały się też podzespoły stosowane przez autorów urządzeń oraz projekty prezentowane na łamach „Elektroniki Praktycznej”. Myślę, że zwłaszcza młodszym czytelnikom pomoże się o tym przekonać cykl artykułów, z których w pierwszym opowiemy o metamorfozie, jaką przeszedł szkolny stoper. Można będzie też się przekonać, że urządzenia da się zbudować bez konieczności programowania.

Opisywany w EP 8/1998 „Stoper na szkolną olimpiadę” był zbudowany z elementów dyskretnych: przerzutników, liczników, dekoderów i bramek wykonanych w technologii CMOS. Przebieg taktujący odmierzaniem czasu był uzyskiwany z generatora 1-megahercowej fali prostokątnej. Pozwoliło to na realizację stosunkowo nieskomplikowanej funkcjonalności, to jest jedynie pomiaru czasu z dokładnością do setnych części sekundy, sterowanego sygnałami „Start”, „Stop” oraz „Zerowanie”. Stoper był wyposażony w „niewygodne” złącza przeznaczone do przyłączenia zewnętrznego wyświetlacza o dużych wymiarach. Było ich aż 6, a każde miało po 4 bity. Użycie zewnętrznego wyświetlacza wymagało zastosowania dodatkowych dekoderów kodu binarnego na kod wyświetlacza 7-segmentowego oraz co najmniej 25 przewodów połączeniowych.

Zaletą tego rozwiązania było, że stoper pracował już po wykonaniu poprawnego montażu, zgodnego ze schematem ideowym. Nie trzeba było programatora, kompilatora, znajomości języka programowania oraz mikrokontrolera, dla którego był tworzony program itd. Wystarczyła lutownica i biurko.

Schemat elektryczny bloku głównego stopera z EP 8/1998 pokazano na rysunku 1. Na pierwszy rzut oka wydaje się on skomplikowany, ale na pewno zauważymy, że na jego złożoność wpływa nie tyle układ połączeń, ile liczba elementów sterujących pojedynczym wyświetlaczem, których jest 6 – bloki muszą być powielone. Każdy wyświetlacz wymaga do sterowania aż 1,5 układu scalonego – połowę licznika 4518 i cały dekoder 4543, co przy 6 wyświetlaczach daje 9 układów. Jeśli dodamy do tego dzielnik wstępny zawierający 2 układy, przerzutnik start/stop z 1 układem, bramki dekodujące „6” zawarte w 1 układzie scalonym, stabilizator napięcia oraz generator 1 MHz (co prawda to moduł, ale potraktujmy go jak 1 układ), to daje zawrotną liczbę aż 15 układów scalonych do realizowania stosunkowo nieskomplikowanej funkcji pomiaru czasu.

Rysunek 1. Schemat ideowy „Stopera na szkolną olimpiadę” z EP 8/1998

Pierwszym blokiem, odpowiedzialnym za precyzję działania urządzenia, jest 1-megahercowy generator kwarcowy Q1 wraz z dzielnikiem częstotliwości zrealizowanym na układach dyskretnych. Na wyjściu Q3 licznika IC10B otrzymujemy przebieg o częstotliwości 100 Hz. Po włączeniu zasilania i naciśnięciu RESET wszystkie liczniki zostają wyzerowane i pracuje jedynie generator kwarcowy dostarczając przebieg na wejścia dzielnika i przerzutnika J-K IC13A sterującego pracą urządzenia. Wejście „Start” stopera może być dołączone do wyjścia układu wykrywającego huk strzału pistoletu startowego (opis w EP 9/1998). Normalnie panuje na nim stan niski wymuszony rezystorem R2. Po strzale na wejściu „Start” wystąpi stan wysoki, co spowoduje, że po impulsie na CLK wyjście /Q przerzutnika IC13A zostanie wyzerowane i rozpocznie się odmierzanie czasu. Dekoder złożony z bramek układu IC12 powoduje wyzerowanie licznika po tym, jak ten osiągnie 60 minut. Po dokładny opis funkcjonowania urządzenia a także po opis modułów dodatkowych warto sięgnąć do otwartego, bezpłatnego archiwum EP dostępnego na stronie internetowej http://www.ep.com.pl.

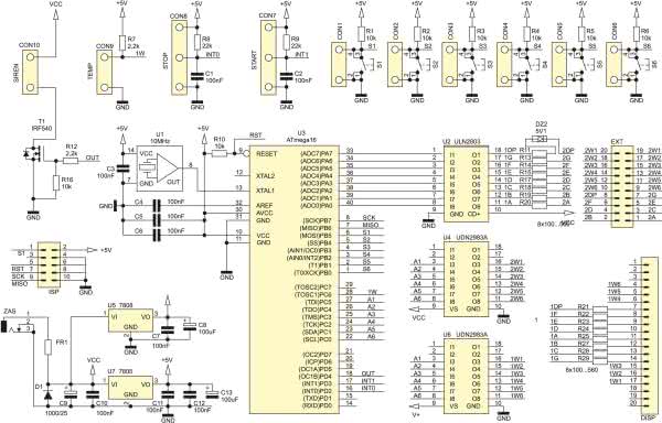
Rysunek 2. Schemat ideowy płytki głównej „Mega stopera” z EP 12/2012

Projekt następcy kitu AVT447 opisaliśmy 14 lat później – był to „Mega stoper”, oferowany jako zestaw AVT5377. Schemat ideowy płytki głównej „Mega stopera” pokazano na rysunku 2. Oczywiście, w międzyczasie były publikowane opisy innych urządzeń, ale ten jest najbardziej zbliżony funkcjonalnie. Jeśli być konsekwentnym i liczyć moduł generatora zegarowego jako jeden układ scalony, to „Mega stoper” zbudowano w oparciu o 7 układów scalonych, z czego 2 pracują w zasilaczu, a 3 to wzmacniacze prądu wyświetlacza, których nie było w poprzedniej wersji. Jeśli odliczyć generator zegarowy, to za całą, znacznie bardziej rozbudowaną niż przed 14 laty funkcjonalność stopera odpowiada pojedynczy układ scalony, ale współcześnie, gdy niektórym konstruktorom łatwiej buduje się chociażby generator akustyczny w oparciu o procesor niż o elementy dyskretne, raczej nikogo to nie zdziwi. Funkcje realizowane przez „Mega stoper” są następujące:

  • Zegar czasu rzeczywistego i opcjonalnie termometr (czas i temperatura pokazywane naprzemiennie).
  • Stoper prosty mierzący czas od startu do mety.
  • Stoper pięciokrotny, mierzący i zapamiętujący czas 5 zawodników.
  • Wskaźnik punktów, który wyświetla 3×2-cyfrowe wartości np. punkty1, runda, punkty2.
  • Licznik zdarzeń liczący w górę lub w dół.
  • Alarm generowany po przekroczeniu zadanej wartości.
  • Odliczanie czasu w dół od ustawionej wartości; alarm po osiągnięciu 0.

Oczywiście, cała funkcjonalność stopera jest realizowana przez oprogramowanie. Mikrokontroler jest jedynie platformą, na której jest ono uruchomione. I chociaż współcześnie komputer PC i programator dla mikrokontrolera nie są zbyt drogie, a i kompilator języka programowania można mieć za darmo, to jednak uruchomienie tak zbudowanego stopera wymaga nie tylko lutownicy i biurka, jak to było kilkanaście lat temu, ale oprócz nich także znajomości języka programowania oraz specjalistycznego sprzętu. Z drugiej strony, urządzenie z mikrokontrolerem czy innym układem programowalnym bardzo łatwo się modyfikuje – mając jakiś nowy pomysł, wystarczy zmienić program sterujący. W poprzednim rozwiązaniu bardzo trudno by było np. zrobić zapamiętywanie 5 wyników dla 5 zawodników. Taki stoper byłby bardzo rozbudowany, miałby spore wymiary, a w czasie pracy mógłby pobierać z zasilacza prąd nawet rzędu 1 A. Dziś bez trudu zawrzemy tę funkcjonalność w najprostszym mikrokontrolerze, bez modyfikowania urządzenia. Co najwyżej będziemy potrzebowali dodać jakieś przyciski sterujące.

Na koniec rzut oka na technologię montażu. Można zauważyć, że o ile znacznie wzrosła skala integracji układów scalonych, o tyle komponenty są w obudowach do montażu przewlekanego, które łatwo przylutować w warunkach domowych. Owszem, złożona funkcjonalność mikrokontrolera wymaga obudowy mającej wiele wyprowadzeń, ale już te naście lat temu były dostępne układy w obudowie o takich samych wymiarach, mające zbliżoną lub nawet większą liczbę nóżek.

Jacek Bogusz, EP

Artykuł ukazał się w
Elektronika Praktyczna
styczeń 2018
DO POBRANIA
Pobierz PDF Download icon
Elektronika Praktyczna Plus lipiec - grudzień 2012

Elektronika Praktyczna Plus

Monograficzne wydania specjalne

Elektronik listopad 2025

Elektronik

Magazyn elektroniki profesjonalnej

Raspberry Pi 2015

Raspberry Pi

Wykorzystaj wszystkie możliwości wyjątkowego minikomputera

Świat Radio listopad - grudzień 2025

Świat Radio

Magazyn krótkofalowców i amatorów CB

Automatyka, Podzespoły, Aplikacje listopad - grudzień 2025

Automatyka, Podzespoły, Aplikacje

Technika i rynek systemów automatyki

Elektronika Praktyczna listopad 2025

Elektronika Praktyczna

Międzynarodowy magazyn elektroników konstruktorów

Elektronika dla Wszystkich grudzień 2025

Elektronika dla Wszystkich

Interesująca elektronika dla pasjonatów