Elementy nieprzydatne w technice audio

Elementy nieprzydatne w technice audio

Każda dziedzina elektroniki rządzi się swoimi prawami i potrzebami. Nie inaczej jest w technice audio – z pozoru mało wymagającej, jednak takie wrażenie można odnieść, wyłącznie patrząc bardzo powierzchownie. Jakie podzespoły tylko teoretycznie spełniają wymagania i czemu ich stosowanie to w rzeczywistości proszenie się o kłopoty?

Jeżeli ktoś patrzy na technikę audio przez pryzmat monofonicznych odbiorników tranzystorowych z ubiegłego wieku lub sprzętów o podobnym poziomie zaawansowania, to może odnieść wrażenie, że nie ma czegoś takiego, jak „nieprawidłowe elementy”. Niskie częstotliwości, małe moce, niewysokie napięcia – gdzie tu trudności? Kondensator ma pojemność, opornik swoją rezystancję, tranzystor wzmacnia prąd… Przecież wszystko, co tylko będzie spełniało wymagania projektu, nada się z powodzeniem i nie ma o co kruszyć kopii.

Uspokoić pragnę w tym miejscu tutaj tych, którzy wręcz alergicznie reagują na hasła typu „złote kondensatory” albo „platynowe kable”. Nie popadajmy ze skrajności w skrajność. Czym innym jest po prostu dobrej jakości element, a czym innym jego wersja okraszona ezoterycznymi opisami i legendami. Kto chce, niechaj takie stosuje, lecz w niniejszym artykule poruszę tylko te zagadnienia, na które mamy realny (i przez to mierzalny) wpływ.

Na pierwszy ogień weźmy rezystory. Skoro przywołałem metaforę ognia, niechaj więc będą te węglowe. Każdy je zna – występują w bardzo wielu układach, ponieważ są tanie, a przez to ludzie chętnie je stosują. W ilościach detalicznych kosztują one kilka groszy za sztukę i wyglądają jak na fotografii 1.

Fotografia 1. Rezystor węglowy [1]

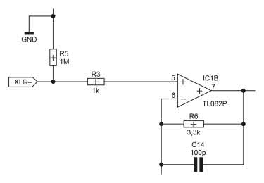
Mają przeważnie tolerancję 5%, co powinno je dyskwalifikować z wielu zastosowań, na przykład filtrów sygnału, które są czułe na rozrzuty elementów. Jednak są takie miejsca w układzie, w których nawet kilkunastoprocentowy rozrzut nie powinien być problemem – jako przykład podajmy rezystor polaryzujący siatkę sterującą lampy albo wejście wzmacniacza operacyjnego, jak na schemacie z rysunku 1. Rezystor R5, który się na nim znajduje, teoretycznie nie przewodzi jakiegokolwiek prądu i nie ma wybitnie ważnej funkcji – ot, polaryzuje wejście nieodwracające potencjałem masy – jednak w praktyce spoczywa na nim wielka odpowiedzialność. Znajduje się on bowiem na samym wejściu układu, w miejscu najbardziej krytycznym dla poziomu szumów w całym układzie.

Rysunek 1. Polaryzacja wejścia wzmacniacza operacyjnego

Dla przypomnienia szumowy schemat zastępczy każdego rezystora pokazałem na rysunku 2. Wartość skuteczna napięcia szumów zależy od pasma, rezystancji, temperatury. Są to jednak szumy termiczne, z którymi niewiele możemy zrobić poza obcinaniem pasma, zmniejszaniem rezystancji bądź schładzaniem naszych układów. Oprócz nich występują również trudne do uchwycenia (od strony matematycznej) szumy nadmiarowe, które zwiększają całkowity poziom szumów. Ich natura wynika z niejednorodności materiału przewodzącego prąd elektryczny, który na swej drodze napotyka liczne uszkodzenia i deformacje sieci krystalicznej. Zaś tych w rezystorach węglowych jest aż nadto, bowiem prąd w tych elementach przepływa przez spiek takich materiałów jak grafit czy ceramika. Nadaje im to dobre właściwości pod względem wytrzymałości na udary prądowe, lecz z punktu widzenia szumów to fatalne rozwiązanie, gdyż nośniki ładunku rozbijają się o wiele mniejszych i większych, nieregularnie ułożonych fragmentów spieku.

Rysunek 2. Szumowy schemat zastępczy rezystora [2]

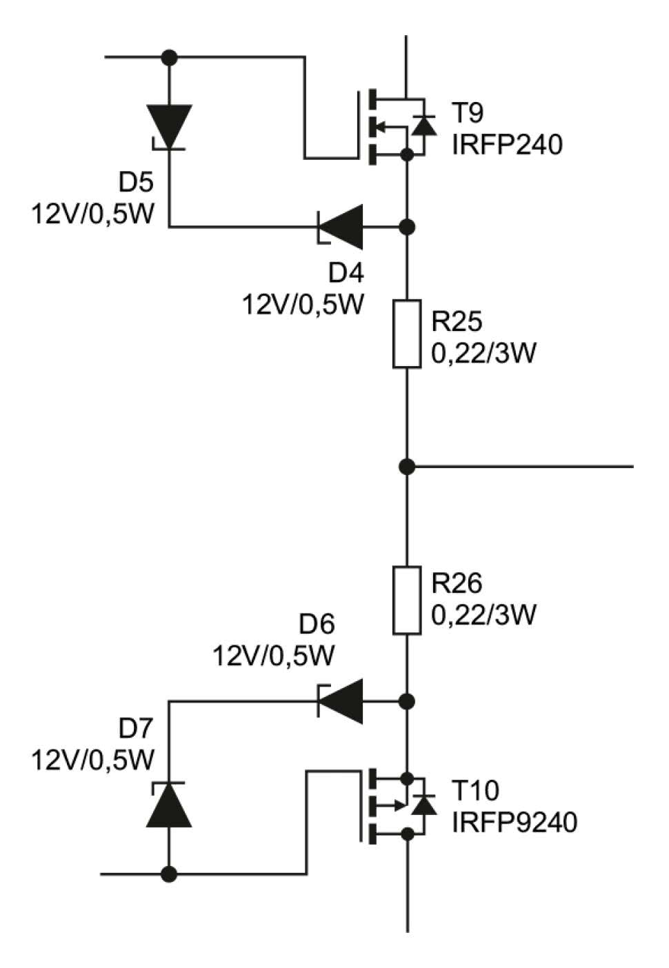
Ze swoich doświadczeń mogę powiedzieć, że naprawdę można usłyszeć Niagarę, testując na głośnikach układ zrobiony „po taniości”. W przysłowiowym radyjku na baterie nikogo to nie będzie aż tak raziło, lecz budując układ przeznaczony do odtwarzania muzyki w możliwie wysokiej jakości, taki defekt uznamy już za niedopuszczalny. W takich przypadkach warto postawić na rezystory metalizowane, które w dzisiejszych czasach nie są jakoś znacząco droższe, za to ich parametry (nie tylko szumowe, lecz również te opisujące tolerancję czy stabilność) są zdecydowanie lepsze. Nie oznacza to, że rezystorów węglowych w ogóle nie wolno używać w torze audio – dla nich dobre miejsce jest tam, gdzie mamy do czynienia z bardzo niskimi rezystancjami i wysokimi prądami, na przykład na wyjściu końcówki mocy z rysunku 3 – tam rezystory węglowe mają przewagę nad drutowymi, które wprowadzają niepotrzebną indukcyjność.

Rysunek 3. Rezystory węglowe mogą być użyte tam, gdzie płyną wysokie prądy

Opisaliśmy już rezystory, teraz czas na kondensatory. Przysłowiowym źródłem „zła wszelakiego” są kondensatory elektrolityczne wstawiane tam, gdzie zachodzi potrzeba sprzęgnięcia zmiennoprądowego dwóch stopni z jednoczesną izolacją składowej stałej. Po pierwsze i najważniejsze, trzeba zadbać o prawidłową polaryzację tychże elementów, co często umyka uwadze zwłaszcza mniej doświadczonych konstruktorów – potencjał jednej okładki zawsze musi być wyraźnie wyższy od potencjału drugiej, w przeciwnym przypadku taki element nie pracuje w prawidłowych dla siebie warunkach.

Z tychże nieoptymalnych warunków wynikają następne problemy, bardziej ukryte, a mianowicie wzrost tangensa kąta strat (tgδ) i powiązany z tym wzrost rezystancji szeregowej kondensatora, która… szumi. Co gorsza, tgδ silnie zależy od częstotliwości i rośnie wraz ze wzrostem takowej (rysunek 4), jak i ze spadkiem temperatury. Po prostu klapa i dramat. Nie róbmy tego naszym układom (chyba że to popularne „klaskacze” czy tego typu proste zabawki), nie stosujmy kondensatorów elektrolitycznych w torze audio. Tam jest miejsce dla kondensatorów z dielektrykiem foliowym, który wyróżnia się bardzo niską upływnością, małymi stratami i wysoką stabilnością parametrów w funkcji czasu, temperatury i częstotliwości.

Rysunek 4. Tangens kąta strat w funkcji częstotliwości dla różnych temperatur [3]

Jest jeszcze jeden rodzaj kondensatorów, których bardzo nie lubię w niektórych zastosowaniach – wielowarstwowe kondensatory ceramiczne, znane pod akronimem MLCC. Te niewielkie elementy w obudowach do montażu powierzchniowego – jak na fotografii 2 – potrafią osiągać całkiem duże pojemności, rzędu 100 μF, w obudowie wielkości główki zapałki. To, co daje im możliwość uzyskiwania tak imponujących pojemności, jest jednocześnie ich przekleństwem, bowiem chodzi o efekt ferroelektryczny.

Fotografia 2. Kondensatory MLCC w obudowach SMD [4]

Budowa takiego kondensatora nie odbiega znacząco od tego, co poznaliśmy w szkole średniej – rysunek 5. Jednak klucz kryje się tutaj w dielektryku, który składa się z domen ferroelektrycznych. Pod wpływem zewnętrznej polaryzacji zaczynają się one ustawiać w jednym kierunku (przeciwnie do polaryzacji, zgodnie z prawem przyciągania elektrostatycznego), przez co ich pojemność maleje. Poza tym pojemność ta ma inną wartość, gdy zmienimy polaryzację napięcia przyłożonego do kondensatora, ponieważ nie wszystkie domeny się odwrócą – lecz nie jest to tak dotkliwy problem, jak zmiana pojemności pod wpływem napięcia. Może się okazać, że doskonale dobrany kondensator sprzęgający, o pojemności nominalnej np. 10 μF, tak naprawdę w rzeczywistym układzie ma tylko 2 μF… Kondensatory MLCC jako elementy odsprzęgające zasilanie są jak najbardziej w porządku, ale do samego sygnału analogowego lepiej ich nie dopuszczać. Dotyczy to zwłaszcza dielektryka X7R, który jest używany do budowy kondensatorów o największych pojemnościach. Po przeciwnej stronie barykady mamy dielektryk C0G, który z kolei wykazuje bardzo wysoką stabilność pojemności w funkcji napięcia, tyle że kondensatory zbudowane z jego użyciem osiągają niewielką pojemność, na ogół nie wyższą niż kilkanaście nanofaradów.

Rysunek 5. Przekrój kondensatora MLCC w obudowie SMD [5]

Następny problem, nieco rzadziej opisywany w literaturze, a dotkliwy w audio, to mikrofonowanie. Kondensator wielowarstwowy, użyty jako sprzęgający, bardzo dobrze zamienia drgania płytki na impulsy elektryczne, którymi „wzbogaca” przenoszony sygnał. I tutaj znowu zauważyłem pewną prawidłowość: kondensatory z dielektrykiem X7R albo Y5V, kosztujące pojedyncze grosze za sztukę, mikrofonują całkiem solidnie. Z kolei podzespoły bazujące na ceramice C0G lub NP0, pochodzące od renomowanych producentów, zachowują się całkiem elegancko. Można więc ich użyć na przykład do budowy filtrów, ponieważ mają też z reguły bardzo dobrą tolerancję, rzędu 1%. Z powodzeniem stosuję je w filtrach wejściowych przedwzmacniaczy RIAA, w pętli ujemnego sprzężenia zwrotnego wzmacniaczy operacyjnych oraz w przedwzmacniaczach mikrofonowych do zawężania pasma ich przenoszenia.

Kondensatory typu MLCC występują również w obudowach do montażu przewlekanego, wyglądających najczęściej tak jak na fotografii 3. Tutaj zauważyłem regułę podobną do tej, którą opisałem przy okazji kondensatorów SMD: tanie podzespoły zawierające dielektryk X7R potrafią „płatać figle”, z kolei te droższe, bazujące na C0G, spisują się bardzo dobrze. W handlu często nazywa się je „monolitycznymi”. Występują również w prostopadłościennych obudowach, najczęściej koloru żółtego – te elementy są bardzo dobre, pod warunkiem użycia dielektryka C0G – ich cena na ogół znacznie przewyższa średnią.

Fotografia 3. Kondensator MLCC w obudowie THT [6]

Na koniec warto również wspomnieć o jeszcze jednym rodzaju kondensatorów – ceramicznych, brązowych „piegach”, które zna niemal każdy z nas, zwłaszcza z tanich urządzeń RTV z lat dziewięćdziesiątych (fotografia 4). Ich cena jest atrakcyjna, bo wynosi z reguły kilka groszy za sztukę, lecz warto zwrócić uwagę na pojemność, która może się wahać w przedziale od –20% do +80% względem nominalnej. Opisywane elementy są też z reguły wykonywane z dielektryków X7R lub Y5V, cechujących się efektem ferroelektrycznym. Tylko te o niewielkich pojemnościach, rzędu pikofaradów, zawierają dielektryk C0G, choć i wtedy ich tolerancja pojemności wynosi ±20% lub, w najlepszym wypadku, ±10%. Ze swojej strony dodam, że nie lubię ich ze względu na bardzo cienkie wyprowadzenia, które łatwo się zginają w czasie montażu lub testów prototypu, a po kilku zgięciach pękają. Pod tym względem zdecydowanie lepsze są pokazane wcześniej kondensatory monolityczne.

Fotografia 4. Kondensator ceramiczny w obudowie THT [7]

Podsumowanie

W dzisiejszych czasach mamy bardzo ułatwiony dostęp do elementów – może nie najwyższej jakości, ale na pewno o przyzwoitych parametrach, jak rezystory metalizowane czy kondensatory foliowe (MKT) lub ceramiczne (z dielektrykiem C0G). Oszczędzanie kilkunastu czy kilkudziesięciu groszy może być sensowne w aplikacjach niskobudżetowych, lecz na pewno będzie to okupione takimi niedogodnościami, jak kiepska tolerancja częstotliwości odcięcia filtru albo uciążliwy efekt mikrofonowania.

Michał Kurzela, EP

Bibliografia:

Źródła:

  1. https://inelsc.pl/pl/p/Rezystor-2%2C2Kohm-0%2C25W-weglowy/6674
  2. https://circuitcellar.com/resources/quickbits/noise-in-passive-circuits/
  3. https://www.tdk-electronics.tdk.com/download/530704/e724fb43668a157bc547c65b0cff75f8/pdf-generaltechnicalinformation.pdf
  4. https://t.ly/GoPfJ
  5. https://t.ly/8Ga6F
  6. https://t.ly/7dvrM
  7. https://t.ly/nH_H9
Elektronika Praktyczna Plus lipiec - grudzień 2012

Elektronika Praktyczna Plus

Monograficzne wydania specjalne

Elektronik listopad 2025

Elektronik

Magazyn elektroniki profesjonalnej

Raspberry Pi 2015

Raspberry Pi

Wykorzystaj wszystkie możliwości wyjątkowego minikomputera

Świat Radio listopad - grudzień 2025

Świat Radio

Magazyn krótkofalowców i amatorów CB

Automatyka, Podzespoły, Aplikacje listopad - grudzień 2025

Automatyka, Podzespoły, Aplikacje

Technika i rynek systemów automatyki

Elektronika Praktyczna listopad 2025

Elektronika Praktyczna

Międzynarodowy magazyn elektroników konstruktorów

Elektronika dla Wszystkich grudzień 2025

Elektronika dla Wszystkich

Interesująca elektronika dla pasjonatów