Energia - "Arduino" dla Launchpada. Czytnik kart zbliżeniowych Mifare. cz. 4

Energia - "Arduino" dla Launchpada. Czytnik kart zbliżeniowych Mifare. cz. 4
Pobierz PDF Download icon

Ostatnio ogromnie wzrosła popularność kart zbliżeniowych. "Zwykłe" karty z chipem lub z paskiem magnetycznym już nie wzbudzają większego zainteresowania. Przedstawiona nakładka wraz z współpracującym Launchpadem, umożliwia zapoznanie się z techniki zbliżeniowej oraz wykonanie prototypów urządzeń, które będą z niej korzystały. Rekomendacje: czytnik może się przydać np. do wykonania sterownika zamka elektronicznego, modułu kontroli dostępu itp.

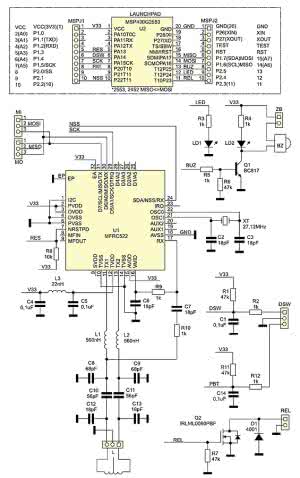
Rysunek 1. Schemat ideowy modułu czytnika kart zbliżeniowych

Schemat ideowy nakładki pokazano na rysunku 1. Jej głównym elementem jest specjalizowany układ scalony MFRC522 firmy NXP współpracujący z kartami zgodnymi ze standardem ISO/IEC 14443A/Mifare, wykorzystującym częstotliwość nośną 13,56 MHz.

Schemat blokowy układu przedstawia rysunek 2. Zawiera on bloki odpowiedzialne za komunikację bezprzewodową z kartą zbliżeniową, bufor danych oraz konfigurowany interfejs szeregowy ułatwiający połączenie z kontrolerem nadrzędnym.

Układ MFRC522 (U1) komunikuje się z mikrokontrolerem MSP430 za pomocą interfejsu SPI. Zwory MI/MO umożliwiają przełączanie sygnałów MOSI/MISO, co umożliwia dopasowanie nakładki do typu zastosowanego mikrokontrolera MSP. Układ U1 jest taktowany za pomocą oscylatora kwarcowego XT.

Aby uniknąć problemów z wykonaniem anteny, zaprojektowano ją na płytce drukowanej. Jest to gwarancją powtarzalności parametrów anteny, zwalnia użytkownika z konieczności jej dostrajania i ułatwia zastosowanie modułu. Kondensatory C10... C13 dopasowują impedancję anteny, natomiast kondensatory C8 i C9 oraz indukcyjności L1, i L2 stanowią filtr EMC.

Za pomocą rezystora R10 i kondensatora C7 sygnał o wielkiej częstotliwości jest doprowadzany do układu radiowego U1. Napięcie zasilające układ radiowy jest dodatkowo filtrowane (i odseparowane) za pomocą indukcyjności L3 i kondensatorów C4, i C5.

Oprócz sygnałów interfejsu SPI, do układu U1 jest doprowadzony sygnał zerowania RESET.

Dla ułatwienia eksperymentów moduł został dodatkowo wyposażony w dwa wejścia (złącze DSW) ze wstępnym filtrem sygnałów, dwie diody sygnalizacyjne LD1 i LD2 oraz sprzężony z LD2 buczek piezo (z możliwością wyłączenia na czas eksperymentów zworą ZB), oraz wyjście sterujące OD (złącze REL) o podwyższonej obciążalności, np. do sterowania poprzez przekaźnik ryglem elektrozaczepu.

Rysunek 2. Uproszczony schemat blokowy MFRC522 (za notą NXP)

Taka konfiguracja umożliwia eksperymenty zarówno z samymi kartami zbliżeniowymi, jak i z prostymi zastosowaniami typu samodzielny zamek otwierany za pomocą karty zbliżeniowej lub prosty kontroler dostępu np. służący do włączania komputera PC itp. Wejścia złącza DSW przy współpracy z kontaktronami lub przyciskami mogą być użyte do awaryjnego otwierania rygla, detekcji nieautoryzowanego otwarcia itp.

Zasilanie modułu jest pobierane z Launchpada. Przy korzystaniu z wyjścia OD jest konieczne doprowadzenie zasilania cewki przekaźnika sterującej ryglem.

Montaż

Moduł czytnika kart zbliżeniowych zmontowano na dwustronnej płytce drukowanej. Schemat montażowy płytki pokazano na rysunku 3. Pole anteny wystaje poza obrys Launchpada, aby dodatkowo nie osłabiać zasięgu, który w modelu wynosi ok. 3 cm dla kart i ok. 1 cm dla breloczków Mifare. Sposób montażu jest typowy i nie wymaga omówienia. Należy tylko zwrócić uwagę na prawidłowe przylutowanie pada termicznego układu U1.

Listing 1. Szkic służący do odczytu numeru karty Mifare

Listing 2. Prosty zamek RFID

Wykaz elementów

Rezystory: (SMD 0805)
R1, R6, R7, R11: 47 kΩ
R2...R5, R9, R10, R12: 1 kΩ
R8: 10 kΩ

Kondensatory: (SMD 0805)
C1, C4, C5, C14: 0,1 µF
C2, C3, C6, C7, C12, C13: 18 pF (NP0)
C8, C9: 68 pF (NP0)
C10, C11: 56 pF (NP0)

Półprzewodniki:
D1: LL4001 (dioda uniwersalna SMD)
LD1: dioda LED, SMD 0805, czerwona
LD2: dioda LED, SMD 0805, zielona
Q1: BC817 (SOT-23)
Q2: IRLML0060PBF (SOT-23)
U1: MFRC522 (HVQFN32)

Inne:
BZ: buzzer z generatorem, 3 V, R=7,5 mm
DSW: złącze ARK R=5 mm
L1, L2: 560 nH (SMD 0805)
L3: 22 nH (SMD 0805)
MI, MO: 0 Ω (SMD 0805, zwora)
MSPJ1, MSPJ2: złącze SIP żeńskie R=2,54 mm
REL: złącze ARK R=5 mm
XT: 27,12 MHz (rezonator kwarcowy HC49U, niski)
ZB: zwora SIP2

Przykłady zastosowań

Rysunek 3. Schemat montażowy modułu czytnika kart zbliżeniowych

W szybkim przetestowaniu układu jest pomocna dostępna w sieci (np. na forum 43oh. com http://goo.gl/I5WSJI) biblioteka MFRC522 adaptowana z platformy Arduino dla potrzeb środowiska Energia. W pierwszej kolejności należy odczytać numer karty za pomocą pokazanego na listingu 1 szkicu RFID.ino. Jest on przesyłany do terminala w postaci pięciu wartości heksadecymalnych. Numer należy zapisać na potrzeby aplikacji przykładowego zamka. W modelu to karta numer (3D,D7,93,19,60).

Po jej zarejestrowaniu można wykorzystać przygotowany prosty szkic zamka otwieranego kartą zbliżeniową (listing 2), zmieniając tylko numer karty otwierającej rygiel. Jest to oczywiście najprostsza możliwa realizacja, przydatna na potrzeby sprawdzenia modułu. Stan pracy układu sygnalizowany jest dwoma diodami LED. Każdy odczyt karty Mifare jest sygnalizowany mignięciem LD1 (czerwona), karta z numerem zgodnym z zaprogramowanym, załącza na 3 sekundy tranzystor Q2 sterujący rygiel oraz potwierdza diodą LD2 (zieloną) i buzerem otwarcie rygla.

Przykład RFLock wykorzystuje procesor MSP430G2412 (2452 bez ADC), zalutowane muszą być zwory M0/1 bliżej złącza MSPJ2. W przypadku innych typów należy sprawdzić wyprowadzenia SPI, odpowiednio zmodyfikować położenie zwór oraz na nowo skompilować program przed załadowaniem.

Adam Tatuś, EP

Artykuł ukazał się w
Elektronika Praktyczna
sierpień 2014
DO POBRANIA
Pobierz PDF Download icon
Materiały dodatkowe
Elektronika Praktyczna Plus lipiec - grudzień 2012

Elektronika Praktyczna Plus

Monograficzne wydania specjalne

Elektronik listopad 2025

Elektronik

Magazyn elektroniki profesjonalnej

Raspberry Pi 2015

Raspberry Pi

Wykorzystaj wszystkie możliwości wyjątkowego minikomputera

Świat Radio listopad - grudzień 2025

Świat Radio

Magazyn krótkofalowców i amatorów CB

Automatyka, Podzespoły, Aplikacje listopad - grudzień 2025

Automatyka, Podzespoły, Aplikacje

Technika i rynek systemów automatyki

Elektronika Praktyczna listopad 2025

Elektronika Praktyczna

Międzynarodowy magazyn elektroników konstruktorów

Elektronika dla Wszystkich grudzień 2025

Elektronika dla Wszystkich

Interesująca elektronika dla pasjonatów