Tani wzmacniacz lampowy o mocy 25 W

Tani wzmacniacz lampowy o mocy 25 W
Pobierz PDF Download icon
W przeciwieństwie do opisywanych wcześniej wzmacniaczy opartych na drogich triodach mocy, w projekcie zastosowano tanie, łatwo dostępne lampy "śmieciowe". Wzmacniacz ma dużą moc wyjściową, co umożliwia współpracę ze współczesnymi zestawami głośnikowymi o średniej skuteczności. Projekt jest kontynuacją wątku o wzmacniaczu z tanimi lampami zapoczątkowanego na forum trioda.pl.

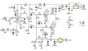
Rysunek 1. Schemat ideowy wzmacniacza EL36PP

Przedstawiona konstrukcja wykorzystuje przeciwsobny stopień wyjściowy z lampami EL36 (częściej stosowane w końcówkach mocy odchylania w starych odbiornikach telewizyjnych, niż w stopniach audio) oraz klasyczny, jednostopniowy wzmacniacz napięciowy i odwracacz z dzielonym obciążeniem z lampą ECF82 (odpowiednik amerykańskiej 6GH8).

Konstrukcja jest wzorowana na klasycznych amplitunerach Sansui 1000 i SM-80, opartych o żarzone szeregowo PL36 (odpowiednik EL36) oraz rzadko stosowaną w Europie lampę 6AN8 (lampa podwójna trioda/pentoda), stosowaną także we wzmacniaczach Dynaco MK-IV, MK-VI oraz w popularnym i cenionym ST-70.

Taka obsada lamp umożliwia wykonanie nieskomplikowanego elektrycznie wzmacniacza o mocy 25...30 W/8 Ω, pracującego w konfiguracji push-pull, z przeciwsobnymi elementami wzmacniającymi. Konstrukcyjnie wzmacniacz zaprojektowano w formie monobloku. Wszystkie elementy wzmacniacza i zasilacza - oprócz transformatorów głośnikowego i zasilającego - mieszczą się na jednej płytce drukowanej. Schemat ideowy wzmacniacza pokazano na rysunku 1.

Zasada działania

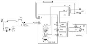
Rysunek 2. Schemat połączeń wzmacniacza EL36PP

Sygnał wejściowy z gniazda J1 jest doprowadzony do części pentodowej V1-ECF82 (na schemacie jest zaznaczona jako tetroda, ponieważ katoda jest połączona z siatką trzecią wewnątrz lampy) wzmacniacza wstępnego. Rezystor R1 zamyka obwód polaryzacji, natomiast R2 przeciwdziała wzbudzaniu się. Stopień pracuje z polaryzacją automatyczną uzyskiwaną za pomocą rezystora R4.

Do katody lampy jest doprowadzony sygnał globalnego sprzężenia zwrotnego poprzez rezystory R5 i R29 oraz kondensator C1. Regulowany dzielnik napięcia Ug2 złożony z rezystorów R6, R7 i potencjometru RV1 umożliwia takie dobranie punktu pracy V1, aby zniekształcenia wzmacnianego sygnału były najmniejsze. Kondensator CE2 filtruje zasilanie siatki drugiej, natomiast C6 zapewnia stabilną pracę stopnia.

Wzmocniony sygnał poprzez rezystor R8 jest doprowadzony bezpośrednio do typowego odwracacza fazy z dzielonym obciążeniem wykonanego na triodzie lampy V1. Dalej już, typowo, poprzez kondensatory sprzęgające jest doprowadzony do siatek sterujących lamp mocy V2 i V3. Stopień wyjściowy pracuje z polaryzacją stałą, napięcie ujemne siatek pierwszych pochodzi z prostownika BR2 z filtrem zbudowanym na kondensatorach CE6 i CE7 oraz rezystorze R21. Potencjometry RV2 i RV3 umożliwiają ustawienie punktu pracy końcówki. Kondensatory C5 i C6 dodatkowo odsprzęgają napięcie Ug1 lamp mocy.

Napięcie anodowe jest otrzymywane z prostownika BR1 z filtrem na kondensatorze CE5. Do zasilania stopnia wstępnego i odwracacza napięcie jest dodatkowo filtrowane poprzez kondensatory CE3 i C1 oraz rezystory R6 i R9. Dioda D1 zmniejsza wpływ zmian napięcia anodowego na stopień wstępny. Napięcie siatek drugich również jest filtrowane za pomocą rezystor R26, pojemności CE4 i diody D2 oraz obniżane do wymaganej wartości poprzez diody Zenera DZ1 i DZ2 o mocy 5 W.

Rezystory R22 i R23 przeciwdziałają wzbudzaniu się obwodu. Rezystory R27 i R28 umożliwiają pomiar prądu końcówki oraz jego dokładną regulację. Rezystory R25 i R26 ustalają potencjał żarzenia na wartość bezpieczną dla grzejnika V1. Zmienne napięcia anodowe, żarzenia i siatki pierwszej są otrzymywane z transformatora toroidalnego o mocy 100 VA. Model pracuje z transformatorem głośnikowym o Raa=3...4 kΩ, Pwy>30 W, Ia>100 mA (np. LO-PP-80/1 lub podobny) i wymaganej rezystancji obciążenia.

Wykaz elementów

Rezystory:
R1, R12, R15: 330 kΩ (SMD 1206, 1%)
R2, R8, R13, R14: 2,2 kΩ (SMD 1206, 1%)
R3: 220 kΩ/1 W
R4: 1,2 kΩ (SMD 1206, 1%)
R5, R29: 22 kΩ (SMD 1206, 1%)
R6, R25: 390 kΩ/1 W
R7: 150 kΩ (SMD 1206, 1%)
R9: 15 kΩ/1 W
R10, R11: 39 kΩ/2 W
R16, R22, R23: 1,2 kΩ/1 W
R17, R18: 1 MΩ (SMD 1206, 1%)
R19, R20: 47 kΩ (SMD 1206, 1%)
R21: 10 kΩ
R24: 2,2 kΩ/3 W
R26: 82 kΩ/1 W
R27, R28: 1 Ω/1 W
RΩ1: 220 kΩ (potencjometr montażowy R=5 mm)
RΩ2, RΩ3: 47 kΩ (potencjometr montażowy R=5 mm)

Kondensatory:
C1: 18 pF (SMD 1206)
C2, C3: 100 nF/400 V (foliowy)
C4, C5: 100 nF/50 V (SMD 1206)
C6: 100 pF/400 V (ceramiczny)
CE1: 10 µF/400 V (elektrolit. r=5 mm)
CE2: 1 mF/400 V (elektrolit. r=5 mm)
CE3, CE4: 33...100 µF/400 V (elektrolit. SNAP D=20 mm, r=10 mm)
CE5: 220...330 µF/400 V (elektrolit. SNAP D=30 mm, r=10 mm)
CE6, CE7: 100 µF/63 V (elektrolit. r=5 mm)

Półprzewodniki:
BR1, BR2: DF06S (mostek prostowniczy SMD)
D1, D2: LL4007 (dioda SMD)
DZ1, DZ2: C56/5 W (dioda Zenera 5 W)

Inne:
J1, J2, J4: złącze ARK2/5 mm
J3: złącze ARK3/7,5 mm
J5: złącze ARK2/7,5mm
V1: ECF82 (lampa ECF82 + podstawka noval do druku)
V2, V3: EL36 (lampa EL36 + podstawki octal do druku + kapturki)

Montaż

Rysunek 3. Schemat montażowy płytki wzmacniacza EL36PP

Wzmacniacz jest zmontowany na jednostronnej płytce drukowanej, rozmieszczenie elementów pokazano na rysunku 2. Wykonując samodzielnie płytkę drukowaną warto zastosować nieco grubszy laminat ze względu na obciążenia termiczne i mechaniczne płytki.

Płytka ma sporo otworów wentylacyjnych, aby ułatwić cyrkulację ciepła wokół lamp. W żadnym przypadku nie należy ich likwidować, a konstrukcja powinna zapewnić sprawną cyrkulacje powietrza w obudowie. Montaż płytki nie wymaga opisu. Schemat montażowy wzmacniacza przedstawia rys. 2, a schemat montażowy monobloku pokazano na rysunku 3.

Przewody toru sygnałowego powinny być ekranowane, doprowadzenia napięcie sieciowego 230 VAC, anod lamp i napięcia anodowego muszą mieć odpowiednią izolację, min. 600 V (można zastosować kawałki przewodów silikonowych z miernika). Przewody sieciowe muszą być w izolacji podwójnej, a połączenia żarzenia mieć przekrój minimalnie 1,5 mm².

Uruchomienie

Rysunek 4. Przebiegi testowe we wzmacniaczu

Po kontroli wizualnej montażu i upewnieniu się o braku zwarć i prawidłowym rozmieszczeniu i połączeniu elementów, można przejść do uruchomienia wzmacniacza. Jeszcze raz dokładnie sprawdzamy poprawność montażu, ponieważ w układach lampowych istnieje duże prawdopodobieństwo, że przy zwarciu lub innym błędzie montażowym, ze względu na wysokie napięcia i prądy, straty będą spore. Uwaga: we wzmacniaczu występują wysokie niebezpieczne dla życia napięcia oraz temperatura, uruchamianie należy przeprowadzić z zachowaniem szczególnej ostrożności!

Poprawnie zmontowany wzmacniacz wymaga regulacji. Przed pierwszym włączeniem, potencjometr głośności ustawiamy w położeniu środkowym i nie wkładamy lamp w podstawki. Jeżeli dysponujemy autotransformatorem, to warto wykorzystać go podczas uruchamiania, stopniowo zwiększając napięcie zasilania do wartości znamionowej. We wzmacniaczu powinny pojawić się napięcia żarzenia ok. 6,3 VAC mierzone bezpośrednio pomiędzy pinami 2 i 7 podstawek lamp mocy oraz 320...350 VDC napięcia anodowego na wyprowadzeniach transformatorów głośnikowych względem masy.

Napięcia siatek powinny być niższe o 110...120 V od napięcia anodowego. Ujemne napięcia polaryzacji powinny dać regulować się w zakresie -35...25 V - ustawiamy je potencjometrami RV2 i RV3 na największe możliwe napięcie ujemne, natomiast suwak RV1 ustawiamy w położeniu środkowym. Jeżeli nic nie budzi naszych wątpliwości, możemy wzmacniacz wyłączyć i odczekać do zaniku napięć zasilających.

Przed montażem lamp w podstawkach warto sprawdzić ich sprawność i dobrać je w pary (V2/V3). Różnice emisji i nachyleń nie powinny przekraczać 10%. Podłączamy oscyloskop i sztuczne obciążenie 8 Ω/50 W do wyjść wzmacniacza, ustawiamy potencjometr głośności na minimum. Ponownie załączamy wzmacniacz już z zainstalowanymi lampami i sprawdzamy obecność napięcia żarzenia (6,3 V AC±10%), anodowego 320...360 VDC.

Po 30-minutowym rozgrzaniu wzmacniacza ponownie sprawdzamy napięcia. Jeżeli wszystko jest w porządku, możemy przejść do regulacji prądów spoczynkowych. Na rezystorach katodowych ustawiamy spadek 50 mV (Ia=50 mA, można eksperymentować w przedziale 30...60 mA) dla każdej lampy z osobna, operację można powtórzyć kilkukrotnie.

Jeżeli podczas regulacji wzmacniacz wzbudzi się, należy po wyłączeniu wzmacniacza i rozładowaniu kondensatorów zamienić końcówki A1/A2 transformatora głośnikowego. Jeżeli nie dzieje się nic niepokojącego, a wartości prądów nie zmieniają się samoczynnie, do wzmacniacza podłączamy generator sinusoidalny i regulujemy napięcie wejściowe do uzyskania mocy 1 W. Potencjometrem RV1 ustawiamy punkt pracy V1 na najmniejsze zniekształcenia przebiegu.

Oczywiście, jeżeli mamy miernik zniekształceń lub oscyloskop z FFT, to ustawienie może być znacznie dokładniejsze. Nie stanowi najmniejszego problemu, aby przy dobrej jakości transformatorze, poprawnie wyregulowanym wzmacniaczu uzyskać zniekształcenia THD+N<2,5% przy 25 W/8 Ω i pasmo przenoszenia 20 Hz...20 kHz.

W zależności od posiadanego transformatora wyjściowego można dobrać elementy sprzężenia zwrotnego (rezystory R4, R5 i R19, kondensator C1) dla uzyskania najlepszego kompromisu pomiędzy zniekształceniami i pasmem przenoszenia. Należy tylko pamiętać, aby zapewnić stabilność wzmacniacza. Konieczne jest to także, gdy transformator zaprojektowany jest na impedancję obciążenia różną od 8 Ω.

Przykładowe oscylogramy zmierzone w egzemplarzu modelowym pokazano na rysunku 4. Teraz pozostaje płytkę wzmacniacza zamontować w obudowie, dołączyć ja do zestawu audio i cieszyć się muzyką.

Adam Tatuś, EP

Artykuł ukazał się w
Elektronika Praktyczna
kwiecień 2014
DO POBRANIA
Pobierz PDF Download icon
Materiały dodatkowe
Elektronika Praktyczna Plus lipiec - grudzień 2012

Elektronika Praktyczna Plus

Monograficzne wydania specjalne

Elektronik listopad 2025

Elektronik

Magazyn elektroniki profesjonalnej

Raspberry Pi 2015

Raspberry Pi

Wykorzystaj wszystkie możliwości wyjątkowego minikomputera

Świat Radio listopad - grudzień 2025

Świat Radio

Magazyn krótkofalowców i amatorów CB

Automatyka, Podzespoły, Aplikacje listopad - grudzień 2025

Automatyka, Podzespoły, Aplikacje

Technika i rynek systemów automatyki

Elektronika Praktyczna listopad 2025

Elektronika Praktyczna

Międzynarodowy magazyn elektroników konstruktorów

Elektronika dla Wszystkich grudzień 2025

Elektronika dla Wszystkich

Interesująca elektronika dla pasjonatów