Stereo Phaser 180. Generator efektu dźwiękowego dla muzyków

Stereo Phaser 180. Generator efektu dźwiękowego dla muzyków
Pobierz PDF Download icon
Efekt dzięki konfiguracji stereofonicznej ma znacznie większe możliwości od tradycyjnych efektów monofonicznych lub pseudostereofonicznych. Zasada działania polega na sumowaniu sygnału podstawowego z sygnałem przesuwanym w fazie. Przesuwnik fazy jest sterowany sygnałem z generatora trójkątnego lub piłokształtnego, co daje wrażenie "wędrującego" dźwięku.

Prezentowane urządzenie opracowałem na podstawie wcześniejszego mojego projektu - Phaser 90, którego opis ukazał się w Elektronice Praktycznej nr 5/2012. Zasada działania efektu Phaser 180 jest prawie taka sama, jak efektu Phaser 90, jednak z kilkoma różnicami, które dokładniej opiszę w dalszej części artykułu.

Zasada działania

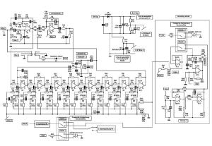
Rysunek 1. Schemat ideowy efektu Stereo Phaser 180

Schemat ideowy efektu pokazano na rysunku 1. Stopień wejściowy tworzy układ TL072 wraz z rezystorami R1...R6 i kondensatorami C1...C5. Czułość stopnia wejściowego wynosi 100 mV. Jest to wartość optymalna dla większości instrumentów strunowych, ale nie sprawia też problemów przy dołączeniu instrumentu klawiszowego lub "dub syreny".

Wzmocnienie tego stopnia jest niewielkie i wynosi ono ok. 2,2 dB dla tonów wysokich i ok. 1,5 dB dla tonów niskich. Takie niewielkie podbicie częstotliwości skrajnych poprawia brzmienie phasera, który działa bardziej w paśmie tonów średnich. Konieczność ograniczenia amplitudy sygnału w stopniu wejściowym jest konieczna, aby nie doszło do przesterowania przesuwnika fazy, który z kolei ma niesymetryczne napięcie odniesienia "Bias B".

Stopień wejściowy i wyjściowy mają własne napięcie odniesienia "Bias A" ok. 4,2 V równe połowie napięcia zasilania po uwzględnieniu spadku napięcia na D3 o około 0,6 V. Blok przesuwnika fazy ma własne napięcie odniesienia "Bias B" o wartości od 5,3 V do 5,6 V. To napięcie mieści się w zakresie tolerancji diody Zenera D2. Jest ono niezbędne do prawidłowego funkcjonowania tranzystorów polowych BF245B, które są włączone pomiędzy wejście nieodwracające, a napięcie odniesienia "Bias B". Napięcia "Bias A" i "Bias B" mierzone są względem masy układu zasilania.

Stopień wyjściowy zbudowano na układzie TL072, rezystorach R8...R11, kondensatorach C6...C9 i potencjometrze VR1 (200 kΩ/A). Elementy te tworzą układ sumującego wzmacniacza napięciowego. Potencjometrem można regulować wzmocnienie w zakresie 2,2...22,2 dB, co pozwala na dość dużą regulację sygnału wyjściowego i łatwiejsze dopasowanie poziomu głośności.

Generator trójkątny zbudowano na układzie TL074, a dokładniej na jednym wzmacniaczu z jego obudowy i rezystorach R59...R63, kondensatorach C38 i C39 oraz potencjometrze VR5 (1 MΩ/A), który służy do regulowania szybkości rotacji "Rotacja B". Generator piłokształtny jest zbudowany na dwóch wzmacniaczach układu TL074, rezystorach R64...R70, kondensatorach C40 i C41 oraz potencjometrze VR6 (500 kΩ/A), którym reguluje się szybkość rotacji "Rotacja A".

W przebiegu trójkątnym oba zbocza są symetryczne tzn. czasy narastania i opadania są takie same. W przebiegu piłokształtnym czas narastania jest dłuższy od czasu opadania. Dwa odmienne przebiegi pozwalają uzyskać całkiem inny charakter modulacji, a co za tym idzie i samo brzmienie efektu phaser. Generatory przełączane są za pomocą przełącznika dźwigienkowego, dwuobwodowego, z sygnalizacją za pomocą dwukolorowej diody LED, co ułatwia zorientowanie się odnośnie do wyboru "Select Rate".

Przesuwnik fazy o 180° jest zbudowany z ośmiu wzmacniaczy operacyjnych z tranzystorami polowymi BF245B, rezystorami od R17...R56, kondensatorami C20...C36. Każdy stopień przesuwa sygnał o 22,5°, co w sumie daje przesunięcia fazy o 180° (8×22,5°=180°). Blok ten wyposażono w sprzężenie zwrotne, w pętli którego jest potencjometr VR2 (10 kV/Log), rezystor R16 i kondensatory C15...C19.

Kondensatory mają za zadanie odseparowanie wejścia przesuwnika fazy od suwaka potencjometru, tak aby przy ustawieniu na minimum suwak nie zwierał wejście do masy. Elementy te pełnią też rolę filtru "kompensacji fizjologicznej regulacji głośności", którą dokładniej opisałem w EP nr 8/2013 przy okazji opisów czterech efektów gitarowych: Crunch Drive, Overdrive, Distortion i Fuzz. Potencjometr nastawny VR3 z rezystorami R71 i R72 oraz kondensatorem C37 pełnią rolę regulatora napięcia sterującego tranzystory polowe BF245B.

Efekt ma niezależną regulację w obu kanałach, z możliwością sterowania kanału prawego generatorem kanału lewego. Do tego celu służy przełącznik dźwigienkowy, dwuobwodowy, z dodatkową dwukolorową diodą LED nazwaną "Mode Rate". Kolor zielony diody oznacza sterowanie stereofoniczne, czyli kanały lewy i prawy modulowane są niezależnie. Po przełączeniu w pozycję, w której dioda świeci na czerwono, kanał prawy jest sterowany ze wspólnej rotacji A lub B z kanału lewego. Dotyczy to również regulacji głębokości "Deep" (VR4 200 kΩ/A).

W porównaniu do poprzednio opisywanego efektu, obwód przesuwnika fazy rozbudowano umożliwiając mu przesuwanie fazy sygnału z 90° do 180°, co znacząco wpłynęło na siłę efektu i umożliwiło rozbudowę układu o sprzężenie zwrotne "Feedback", za pomocą którego można uzyskać efekt dźwiękowy tzw. "Rise&Fall" (narastanie i opadanie).

Zasada działania efektu "Feedback" jest następująca. Na wejście przesuwnika fazy jest podawany sygnał audio, który przechodząc przez cały blok jest przesuwany w fazie o 180° a następnie o 360° wracając do stanu oryginalnego. Proces przebiega w takt sygnału z generatora trójkątnego lub piłokształtnego. Dźwięk jest przyspieszany i zwalniany. "Feedback" to nic innego, jak sprzężenie wejścia z wyjściem bloku przesuwnika fazy.

Oznacza to, że sygnał, który wychodzi z ostatniego stopnia jest kierowany na wejście pierwszego stopnia przesuwnika. Zmiany na wejściu występują niemal tak samo szybko, jak na wyjściu, w przeciwieństwie do innych efektów np. "Flanger" i "Delay" wyposażonych w analogowe lub cyfrowe układy opóźniające. Sprzężenie, które zastosowano w przesuwniku wprowadza nieznacznie opóźnienie, które nie przekracza kilku nanosekund i dlatego mamy wrażenie narastania i opadania dźwięku.

Dzięki dwóm niezależnym kanałom mamy znacznie więcej możliwości w kreowaniu brzmienia naszego instrumentu, niż w przypadku efektów pseudostereofonicznych, w większości których stereofonia polega tylko na odwróceniu o 180° fazy głównego sygnału wyjściowego.

Wykaz elementów

Uwaga: komplet elementów dla jednego kanału - drugi kanał identyczny.

Rezystory:
R1: 2,2 MΩ
R2, R59...R61, R63: 220 kΩ
R3, R9: 22 kΩ
R4, R69: 4,7 kΩ
R5: 6,8 kΩ
R6...R8, R11, R15...R18, R21, R23...R25, R28...R31, R33...R36, R38...R41, R43...R45, R48...R51, R53, R54...R56, R62, R67, R68, R73: 10 kΩ
R10, R12, R57, R58, R76: 1 kΩ
R13, R14, R64: 47 kΩ
R66, R71: 1 MΩ
R70: 33 kΩ
R65: 100 kΩ
R19, R22, R27, R32, R37, R42, R47, R53 R72: 470 kΩ
ΩR1, ΩR3, ΩR4: 200 kΩ/A
ΩR5: 1 MΩ/C
ΩR6: 500 kΩ/A
ΩR2=10 kΩ/C

Kondensatory (ceram.):
C1, C19: 220 nF
C2: 100 pF
C4: 1 µF
C3, C10, C21, C23, C25, C27, C29, C31, C33, C35, C37, C39: 10 nF
C5, C20: 220 pF
C12, C15, C22, C24, C26, C28, C30, C32, C34, C36, C40: 100 nF
C7: 330 pF
C9: 470 nF
C8, C17: 470 pF
C18: 150 pF
C16: 2,2 nF
C13, C14, C38, C41: 10 µF/16 V
C11: 470 µF/16 V

Półprzewodniki:
D2: dioda Zenera 5,6 V/1,3 W
D3:1N4007
Dioda LED 5 mm, zielona (dyfuzyjna) - 1szt.
Dioda LED 5 mm, dwukolorowa - 3szt.
Q1...Q8: BF245B lub 2N5952
TL074 - 6 szt.
TL072 - 2 szt.

Inne:
Przełącznik dźwigienkowy, dwuobwodowy - 2 szt.
Przełącznik nożny, 2 pozycje/3 obwody - 1 szt.
Gniazdo duży Jack - 4 szt.
Gniazdo zasilania - 1 szt.

Montaż i uruchomienie

Rysunek 2. Schemat montażowy efektu Stereo Phaser 180

Schemat montażowy efektu pokazano na rysunku 2. Efekt montujemy ze sprawdzonych elementów. Montaż zaczynamy od najmniejszych, a kończymy na największych podzespołach. Podczas lutowania potencjometrów i przełączników diod LED należy użyć długich przewodów, co ułatwi nam montaż podzespołów na płycie czołowej obudowy. Punkt "Z" na płytce łączymy przewodem z punktem "180". Można zamiast tego jednego przewodu dołączyć 8-pozycyjny przełącznik obrotowy, co da nam możliwość przełączania fazy co 22,5°.

Punkty "5,6V" obu kanałów łączymy przewodami z punktami "BIAS B". W przypadku problemów z dostępnością tranzystorów BF245B można zastosować 2N5952 lub dowolnego tranzystora FET o podobnych parametrach. Gniazda wejściowe połączono ze sobą w taki sposób, by umożliwić współpracę efektu z instrumentami monofonicznymi i stereofonicznymi.

Po sprawdzeniu napięcia odniesienia "Bias B" (ok. 5,3....5,6 V) przystępujemy do regulacji napięcia polaryzującego tranzystory BF245B. W tym celu należy potencjometr "Gain" VR1 ustawić na połowę zakresu, "Deep" VR4 na maksimum, "Feedback" VR2 na minimum, "Rate B" VR5 na połowę, a "Rate A" VR6 na 1/3 zakresu. Teraz doprowadzamy sygnał z instrumentu strunowego, klawiszowego itp. do dowolnego gniazda wejściowego kanału lewego lub prawego, a wyjścia efektu dołączamy do wzmacniacza audio. Powolnym ruchem regulujemy potencjometr VR3 aż do momentu, gdy w głośniku usłyszymy najgłębszy, słyszalny, modulowany sygnał. Tak samo postępujemy z kanałem prawym.

Po kalibracji montujemy efekt w obszernej obudowie. Może ona być wykonana z tworzywa sztucznego, ponieważ układ jest odporny na zaburzenia. Kondensator C10 (10 nF, ceramiczny) lutujemy bezpośrednio do gniazda zasilającego.

Układ należy zasilać napięciem stabilizowanym 9 VDC. Efekt ma zabezpieczenie przed odwrotnym doprowadzeniem zasilania w postaci diody krzemowej 1N4007, która jest włączona szeregowo z dodatnim biegunem zasilania. Zamiast diody 1N4007 można użyć dowolnej krzemowej diody prostowniczej (a jeszcze lepiej Schottky) o prądzie znamionowym 0,5...1 A.

Piotr Łuciuk
piotras84@o2.pl

Artykuł ukazał się w
Elektronika Praktyczna
kwiecień 2014
DO POBRANIA
Pobierz PDF Download icon
Materiały dodatkowe
Elektronika Praktyczna Plus lipiec - grudzień 2012

Elektronika Praktyczna Plus

Monograficzne wydania specjalne

Elektronik listopad 2025

Elektronik

Magazyn elektroniki profesjonalnej

Raspberry Pi 2015

Raspberry Pi

Wykorzystaj wszystkie możliwości wyjątkowego minikomputera

Świat Radio listopad - grudzień 2025

Świat Radio

Magazyn krótkofalowców i amatorów CB

Automatyka, Podzespoły, Aplikacje listopad - grudzień 2025

Automatyka, Podzespoły, Aplikacje

Technika i rynek systemów automatyki

Elektronika Praktyczna listopad 2025

Elektronika Praktyczna

Międzynarodowy magazyn elektroników konstruktorów

Elektronika dla Wszystkich grudzień 2025

Elektronika dla Wszystkich

Interesująca elektronika dla pasjonatów