Przełącznik kolumn głośnikowych

Przełącznik kolumn głośnikowych
Pobierz PDF Download icon
Jeśli dysponujemy jedną, bądź dwiema wieżami muzycznymi a chcielibyśmy mieć możliwość słuchania muzyki w kilku pokojach, to można tego dokonać poprzez przełączenie kolumn głośnikowych. Opisywane urządzenie umożliwia przełączenie kolumn głośnikowych stereo z dwóch wieży do pięciu pokoi. Jest to nowa wersja urządzenia, które działało w moim domu od ponad 10 lat. Rekomendacje: przełącznik może przydać się w domu, szkole, biurze, przy nagłaśnianiu wielu pomieszczeń itp.

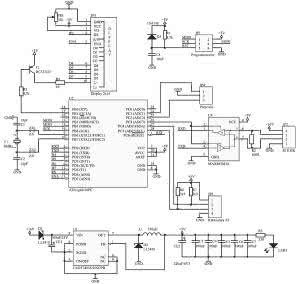
Rysunek 1. Schemat modułu sterującego

Tu już drugie urządzenie tego typu wykonane przeze mnie. Poprzednie miało kilka wad i dlatego zdecydowałem się zaprojektować urządzenie od nowa. Największą wadą poprzedniego projektu było użycie tanich przekaźników, które ciągle się psuły (nie zapewniały poprawnego styku) i powodowały trzaski w kolumnach.

Przełącznik kolumn głośnikowych składa się z dwóch modułów: sterującego i wykonawczego. Moduł sterujący jest niewielkim urządzeniem, którego obudowa jest przewidziana do mocowania na ścianie. Na wyświetlaczu można odczytać, do których pokojów są aktualnie przyłączone stereofoniczne zestawy muzyczne, a za pomocą przycisków przełączyć kolumny.

Moduł wykonawczy realizuje przełączanie kolumn za pomocą przekaźników oraz zapewnia obciążenie wyjść zestawów audio rezystorami w czasie przełączania (najpierw do wyjścia jest dołączany rezystor obciążający, odłączane są aktualnie przyłączone kolumny, przyłączane są kolumny w innym pokoju i dopiero wtedy jest odłączany rezystor), dzięki czemu nie ma sytuacji, w której wyjście audio nie byłoby wcale obciążone, co ma tym większe znaczenie, im głośniej słuchamy muzyki w czasie przełączenia.

Rysunek 2. Schemat płytki przycisków

Moduł wykonawczy mam zamontowany w domu, we wnęce w ścianie, dzięki czemu nie widać plątaniny kabli, które są dołączone (dla dwóch zestawów i pięciu pokojów potrzeba 14 kabli głośnikowych).

Oprogramowanie uniemożliwia przyłączenie dwóch zestawów muzycznych do tych samych kolumn, co mogłoby doprowadzić do uszkodzenia wzmacniaczy mocy. Dodatkowo, każdy z kanałów wzmacniacza jest zabezpieczony bezpiecznikiem topikowym. Nastawy przełącznika są zapamiętywane w pamięci EEPROM modułu sterującego, za wyjątkiem przyporządkowania zestawów do pomieszczeń, co zostaje zapisywane w pamięci EEPROM modułu wykonawczego w momencie wyłączania zasilania sieciowego.

Przełącznik ma zabezpieczenie przed stanami nieustalonymi polegającymi na krótkotrwałym załączaniu się przekaźników w momencie włączenia zasilania sieciowego. Zabezpieczenie takie jest konieczne, aby nie uszkodzić końcówek mocy zestawów w przypadku włączania przełącznika kolumn w czasie, gdy pracują oba zestawy muzyczne.

Moduły są połączone typowym kablem telefonicznym (4 żyły), którym są przesyłane zarówno dane, jak i zasilanie do modułu sterującego. W warstwie sprzętowej zastosowałem standard RS485, który umożliwia różnicową transmisję sygnałów na duże odległości (nawet rzędu kilkuset metrów).

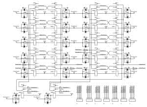
Rysunek 3. Schemat modułu wykonawczego

Sterowanie jest realizowane za pomocą mikrokontrolera ATMega8, a dane są prezentowane na wyświetlaczu LCD 2×16 znaków. W module sterującym przewidziano możliwość przyłączenia klawiatury komputerowej w celu zmiany nazw zestawów muzycznych i pokojów, jednak nie zostało to wykorzystane, ponieważ napisałem oprogramowanie w taki sposób, aby wszystkie parametry urządzenia zmieniać przy pomocy dwóch przycisków w urządzeniu. Zastosowałem przekaźniki o obciążalności 8 A i złącza o obciążalności 6 A. W celu zmniejszenia mocy traconej w module sterującym zastosowałem zasilacz impulsowy ze względu na stosunkowo duży prąd (150 mA) pobierany przez podświetlanie wyświetlacza. Dzięki dużej sprawności zasilacza, do zasilenia urządzenia wystarcza transformator o mocy 4 VA.

Rysunek 3. Schemat modułu wykonawczego c.d.

Obydwa moduły mają złącza dla programatorów w standardzie ISP-6PIN/Atmel. Płytki drukowane mają przewidziane miejsca służące do dołączenia kwarców do mikrokontrolerów, jednak nie zostało to wykorzystane, ponieważ testy pokazały, że transmisja przy szybkości 9600 b/s jest realizowana bezbłędnie przy taktowaniu za pomocą wewnętrznego generatora RC.

Funkcje urządzenia

Podstawową funkcją urządzenia jest przyłączenie wzmacniaczy dwóch zestawów muzycznych, stereofonicznych do kolumn ustawionych w pięciu pokojach. Jest to realizowane poprzez przyporządkowanie pokojów do zestawów na ekranie modułu sterującego. Lewym przyciskiem ustawia się przypisanie pokoju do zestawu wyświetlanego w górnym wierszu wyświetlacza, a prawym przyciskiem, do zestawu wyświetlanego w dolnym wierszu. Możemy zmienić przypisanie obu zestawów w tym samym cyklu przełączenia, gdyż po zmianie wartości jednego z nich program czeka przez chwilę na zmianę przypisania drugiego i dopiero po chwili przełącza kolumny.

Program umożliwia również konfigurowanie urządzenia. Przejście do trybu konfiguracji następuje po przytrzymaniu obydwu przycisków przez ponad 1 sekundę. Lewym przyciskiem przechodzimy do konfigurowania kolejnych elementów, a prawym przyciskiem zmieniamy wartości danego parametru. Po przejściu do następnego parametru jest zapamiętywana wartość poprzedniego parametru.

Możliwe jest ustawienie następujących parametrów.

1. Czas podświetlania (10 s, 20 s, 30 s, 1 min, 2 min, 5 min, ciągłe).

2. Liczba pokoi (od 2 do 5).

3. Nazwy zestawów muzycznych.

4. Nazwy pokojów.

Zmiana nazw wież i pokojów możliwa jest po naciśnięciu i przytrzymaniu lewego przycisku przez czas dłuższy od 1 s. W trybie tym jest włączany kursor, który pokazuje pozycję edytowaną. Kolejne krótkie przyciśnięcia lewego przycisku zmieniają pozycję kursora. Kolejne naciśnięcia przycisku prawego powodują wstawianie w pozycji kursora kolejnych liter, cyfr oraz polskich znaków. Dłuższe naciśnięcie przycisku prawego powoduje wstawiania kolejnych znaków najpierw wolno, a po 3 znakach szybko. Z edycji nazw wychodzimy poprzez ponowne dłuższe naciśnięcie lewego przycisku.

Tryb testowy, w którym pokazywane są hexadecymalnie bajty nadawane i odbierane przez moduł sterujący. Wyjście z trybu konfiguracji możliwe jest poprzez dłuższe naciśnięcie obydwu przycisków. Automatyczne wyjście z konfiguracji następuje, jeśli nie jest naciskany żaden przycisk przez 1 minutę.

Budowa

Na rysunku 1 pokazano schemat modułu sterującego, a na rysunku 2 płytki przycisków. Jest on typowym systemem z mikrokontrolerem ATmega8 i wyświetlaczem LCD o rozdzielczości 2×16 znaków. Potencjometr PR1 umożliwia ustawienie kontrastu, a tranzystor T1 steruje włączeniem podświetlania. Do wyświetlacza przylutowano listwę goldpin, a na gnieździe wpiętym do tej listwy zrealizowano podłączenia do masy nieużywanych końcówek wyświetlacza oraz przylutowano kabel ze złączem zaciskanym na kablu 2×5 pinów. Jako driverów linii transmisyjnej użyto układów MAX485. Moduły są połączone standardowym, 4-żyłowym kablem telefonicznym. Kable, które kupiłem miały połączenie "na krzyż" (1-4, 2-3, 3-2, 4-1) i dlatego przeprojektowałem PCB, aby takim kablem można było połączyć urządzenia. Zasilanie jest przesyłane parą przewodów dołączoną do końcówek 1-4, a transmisja parą przewodów 2-3. Dioda D1 zabezpiecza układ przed odwrotnym połączeniem zasilania. Rezystor R1, kondensator C8 i dioda D3, to układ zerowania kontrolera zalecany przez producenta. Zasilanie jest zrealizowane za pomocą układu LM2574N pracującego w typowej aplikacji.

Wykaz elementów

Moduł sterujący

Rezystory: (SMD 1206)
R1, R5: 4,7 kΩ
R2: 100 Ω
R3: 330 Ω
R4: 10 Ω
R6, R7: 3,3 kΩ
PR1: 10 kV (pot. nastawny CA6V)

Kondensatory (SMD 1206):
C1, C2: 18 pF (opcjonalnie)
C3…C7: 100 nF
CE1: 100 µF/25 V (elektrolit., low ESR)
CE2: 220 µF/6,3 V (elektrolit., low ESR)

Półprzewodniki:
D1, D2: LL5818 (Shottky 1 A)
D3: 1N4148 (SMD)
T1: BC327-25
U1: LM2574N (DIP-8)
U2: ATmega8-16PI (DIP-28)
U3: MAX485 (DIP-8)

Inne:
Kwarc 8 MHz (opcjonalnie)
L1: 330 mH/920 mA (dławik 0810-0,33)
Wyświetlacz LCD RC1602B (Raystar optronics) 2×16 znaków
Złącze RJ11GK
Złącze programujące 6 pin
Dip switch 12 mm wysokości (od podstawy) – 2 szt.
Obudowa ABS-51(KM-51)

Moduł wykonawczy

Rezystory (SMD 1206):
R1…R20, R25, R26: 100 Ω (THT, 1/4 W)
R21…R4: 330 Ω (THT, 3 W)
R27, R32, R34: 1 kΩ
R28: 100 Ω
R29: 4,7 kΩ
R30: 12 kΩ
R31: 3,3 kΩ
R33: 220 kΩ

Kondensatory (SMD 1206):
C1, C2: 18 pF (opcjonalnie) C3…C9: 100 nF
C10: 220 nF
C11: 1 µF
CE1: 1000 µF/25 V
CE2: 10 µF/6,3 V (elektrolit.)

Półprzewodniki:
D1…D24: 1N4148 (SMD 1206) B1: MB6S
LED1…LED22, LED24: diode LED 3 mm, czerwona
LED23: dioda LED 3 mm, zielona
T1: BC337-25
T2: BC337-40
T3: BC 327-40
U2: ATmega8 (DIP-28)
U3, U4: ULN2003A (DIP-16)
U5: MAX485 (DIP-8)

Inne:
REL1…REL22: przekaźnik RM84P
Kwarc 8 MHz (opcjonalnie)
J1…J7: PWL04R
J8: ARK2
J9: RJ11GK
Transformator TEZ 4,0/D 12V
Bezpieczniki polimerowe: 50 mA/230 V, 330 mA
Obudowa Z-15

Schemat ideowy modułu wykonawczego pokazano na rysunku 3. Oprócz wspomnianych wcześniej przekaźników przełączających źródła sygnałów, zawiera on:

  • Zasilacz sieciowy.
  • Drivery przekaźników wykonane na układach ULN2003A.
  • Układ wykrywający zanik napięcia sieciowego.
  • Sterownik zasilania modułu sterującego i przekaźników.

Wykrywanie zaniku napięcia sieciowego zrealizowano na diodzie D23, kondensatorze C10, rezystorach R30 i R34 oraz tranzystorze T1. Do sygnalizowania zaniku napięcia wykorzystano wejście przerwania INT0 mikrokontrolera.

Sterowanie zasilaniem modułu sterującego i przekaźników wymaga omówienia. Blok ten pełni dwie funkcje:

  • Likwiduje stany nieustalone powodujące przypadkowe załączania przekaźników, które są niedopuszczalne w tym zastosowaniu.
  • Wyłącza moduł sterujący i przekaźniki w momencie wykrycia zaniku zasilania sieciowego, co wydłuża czas zasilania mikrokontrolera układu wykonawczego po odłączeniu zasilania i umożliwia zapisanie danych w pamięci EEPROM.

Rysunek 4. Załączenie napięcia zasilającego

Moduł ten składa się z rezystorów R33 i R31, kondensatora C11, tranzystorów T2 i T3. Do jego sterowania służą dwa wyprowadzenia mikrokontrolera: PD4 steruje włączaniem zasilania, a PD5 rozładowuje C11 w momencie wyłączenia zasilania. Umożliwia to poprawne działania układu w przypadku wyłączenia i natychmiastowego jego załączenia.

Na rysunku 4 pokazano oscylogram zdjęty w czasie włączania zasilania. Pokazuje on przebieg napięcia zasilania na kondensatorze CE1 (żółty przebieg) oraz napięcie na przekaźnikach (zielony przebieg). Kondensator nie był całkowicie rozładowany (występowało na nim napięcie ok. +5 V). Górna linia (żółta) pokazuje napięcie +7 V, przy którym działa prawidłowo stabilizator modułu wykonawczego. Przekaźniki zasilane są po ok. 175 ms od załączanie zasilania, gdy kondensator CE1 jest naładowany.

Rysunek 5. Wyłączenie napięcia zasilającego

Na rysunku 5 pokazano oscylogram zdjęty podczas wyłączania układu. Pokazuje on napięcie zasilania na kondensatorze CE1 (żółty przebieg) oraz napięcie na wejściu INT0 mikrokontrolera (zielony przebieg). Zagięcie charakterystyki żółtej (przecięcie z lewą linią niebieską) to moment zadziałania przerwania i odłączenia napięcia zasilającego moduł wykonawczy i przekaźniki. Do spadku napięcia do +7 V (prawidłowe zasilanie stabilizatora) upływa ok. 110 ms, co w zupełności wystarcza do zapisu pamięci EEPROM (zapisujemy tylko jeden bajt).

Montaż

Schemat montażowy modułu sterującego pokazano na rysunku 6, natomiast wykonawczego na rysunku 7. Przełącznik jest zbudowany z elementów mieszanych, jednak elementy SMD są w "dużych" obudowach 1206, które nie powinny sprawić trudności w montażu.

We fusebitach zmieniono jedynie taktowanie mikrokontrolera z 1 MHz na 8 MHz. Ustawienie najważniejszych fusebitów mikrokontrolerów:

Oprogramowanie

Oprogramowanie napisano w Bascom AVR. Oprogramowanie modułu sterującego zajmuje 83% pamięci Flash, a modułu wykonawczego 23%. Jednym z najistotniejszych algorytmów jest sposób przełączania wież. Czynności wykonywane przez program można przedstawić w punktach:

  1. Dołącz rezystor do zestawu 1.
  2. Opóźnienie
  3. Odłącz pokój od zestawu 1.
  4. Dołącz rezystor do zestawu 2.
  5. Opóźnienie.
  6. Odłącz pokój od zestawu 2.
  7. Opóźnienie.
  8. Dołącz pokój do zestawu 1.
  9. Opóźnienie.
  10. Odłącz rezystor od zestawu 1.
  11. Dołącz pokój do zestawu 2.
  12. Opóźnienie.
  13. Odłącz rezystor od zestawu 2.

Ustawienia fusebitów

Zaprezentowano w nich najbardziej złożony przypadek, gdy przełączane są równocześnie dwie wieże.

Ze względu na to, że moc transformatora 4 VA jest na granicy mocy przy równocześnie załączonych przekaźnikach i podświetlaniu wyświetlacza przyjęto, że nie mogą być równocześnie załączone obydwa przekaźniki załączające rezystory obciążenia. Zastosowano opóźnienia 50 ms pomiędzy cyklami przełączania, co z dużym zapasem zapewnia załączenie i zwolnienie przekaźników, jak i czas na zlikwidowanie drgań zestyków przekaźników.


Rysunek 6. Schemat montażowy modułu sterującego


Rysunek 7. Schemat montażowy modułu wykonawczego

Modułem nadrzędnym jest moduł sterujący. Wysyła on rozkaz przełączenia zestawów muzycznych lub zapytanie o stan połaczeń. Rozkazy i odpowiedzi są jednobajtowe. Rozkaz przełączenia wież składa się z dwóch półbajtów i podaje, do których pokojów mają być dołączone wieże:

  • Zawartość bajtu informacji: 11112222.
  • 1111 - wartość od 1 do 5 oznacza przyłączenie zestawu 1 do pokoju 1...5.
  • 2222 - wartość od 1 do 5 oznacza przyłączenie zestawu 2 do pokoju 1...5.

Rozkaz przełączenia wież może mieć wartość od &H12 do &H54. Zapytanie o stan podłączenia pokoi do wież ma wartość &HAA. Moduł wykonawczy odpowiada stanem przyłączenia wież lub w przypadku błędu odpowiada bajtem &HA8.

Krzysztof Ciesiółka
krzysztof.ciesiolka@kimball.com

Artykuł ukazał się w
Elektronika Praktyczna
marzec 2014
DO POBRANIA
Pobierz PDF Download icon
Materiały dodatkowe
Elektronika Praktyczna Plus lipiec - grudzień 2012

Elektronika Praktyczna Plus

Monograficzne wydania specjalne

Elektronik listopad 2025

Elektronik

Magazyn elektroniki profesjonalnej

Raspberry Pi 2015

Raspberry Pi

Wykorzystaj wszystkie możliwości wyjątkowego minikomputera

Świat Radio listopad - grudzień 2025

Świat Radio

Magazyn krótkofalowców i amatorów CB

Automatyka, Podzespoły, Aplikacje listopad - grudzień 2025

Automatyka, Podzespoły, Aplikacje

Technika i rynek systemów automatyki

Elektronika Praktyczna listopad 2025

Elektronika Praktyczna

Międzynarodowy magazyn elektroników konstruktorów

Elektronika dla Wszystkich grudzień 2025

Elektronika dla Wszystkich

Interesująca elektronika dla pasjonatów