SYM_Line - nadajnik i odbiornik. Transmisja sygnału audio linią symetryczną

SYM_Line - nadajnik i odbiornik. Transmisja sygnału audio linią symetryczną
Pobierz PDF Download icon
Transmisja symetryczna sygnału audio jest sporadycznie stosowana w urządzeniach powszechnego użytku. Problem pojawia się, gdy chcemy połączyć profesjonalne urządzenie audio (np. specjalizowaną kartę muzyczną PC, mikser, zwrotnicę cyfrową) do "zwykłego", domowego systemu audio nie tracąc zalet transmisji symetrycznej. Rekomendacje: konwerter przyda się audiofilom i osobom zajmującym się technika estradową oraz nagraniami muzycznymi lub do dystrybucji sygnału audio w domu.

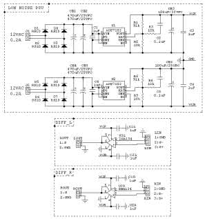
Rysunek 1. Schemat ideowy modułu nadajnika z DRV134

Opracowano dwa moduły, których para umożliwia transmisję symetryczną - z zachowaniem jej zalet - na większych dystansach i może zostać użyta np. przy rozprowadzaniu wielostrefowym sygnału audio pomiędzy pomieszczeniami w domu:

  • DRV134 konwerter sygnału niesymetrycznego na symetryczny,
  • INA134 konwerter sygnału symetrycznego na niesymetryczny.

W układach wykorzystano specjalizowane nadajniki/odbiorniki DRV134/INA134 oraz niskoszumne źródła zasilania oparte o układy ADP7102.

Rysunek 2. Struktura wewnętrzna układu scalonego DRV134 (za notą producenta)

Schemat układu zasilania dla obu modułów jest identyczny, składa się z dwóch zasilaczy wytwarzających napięcie symetryczne ±12 V. Zasilające napięcie zmienne prostowane jest szybkim mostkiem prostowniczym, filtrowane kondensatorami o niskim ESR i stabilizowane przez niskoszumne stabilizatory LDO, U1 i U2.

Kondensator filtrujący jest złożony z dwóch elementów CE1 i C22. Umożliwia to obniżenie wysokości modułu, jeżeli nie jest to priorytet, można oczywiście zastosować jeden o pojemności 1000 mF/25 V. Dzielnik złożony z rezystorów R1 i R2 ustala wartość napięcia wyjściowego.

Kondensator C2 i rezystor R3 kompensują pętlę sprzężenia zwrotnego. Pojemności C2, C3, C5 i C6 filtrują napięcie zasilające. Dokładna wartość 12 V nie jest krytyczna, w zależności od układu może różnić się o ±0,5 V i nie ma potrzeby ustalania jej dokładniej, ważne by napięcia były symetryczne. Do zasilania układu wystarcza niewielki 6...8 VA transformator dostarczający 2×12 V/min. 0,2 A.

Aplikacja układów DRV134/INA134 jest typowa. Każdy z modułów zawiera dwa tory umożliwiając prostą transmisję sygnału stereofonicznego.

Schemat modułu DRV134 przedstawia jest na rysunku 1. Zasada działania jest prosta, do gniazda L/RIN doprowadzony jest niesymetryczny sygnał audio, który wewnątrz układu jest buforowany i podawany na symetryczny stopień wyjściowy (rysunek 2).

Dzięki laserowemu korygowaniu wartości rezystancji oporników, stopień wyjściowy charakteryzuje się idealną symetrią sygnału dostępnego na złączu L/ROUT. Układ oprócz spełniania funkcji nadajnika sygnału symetrycznego, doskonale sprawdzi się w roli przesuwnika fazy dla mostkowego wzmacniacza mocy.

Rysunek 3. Schemat ideowy modułu odbiornika INA134

Rysunek 4. Struktura wewnętrzna układu scalonego INA134 (za notą producenta)

Moduł INA134 konwertuje symetryczny sygnał audio na sygnał niesymetryczny. Schemat układu pokazano na rysunku 3, strukturę wewnętrzną INA134 na rysunku 4.

Wykaz elementów

Nadajnik (DRV134)

Rezystory:
R1, R6: 91 kΩ (SMD 1206, 1%)
R2...R5: 10 kΩ (SMD 1206, 1%)

Kondensatory:
C1, C3...C6, C5L, C5R, C6L, C6R: 1 µF (SMD 1206)
C2, C5: 0,1 µF (SMF 1206) C1L...C4L, C1R…C4R: 4,7 µF (foliowy R=5 mm)
CE1, CE2, CE4, CE5: 470 µF/25 V (elektrolit. LOW ESR)
CE3, CE6: 100 µF/25 (elektrolit. LOW ESR)

Półprzewodniki:
D1...D8: RS1D (dioda szybka, SMD)
U1, U2: ADP7102 (SO8)
U3L, U3R: DRV134 (DIP8)

Inne:
J1, J2, LIN, RIN: złącze ARK 2,5 mm
LOUT, ROUT: złącze ARK 3,5 mm

Odbiornik (INA134)

Rezystory:
R1, R6: 91 kΩ (SMD 1206, 1%)
R2...R5: 10 kΩ (SMD 1206, 1%)

Kondensatory:
C1, C3, C4, C6, C1L, C1R, C2L, C2R: 1 µF (SMD 1206)
C2, C5: 0,1 uF (SMF 1206)
C1L...C4L, C1R...C4R: 4,7 µF (foliowy R=5 mm)
CE1, CE2, CE4, CE5: 470 µF/25 V (elektrolit. LOW ESR)
CE3, CE6: 100 µF/25 (elektrolit. LOW ESR)

Półprzewodniki:
D1...D8: RS1D (dioda szybka, SMD)
U1, U2: ADP7102 (SO8)
U3L, U3R: INA134 (DIP8)

Inne:
J1, J2, LOUT, ROUT: złącze ARK 2,5 mm
LIN, RIN: złącze ARK 3,5 mm

Układ zawiera wzmacniacz różnicowy i ma - podobnie jak DRV134 - "dostrojone" laserowo rezystory. Umożliwia to precyzyjną konwersję sygnału. Tor zestawiony z modułów INA/DRV ma wzmocnienie 2 V/V. Jeżeli zależy nam na wzmocnieniu 1 V/V, w miejsce INA134 należy zastosować INA137, bez jakichkolwiek zmian w układzie.

Moduły zmontowane są na dwustronnych płytkach drukowanych, opis montażu jest zbędny. Istotne jest tylko precyzyjne przylutowanie pada termicznego ADP7102. Rozmieszczenie elementów modułu nadajnika pokazano na rysunku 5, natomiast modułu odbiornika na rysunku 6.

Rysunek 5. Schemat montażowy nadajnika DRV134

Rysunek 6. Schemat montażowy odbiornika INA134

Adam Tatuś, EP

Artykuł ukazał się w
Elektronika Praktyczna
marzec 2014
DO POBRANIA
Pobierz PDF Download icon
Materiały dodatkowe
Elektronika Praktyczna Plus lipiec - grudzień 2012

Elektronika Praktyczna Plus

Monograficzne wydania specjalne

Elektronik listopad 2025

Elektronik

Magazyn elektroniki profesjonalnej

Raspberry Pi 2015

Raspberry Pi

Wykorzystaj wszystkie możliwości wyjątkowego minikomputera

Świat Radio listopad - grudzień 2025

Świat Radio

Magazyn krótkofalowców i amatorów CB

Automatyka, Podzespoły, Aplikacje listopad - grudzień 2025

Automatyka, Podzespoły, Aplikacje

Technika i rynek systemów automatyki

Elektronika Praktyczna listopad 2025

Elektronika Praktyczna

Międzynarodowy magazyn elektroników konstruktorów

Elektronika dla Wszystkich grudzień 2025

Elektronika dla Wszystkich

Interesująca elektronika dla pasjonatów