Cyfrowy termostat

Cyfrowy termostat
Pobierz PDF Download icon

W wielu miejscach zachodzi potrzeba utrzymania temperatury na żądanym poziomie. Analogowe lub mechaniczne regulatory są dla wielu zastosowań zbyt mało dokładne, ponadto ich funkcjonalność jest ograniczona. Prezentowany układ pozwala w prosty sposób ominąć te niedogodności, przy okazji na bieżąco podając aktualną temperaturę. Może sterować grzałką lub chłodziarką. Zakres obsługiwanych temperatur: od -55°C do +125°C. Rekomendacje: termostat przyda się do regulowania temperatury w pomieszczeniu, akwarium, szklarni itp.

Rysunek 1. Schemat ideowy termostatu

Schemat ideowy termostatu jest przedstawiony na rysunku 1. Jego głównym elementem jest mikrokontroler ATtiny44 firmy Atmel, oznaczony symbolem US2. Steruje on wyświetlaczem LCD 1×16 znaków (LCD1) wyposażonym w sterownik kompatybilny z HD44780. Komunikacja z nim odbywa się w trybie 4-bitowym. Potencjometrem P1 jest regulowany kontrast wyświetlanych znaków. Rezystor R7 ogranicza prąd płynący przez diody podświetlające. Wyświetlacz wskazuje na bieżąco temperaturę mierzonego punktu, sygnalizuje włączenie/wyłączenie przekaźnika oraz umożliwia ustawienie parametrów pracy. Nieużywane linie danych zwarto z masą.

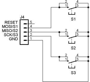
Rysunek 2. Schemat połączeń przycisków w klawiaturze

Do złącza J3 przyłącza się układ US3, dobrze znany DS18B20. Dokonuje on pomiaru temperatury, konwertuje na postać cyfrową, a następnie - za pomocą magistrali 1-Wire - wysyła do mikrokontrolera. W przedstawionej sytuacji, czujnik ma na stałe doprowadzone zasilanie +5 V. Powoduje to, iż czas niezbędny na konwersję temperatury jest krótszy niż przy zasilaniu pasożytniczym z linii danych. Rezystor R3, podciągający linię danych do dodatniego bieguna zasilania, jest niezbędny dla prawidłowej pracy interfejsu.

Zasilanie prowadzone do sterowanego obciążenia, czyli układu grzewczego lub chłodzącego, powinno być włączone szeregowo ze złączem J2, czyli stykami przekaźnika PK1. Procesor steruje nim za pomocą tranzystora T1, w którego kolektor jest włączono cewka. Rezystor R2 ogranicza prąd płynący przez bazę, dioda D1 zabezpiecza tranzystor przed uszkodzeniem.

Rysunek 3. Schemat montażowy termostatu

Wykaz elementów

Rezystory: (0,25 W)
R1...R6: 3,3 kΩ
R7: 47 Ω
P1: 10 kΩ (pot. montażowy, leżący)

Kondensatory:
C1: 220 µF/35 V
C2...C4: 100 nF
C5: 100 µF/16 V

Półprzewodniki:
D1: 1N4148
T1: BC546
US1: LM7805 (TO-220)
US2: ATtiny44 (DIP14)
US3: DS18B20 (TO-92)

Inne:
J1, J2: złącze ARK 2,5 mm
J3: goldpin męski, 3-pinowe
J4: goldpin męski, 5-pinowy+żeński (opis w tekście)
PK1: przekaźnik 12 V (opis w tekście) np. JQC-3FG
Trzy przyciski impulsowe, dowolnego typu
Podstawka DIP14
Goldpin męski + żeński 16 pin
Wyświetlacz LCD 1×16, zgodny z HD44780 (opis w tekście)

Na złącze J4 wyprowadzonych zostało pięć pinów mikrokontrolera, które są niezbędne, by móc go programować w układzie (ISP - In System Programming). Rezystory: R2 oraz R4...R6 ustalają stan tych wyprowadzeń na poziomie logicznej "1", co zapobiega gromadzeniu się na nich ładunków elektrostatycznych i błędnemu działaniu układu. Do tego samego złącza dołącza się miniaturową, trójprzyciskową klawiaturę, która umożliwia skonfigurowanie parametrów pracy termostatu. Jej schemat pokazano na rysunku 2.

Kondensatory C1...C5 filtrują napięcie zasilania oraz redukują możliwe zakłócenia szpilkowe, które mogłyby się indukować w doprowadzeniach. Stabilizator US1 dostarcza stabilizowanego napięcia zasilania dla układów cyfrowych.

Montaż i uruchomienie

Fotografia 4. Główny ekran programu: temperatura pobierana z czujnika oraz stan pracy przekaźnika

Układ zmontowany został na dwustronnej płytce o wymiarach 83 mm×39 mm, której schemat montażowy pokazano na rysunku 3. Rozstaw otworów mocujących oraz umiejscowienie złącza J6 jest zgodne z typowymi wyświetlaczami 1×16 ze sterownikami zgodnymi z HD44780.

Fotografia 5. Pierwszy ekran menu: ustawianie średniej temperatury

Montaż przeprowadzany jest nietypowo: należy go rozpocząć od wlutowania 16-pinowego, męskiego złącza goldpin (przeznaczonego do dołączenia wyświetlacza LCD) od strony lutowania. Dalsze podzespoły należy montować zachowując kolejność od najniższych do najwyższych, umieszczając je już typowo, czyli od strony opisów. Pod mikrokontroler należy zastosować podstawkę. W wyświetlaczu również należy umieścić złącze goldpin, lecz tym razem żeńskie. Po włożeniu jednego w drugie, otwory mocujące pokryją się, co umożliwi zespolenie obu płytek w jeden moduł za pomocą śrub i tulejek dystansowych. Użyty wyświetlacz powinien mieć odpowiednią organizację sterownika.

Fotografia 6. Drugi ekran menu: ustawianie histerezy

Producenci wyświetlaczy ciekłokrystalicznych produkują je w dwóch wersjach:

  • szesnaście kolumn, jeden wiersz,
  • osiem kolumn, dwa wiersze.

Wyświetlacze te niczym nie różnią się dla obserwatora: mają 16 znaków ułożonych w jednej linii, natomiast diametralnie różnią się pod względem ich sterowania. Ponieważ częściej zdarza się spotkać druga wersję, pod nią zostało przygotowane oprogramowanie. Po zaprogramowaniu mikrokontrolera (ustawienia bitów zabezpieczających należy pozostawić fabryczne) i ustawieniu poziomu kontrastu, układ gotowy jest do pracy.

Eksploatacja

Fotografia 7. Trzeci ekran menu: wybór trybu pracy

Ustawianie parametrów odbywa się trzeba przyciskami:

  • S1 - przechodzenie po kolejnych pozycjach menu,
  • S2 - dodawanie wartości,
  • S3 - odejmowanie wartości.

Po włączeniu zasilania, widoczny jest ekran taki, jak na fotografii 4. Pierwsze naciśnięcie przycisku S1 spowoduje przeskok do pierwszej pozycji menu, jak na fotografii 5. Ustawiana jest w niej, za pośrednictwem przycisków S2 i S3, średnia temperatura utrzymywana przez układ - czyli wartość zadana, wokół której oscylować będzie mierzona temperatura obiektu. Wartość jest wyrażana w stopniach Celsjusza. Po upływie ok. 12 sekund bezczynności, układ zapisuje ustawione parametry w nieulotnej pamięci EEPROM, po czym wyłącza menu i wraca do normalnej pracy. W trybie zmiany nastaw, przekaźnik pozostaje wyłączony.

Ponowne naciśnięcie przycisku S1 (przy wyświetlonym poprzednim ekranie) spowoduje przeskok do drugiej pozycji, czyli ustawiania szerokości histerezy tego układu) - jak na fotografii 6. Kolejne naciśnięcie S1 spowoduje przeskok do ostatniej pozycji (fotografia 7), czyli ustawieniu, czy układ współpracuje z urządzeniem grzejącym, czy z chłodzącym. Naciśnięcie S2 lub S3 przełącza rodzaj urządzenia na grzewcze lub chłodnicze. Jest to ważne z tego powodu, że te dwa tryby są sobie przeciwstawne, co ilustruje rysunek 8. Kolejne wciśnięcie S1 lub odczekanie spowoduje zapis ustawień i przejście do pracy.

Rysunek 8. Zasada działania trybu grzania i chłodzenia (czerwony odcinek – przekaźnik załączony, niebieski – wyłączony. W trybie grzania obiekt samoczynnie stygnie, zaś w trybie chłodzenia ogrzewa się)

Nadmienić w tym miejscu należy, iż zmierzona przez układ temperatura może się zawierać w przedziale od -55 do +125°C, co wynika z ograniczeń czujnika DS18B20, dlatego możliwa do utrzymania temperatura jest ograniczona tym właśnie przedziałem. Po ustawieniu właściwej do utrzymania temperatury (dla przykładu, niech to będzie 110°C), układ dokonuje obliczenia maksymalnej histerezy. W tym wypadku, ograniczenie nastąpi "od góry" i wyniesie ±15°C, ponieważ 110°C + 15°C = 125°C. Informacja ta ma na celu wyjaśnienie, dlatego przedział, w którym może znajdować się zmierzona wartość temperatury obiektu, nie może być dowolnie szeroki.

Eksploatacja

By użytkowanie termostatu przebiegało bezawaryjnie, warto zastosować się do poniższych wskazówek:

Połączenie czujnika DS18B20 z płytką powinno być wykonane kablem ekranowanym. Jeżeli z powodu długości pojawią się błędy w transmisji, dające o sobie znać w postaci nierealnych wartości, należy eksperymentalnie zmniejszyć wartość rezystora R3. Jeżeli i to nie przyniesie efektów, między skrajnymi wyprowadzeniami czujnika temperatury dolutować kondensator ceramiczny o pojemności 100 nF.

Ścieżki na płytce, prowadzące do styków przekaźnika, przystosowane są do przewodzenia prądów rzędu 2 A. Przy wyższych natężeniach, zależy je pogrubić lub, najlepiej, zastosować przekaźnik zewnętrzny, którego cewka sterowana będzie z wbudowanego.

By uniknąć zbyt częstego przełączania się przekaźnika, co może doprowadzić do jego przedwczesnego zużycia, należy ustawić możliwie najszerszą histerezę, tj. różnicę między dopuszczalną najniższą i najwyższą temperaturą.

Układ pierwotnie przystosowany jest do zasilania napięciem stałym o wartości ok. 12 V, niekoniecznie stabilizowanym. Pobór prądu wynosi ok. 80 mA z załączonym przekaźnikiem i ok. 60 mA z przekaźnikiem wyłączonym (dla wyświetlacza z podświetleniem matrycy). Można go zasilać napięciem 24 V DC, pod warunkiem wymiany przekaźnika na egzemplarz z cewką przystosowanego do tego napięcia i założeniu na US1 niewielkiego radiatora.

Michał Kurzela, EP

Artykuł ukazał się w
Elektronika Praktyczna
marzec 2014
DO POBRANIA
Pobierz PDF Download icon
Materiały dodatkowe
Elektronika Praktyczna Plus lipiec - grudzień 2012

Elektronika Praktyczna Plus

Monograficzne wydania specjalne

Elektronik listopad 2025

Elektronik

Magazyn elektroniki profesjonalnej

Raspberry Pi 2015

Raspberry Pi

Wykorzystaj wszystkie możliwości wyjątkowego minikomputera

Świat Radio listopad - grudzień 2025

Świat Radio

Magazyn krótkofalowców i amatorów CB

Automatyka, Podzespoły, Aplikacje listopad - grudzień 2025

Automatyka, Podzespoły, Aplikacje

Technika i rynek systemów automatyki

Elektronika Praktyczna listopad 2025

Elektronika Praktyczna

Międzynarodowy magazyn elektroników konstruktorów

Elektronika dla Wszystkich grudzień 2025

Elektronika dla Wszystkich

Interesująca elektronika dla pasjonatów