Sterownik DMX-RGB

Sterownik DMX-RGB
Pobierz PDF Download icon

W poprzednich numerach EP opisano następujące urządzenia z interfejsem DMX: ściemniacz, sterownik przekaźnika oraz system transmisji sygnału DMX przez sieć Ethernet, w tym Wi-Fi. Kolejnym urządzeniem, które może znacznie uatrakcyjnić wygląd sceny jest sterownik listew diodowych RGB, którego będzie można użyć do tworzenia nastrojowego światła o żądanym kolorze.
Rekomendacje: projekt przyda się osobom zajmujących się techniczną obsługą sceny.

Przypomnijmy, że system DMX umożliwia obsłużenie do 512 urządzeń za pomocą pojedynczej pary przewodów. Dane są transmitowane asynchronicznie z prędkością 250 kb/s w formacie 8N2. Warstwa fizyczna interfejsu DMX jest zgodna z RS485. Więcej informacji o DMX można znaleźć w EP 6/2013.

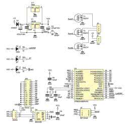
Rysunek 1. Schemat ideowy sterownika RGB z interfejsem DMX

Rysunek 2. Schemat montażowy sterownika RGB z interfejsem DMX

Budowa urządzenia

Schemat ideowy sterownika pokazano na rysunku 1. Ze względu na to, że nie można przewidzieć liczby dioda LED, którą będzie kontrolował sterownik, nie wyposażono go w zasilacz. Napięcie zasilające dla sterownika jest pobierane z zasilacza diod LED. Dioda D1 zabezpiecza sterownik przed skutkiem zamiany biegunowości napięcia zasilającego. Stabilizator U1 generuje napięcie zasilające mikrokontroler. Ze względu na zastosowanie stabilizatora w wersji "L" napięcie zasilające nie może przekraczać 13 V, co nie stanowi przeszkody, ponieważ listwy LED są najczęściej przystosowane do zasilania napięciem 12 V. Jeśliby zaistniała konieczność zasilenia urządzenia napięciem wyższym niż 12 V, należy zamontować stabilizator w obudowie TO-220 i w razie konieczności wyposażyć go w radiator. Na płytce przewidziano miejsce na taki stabilizator.

Listing 1. Najważniejszy fragment procedury inicjalizującej generatory PWM:

Listing 2. Zapis rejestru PWM (w procedurze dekodowania ramki DMX):

Sygnał DMX po odebraniu jest wprowadzony jest na wejście RxD mikrokontrolera. Po zdekodowaniu sygnału, mikrokontroler za pośrednictwem wbudowanych generatorów PWM, pracujących z częstotliwością bliską 500 Hz, steruje bramkami tranzystorów mocy. Maksymalny prąd tranzystorów to 30 A, ale należy pamiętać, że przy tak dużych prądach konieczne będzie pogrubienie ścieżek mocy w okolicach tranzystorów, np. przez przylutowanie do nich drutu miedzianego oraz wyposażenie tranzystorów w radiatory. Ponadto, sposób sterowania tranzystorami umożliwia osiągnięcie prądu obciążenia na poziomie 18 A. Złącze J3 służy do programowania i debugowania programu mikrokontrolera.

Program

Program jest zmodyfikowaną wersją DMX Dimmer & Relay. Główna różnica polega na sposobie reagowania na 3 adresy DMX oraz obsługa 3 sprzętowych generatorów PWM. Najważniejszy fragment procedury inicjalizującej generatory PWM zaprezentowano na listingu 1.

W programie, na timerze0 zrealizowano odmierzanie czasu timeout w wypadku przerwy w transmisji. Jeśli jest jej brak przez ponad sekundę, wyjścia wszystkich PWM zostaną wyłączone lub zostanie zapamiętany ostatni ich stan, zależnie od ustawienia zworki CFG0. Dane odbierane przez DMX są porównywane z bieżącymi i nastawy są zmieniane tylko wtedy (listing 2), gdy wystąpiła zmiana.

Wykaz elementów

Rezystory: (THT, 1/4 W):
R1: 0 Ω
R3, R10, R11: 1 kΩ
R7: 51 Ω

Kondensatory:
C1, C4: 470 µF/16 V (elektrolit.)
C2, C3, C8, C9: 100 nF (ceram.)
C6, C7: 22 pF (ceram.)

Półprzewodniki:
D1: 1N4007 (dioda prostownicza)
D2: ST (dioda LED 5 mm, niebieska)
D3: DMX (dioda LED 5 mm, żółta)
D7: POW (dioda LED 5 mm, zielona)
U1: 78L06 (TO-92/TO-220 - opis w tekście)
U4: MAX485 (DIP-8)
U3: ATmega88PA-PU (DIP-28)
T1…T3: BUZ11

Inne:
Q2: 8 MHz (HC49/HC49S)
JP2: ZL211-24KG (listwa goldpin 2×24)
J1: TB-5.0-PP-2P, TB-5.0-PIN (złącze TB z listwą kołkową)
J2: TB-5.0-PP-3P, TB-5.0-PIN (złącze TB z listwą kołkową)
J3: ZL201-04G (listwa goldpin 2×3),
J4: NS25-W3 (gniazdo NS25 3 pin)
NS25-G3 (wtyk NS25 3 pin),
NS25-T (3 szt. terminali do wtyku NS25),
XLR-3G-C (wtyk XRL-3 do obudowy)
Obudowa KM-35

Montaż i uruchomienie

Schemat montażowy sterownika zamieszczono na rysunku 2. Montaż elementów jest typowy i nie wymaga omawiania. Pod mikrokontroler warto zastosować podstawkę.

Uruchomienie rozpoczynamy od sprawdzenia napięcia zasilającego mikrokontroler. W urządzeniu można zastosować stabilizator na 5 lub 6 V. Napięcie zasilające 6 V gwarantuje pełne otwarcie tranzystorów mocy, dzięki czemu, przy dużych prądach, wydzieli się na nich mniejsza moc. Niestety, wartość ta przekracza maksymalne zalecane napięcie pracy U4, ale zostawia duży margines do napięcia dopuszczalnego. Zasilanie 5 V gwarantuje "idealne" warunki pracy dla U4, ale maksymalny prąd tranzystorów będzie mniejszy i wyniesie około 8 A.

Rysunek 3. Ustawienie bitów konfiguracyjnych

Rysunek 4. Rozmieszczenie zworek do ustawiania adresu

Rysunek 5. Rozmieszczenie zworek konfiguracyjnych

Gdy napięcie zasilające jest poprawne umieszczamy mikrokontroler w podstawce. Jeśli nie jest on zaprogramowany, możemy to zrobić za pomocą złącza J3. Ustawienie bitów konfiguracyjnych pokazano na rysunku 3. W kolejnym kroku podłączamy urządzenie do sygnału DMX. Może to być konsola DMX lub np. moduł AVTDMX512 wraz z programem. Zworkami na urządzeniu ustawiamy adres według rysunku 4. Można też włączyć akceptowanie pojedynczej transmisji oraz funkcję zapamiętywania ostatniego stanu urządzenia przy braku transmisji. Odpowiednie nastawy pokazano na rysunku 5.

Regulując manipulatorami na konsoli lub w programie na komputerze powodujemy rozjaśnianie diod w listwie RGB. Sterownik zajmuje trzy adresy. Pierwszy adres (ustawiony zworkami) steruje kanałem diod czerwonych. Następny adres obsługuje kanał zielony, kolejny (adres + 2) to kanał niebieski. Teoretycznie daje to ponad 16 milionów barw, ale biorąc pod uwagę nieliniowość diod LED paleta ta będzie dużo skromniejsza.

Sławomir Skrzyński, EP

Artykuł ukazał się w
Elektronika Praktyczna
luty 2014
DO POBRANIA
Pobierz PDF Download icon
Materiały dodatkowe
Elektronika Praktyczna Plus lipiec - grudzień 2012

Elektronika Praktyczna Plus

Monograficzne wydania specjalne

Elektronik listopad 2025

Elektronik

Magazyn elektroniki profesjonalnej

Raspberry Pi 2015

Raspberry Pi

Wykorzystaj wszystkie możliwości wyjątkowego minikomputera

Świat Radio listopad - grudzień 2025

Świat Radio

Magazyn krótkofalowców i amatorów CB

Automatyka, Podzespoły, Aplikacje listopad - grudzień 2025

Automatyka, Podzespoły, Aplikacje

Technika i rynek systemów automatyki

Elektronika Praktyczna listopad 2025

Elektronika Praktyczna

Międzynarodowy magazyn elektroników konstruktorów

Elektronika dla Wszystkich grudzień 2025

Elektronika dla Wszystkich

Interesująca elektronika dla pasjonatów