Thermo_K - wskaźnik temperatury z termoparą

Thermo_K - wskaźnik temperatury z termoparą
Pobierz PDF Download icon

Temperatura jest jedną z częściej mierzonych wielkości fizycznych. O ile jej pomiar w zakresie 0...100°C nie jest problematyczny i dostępne są gotowe rozwiązania półprzewodnikowe o zróżnicowanej dokładności, to jeśli temperatura przekracza ten zakres, metody i czujniki nie są już tak powszechne. Najczęściej stosowane są różne termoelementy rezystancyjne, pirometry lub termopary. W przedstawionym rozwiązaniu wykorzystano typową termoparę typu K (chromel-alumel), taką jaka jest najczęściej stosowana w multimetrach.

Rysunek 1. Schemat blokowy układu AD8495 (za notą AD)

Większość prostych stacji do lutowania i/lub rozlutowywania nie ma zaimplementowanego pomiaru temperatury laminatu, notabene najważniejszego - moim zdaniem - dla procesu lutowania, a ogranicza się jedynie do pomiaru temperatury promiennika, co ma się nijak do rzeczywistej temperatury płytki oddalonej o kilkanaście mm i powoduje poważne problemy z prawidłowym montażem lub demontażem komponentów elektronicznych.

Wskaźnik podzielono na dwie części: moduł przetwornika temperatury i moduł wskaźnika. Umożliwia to oddzielne użycie modułów lub budowę wielokanałowych urządzeń do pomiaru temperatury. Sygnał z termopary jest sygnałem napięciowym o stosunkowo niedużej amplitudzie, wymagającym wzmocnienia i kompensacji "zimnego" złącza. Realizację tej funkcji najlepiej wykonać za pomocą specjalizowanego układu scalonego. Z niezbyt obszernej oferty wybrałem AD8495, produkowany przez firmę Analog Devices, dostępny w ofercie kilku dystrybutorów. Schemat blokowy AD8495 pokazano na rysunku 1, a przetwornik oparty o jego aplikację na rysunku 2.

Rysunek 2. Schemat ideowy przetwornika temperatury

Sygnał z termopary, przez złącze KCON i po przejściu przez filtr złożony z rezystorów R1 i R2 oraz kondensatorów C1, C2 i C3, jest doprowadzony do wewnętrznego wzmacniacza pomiarowego układu U1. Wzmocniony i skompensowany sygnał wyjściowy jest dostępny na wyprowadzeniu 7 układu U1, z łatwiejszym do wykorzystania napięciem o nachyleniu charakterystyki wyjściowej 5 mV/°C. Aplikację uzupełniają dławik L1 i kondensatory C4 oraz CE1 - odprzęgają one zasilanie. Zasilanie i sygnał wyjściowy dostępne są na złączu KSENS.

Moduł jest uniwersalny, można go zastosować we własnych aplikacjach. Należy jedynie zapewnić zasilanie - zależnie od zakresu pomiarowego - z przedziału 2,7...36 V. Pobór mocy jest niewielki i wynosi około 1 mW przy zasilaniu +5 V. Układ może dostarczyć do obciążenia prąd o natężeniu 5 mA. Kompensacja zimnego końca zapewnia dokładny pomiar w zakresie temperatury otoczenia 0...50°C (dla wersji AD8497: 25...100°C). Bez zmian sprzętowych moduł może być użyty do akwizycji sygnałów z termopary J - należy tylko zmienić typ U1 na AD8494/8496. Szczegóły zawarte są w karcie katalogowej AD849x. Jest bardzo ważne, aby przewody z termopary były możliwie krótkie, a sam moduł znajdował się w tej samej temperaturze, co końce przewodów termopary. Inaczej kompensacja będzie niedokładna i wprowadzi dodatkowe błędy pomiarowe.

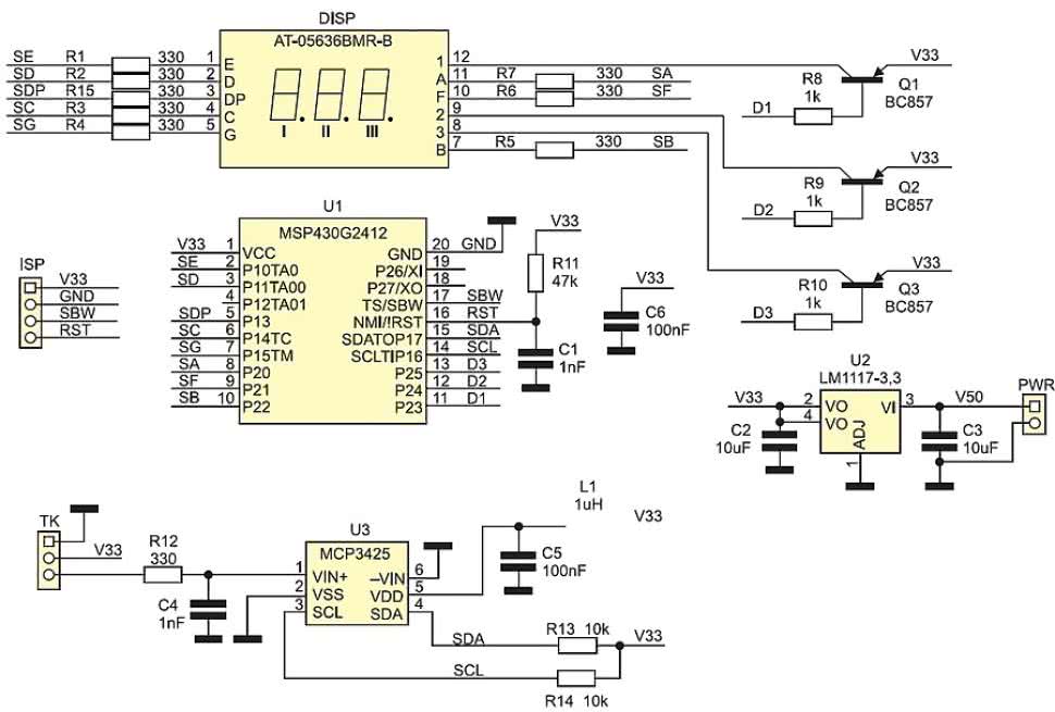
Rysunek 3. Schemat ideowy modułu wskaźnika

Sygnał z przetwornika jest doprowadzony do modułu wskaźnika, którego schemat pokazano na rysunku 3. Zbudowano go w oparciu o mikrokontroler MSP430G2412 serii Value- Line TI. Jest to okrojona o przetwornik A/C wersja popularnego MSP430G2452. Układ U1 obsługuje 3-cyfrowy, multipleksowany wyświetlacz LED o niskim poborze mocy.

Tranzystory Q1...3 załączają zasilanie anod cyfr, rezystory R1...R7 i R15 ograniczają prąd segmentów (uwaga: nie należy zmniejszać wartości rezystorów ograniczających prąd segmentów). Celowo zrezygnowano z mikrokontrolera z wbudowanym przetwornikiem na rzecz uniwersalności modułu. Sygnał i zasilanie modułu przetwornika są doprowadzone do złącza TK. Funkcja przetwarzania analogowego sygnału temperatury na cyfrowy została oparta o 16-bitowy przetwornik sigma-delta typu MCP3425 (U3), który dobrze sprawdza się w aplikacjach wymagających większej dokładności przetwarzania. Bardzo ważną cechą przetwornika jest wbudowane, dokładne źródło napięcia odniesienia 2,048 V, co zdecydowanie upraszcza aplikację. Ze względu na wybór pracy z sygnałem niesymetrycznym, rozdzielczość jest ograniczona do 15-bitów (brak znaku sygnału), a rzeczywista jej wartość zależy od częstotliwości próbkowania A/C (minimalnie 12-bit z prędkością 240 próbek/s). Układ przetwornika U3 uzupełnia filtr wejściowy i zasilania.

Rysunek 4. Schemat montażowy płytki przetwornika

Przetwornik do komunikacji wykorzystuje interfejs I²C. Rezystory R13 i R14 podciągają sygnały magistrali interfejsu. Wskaźnik jest zasilany napięciem 3,3 V ze stabilizatora U2. Pobór prądu przez gotowe urządzenie nie przekracza 50 mA. Złącze ISP umożliwia zaprogramowanie procesora w układzie.

Aplikację utworzono w środowisku Energia. Program główny realizuje cykliczne odczytywanie przetwornika A/C, konwersję wyniku i wyświetlenie temperatury z zakresu 5...405°C na wyświetlaczu LED. Sygnalizowane są także dwa błędy:

  • "ErH", gdy odczyt jest większy niż 405°C, co może świadczyć o przerwie w obwodzie termopary,
  • "ErL", gdy odczyt jest mniejszy niż 5°C, co może świadczyć o przerwie w połączeniu przetwornika i wyświetlacza.

Schematy montażowe płytek zamieszczono na rysunku 4 i rysunku 5. Montaż jest typowy i nie wymaga opisu. Wyświetlacz jest montowany na listwie kielichowej SIP, aby ułatwić ewentualny szybki dostęp do elementów zamontowanych pod nim.

Rysunek 5. Schemat montażowy płytki wskaźnika

Do zapisu pamięci mikrokontrolera jest konieczny programator np. MSP430UIF lub bardziej nietypowo - zestaw Launchpad, który doskonale pełni funkcje programatora rodziny G2. Programowany mikrokontroler można umieścić w Launchpadzie korzystając z adaptera DIP20-SSOP20, ale wygodniej wykorzystać w tym celu interfejs ISP. Z zestawu należy usunąć umieszczony w podstawce procesor, połączyć wyprowadzenia VCC(1), GND(20), TEST(17), RST(16) z opowiadającymi pinami złącza ISP modułu wskaźnika. Przewody połączeniowe nie powinny być dłuższe niż 15 cm. Po uruchomieniu Energii, wczytaniu szkicu Thermo_K.ino i wybraniu mikrokontrolera MSP430G2452, można bezproblemowo zaprogramować układ U1 (rysunek 6).

Rysunek 6. Programowanie ISP przy użyciu Energii i Launchpada

Jeżeli w opracowywanych układach ograniczamy się tylko do programowania procesorów G2, warto ze starszych wersji Launchapada wykonać miniaturowy programator ISP poprzez przecięcie płytki wzdłuż linii przerywanej i wyprowadzenie złącza J3 na kołki SIP i dolutowaniu dodatkowego wyprowadzenia masy. Na skutek takich czynności otrzymujemy zgrabny, niedrogi programator USB, pokazany na fotografii 7.

Po zaprogramowaniu, połączeniu płytek wskaźnika i przetwornika kabelkiem SIP3, moduł gotowy jest do pracy i nie wymaga uruchamiania.

Wykaz elementów

Płytka modułu termopary Thermo_K_AD8495

Rezystory: (SMD 1206)
R1, R2: 10 kΩ
R3: 1 MΩ
Kondensatory:
C1, C2: 1 nF (SMD 1206)
C3,C4: 10 nF (SMD 1206)
CE1: 10 µF/10 V (SMD "A")
Półprzewodniki:
U1: AD8495ARMZ (MSOP8)
Inne:
KCON: złącze ARK2/5 mm
KSENS: złącze EH3 kątowe
L1: 1 µH/50 mA SMD 1206)

Fotografia 7. Zmodyfikowany Launchpad w roli programatora ISP

Płytka wskaźnika Thermo_K_UPC
Rezystory: (SMD 1206)
R1...R7, R12, R15: 330 Ω
R8...R10: 1 kΩ
R11: 47 kΩ
R13, R14: 10 kΩ
Kondensatory: (SMD 1206)
C1, C4: 1 nF
C2, C3: 10 µF
C5, C6: 100 nF
Półprzewodniki:
U1: MSP430G2412 (SSOP20)
U2: LM1117-3.3 (SOT-223)
U3: MCP3425A0 (SOT-23-6)
Q1...Q3: BC857 (SOT-23)
Inne:
DISP: AT-05636BMR-B (wyświetlacz potrójny, WA, bardzo jasny)
ISP: złącze męskie SIP4 2,54
L1: 1 µH/50 mA m(SMD 1206)
PWR: złącze męskie SIP2 2,54
TK: złącze męskie SIP3 2,54

Adam Tatuś, EP

Artykuł ukazał się w
Elektronika Praktyczna
grudzień 2013
DO POBRANIA
Pobierz PDF Download icon
Materiały dodatkowe
Elektronika Praktyczna Plus lipiec - grudzień 2012

Elektronika Praktyczna Plus

Monograficzne wydania specjalne

Elektronik listopad 2025

Elektronik

Magazyn elektroniki profesjonalnej

Raspberry Pi 2015

Raspberry Pi

Wykorzystaj wszystkie możliwości wyjątkowego minikomputera

Świat Radio listopad - grudzień 2025

Świat Radio

Magazyn krótkofalowców i amatorów CB

Automatyka, Podzespoły, Aplikacje listopad - grudzień 2025

Automatyka, Podzespoły, Aplikacje

Technika i rynek systemów automatyki

Elektronika Praktyczna listopad 2025

Elektronika Praktyczna

Międzynarodowy magazyn elektroników konstruktorów

Elektronika dla Wszystkich grudzień 2025

Elektronika dla Wszystkich

Interesująca elektronika dla pasjonatów