Przetwornik D/A z układem TDA1541

Przetwornik D/A z układem TDA1541
Pobierz PDF Download icon
Układ TDA1541(A) firmy Philips zgodnie z informacjami podawanymi przez producenta był przeznaczony do wysokiej klasy odtwarzaczy CD. Zasada jego działania jest oparta o sterowane słowem 16-bitowym źródło prądowe. Dokładność przetwornika zapewniała niewielkie (jak na standardy początku ery odtwarzaczy CD) błędy przetwarzania, dobry odstęp sygnału od szumu oraz liniowość, szczególnie przy niskich poziomach sygnału. Chyba te parametry spowodowały, że układ cieszy się ogromną popularnością i obrósł w swego rodzaju legendę.

Rekomendacje: wysokiej jakości przetwornik D/A przeznaczony dla miłośników klasycznych rozwiązań.

Przetwornik D/A wykonano jako urządzenie modułowe. Poszczególne płytki realizują jedną funkcję układu, a każda z nich ma oddzielne zasilanie. Schemat blokowy proponowanego rozwiązania pokazano na rysunku 1.

Odbiornik SPDIF

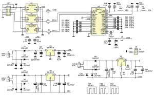
Sygnał SPDIF ze złącza J1 poprzez transformator separujący TR1 jest podawany na wejście układu U2. Rolę dekodera SPDIF/I²S pełnik układ WM8804 - popularny i cieszący się dobrą opinią odbiornik firmy Wolfson. WM8804 jest bardzo łatwy w aplikacji, charakteryzuje się również dobrymi parametrami wyjściowego sygnału I²S, np. mały jitterem. Schemat ideowy odbiornika zaprezentowano na rysunku 2. Układ jest konfigurowany sprzętowo. Częstotliwość pracy generatora zegarowego odbiornika WM8804 jest stabilizowana za pomocą zewnętrznego kwarcu XT1 o częstotliwości 12 MHz. Warto zadbać o jakość generatora sygnału zegarowego i postarać się zakupić kwarc o jak najlepszej stabilności.

Rysunek 1. Schemat blokowy DAC TDA1541.

Rysunek 2. Schemat odbiornika SPDIF.

Poprawny restart odbiornika zapewnia specjalizowany układ MCP100T (U1) w wersji zasilanej napięciem 3 V, ponieważ jak wynika z moich doświadczeń - często stosowany obwód RC zawodzi czasami powodując nieprawidłową pracę odbiornika. Zdekodowany sygnał I²S jest doprowadzony do złącza J4.

Odbiornik jest zasilany z dwóch stabilizatorów LDO, osobno zasilane są część cyfrowa i analogowa (U2). Dodatkowy obwód składający się z dławika L2 i kondensatora C4 filtruje zasilanie wewnętrznej pętli PLL. Napięcie zmienne jest prostowane z użyciem szybkiego mostku Graetza i filtrowane przez kondensator CE1 o niskiej ESR. Napięcie przemienne 6 V/0,5A jest pobierane z osobnego uzwojenia transformatora zasilającego. Dioda LD1 sygnalizuje poprawny odbiór danych SPDIF.

Przetwornik D/A

Rysunek 3. Schemat przetwornika cyfrowo-analogowego

Sygnał I²S z odbiornika, poprzez transceivery linii U1 i U3 zapewniające konwersję sygnału o poziomie 3,3 V do poziomu TTL akceptowanego przez układ przetwornika, jest doprowadzany do wejść I²S układu U4. Zasilanie 3,3 V wymagane dla poprawnej pracy transceiverów jest dostarczane z modułu odbiornika. Kondensatory C3...C16 odsprzęgają stopnie konwersji D/A układu TDA1541. Warto zadbać o ich jakość, ponieważ mają one bezpośredni wpływ na pracę przetwornika. Należy zastosować kondensatory foliowe o bardzo dobrej jakości, najlepiej od sprawdzonych producentów. Firma Philips zalecała stosowanie kondensatorów o pojemności 100 nF, jednak w wielu fabrycznych aplikacjach używa się większych pojemności, a zdarzają się nawet aplikacje z pojemnościami 1 µF. Na płytce przewidziano sporo miejsca na kondensatory, więc nie powinno być problemu z ich zmianą na inne, niż zalecane.

Układ wymaga zasilania trzema napięciami stałymi, każde napięcie jest stabilizowane przez osobny regulator zasilany z szybkiego prostownika diodowego i odrębnego uzwojenia transformatora. Dodatkowo, każde z napięć jest filtrowane za pomocą dławika i kondensatora (np. dławik L1, kondensatory C18 i CE1) dla zapewnienia niezaszumionego zasilania i niewielkiego wpływu współpracujących obwodów analogowych i cyfrowych przetwornika. Przetworzony analogowy sygnał prądowy doprowadzony jest do złącza J5.

Układ konwersji I/U

Rysunek 4. Schemat konwertera prąd/napięcie

Schemat układu pokazano na rysunku 4. Wyjściowy prąd przetwornika jest przetwarzany na sygnał napięciowy i filtrowany w układzie opartym o wysokiej jakości wzmacniacze operacyjne. Konwerter ma oddzielne wzmacniacze dla każdego kanału. Zastosowano wzmacniacze AD797 charakteryzujące się precyzją pracy i szerokim pasmem przenoszenia oraz cieszące się dobrą opinią użytkowników. Filtr jest zbudowany na nowoczesnym podwójnym wzmacniaczu typu LM4562. W układzie, aby w pełni wykorzystać właściwości wzmacniaczy, jest konieczne zastosowanie wysokiej jakości elementów biernych. Jest to niezbędne ze względu na kształtowanie charakterystyki częstotliwościowej, a co się z tym wiąże - bezpośrednim wpływem na brzmienie. Należy zastosować elementy precyzyjne lub przynajmniej dobieranych ze względu na tolerancję wartości oraz w celu zminimalizowania różnic pomiędzy kanałami stereofonicznymi.

Układ jest zasilany jest z odrębnego zasilacza o rozwiązaniu układowym identycznym, jak w przetworniku D/A. Ze względu na sporą wymaganą pojemność sprzęgającą na wyjściu jest możliwe zastosowanie pojedynczego kondensatora osiowego C5L, C5R lub zestawu kilku mniejszych blokowych C6L...C8L, C6R...C8R.

Montaż układu

Każdy blok przetwornika D/A zmontowano na oddzielnej, dwustronnej płytce drukowanej z metalizacją otworów. Sposób montażu jest typowy i nie wymaga opisu. Polecam zastosowanie podstawek pod układ TDA1541 oraz wzmacniacze operacyjne. Umożliwia to eksperymentowanie z różnymi selekcjami TDA1541 oraz dobór wzmacniaczy w zależności od upodobań lub zasobności portfela. W przetworniku poprawnie pracują także najtańsze i popularne wzmacniacze operacyjne NE5532, NE5534, NE4560 i właśnie od nich warto rozpocząć eksperymenty.

Schematy montażowe poszczególnych płytek zaprezentowano na rysunku 5 - odbiornik I²S, rysunku 6 - przetwornik, rysunku 7 - konwerter prąd na napięcie. Wszystkie płytki zamontowano w obudowie metalowej. Ze względu na niewielkie wymiary, płytkę odbiornika zamontowano na płytce przetwornika. Otwory mocujące wykonane w płytkach umożliwiają dostosowanie montażu do typu posiadanej obudowy. Można wybrać pomiędzy konstrukcją kanapkową, gdzie płytki mocowane są jedna nad drugą za pomocą słupków dystansowych. Dzięki temu można zastosować wysoką, wąską obudowę. Innym wariantem montażowym jest umieszczenie płytek obok siebie, co umożliwia zastosowanie modnej, niskiej obudowy. W modelu zastosowano gniazda RCA do montażu na obudowie. Sygnały wyjściowe doprowadzono do nich krótkimi odcinkami srebrzanki. Pod transformatorem, oprócz fabrycznej gumowej podkładki amortyzującej, jest zamontowana na neoprenowej piance płytka izolacyjna o wymiarach o 5 mm większych od transformatora. Zapewnia to dodatkową ochronę uzwojeń przed uszkodzeniem mechanicznym oraz zapobiega przenoszeniu się wibracji transformatora na obudowę.

Rysunek 5. Rozmieszczenie elementów płytki odbiornika

Rysunek 6. Rozmieszczenie elementów płytki przetwornika

Rysunek 7. Rozmieszczenie elementów płytki konwertera prąd/napięcie

Wszystkie przewody doprowadzające napięcia z uzwojeń wtórnych transformatora są skręcone w celu zniwelowania pola magnetycznego a tym samym zaburzeń promieniowanych. Przewody zasilania 230 VAC, należy dodatkowo zaizolować rurką termokurczliwą lub koszulką izolacyjną oraz skręcić, zabezpieczając także połączenia z gniazdem IEC. Przewód ochronny jest dołączony do obudowy w pobliżu gniazda zasilania. Przewód wyprowadzający ekran elektrostatyczny z transformatora jest podłączony w miejscu dołączenia przewodu ochronnego.

Wykaz elementów

Odbiornik SPDIF

Rezystory: (SMD 1206, 1%)
R2: 75 Ω
R3, R5: 1 kΩ
R4: 10 kΩ
R6...R8: 33 Ω

Kondensatory:
C2, C7, C10; 0,1 µF (SMD 1206)
C3, C4, C8, C9, C11: 10 µF (SMD 1206)
C5, C6: 18 pF (SMD 1206)
CE1: 1000 µF/16 V (CE0.2_12, elektrolit. LOW ESR)

Półprzewodniki:
D2...D5: SUF4007 (SMB)
LD1: dioda LED 3 mm
U1: MCP100T-3V (SOT-23)
U2: WM8804 (SSOP20)
U3, U4: LM1117-3.3 (SOT-223)

Inne:
J1: złącze RCA do druku
J2: złącze RCA KK2; 2,54 mm
J3: złącze ARK2; 5 mm
J4: złącze IDC10 kompletne
L2: dławik SMD 10 µH/200 mA
TR1: transformator DA101MC
XT1: 12 MHz (kwarc HC49U, niski)

Przetwornik D/A

Rezystory: (SMD 1206, 1%)
R1...R3: 33 Ω
R4: 220 Ω
R5: 2,4 kΩ

Kondensatory:
C1, C2, C18...C26: 0,1 µF (SMD 1206)
C3...C16: 0,22 µF (foliowy, R=-5-10 mm)
C17: 470 pF (foliowy)
CE1, CE2: 10 µF (SMB, tantalowy)
CE3: 2,2 µF (SMB, tantalowy)
CE4, CE6: 2200 µF/16 V (CE0.3/18, elektrolityczny LOW ESR)
CE5, CE7: 100 µF/10 V (CE0.15, elektrolityczny LOW ESR)
CE8: 1000 µF/35 V (CE0.3/18, elektrolityczny LOW ESR)
CE9: 100 µF/25 V (CE0.15, elektrolityczny LOW ESR)

Półprzewodniki:
D1...D12: SUF4007
U1...U3: SN74LVC1T45 (SOT-23-6)
U4: TDA1541 (DIP28)
U5, U6: LM1117-5 (TO-220)
U7: LM317 (TO-220)

Inne:
HS1...HS3: radiator HS-003
J1: złącze IDC10 kompletne
J2...J4: złącze ARK2, 5 mm
J5: złącze SIP3/2,54 mm
L1...L3: dławik SMD 1 µH/200 mA

Konwerter prąd/napięcie

Rezystory:
R1, R3: 2,4 kΩ (SMD 1206, 1%)
R2, R4: 220 Ω (SMD 1206, 1%)
R1L, R1R: 10 Ω (THT, 1%, R0.4)
R2L, R2R: 1,8 kΩ (THT, 1%, R0.4)
R3L, R3R, R7L, R7R: 100 Ω (THT, 1%, R0.4)
R4L, R4R, R5L, R5R: 2,4 kΩ (THT, 1%, R0.4)
R6L, R6R: 220 kΩ (THT, 1%, R0.4)

Kondensatory:
C1...C10: 0,1 µF (SMD 1206)
C1L, C1R, C2L, C2R, C4L, C4R: 1 nF (foliowy)
C3L, C3R: 2,2 nF (foliowy)
C5L, C5R: 10 µF (foliowy, zamiennie z C6R... C8R, C6L...C8L - opis w tekście)
C6L...C8L, C6R...C8R: 3,3 µF (foliowy)
CE1...CE6: 2,2 µF (SMB tantalowy)
CE7, CE9: 1000 µF/35 V (CE0.3/18, elektrolityczny LOW ESR)
CE8, CE10: 100 µF/25 V (CE0.15, elektrolityczny LOW ESR)

Półprzewodniki:
D1...D8: SUF4007
U1: LM4562 (DIP8)
U3, U4: LM317 (TO-220)
U1L, U1R: AD797 (DIP8)

Inne:
HS1, HS2: radiator HS-003
J1, J2: złącze SIP3; 2,54 mm
J3, J4: złącze ARK2, 5 mm
J1L, J1R: złącze RCA do druku
L1...L6: dławik SMD 1 µH/200 mA

Uruchomienie układu

Poprawnie zmontowany ze sprawnych elementów układ nie wymaga żadnych regulacji i działa od pierwszego włączenia. Wystarczy tylko podłączyć przetwornik do wzmacniacza, doprowadzić sygnał SPDIF i można cieszyć się muzyką.

Adam Tatuś, EP

Artykuł ukazał się w
Elektronika Praktyczna
marzec 2013
DO POBRANIA
Pobierz PDF Download icon
Materiały dodatkowe
Elektronika Praktyczna Plus lipiec - grudzień 2012

Elektronika Praktyczna Plus

Monograficzne wydania specjalne

Elektronik listopad 2025

Elektronik

Magazyn elektroniki profesjonalnej

Raspberry Pi 2015

Raspberry Pi

Wykorzystaj wszystkie możliwości wyjątkowego minikomputera

Świat Radio listopad - grudzień 2025

Świat Radio

Magazyn krótkofalowców i amatorów CB

Automatyka, Podzespoły, Aplikacje listopad - grudzień 2025

Automatyka, Podzespoły, Aplikacje

Technika i rynek systemów automatyki

Elektronika Praktyczna listopad 2025

Elektronika Praktyczna

Międzynarodowy magazyn elektroników konstruktorów

Elektronika dla Wszystkich grudzień 2025

Elektronika dla Wszystkich

Interesująca elektronika dla pasjonatów