PRE4562 - przedwzmacniacz liniowy audio

PRE4562 - przedwzmacniacz liniowy audio
Pobierz PDF Download icon

Przedwzmacniacz liniowy audio z przełącznikiem wejść sygnałowych jest niezbędnym elementem każdego rozbudowanego toru wzmacniacza. Opisywany projekt wyposażono w przekaźnikowy (PVC) regulator głośności eliminujący problemy ze współczesnymi potencjometrami oraz zdalne sterowanie usprawniające obsługę przy zachowaniu najprostszych możliwych rozwiązań układowych. Dzięki zastosowaniu nowoczesnych elementów, niewielkim nakładem kosztów można uzyskać bardzo przyzwoity efekt. Rekomendacje: kompletny przedwzmacniacz z selektorem źródeł, który przyda się np. w konstruowanym wzmacniaczu mocy.

Rysunek 1. Schemat potencjometru regulacji głośności

Przedwzmacniacz składa się trzech bloków funkcjonalnych:

  • regulatora głośności PVC z przełącznikiem dla trzech wejść sygnałowych (zmodyfikowany układ z EP6/11, regulacja w 64 krokach pseudologarytmiczna),
  • przedwzmacniacza liniowego opartego o nowoczesny wzmacniacz operacyjny typu LM4562 z wbudowanym niskoszumnym zasilaczem z układami ADP7102,
  • układu zdalnego sterowania z mikrokontrolerem ATmega328 i wyświetlaczem LCD.

Schemat potencjometru regulatora głośności pokazano na rysunku 1. W prototypie ten potencjometr ma rezystancję 25,5 kΩ i bazowy krok 100 Ω. Pozostałe elementy są wielokrotnością i powstają poprzez odpowiednie połączenie rezystorów o opornościach: 100 Ω, 200 Ω, 200 Ω+200 Ω; 1,6 kΩ równolegle z 1,6 kΩ; 1,6 kΩ; 1,6 kΩ+1,6 kΩ; 6,2 kΩ+200 Ω, 12 kΩ szeregowo z połączonymi równolegle dwoma rezystorami 1,6 kΩ.

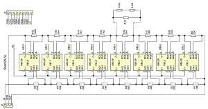
Rysunek 2. Płytka selektora wejść

Oczywiście, dopuszczalne są połączenia innych wartości, w zależności od oczekiwanej rezystancji potencjometru. Za przełączanie drabinki rezystorów odbywa się za pomocą przekaźników miniaturowych typu G6K-2F, idealnie nadających się do przełączania sygnałów o niedużych wartościach napięcia i prądu. Odpowiednie oprogramowanie umożliwia uzyskanie zbliżonej do logarytmicznej charakterystyki regulacji głośności.

Potencjometr (2 szt.) jest podstawowym elementem składowym płytki selektora, której schemat pokazano na rysunku 2. Zrezygnowałem w nim z gniazd lutowanych do druku na rzecz konektorów SIP i gniazd montowanych do obudowy, co umożliwia łatwiejsze umieszczenie urządzenia w mniejszej obudowie lub zastosowanie gniazd RCA o wyższej jakości.

Sygnały wejściowe doprowadzone są do gniazd J1-J3L/R i poprzez przekaźniki wyboru źródła REL1/2 do potencjometrów PVC. Sygnał wyjściowy jest dostępny na złączach J-J1R/L. Dla zwiększenia elastyczności zastosowań płytki, złącza JL1 i JR1 umieszczone są po tej samej stronie płytki, co złącza wejściowe. Umożliwia to niezależne zastosowanie płytki selektora i skrócenie wyprowadzeń do minimum.

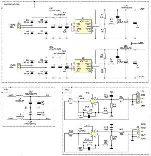
Rysunek 3. Schemat płytki przedwzmacniacza

Obwód rezystor R1/ kondensator C1 ustala potencjał obudowy na poziomie masy jednocześnie w większości wypadków zapobiegając problemom z pętlą masy. W prototypie zrezygnowałem z regulacji balansu. Sterowanie przekaźników PVC kanału lewego i prawego jest połączone równolegle i doprowadzone jest do złącza J1.

Z płytki selektora i PVC sygnał jest doprowadzony do płytki przedwzmacniacza. Jej schemat przedstawiono na rysunku 3. Przedwzmacniacz wykonano w oparciu niskoszumny wzmacniacz operacyjny U3 typu LM4562. Ustalono wzmocnienie ku=2 V/V jako wystarczające w większości zastosowań. Sygnał wejściowy poprzez filtr dolnoprzepustowy rezystor R1L+ kondensator C1L jest doprowadzony do wejścia nieodwracającego U3, rezystory R3 i R4 ustalają wzmocnienie (można zmienić w zależności od potrzeb).

Kondensator C2 kształtuje charakterystykę pętli sprzężenia zwrotnego, niewielkie jego korekty pozwalają na wyeliminowanie "dzwonienia" przebiegu prostokątnego. Rezystor R5L zabezpiecza wzmacniacz przed przegrzaniem w wypadku zwarcia na wyjściu i ogranicza wydajność prądową wzmacniacza. LM4562. Doskonale współpracuje przy tym z małym obciążeniem, nawet rzędu 600 V, zachowując niewielkie zniekształcenia, co pozwala na bezpośrednie zasilanie słuchawek o rezystancji 600 V. W rzeczywistości obciążenie przedwzmacniacza jest znacznie większe, co zmniejsza poziom zniekształceń. Dzięki nowoczesnemu wzmacniaczowi operacyjnemu, nawet tak prosty układ ma doskonałe parametry.

Rysunek 4. Schemat układu zdalnego sterowania

Jak to bywa w większości "nieskomplikowanych" układów, dla osiągnięcia zadawalających parametrów zasilacz bywa bardziej skomplikowany od zasilanego układu. Aby nie pogarszać parametrów LM4562, układ wymaga symetrycznego zasilania o niskim poziomie szumów. Stabilizator U1 typu ADP7102 doskonale wypełnia to zadanie.

Napięcie przemienne po wyprostowaniu za pomocą mostka złożonego z szybkich diod D1...D4 i odfiltrowaniu jest podawane wejście stabilizatora U1. Dzielnik rezystancyjny złożony z rezystorów R5 i R6 ustala napięcie wyjściowe. Rezystor R4 i kondensator C5 kompensują pętlę sprzężenia U1, kondensatory C3 oraz CE3 zapewniają stabilność U1 i odsprzęgają zasilanie.

Sam wzmacniacz U3 jest zasilany poprzez dodatkowy filtr złożony z dławika L1 i kondensatorów CE7, C7. Zasilacz napięcia ujemnego jest identyczny. W celu uzyskania dobrych parametrów przedwzmacniacza, należy zastosować kondensatory elektrolityczne o małej rezystancji szeregowej ESR. Układ jest zasilany z dwóch uzwojeń 12 V/200 mA transformatora toroidalnego.

Fotografia 5. Piloty zgodne z przedwzmacniaczem i przetestowane z prototypem

Przedwzmacniacz uzupełnia układ zdalnego sterowania. Umożliwia on załączenie i wyłączenie przedwzmacniacza, regulację głośności, przełączenie wejść, wyciszanie oraz pamięć ustawień przy wyłączeniu zasilania. Wybrane wejście oraz poziom głośności są prezentowane na wyświetlaczu LCD o rozdzielczości 2 linie × 8 znaków. W prototypie zastosowano wyświetlacz negatywowy z podświetlaniem bursztynowym, idealnie zgrywający się ze współpracującym wzmacniaczem lampowym.

Godne polecenia jest zastosowanie wyświetlacza OLED, kompatybilnego pod względem rozmieszczenia wyprowadzeń, a niemającego wad LCD. Jest on co prawda nieco droższy, ale zdecydowanie bardziej czytelny (dostępne są już w kolorze żółtym i zielonym). Wystarczy nie montować potencjometru kontrastu i obwodu zasilania podświetlenia. W przedwzmacniaczu zrezygnowano z klawiatury - jest on obsługiwany wyłącznie za pomocą pilota zdalnego sterowania.

Schemat płytki zdalnego sterowania pokazano na rysunku 4. Jej sercem jest mikrokontroler ATmega328 taktowany kwarcem 16 MHz. Jako odbiornik podczerwieni zastosowano TSOP4838 z charakterystyczną soczewką (zdecydowanie łatwiej zamontować go na froncie obudowy - wystarczy wywiercić otwór 5 mm). Bufory U3 i U4 zapewniają wysterowanie przekaźników PVC i selektora.

Rysunek 6. Schemat montażowy potencjometru

Przekaźnik RL1 jest aktywowany po włączeniu przedwzmacniacza i umożliwia zdalne załączenie końcówek mocy. Jego styki zwierne doprowadzono do złącz J3 i J4. Dioda LD1 sygnalizuje wyłączenie przedwzmacniacza. Zasilacz układu jest typowy, oparty o stabilizator LDO. Dostarcza napięci +5 V zarówno do zasilania mikrokontrolera, jak i cewek przekaźników. Całość jest zasilana napięciem 7,5 V z osobnego uzwojenia transformatora.

Do obsługi prototypu jest używany bardzo wygodny pilot pracujący w standardzie RC5 typu IRC352, Wykorzystywany jest adres "0", typowo przypisany odbiornikom TV. Na fotografii 5 pokazano przykładowe piloty zgodne z IR352, w tym bardzo popularny RC6 - nie grzeszy on co prawda jakością wykonania i wygodą obsługi, ale można go nabyć dosłownie za kilka złotych.

Oprogramowanie

Rysunek 7. Schemat montażowy selektora wejść

Ze względu na potencjalne problemy ze współpracą z posiadanym pilotem zdalnego sterowania, ograniczoną możliwością zakupu pilota zastosowanego w prototypie lub problemami z dostosowaniem oprogramowania do własnych potrzeb, program sterujący napisano za pomocą kompilatora Arduino przy zastosowaniu bibliotek IRremote (http://github.com/shirriff/Arduino-IRremote). Listing programu zamieszczono w materiałach dodatkowych (zgodnie z terminologią Arduino, tekst programu nosi nazwę szkicu).

Przyciski VOL+/VOL- służą do zmiany głośności, natomiast StandBy do załączenia/wyłączenia przedwzmacniacza. Zasilanie nie jest przy tym wyłączane, ale jedynie są wyciszana wyjścia - w ten sposób przedwzmacniacz jest zawsze gotowy do pracy. Do wyboru wejść służą klawisze 1, 2, 3, a przycisk MUTE do wyciszenia sygnału.

Rysunek 8. Schemat montażowy modułu zdalnego sterowania

W wypadku konieczności zmiany pilota lub dopasowania niezgodnego z RC5, pomocnym szkicem jest IRtest z biblioteki IRremote. Za jego pomocą można określić standard nadawania oraz kody przypisane klawiszom pilota i odpowiednio zmodyfikować szkic programu sterującego.

Wykaz elementów

Przedwzmaczniacz:

Rezystory: (SMD 1206, 1%)
R1, R6: 91 kΩ
R2, R3...R5: 10 kΩ
R1L, R1R, R5L, R5R: 100 Ω (metalizowany, niskoszumny, THT, 1%)
R2L...R4L, R2R...R4R: 47 kΩ (metalizowany, niskoszumny, THT, 1%)

Kondensatory:
C1, C3, C4, C6...C8: 1 µF (SMD 1206)
C2, C5: 0,1 µF (SMD 1206)
C1L, C1R, C2L, C2R: 10 pF (ceram.)
CE1...CE5: 470 µF/25 V (CE0.2_12, elektrolit. Low ESR; R=5 mm)
CE3, CE6...CE8: 100 µF/25 V (CE0.15_9, elektrolit., Low ESR; R=3,5 mm)

Półprzewodniki:
D1...D8: RS1D (MELF)
U1, U2: ADP7102 (SO8TP)
U3: LM4562 (DIP-8)

Inne:
J1, J2: ARK2-200 (złącze śrubowe ARK2 5 mm)
JL, JR: złącze SIP4
L1, L2: 10 mH/0,1 A (dławik)

Zdalne sterowanie:

Rezystory: (SMD 0805)
R1, R4: 100 Ω
R2: 22 kΩ
R3: 2,2 kΩ
R5: 1 kΩ
RΩ1: 10 kΩ (RΩ0.2, pot. montażowy)

Kondensatory:
C1, C4...C6: 100 nF (SMD 0805)
C2, C3: 22 pF (SMD 0805)
CE1, CE2: 10 µF/16 V (CE0.1, elektrolit.; R=2,5 mm)
CE3: 1000 µF/16 V (CE0.2, elektrolit.; R=5 mm)

Półprzewodniki:
IR: TSOP4836 (odbiornik podcz.)
U1: ATmega328-16AU (TQFP32)
U2: LF50CV (TO-220)
U3, U4: ULN2003 (SO-16)
BR1: B10S (mostek prostowniczy SMD)
LD1: dioda LED

Inne:
ISP: złącze IDC6
J1, J3, J4: złącze KK R=2,54
J2: złącze IDC14 (kompletne z taśmą 1:1)
LCD1: HY0802 (wyświetlacz LCD 2×8)
RL1: przekaźnik AZ850-5 (cewka 5 V)
XTAL1: 16 MHz (kwarc niski HC49S)

Selektor wejść:

R1: 100 Ω (SMD 1206)
R1L...R3L, R1R...R3R: 1 MΩ (SMD 1206, 1%)
C1: 0,1 µF (SMD 1206)
J1: złącze IDC14 (kompletne)
J1L...J3L, J1R...J3R, JL, JL1, JR, JR1: złącze SIP2 (kompletne + gniazda RCA)
PCB1, PCB2: 2 zmontowane moduły potencjometru
REL1, REL2: przekaźnik G6K-2F-5V (5 V)

Montaż

Rysunek 9. Schemat montażowy przedwzmacniacza

Moduły współpracujące z przedwzmacniaczem (potencjometr, selektor, zdalne sterowanie) zmontowano na 4 dwustronnych płytkach drukowanych (dwie płytki potencjometru są identyczne). Poszczególne schematy montażowe pokazano na rysunkach 6...8. Dwa moduły potencjometru wraz z pozostałymi elementami należy wlutować do płytki przełącznika wejść.

Schemat montażowy przedwzmacniacza pokazano na rysunku 9. Cały układ poprzez gniazdo IEC z oprawką bezpiecznikową jest zasilany z pojedynczego transformatora toroidalnego w wykonaniu audio. Ekran elektrostatyczny transformatora należy połączyć z obudową i bolcem ochronnym gniazda IEC. Transformator trzeba zamontować na podkładce izolacyjnej oraz dodatkowo na podkładce gumowej tłumiącej ewentualne drgania.

Przewody oraz wyprowadzenia 230 VAC muszą być dodatkowo zaizolowane koszulkami termokurczliwymi. Przewód ochronny gniazda IEC należy połączyć z obudową w okolicach gniazda IEC. Okablowanie gniazd wejściowych ze względu na ich niewielka długość przy zachowaniu rozmieszczenia elementów jak w prototypie, można wykonać skrętką nieekranowaną. Połączenia płytki selektora i przedwzmacniacza należy wykonać przewodami w ekranie.

Rysunek 10. Szkic panelu czołowego

W wypadku innego rozmieszczenia elementów i większej odległości gniazd od selektora, także te połączenia powinny być ekranowane. Połączenie zdalnego sterowania i selektora wykonano z użyciem taśmy 14-przewodowej i złącz zaciskanych IDC14. Przewody doprowadzające napięcia z uzwojeń transformatora są skręcone oraz dodatkowo izolowane za pomocą koszulki termokurczliwej.

Jeżeli mamy zamiar korzystania z wyjść sterujących do załączania końcówek mocy, to na ściance tylnej należy zamontować gniazda J5i J6, najlepiej typu mini Jack 3.5 mono, koniecznie z izolowaną obudową (jak w prototypie). Metalową obudowę modelu kupiono na jednym z portali aukcyjnych, proponowany wygląd płyty czołowej pokazano na rysunku 10.

Rysunek 11. Schemat połączenia poszczególnych płytek przedwzmacniacza

Zmontowany model z proponowanym rozmieszczeniem płytek zaprezentowano na rysunku 11. Zmontowany ze sprawnych elementów, po zaprogramowaniu procesora plikiem PRE4562.hex, ustawieniu bitów BODLEVEL=4,3 V, EXTOSC Crystal>8 MHz 16KCK/14CK/52 ms, działa od pierwszego włączenia. Należy sprawdzić poprawność współpracy z pilotem i wyłączyć układ w celu zapisania nastaw do EEPROM. Po kolejnym włączeniu, układ powinien je przywrócić - od teraz można podłączyć przedwzmacniacz do systemu.

Prototyp przedwzmacniacza prezentuje się bardziej niż skromnie, ale nie przepadam za rozwiązaniami barokowymi.

Adam Tatuś, EP

Dodatkowe materiały znajdziesz na FTP
user: 32858, pass: 4285avne

Artykuł ukazał się w
Elektronika Praktyczna
luty 2013
DO POBRANIA
Pobierz PDF Download icon
Materiały dodatkowe
Elektronika Praktyczna Plus lipiec - grudzień 2012

Elektronika Praktyczna Plus

Monograficzne wydania specjalne

Elektronik listopad 2025

Elektronik

Magazyn elektroniki profesjonalnej

Raspberry Pi 2015

Raspberry Pi

Wykorzystaj wszystkie możliwości wyjątkowego minikomputera

Świat Radio listopad - grudzień 2025

Świat Radio

Magazyn krótkofalowców i amatorów CB

Automatyka, Podzespoły, Aplikacje listopad - grudzień 2025

Automatyka, Podzespoły, Aplikacje

Technika i rynek systemów automatyki

Elektronika Praktyczna listopad 2025

Elektronika Praktyczna

Międzynarodowy magazyn elektroników konstruktorów

Elektronika dla Wszystkich grudzień 2025

Elektronika dla Wszystkich

Interesująca elektronika dla pasjonatów