Miernik tablicowy UIPt

Miernik tablicowy UIPt
Pobierz PDF Download icon

Miernik UIPt umożliwia pomiar napięcia (U), prądu (I), mocy (P) i temperatury (T). Wiele różnego rodzaju mierników przeznaczonych do zastosowania we własnym sprzęcie było już opisywanych w EP, jednak nie udało mi się znaleźć takiego, który umożliwiałby pomiar wielkości innych niż napięcie i prąd. Dlatego wykonałem wielofunkcyjny przyrząd, ma 8 wejść, każde konfigurowane i kalibrowane niezależnie, a dzięki dostępności źródeł programu, można go łatwo przystosować do własnych potrzeb.
Rekomendacje: miernik będzie ciekawym rozszerzeniem dla zasilacza warsztatowego lub innego laboratoryjnego źródła zasilania.

Opisywany miernik może znaleźć zastosowanie w zasilaczu laboratoryjnym, gdzie wygodne jest przedstawienie wyniku kilku pomiarów. Przydatny może być też pomiar temperatury. Po niewielkiej zmianie oprogramowania można sterować przekaźnikiem załączającym wentylator po przekroczeniu temperatury granicznej. Zmieniając dzielniki na wejściach miernika oraz wykonując kalibrację, można zmienić zakres pomiarowy.

Budowa i zasada działania

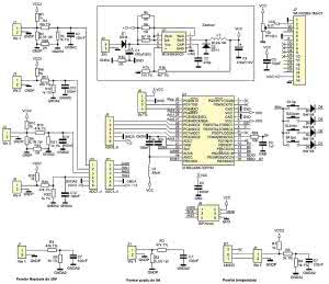
Rysunek 1. Schemat ideowy miernika UIPt

Schemat ideowy miernika pokazano na rysunku 1. Miernik składa się z dwóch płytek. Na jednej umieszczono zasilacz impulsowy, mikrokontroler oraz wyświetlacz LCD i klawiaturę, natomiast na drugiej dzielniki napięcia i boczniki do pomiaru prądu. Taka konstrukcja ułatwiła prowadzenie ścieżek przewodzących duże prądy. Ponadto, płytkę dzielników i boczników można umieścić w miejscu oddalonym od bloku mikrokontrolera, co ułatwia prowadzenie okablowania np. zasilacza, w którym część moduły mocy najczęściej są umieszczane z tyłu obudowy, a miernik na panelu czołowym.

Zasilacz miernika wykonano z użyciem układu scalonego stabilizatora impulsowego MC34063A pracującego w konfiguracji step-down. Zasilacz dostarcza napięcia 5 V. Jego wybór był podyktowany typem zastosowanego wyświetlacza LCD (te zasilane napięciem 3,3 V są droższe i dostępne w dużo mniejszym asortymencie). Jakkolwiek miernik pobiera prąd o natężeniu około 70 mA, to ograniczenie prądowe zasilacza ustawiono na 500 mA. Jest to spowodowane faktem, że prąd pobierany przez miernik w dużej mierze zależy od zastosowanego wyświetlacza i może przekroczyć 300 mA w wypadku zastosowania starszych modeli wyświetlaczy.

Rysunek 2. Sposób konfigurowania płytki boczników/dzielników

Jako źródło napięcia odniesienia wykorzystano to wbudowane w mikrokontroler dostarczające napięcie 1,1 V filtrowane za pomocą kondensatora C5. 4-przyciskowa klawiatura do obsługi miernika jest dołączona do magistrali wyświetlacza LCD. Aby naciśnięcie więcej niż jednego przycisku nie powodowało zakłóceń w transmisji danych do LCD, zastosowano diody separujące D3…D6.

Wielkość płytki dopasowano do wymiarów typowego wyświetlacza LCD 2×16 znaków. Jest ona nieco powiększona w porównaniu ze wspomnianym LCD o miejsce przeznaczone na przyciski. W mierniku można zastosować wyświetlacz 4x16 znaków, dzięki czemu nie ma konieczności przełączania ekranów (wyniki wszystkich 8 pomiarów są widoczne równocześnie). Zamiast wyświetlacza 4×16 można zastosować wyświetlacz 4×20 znaków. Wówczas wyniki pomiarów są bardziej czytelne, zwłaszcza dla temperatur ujemnych, większych niż 99,9°C lub odczytów mocy większej niż 99,9 W.

Rysunek 3. Schemat montażowy płytki boczników/dzielników

Większy wyświetlacz (4×20) jest na tyle szeroki, że zasłania klawiaturę. Ze względu na to, że jest ona używana jedynie do kalibrowania miernika, to można ją wlutować od drugiej stronie płytki.

Można się zastanowić, czy przy zastosowaniu wyświetlacza o większej liczbie znaków nie należałoby wyświetlić w wynikach pomiarów drugiego miejsca po przecinku, ale biorąc pod uwagę dokładność przetwornika A/C w mikrokontrolerze, nie wydaje się to być celowe.

Płytka boczników i dzielników musi być konfigurowana zależnie od mierzonej wielkości. Sposób jej konfigurowania pokazano na rysunku 2. Płytka ma 4 wejścia. Jeśli chcemy mierzyć więcej wielkości i potrzebujemy więcej wejść, to należy wykonać drugą płytkę i przyłączyć J5.

Montaż i uruchomienie:

Rysunek 4. Schemat montażowy miernika UIPt

Schemat montażowy płytki dzielników/boczników pokazano na rysunku 3, natomiast miernika na rysunku 4. Montaż elementów elektronicznych jest typowy i nie wymaga szczegółowego omawiania. Sugeruję najpierw zmontować elementy bierne, pomijając R23 przeznaczony do regulacji kontrastu, a nieobsługiwany w aktualnej wersji programu. W kolejnym kroku montujemy U1 i podłączamy zasilanie. Napięcie Vcc powinno wynosić około 5 V. Jeśli napięcie jest poprawne, wlutowujemy U2 i programujemy go. Bity konfiguracyjne mikrokontrolera można zostawić zaprogramowane domyślnie, ewentualnie włączyć WDG i BOD, jak na rysunku 5. Oczywiście, można wlutować już zaprogramowany mikrokontroler.

Jako U2 można użyć mikrokontrolerów ATmega88, ATmega168 lub ATmega328. Ze względu na niewielką pojemność pamięci Flash, program dla ATmega88 ma pewne ograniczenia: brak pomiaru mocy i obsługi LCD innych niż 2×16. W pełni funkcjonalny program zajmuje blisko 70% pojemności pamięci Flash mikrokontrolera ATmega168.

Pod wyświetlacz warto zastosować gniazdo goldpin, a w wyświetlacz wlutować goldpin 1x16. Metalową ramkę wyświetlacza warto połączyć z masą układu, co podnosi ogólną odporność miernika na zaburzenia ESD.

Płytkę dzielników i boczników montujemy różnie zależnie od mierzonych wielkości, co opisano wcześniej. Boczniki są przewidziane tylko dla wejść 1 i 3. Jeśli konieczny jest pomiar prądu na pozostałych wejściach, rezystor bocznikujący należy zamontować poza płytką lub dolutować bezpośrednio do wyprowadzeń złącza J3 i/lub J8. Należy zwrócić uwagę, że aby wyświetlacz złożyć w "kanapkę" złącze J10 należy wlutować od strony druku.

Na boczniku wydziela się moc, zależna od płynącego przez niego prądu. Przy 2 A jest to 1 W, a przy 5 A aż 5W. Przy prądach większych niż 2 A warto równolegle do ścieżek prowadzących od złącza do bocznika dolutować gruby miedziany drut. Przy większych prądach, należy uwzględnić dopuszczalny prąd złącz. Te zastosowane przeze mnie mają prąd maksymalny wynoszący 16 A. Płytkę dzielników można zamontować "w kanapkę" lub na przewodach.

Obsługa i konfiguracja:

Rysunek 5. Nastawy fusebitów mikrokontrolera ATmega168

Jeśli w pamięci EEPROM nie zapisano danych konfiguracyjnych miernik wyświetli menu "Konfiguracja". Można je wywołać w dowolnym momencie naciskając przycisk "Down" w czasie restartu mikrokontrolera. W pierwszym kroku ustawiamy typ LCD. W pełnej wersji programu do wyboru są: 2×16, 2×20, 4×16 i 4×20. Wyboru dokonujemy klawiszami "Up"/ "Down" (oba pełnia tę samą funkcję), akceptujemy naciskając "Enter". Można też zignorować zmiany naciskając ESC.

W kolejnym kroku konfigurujemy typ wejścia. Klawisze "Up"/"Down" umożliwiają wybór pomiędzy:

  • U - pomiar napięcia,
  • Ui - pomiar napięcia z korektą spadku na boczniku,
  • I - pomiar prądu,
  • P - pomiar mocy,
  • t = pomiar temperatury,
  • OFF - wejście wyłączone.

Wybór akceptujemy za pomocą klawisza "Enter", ignorujemy - "ESC". Jeśli naciśniemy "ESC", to przejdziemy do konfigurowania wejścia 2. Kolejne naciśnięcie ESC - wejście 3 itd. Naciśnięcie klawisza "Enter" spowoduje przejście do kalibracji wejścia. Na wyświetlaczu zobaczymy aktualnie wyliczoną wartość mierzonej wielkości oraz współczynnik korekcji. Naciskając "Up" zwiększamy korektę, "Down" - zmniejszamy. Podobnie jak wcześniej - ESC wyjście bez zmian, ENTER - zaakceptowanie zmian.

Kalibrowanie miernika temperatury najłatwiej przeprowadzić przez pomiar napięcia na jego wyjściu. Zmianie o jeden stopień odpowiada zmiana napięcia o 10 mV. Temperaturze 0°C odpowiada 2,73 V. Wartość, którą należy ustawić podczas kalibracji można wyliczyć ze wzoru:
T = (Uwe-2,73)/100
np.:
Napięcie na LM335 = 2,982 V
(2,892 - 2,73)/100 = 25,2 stopnia

Obsługa miernika sprowadza się do wyboru przyciskami "Up"/"Down" wyników wybranych wejść. Miernik z wyświetlaczem 4-wierszowym nie wymaga używania przycisków, ponieważ wszystkie 8 wyników jest wyświetlanych jednocześnie.

Wykaz elementów

Rezystory: (SMD 1206)
R1, R8, R10, R18: 1 kΩ
R2, R9: 0,1 Ω/1W (THT)
R3, R11, R19, R20: 47 kΩ/1%
R4, R12, R21, R22: 1 kΩ/1%
R5…R7: 1 Ω
R13, R14, R24: 0 Ω
R15: 1,5 kΩ/1%
R16: 4,7 kΩ/1%
R23: 10 kΩ (NIE MONTOWAĆ!)
R17: 10 kΩ (potencjometr PT10LV)

Kondensatory:
C1: 470 µF/25 V
C2: 470 pF (SMD 1206)
C3: 470 µF/10 V
C4…C7, C9, C10: 100 nF (SMD 1206)
C11, C12: 100 nF (SMD 1206)
C8: 1 µF (SMD 1206)

Półprzewodniki:
U1: MC34063ACD (SO-8)
U2: ATmega168-20AU (TQFP32)
D1, D2: SS14 (MELF)
D3…D6: 1N4148

Inne:
L1: dławik DL22-100
L2: dławik 68 mH
J5: NS25-6K
J6: NS25-4k
J71: WH1602B2-TMI-CT (wyświetlacz LCD)
J10: listwa goldpin 1×6
J11: gniazdo glodpin 1×6
J9: listwa goldpin 2×3
S1…S4: przycisk (5×7) mm, h=19mm
J1…J4, J8: TB-5.50-PP-2P-BL + TB-5.0-PIN

Podłączenie miernika:

Rysunek 6. Sposób włączenia miernika w trybie "Ui"

Przy podłączaniu miernika, należy mieć na uwadze, że ma on wspólną masę dla wszystkich wejść oraz że mierzy tylko dodatnie napięcia i prądy. Z tego powodu nie jest możliwy równoczesny pomiar napięcia dodatniego i ujemnego jednego zasilacza. Przy równoczesnym pomiarze napięcia i prądu wyjściowego zasilacza, na boczniku powstaje spadek napięcia wynoszący 100 mV/A, o który to jest pomniejszone napięcie na zaciskach zasilacza.

Aby wyeliminować błąd pomiaru wprowadzono tryb "Ui". W tym trybie napięcie powstałe na boczniku jest dodawane do napięcia zmierzonego na zaciskach wyjściowych. Sposób włączenia miernika w tym trybie pokazano na rysunku 6. Należy pamiętać, że aby wejście pracowało w trybie "Ui", poprzednie wejście musi pracować w trybie pomiaru "I".

Miernik można zasilać z tego samego źródła, z którego pochodzą napięcia do pomiaru. W wypadku pomiaru prądu wskazane jest zasilanie miernika z osobnego zasilacza, ponieważ pętle masy mogą znacznie fałszować wyniki pomiarów.

Sławomir Skrzyński, EP

Dodatkowe materiały znajdziesz na FTP
user: 32858, pass: 4285avne

Artykuł ukazał się w
Elektronika Praktyczna
luty 2013
DO POBRANIA
Pobierz PDF Download icon
Materiały dodatkowe
Elektronika Praktyczna Plus lipiec - grudzień 2012

Elektronika Praktyczna Plus

Monograficzne wydania specjalne

Elektronik listopad 2025

Elektronik

Magazyn elektroniki profesjonalnej

Raspberry Pi 2015

Raspberry Pi

Wykorzystaj wszystkie możliwości wyjątkowego minikomputera

Świat Radio listopad - grudzień 2025

Świat Radio

Magazyn krótkofalowców i amatorów CB

Automatyka, Podzespoły, Aplikacje listopad - grudzień 2025

Automatyka, Podzespoły, Aplikacje

Technika i rynek systemów automatyki

Elektronika Praktyczna listopad 2025

Elektronika Praktyczna

Międzynarodowy magazyn elektroników konstruktorów

Elektronika dla Wszystkich grudzień 2025

Elektronika dla Wszystkich

Interesująca elektronika dla pasjonatów