Regulator obrotów wentylatorów w komputerze PC

Regulator obrotów wentylatorów w komputerze PC
Pobierz PDF Download icon

Czy jesteśmy z tego zadowoleni czy nie, komputery klasy PC stały się nieodzownym wyposażeniem naszych mieszkań i zmuszeni jesteśmy nauczyć się jakoś z nimi żyć. Z widokiem niezbyt estetycznej skrzyni na naszym biurku zdążyliśmy się już jakoś oswoić, udało nam się także upchnąć gdzieś ogromne pudło monitora. I już mogłoby się wydawać, że przyzwyczailiśmy się do nowego lokatora w naszym domu, gdyby nie wydawane przez niego nieprzyjemne odgłosy.

Żyjemy obecnie w bardzo dla nas nieprzyjaznym środowisku, narażeni ustawicznie na stresy i działania czynników szkodliwych dla naszej psychiki. Z pewnością jednym z najbardziej groźnych jest wszechogarniający nas hałas. Wszyscy wiemy o szkodliwości odgłosów wydawanych przez silniki nisko przelatujących samolotów, wiemy także jakie skutki dla naszego zdrowia może mieć długotrwałe słuchanie muzyki w dyskotekach. Być może jednak nie każdy zdaje sobie sprawę ze szkodliwości dźwięków, których pozornie nawet nie słyszymy, ale które wywierają destrukcyjny wpływ na naszą psychikę. Każdy z nas, mieszczuchów jest narażony na ustawiczne słuchanie szumu generowanego przez wielkie miasta, który - szczególnie nieprzyjemny podczas dnia - słabnie, ale nie zanika całkowicie nawet w nocy. Przyzwyczailiśmy się już do tego odgłosu, pozornie go nie słyszymy, ale wystarczy tylko wyjechać z miasta na wieś, aby stwierdzić, co oznacza "dzwoniąca w uszach cisza".

W naszym najbliższym otoczeniu także znajdują się dokuczliwe, choć pozornie niezauważalne źródła szumu (nie mam tu, oczywiście na myśli mojej żony - najcichszej istoty na świecie). Szum taki jest wytwarzany przez pracujące lodówki, wentylatory, klimatyzatory i temu podobny sprzęt.

Każdy stacjonarny komputer PC posiada w swoim wnętrzu co najmniej kilka "generatorów dźwięku", o różnej "mocy". Z istnieniem niektórych z nich musimy się pogodzić, inne postaramy się maksymalnie wyciszyć.

Pracujące CD-ROM-y, stacje dysków elastycznych i twardych są źródłami hałasu, których w żaden sposób nie będziemy mogli wyeliminować. Jedynym sposobem ograniczenia szumów generowanych przez dyski twarde jest włączenie systemów "oszczędzania energii" zawartych w systemie WINDOWS 95 i automatyczne wyłączanie dysków w momentach, kiedy dostęp do nich nie jest nam potrzebny. Metoda ta może nas jednak doprowadzić do stresu większego od powodowanego szumem dysków. Konieczność oczekiwania na "rozkręcenie się" dysku przed każdą operacją zapisu lub odczytu danych doprowadza do furii nawet największych flegmatyków i raczej nie doradzam nikomu stosowania tej metody ograniczania szumu.

Najsilniejszym źródłem hałasu wytwarzanego przez PC są wentylatory chłodzące system przed przegrzaniem. Takich wentylatorów mamy w każdym PC-cie co najmniej dwa: jeden przeznaczony jest do chłodzenia zasilacza systemu, a drugi zapewnia właściwe warunki pracy procesorowi. W bardziej rozbudowanych systemach stosowany jest jeszcze trzeci wentylator, chłodzący cały system i zamocowany najczęściej w pobliżu przedniej ściany obudowy. Wszystkie te wentylatory bywają różnej, najczęściej marnej jakości i po pewnym okresie eksploatacji stają się źródłem wprawdzie niezbyt silnego, ale za to bardzo dokuczliwego hałasu.

Co jednak możemy uczynić, aby wyeliminować lub chociażby ograniczyć to nieprzyjemne zjawisko? Bez szkody dla sprawnego działania komputera nie możemy wyłączyć chłodzenia, szczególnie w pomieszczeniach o podwyższonej temperaturze i przy znacznie rozbudowanej konfiguracji sprzętu. No tak, wyłączyć nie możemy, ale można spróbować zmniejszyć jego intensywność! Możemy spróbować wykorzystać fakt, że moc systemu chłodzenia PC została obliczona z uwzględnieniem najbardziej krytycznych sytuacji: pełnego obciążenia systemu w niekorzystnych warunkach klimatycznych. Na przykład, moc silniczka wentylatora chłodzącego zasilacz została dobrana tak, aby zapewnił on właściwe warunki pracy zasilacza obciążonego pełną mocą (najczęściej 200 W) i umieszczonego w komputerze znajdującym się w nie klimatyzowanym pomieszczeniu w centrum Singapuru.

Tymczasem zasilacze naszych domowych "blaszaków" rzadko kiedy wykorzystują wszystkie swoje możliwości, ponieważ nawet bardzo dobrze skonfigurowany system komputerowy nie pobiera więcej niż 80..100 W. Wyglądając przez okno z łatwością możemy stwierdzić, że nie znajdujemy się jeszcze w tropikalnej strefie klimatycznej i upały właściwe tym regionom raczej nam nie grożą. Poczyniłem więc stosowne próby wykorzystując do nich komputer o przeciętnej konfiguracji (PENTIUM 166, 64 MB RAM, 2×HDD 2,2 GB, CDROM 24×, karta dźwiękowa i inne typowe elementy systemu). Okazało się, że przy odłączonym wentylatorze temperatura radiatora zasilacza nie wzrosła ponad 90OC, co pozwala sądzić, że żaden z elementów zasilacza nie został jeszcze narażony na przegrzanie.

Tak więc ograniczenie mocy wentylatorów nie powinno w normalnych warunkach spowodować żadnego zagrożenia dla działania systemu komputerowego.

Nie wymyśliłem tutaj niczego nowego: płyty główne do komputerów PC, umożliwiające monitorowanie temperatury newralgicznych punktów systemu i jej regulację są już produkowane. Są to jednak podzespoły dość kosztowne, a proponowany układ przeznaczony jest z zasady dla posiadaczy starszych, ale jeszcze całkowicie sprawnych komputerów i płyt głównych.

Proponowany układ został zbudowany z wykorzystaniem wyłącznie tanich i powszechnie dostępnych elementów. Jego wykonanie nie przysporzy kłopotu nawet zupełnie niedoświadczonemu elektronikowi. Jedynie montaż wykonanego urządzenia wewnątrz komputera wymagać będzie dużej uwagi i pewnego doświadczenia.

Opis działania

Schemat elektryczny układu sterującego pracą dwóch wentyla-torów komputera PC pokazano na rysunku 1. Układ został zaprojektowany do niezależnego sterowania wentylatorów zasilacza i procesora i zapewnienia takiej prędkości obrotowej ich wirników, aby temperatura chłodzonych elementów półprzewodnikowych nigdy nie wzrosła ponad dopuszczalną wartość. Tak więc, urządzenie pracuje w istocie jako stabilizator temperatury, co dodatkowo zapewnia szczególnie "komfortowe" warunki pracy dla procesora i półprzewodników wchodzących w skład zasilacza.

Rysunek 1. Schemat elektryczny urządzenia

Ponieważ, jak łatwo zauważyć, nasz układ składa się z dwóch identycznych bloków funkcjonalnych, omówimy działanie tylko jednego z nich. Jego sercem jest wzmacniacz operacyjny IC1A typu LM358. Niewiele jest tu zresztą do omawiania: wzmacniacz operacyjny pracuje w całkowicie typowej dla siebie konfiguracji, wzmacniając napięcie pobierane z wyjścia czujnika temperatury IC2 do poziomu ustalanego za pomocą szeregowo połączonych rezystancji R4 i PR1. W układzie zastosowałem bardzo komfortowe dla konstruktora, chociaż może niezbyt ekonomiczne rozwiązanie: jako czujniki temperatury pracują tu rewelacyjne przetworniki temperatura - napięcie typu LM35. Sądzę jednak, że wygoda i łatwość regulacji układu z nawiązką zrekompensują nieco większy koszt jego budowy.

Do wyjścia wzmacniacza operacyjnego jest dołączony tranzystor wykonawczy T1 w konfiguracji wspólnego kolektora (wtórnik), na którego emiterze występuje napięcie równe napięciu na wyjściu wzmacniacza operacyjnego, pomniejszonemu o napięcie odkładające się na złączu emiter - baza tego tranzystora. Wynika z tego, że wentylator zasilany z emitera T1 nigdy nie otrzyma pełnego napięcia 12 V, ale jedynie ok. 11,3 V.

Omówienia wymaga jeszcze rola jaką pełni kondensator Cl dołączony do wyjścia czujnika temperatury. Po włączeniu zasilania komputera wszystkie jego elementy mają jeszcze temperaturę równą temperaturze otoczenia i napięcie na wyjściu wzmacniacza operacyjnego IC1 będzie wynosiło ok. 6 V. Wartość ta jest zupełnie wystarczająca do pracy wentylatora na wolnych obrotach, ale mogłaby okazać się zbyt mała do jego uruchomienia. Dlatego też, bezpośrednio po włączeniu zasilania na wejściu 3 wzmacniacza wymuszane jest chwilowo napięcie prawie równe napięciu zasilania. "Oszukuje" to układ termostatu, który "uznaje", że temperatura monitorowanego obiektu jest bardzo wysoka i zasila przez pewien czas wentylator pełnym napięciem, umożliwiając jego pewny rozruch.

Montaż i uruchomienie

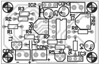
Płytkę drukowaną urządzenia wykonano na laminacie jednostronnym. Mozaikę ścieżek płytki drukowanej przedstawiono na wkładce wewnątrz numeru, a na rysunku 2 pokazano rozmieszczenie na niej elementów.

Rysunek 2. Rozmieszczenie elementów na płytce drukowanej

O montażu układu nie da się powiedzieć niczego szczególnego ponieważ wykonujemy go w typowy i wielokrotnie już opisywany sposób, rozpoczynając od wlutowania zwory oznaczonej grubą kreską na stronie opisowej płytki i rezystorów. Musimy natomiast powiedzieć parę słów o regulacji układu i sposobie zamocowania go w komputerze. Regulacja wykonanego układu jest bardzo prosta i sprowadza się do umieszczenia czujnika temperatury w miejscu o temperaturze ok. 60°C. Można w tym celu zamocować go prowizorycznie do kawałka blachy i całość podgrzać do właściwej temperatury lub umieścić czujnik w gorącej wodzie, koniecznie destylowanej, nie przewodzącej prądu. Następnie pokręcając potencjometrem montażowym PR1 ustawiamy na wyjściu wzmacniacza operacyjnego maksymalne napięcie (pełne włączenie wentylatora). Pozostaje nam jeszcze skontrolowanie napięcia występującego na tym wyjściu w temperaturze pokojowej, które powinno wynosić ok. 6 V.

W identyczny sposób regulujemy drugą część układu i przystępujemy do zamontowania go w komputerze. Z pewnością bez najmniejszych problemów znajdziemy w jego wnętrzu miejsce na umieszczenie malutkiej płytki, którą zamocujemy za pomocą wkrętów M3 do któregoś z fragmentów obudowy.

Jeżeli jednak zamocowanie płytki będzie wymagać wywiercenia w obudowie otworów, to czynność tę musimy wykonać z największą uwagą, tak aby nawet najmniejszy opiłek metalu nie dostał się na powierzchnię płyty głównej czy też kart rozszerzeniowych systemu.

Miałem kiedyś okazję przekonać się jakie skutki daje zlekceważenie tego ostrzeżenia!

Zasilacz komputera musimy wyjąć z obudowy i otworzyć jego pokrywę. Następnie mocujemy jeden z czujników temperatury do znajdującego się w zasilaczu radiatora, najlepiej przyklejając go za pomocą Poxipolu lub kleju silikonowego. Przewody zasilające wentylator odłączamy od płytki zasilacza i po przewleczeniu przez gumową przelotkę w obudowie dołączamy do złącza CON1 lub CON2. Po wykonaniu tych czynności zamykamy obudowę zasilacza i umieszczamy go ponownie we wnętrzu komputera.

Zamocowanie drugiego czujnika temperatury do radiatora procesora będzie czynnością dziecinnie prostą. Czujnik wklejamy pomiędzy żebra radiatora, a przewody prowadzące do wentylatora dołączamy do złącza CON1 lub CON2. Podobnie jak w przypadku montażu przewodów zasilających wentylator zasilacza musimy zwrócić baczną uwagę na polaryzację napięcia. Na stronie opisowej płytki naszego układu została ona odpowiednio oznaczona symbolami "+" i "–", natomiast przewód doprowadzający napięcie dodatnie do wentylatora zawsze jest oznaczony kolorem czerwonym.

Kolejną czynnością, którą musimy wykonać z wielką uwagą, jest dołączenie zasilania do naszego układu. Wykorzystamy do tego jeden wolny obecnie wtyk doprowadzający uprzednio zasilanie do wentylatora. Wtyk usuwamy, a jego przewody doprowadzamy do złącza CON3 na płytce naszego regulatora. Czerwony przewód musi zostać dołączony do zacisku oznaczonego "+" na płytce.

Ostatnią, niesłychanie ważną czynnością będzie kilkukrotne sprawdzenie poprawności montażu przewodów wewnątrz komputera. Spowodowanie zwarcia w instalacji teoretycznie powinno skończyć się jedynie przepaleniem bezpiecznika. Teoretycznie, ponieważ praktyka wykazuje, że najczęściej powoduje ono uszkodzenie zasilacza i konieczność jego wymiany na nowy.

Po włączeniu zasilania komputera prawie natychmiast odczujemy skutki dokonanej przeróbki. Prawie natychmiast, ponieważ w pierwszej chwili wentylatory zaczną pracować z maksymalną prędkością, po chwili zmniejszą obroty, które następnie ustabilizują się na średnim poziomie.

Tomasz Janik

Wykaz elementów:
Rezystory:
  • PR1, PR2: 200 kΩ miniaturowy potencjometr montażowy
  • R4, R8: 200 kΩ
  • R1, R5: 20 kΩ
  • R2, R6: 5,1 kΩ
  • R3, R7: 330 Ω
Kondensatory:
  • C1, C4: 22 μF/16 V
  • C2: 1000 μF/16 V
  • C3: 100 nF
Półprzewodniki:
  • IC1: LM358
  • IC2, IC3: LM35CZ lub podobny
  • T1, T2: BC548 lub podobny
Inne:
  • CON1…CON3: ARK2 (3,5 mm)
 
ZOBACZ WIDEO DO TEGO PROJEKTU
AVT478 - Regulator obrotów wentylatorów 12V
Play btn
AVT478 - Regulator obrotów wentylatorów 12V
Artykuł ukazał się w
Marzec 1999
DO POBRANIA
Pobierz PDF Download icon
Elektronika Praktyczna Plus lipiec - grudzień 2012

Elektronika Praktyczna Plus

Monograficzne wydania specjalne

Elektronik listopad 2025

Elektronik

Magazyn elektroniki profesjonalnej

Raspberry Pi 2015

Raspberry Pi

Wykorzystaj wszystkie możliwości wyjątkowego minikomputera

Świat Radio listopad - grudzień 2025

Świat Radio

Magazyn krótkofalowców i amatorów CB

Automatyka, Podzespoły, Aplikacje listopad - grudzień 2025

Automatyka, Podzespoły, Aplikacje

Technika i rynek systemów automatyki

Elektronika Praktyczna listopad 2025

Elektronika Praktyczna

Międzynarodowy magazyn elektroników konstruktorów

Elektronika dla Wszystkich grudzień 2025

Elektronika dla Wszystkich

Interesująca elektronika dla pasjonatów