Opóźniacz wyłączenia światła

Opóźniacz wyłączenia światła

Jak działa wyłącznik światła, każdy doskonale wie: w jednej pozycji klawisza światło świeci, w drugiej – nie. Jeden ruch ręką pozwala natychmiastowo zmienić bieżący stan na przeciwny. Niekiedy jednak przydałoby się wprowadzić pewne opóźnienie wyłączenia źródła światła, aby można było np. włożyć klucz do zamka i go swobodnie przekręcić, bez robienia tego po omacku lub przy świetle latarki trzymanej w zębach. Ten prosty i tani układ umożliwia wprowadzenie takiej funkcji zwłocznej do nowoczesnych źródeł światła.

Podstawowe parametry:
  • opóźnienie wyłączenia obciążenia o około 50…90 sekund,
  • prosta instalacja: układ podłącza się równolegle do styków przełącznika sieciowego,
  • możliwość instalacji modułu w typowej puszce podtynkowej,
  • układ przystosowany do napięcia przemiennego 230 V/50 Hz,
  • współpraca z obciążeniem o mocy z przedziału 2…30 W, najlepiej lampą LED.
W układzie występuje wysokie napięcie, które może spowodować porażenie elektryczne. Układ może być zmontowany i podłączony tylko przez osoby wykwalifikowane, posiadające odpowiednie uprawnienia. Zdecydowanie nie zalecamy budowy układu osobom początkującym!

Prezentowany układ należy zaliczyć do szerokiego grona prostych urządzeń, które ułatwiają nam codzienne życie. Tu o czymś przypomną, tam coś za nas załączą, gdzieś indziej zrobią coś automatycznie. Opisywane urządzenie – mimo że jest proste w działaniu – również upraszcza nam funkcjonowanie. Można wyjść z ciemnego korytarza, „pacnąć” naścienny wyłącznik dłonią i bez obaw przejść do następnego pomieszczenia, które jeszcze nie jest oświetlone, by podobnym gestem włączyć źródło jakże potrzebnego naszym oczom światła. Blask dochodzący z poprzedniego, opuszczonego już pomieszczenia, będzie nas w tym wspomagał, po czym samoczynnie zgaśnie – nie ma więc potrzeby wracania do korytarza, który już opuściliśmy.

Projektując ten układ, miałem na uwadze przystosowanie go do współczesnych realiów, w których lwią część źródeł światła stanowią lampy LED o mocy nieprzekraczającej kilkunastu watów. Nie trzeba zatem wymieniać oświetlenia na żarowe, aby tylko triak (lub inny element wykonawczy) mógł pracować w prawidłowych warunkach. Dodatkowym atutem jest bardzo prosta instalacja.

Budowa układu

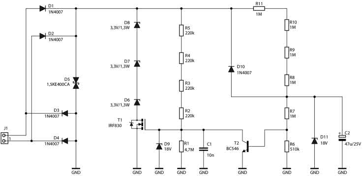
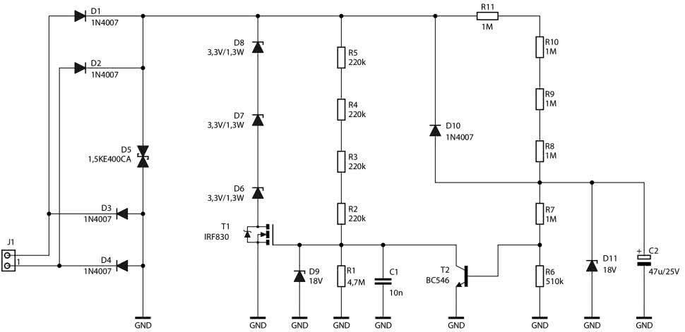
Niekiedy siła tkwi w prostocie. Prezentowany w artykule układ nie zawiera żadnego mikrokontrolera ani innego układu scalonego. Schemat ideowy urządzenia znajduje się na rysunku 1. Zaciski złącza J1 prowadzą do styków przełącznika, więc napięcie na nich będzie równe sieciowemu (przy rozwarciu tychże) lub zerowe po ich zwarciu przez użytkownika.

Rysunek 1. Schemat ideowy opóźniacza wyłączenia światła

Elementem wykonawczym, który nie ma szczególnych wymagań co do minimalnego prądu przewodzenia, jest tranzystor MOSFET. Jednak przewodzi on jednokierunkowo, tymczasem prąd w naszych sieciach elektroenergetycznych ma charakter przemienny. Do ominięcia tego problemu wykorzystano starą sztuczkę, która królowała w czasach, kiedy tyrystory były na wagę złota, zaś o triakach nikt jeszcze nie słyszał. Otóż prąd zasilający odbiornik (tutaj: lampę LED) przepływa przez mostek Graetza, który czyni go jednokierunkowym po stronie elementu wykonawczego. Proste, tanie i skuteczne, zważywszy na to, że prąd płynący przez diody mostka Graetza jest niewielki, toteż moc w nich wydzielana jest pomijalnie niska. Dioda D5 zabezpiecza tranzystor wykonawczy przed uszkodzeniem w razie wystąpienia impulsu wysokiego napięcia, na przykład podczas przełączania obciążenia o charakterze indukcyjnym.

Wysokonapięciowy tranzystor T1, wraz z czterema diodami D1…D4, służą do „zastąpienia” styków wyłącznika wtedy, kiedy zostanie on rozwarty. Jest jednak pewien drobny mankament: po załączeniu tranzystora MOSFET, spadek napięcia na nim wyniesie kilkadziesiąt miliwoltów lub niewiele więcej, skąd zatem wziąć zasilanie niezbędne dla podtrzymania potencjału jego bramki? W tym celu zostały dodane trzy połączone szeregowo diody Zenera, na których odkłada się napięcie o łącznej wartości około 10 V. Tyle wystarczy do spolaryzowania bramki tranzystora unipolarnego i utrzymania go w stanie przewodzenia. Niestety, o tyle mniej będzie wynosiło napięcie trafiające na odbiornik, lecz współczesne lampy LED mają na ogół wbudowaną prostą przetwornicę, która doskonale radzi sobie z nieznacznie niższym napięciem zasilającym.

Bramka tranzystora MOSFET wymaga napięcia stałego o wartości nieprzekraczającej ±20 V względem jego źródła, zatem tuż przy tranzystorze znalazła się dioda Zenera o napięciu przebicia 18 V. Jej prąd ograniczają połączone szeregowo rezystory R2…R5. Użycie kilku elementów szeregowych pozwala rozłożyć napięcie, więc nie występuje ryzyko przebicia rezystorów – dotyczy to sytuacji przy rozwartych stykach wyłącznika, bowiem odłoży się na nich niemal całe napięcie sieciowe. Niemal całe, bowiem jego część pozostanie na wspomnianej już diodzie Zenera D9. Kondensator C1 o relatywnie niewielkiej pojemności stanowi prosty filtr tętnień napięcia, które występują na wyjściu prostownika dwupołówkowego. Rezystor R1 rozładowuje C1 oraz pojemność bramka-źródło tranzystora T1.

Opisany wyżej obwód potrafi podtrzymać świecenie lampy niezwłocznie po rozwarciu styków wyłącznika ściennego. Potrzebna jest jeszcze jedna część, która wyłączy tranzystor T1 po pewnym czasie od owego rozwarcia. Do tego służy tranzystor T2, który wchodzi w nasycenie i zwiera bramkę ze źródłem tranzystora T1, skutecznie go zatykając. Jednak musi on się załączyć z opóźnieniem, które zapewnia kondensator C2 – ładujący się powoli przez szeregowo połączone rezystory R8…R11. Podobnie jak w przypadku wcześniej omówionych R2…R5, tak i te elementy zostały rozdzielone w celu rozłożenia wysokiego napięcia.

Kondensator C2 ładuje się w miarę upływu czasu (od rozłączenia styków wyłącznika), wraz z tym rośnie potencjał bazy tranzystora T2. Napięcie z C2 jest dodatkowo dzielone przy użyciu rezystorów R6 i R7, aby załączenie T2 nie nastąpiło zbyt szybko. Dodatkowo, rezystory te rozładowują C2 po zwarciu styków wyłącznika sieciowego. Dioda D11 ogranicza maksymalne napięcie, do jakiego może naładować się C2, aby nie uległ on uszkodzeniu. Dioda D10 przyspiesza rozładowywanie C2 po zwarciu styków włącznika.

Montaż i uruchomienie

Układ został zmontowany na niewielkiej, jednostronnej płytce drukowanej o okrągłym obrysie. Jej średnica wynosi 48 mm, więc łatwo można ją zamontować pod już istniejącym wyłącznikiem podtynkowym, ponieważ PCB zmieści się w każdej puszce elektrycznej. Wzór ścieżek oraz schemat montażowy płytki pokazano na rysunku 2. Nie przewidziano na jej powierzchni jakichkolwiek otworów montażowych – jest na tyle mała i lekka, że utrzyma się zawieszona na przewodach znajdujących się za wyłącznikiem.

Rysunek 2. Schemat montażowy i wzór ścieżek płytki

Montaż proponuję przeprowadzić w typowy sposób, czyli zaczynając od elementów leżących płasko na powierzchni laminatu, jak diody i rezystory. Na sam koniec proponuję zostawić tranzystor T1, ponieważ jest on najwyższym podzespołem, więc może utrudniać montaż, gdyby znalazł się na płytce we wcześniejszym etapie. Gotowy do działania układ można zobaczyć na fotografii 1. W roli T1 może pracować dowolny inny tranzystor wysokonapięciowy MOSFET-N w obudowie TO220, o napięciu dren-źródło nie mniejszym niż 500 V oraz o rezystancji otwartego kanału nieprzekraczającej kilku omów – pozostałe parametry nie są krytyczne w tym układzie.

Fotografia 1. Widok zmontowanego układu

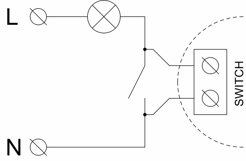
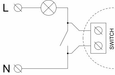
Ze względu na wymiary oraz sposób podłączenia modułu, istniejąca instalacja elektryczna nie wymaga jakichkolwiek przeróbek. Rysunek 3 zawiera schemat podłączenia. W momencie działania układu, czyli przez kilkadziesiąt sekund po rozłączeniu styków przełącznika, na obciążenie trafia napięcie niższe o ok. 10 V od napięcia sieciowego. Po upływie tego czasu sterowana lampa LED gaśnie płynnie w przeciągu około 2 s.

Rysunek 3. Schemat podłączenia układu do istniejącej instalacji

Należy pamiętać, iż przez opisywany układ przepływa pewien niewielki prąd w stanie wyłączenia lampy, czyli przy rozwarciu styków wyłącznika – jego wartość szczytowa to kilkaset nanoamperów. Aby kondensator C2 prawidłowo się rozładował przed następnym cyklem pracy, wyłącznik musi pozostać zwarty przez minimum 1 minutę. Jeżeli zostanie rozwarty wcześniej, ustalony czas może okazać się krótszy. Wartość opóźnienia rzędu 90 s należy traktować jako orientacyjną, bowiem silny wpływ na ten parametr mają zarówno rozrzuty elementów, moc pobierana przez lampę, jak i temperatura otoczenia. Podczas testów okazało się, że podłączenie lampy o mocy 2 W daje czas opóźnienia rzędu 90 s, zaś przy lampie o mocy 20 W wartość ta zmniejszała się do około 50 s z uwagi na wyższe napięcie odkładające się na diodach Zenera – bowiem płynął przez nie prąd o wyższym natężeniu. To z kolei przyspieszało ładowanie C2.

Michał Kurzela, EP 

Wykaz elementów:
Rezystory: (THT o mocy 0,25 W)
  • R1: 4,7 MΩ
  • R2…R5: 220 kΩ
  • R6: 510 kΩ
  • R7…R11: 1 MΩ
Kondensatory:
  • C1: 10 nF MKT (raster 5 mm)
  • C2: 47 μF/25 V (raster 2,5 mm)
Półprzewodniki:
  • D1…D4, D10: 1N4007
  • D5: 1,5KE400CA
  • D6…D8: dioda Zenera 3,3 V (1,3 W)
  • D9, D11: dioda Zenera 18 V (0,5 W)
  • T1: IRF830 (opis w tekście)
  • T2: BC546
Pozostałe:
  • J1: złącze śrubowe ARK2/500
Artykuł ukazał się w
Elektronika Praktyczna
wrzesień 2025
DO POBRANIA
Materiały dodatkowe
Elektronika Praktyczna Plus lipiec - grudzień 2012

Elektronika Praktyczna Plus

Monograficzne wydania specjalne

Elektronik listopad 2025

Elektronik

Magazyn elektroniki profesjonalnej

Raspberry Pi 2015

Raspberry Pi

Wykorzystaj wszystkie możliwości wyjątkowego minikomputera

Świat Radio listopad - grudzień 2025

Świat Radio

Magazyn krótkofalowców i amatorów CB

Automatyka, Podzespoły, Aplikacje listopad - grudzień 2025

Automatyka, Podzespoły, Aplikacje

Technika i rynek systemów automatyki

Elektronika Praktyczna grudzień 2025

Elektronika Praktyczna

Międzynarodowy magazyn elektroników konstruktorów

Elektronika dla Wszystkich grudzień 2025

Elektronika dla Wszystkich

Interesująca elektronika dla pasjonatów