TRX Ewa 40 m - transceiver QRP początkującego krótkofalowca (1)

TRX Ewa 40 m - transceiver QRP początkującego krótkofalowca (1)

Pomimo łatwej dostępności fabrycznych transceiverów KF o mocy rzędu 100 W, transceivery małej mocy (QRP) są chętnie konstruowane oraz zabierane na wakacje czy urlopy. Praca z niewielką mocą, na własnoręcznie wykonanym, prostym i małogabarytowym urządzeniu zasilanym z akumulatora daje dużo przyjemności, nie tylko początkującym krótkofalowcom.

Podstawowe parametry:
  • pasmo: KF 7 MHz (7085…7185 kHz)/40 m,
  • pośrednia przemiana częstotliwości,
  • odbiór i nadawanie sygnałów modulowanych jednowstęgowo (SSB),
  • współpraca z zestawem słuchawkowo-mikrofonowym wyposażonym w przycisk PTT,
  • zasilanie: pojedyncze 12 V (DC)/500 mA,
  • PCB pasująca do obudowy Z78.

W ofertach handlowych, głównie w sklepach internetowych, można znaleźć wiele układów nadawczo-odbiorczych do samodzielnego montażu, bardzo często skomplikowanych i opartych na drogich elementach, w tym różnych, nowoczesnych układach scalonych. Dostępne są też gotowe moduły, z których można złożyć transceiver, ale nie mają one większych walorów dydaktycznych.

Prezentowany transceiver, na jedno z podstawowych pasm częstotliwości amatorskich (7 MHz), potocznie nazywanych czterdziestką, powstał z myślą o początkujących, licencjonowanych radioamatorach, którzy chcą zbudować bardzo proste oraz tanie urządzenie nadawczo-odbiorcze o niewielkich wymiarach i poznać przy tym podstawy radiotechniki.

Przy projektowaniu układu autorowi przyświecały dwa znane przysłowia:

  • próżnym działaniem jest zbudowanie czegoś z dużej liczby elementów, jeśli można je wykonać z mniejszej ich liczby;
  • największy sukces zostaje osiągnięty, gdy nie można już zmniejszyć liczby elementów.

Układ został ograniczony do niezbędnego minimum z użyciem popularnych podzespołów i minimalnej liczby nawijanych samodzielnie cewek, przy zachowaniu dobrych parametrów urządzenia.

TRX pracuje w układzie z pośrednią przemianą częstotliwości i umożliwia odbiór oraz nadawanie sygnałów fonicznych – jednowstęgowych (LSB), w najczęściej zajmowanym przez polskie stacje wycinku pasma 40 m. Umożliwia współpracę z anteną na pasmo 40 m, zasilaną kablem koncentrycznym, a także z zestawem słuchawkowo-mikrofonowym wyposażonym w przycisk PTT.

Prezentowany układ różni się zasadniczo od wszystkich aktualnie dostępnych rozwiązań, ponieważ został wykonany z użyciem jedynie 13 popularnych tranzystorów i jednego stabilizatora, czyli łatwo dostępnych elementów, jakie autor miał pod ręką.

Moc wyjściowa nadajnika przy zasilaniu z zasilacza 13,8 V wynosiła około 3...4 W, zaś wymiary urządzenia to 85 × 154 × 43 mm.

Podobne układy na dyskretnych elementach były budowane już dawno, kiedy na rynku jeszcze nie było układów scalonych, ale opisywane rozwiązanie prezentuje nowe podejście do konstrukcji w oparciu o aktualnie dostępne podzespoły oraz wieloletnie doświadczenia autora w konstruowaniu bardziej skomplikowanych układów (Bartek, Antek, Junior, Zuch, Jędrek...).

Przystępując do budowy tego TRX-a, autor miał świadomość, że trudno jest skonstruować radio o niewielkich wymiarach, do którego części będą kosztować kilkadziesiąt złotych, a które będzie jednocześnie miało parametry porównywalne z transceiverami fabrycznymi. Wprawdzie można zrobić SDR-a (jednak zazwyczaj potrzeba jeszcze komputera) lub zaangażować do pracy jakiś nowoczesny syntezer, DDS i PIC, ale wtedy to już nie będzie proste i tanie radio home made, tylko powstanie konstrukcja droższa, odpowiednia dla bardziej zaawansowanych.

Choć w urządzeniu są liczne uproszczenia układowe i ograniczona liczba zastosowanych elementów, to jednak uzyskane parametry umożliwiają w sprzyjających warunkach propagacyjnych normalną pracę foniczną w wycinku pasma 40 m.

Transceiver ten można polecić początkującym krótkofalowcom nie tylko ze względu na niską cenę użytych podzespołów, ale przede wszystkim z uwagi na walory edukacyjne. W takim „szkolnym” urządzeniu bardzo łatwo jest prześledzić tory sygnałów oraz poznać pracę poszczególnych bloków i bez problemu zrozumieć zasadę działania transceivera.

Konstrukcja ta może być pierwszą wprawką, po zdobyciu licencji, do budowy bardziej skomplikowanych układów nadawczo-odbiorczych i poznawania klasycznej radiotechniki oraz tajników krótkofalarstwa na popularnym paśmie HF.

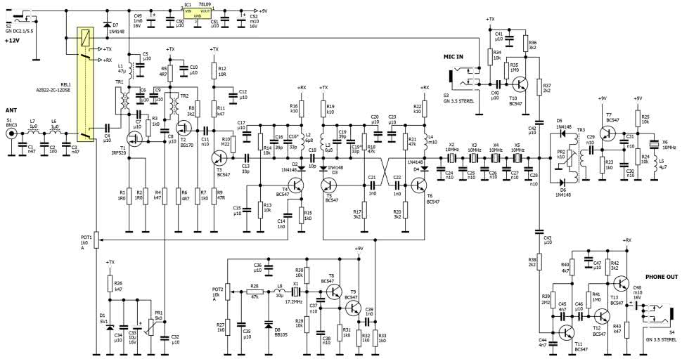
Schemat blokowy transceivera pokazano na rysunku 1.

Rysunek 1. Schemat blokowy transceivera

Jak łatwo się zorientować, urządzenie pracuje w układzie z pojedynczą przemianą częstotliwości, z podwójnym użyciem filtrów (dolnoprzepustowego, pasmowego i kwarcowego SSB), generatorów VXO i BFO oraz diodowego modulatora-detektora.

Dwukierunkowe zastosowanie filtrów oraz modulatora-detektora podczas nadawania i odbioru znacznie uprościło konstrukcję urządzenia (wyeliminowało konieczność komutacji sygnału).

Wybór częstotliwości pośredniej 10 MHz wynika głównie z użycia w układzie VXO rezonatora kwarcowego 17,2 MHz (zamiast tradycyjnego VFO z przestrajanym obwodem LC).

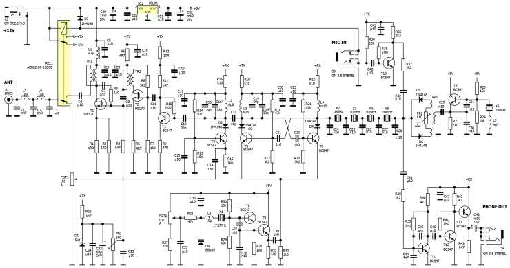
Kompletny schemat ideowy urządzenia prezentuje rysunek 2. Konstrukcja została uproszczona do minimum, w tym z użyciem głównie jednego typu popularnych tranzystorów typu BC547B lub podobnych NPN. Obecnie produkowane tranzystory NPN małej mocy są bardzo tanie i choć katalogowo przeznaczone dla m.cz., oferują bardzo wysoką częstotliwość graniczną, ponad 150 MHz, co umożliwia zastosowanie ich w układach radiowych KF.

Mając na uwadze mniej doświadczonych elektroników, najpierw zostanie omówiona zasada działania transceivera podczas odbioru (RX), a potem podczas nadawania (TX).

Rysunek 2. Schemat ideowy układu

Odbiornik – RX

Sygnał antenowy po przejściu poprzez filtr dolnoprzepustowy L7, L6, C1...C3 jest podany – przez styki przekaźnika – na tłumik wejściowy w postaci potencjometru POT1. W ten prosty sposób, poza regulacją siły głosu, został rozwiązany problem z obniżaniem sygnału wejściowego (przesterowaniem układu silnymi sygnałami pochodzącymi np. od pobliskiej stacji sąsiada krótkofalowca).

Ograniczony do 8 MHz sygnał jest skierowany na wzmacniacz z tranzystorem T4. Pracuje on w układzie OB, dzięki czemu ma niską impedancję wejściową, porównywalną z filtrem dolnoprzepustowym oraz dużą impedancję wyjściową, nieobciążającą obwodu rezonansowego L2–C16. Wzmacniacz pracuje tylko podczas odbioru i jest załączany napięciem 12 V/+RX poprzez diodę D2.

Wzmocniony sygnał z anteny, poprzez kondensator sprzęgający C18, dochodzi do drugiego obwodu rezonansowego L3–C19, który pracuje razem z poprzednim obwodem jako dwupasmowy filtr środkowo-przepustowy, zarówno podczas odbioru, jak i nadawania.

Odfiltrowany sygnał w paśmie 40 m, poprzez kondensator C22, jest następnie kierowany na mieszacz odbiornika, zbudowany w oparciu na tranzystorze T6. Do emitera tego tranzystora jest doprowadzany sygnał z generatora VXO. Taki obwód to najprostszy mieszacz, który jednocześnie wzmacnia sygnał. Pewnym mankamentem tego układu są wyjściowe, niepożądane produkty mieszania, ale zostały one w dostatecznym stopniu odfiltrowane w dalszej części toru sygnałowego. Układ pracuje tylko podczas odbioru i jest załączany napięciem 12 V/+RX poprzez diodę D4 (w podobny sposób jest rozwiązany mieszacz nadajnika).

Wydzielony w obwodzie kolektora sygnał pośredniej częstotliwości (różnica częstotliwości sygnałów z generatora i wejściowego) jest skierowany na filtr kwarcowy SSB, zestawiony w układzie drabinkowym z czterech rezonatorów o częstotliwości 10 MHz. Przy zastosowaniu czterech jednakowych rezonatorów kwarcowych i współpracujących kondensatorów C24...C28 (po 100 pF każdy) filtr zapewnia pasmo przenoszenia około 2,5...2,7 kHz. Bezpośrednio po filtrze (z pominięciem wzmacniacza p.cz.) jest włączony zrównoważony modulator dwudiodowy D5–D6.

Pojawienie się sygnału p.cz. na wyjściu filtru kwarcowego powoduje „rozrównoważenie” układu i dalsze przejście sygnału z generatora kwarcowego BFO.

Częstotliwość tego generatora leży na dolnej części charakterystyki filtru kwarcowego p.cz., co jest niezbędne do odtworzenia brakującej wstęgi bocznej sygnału wejściowego.

Częstotliwość pracy generatora z tranzystorem T7 zależy głównie od rezonatora kwarcowego oraz włączonej w szereg z nim cewki (dławik L5 o indukcyjności 4,7 μH), zapewniającej obniżenie częstotliwości BFO o ponad 1 kHz. Między BFO a detektorem/modulatorem może być włączony stopień separujący, ale w praktyce nie było takiej potrzeby (w przeciwieństwie do VXO, gdzie taki zabieg okazał się przydatny).

W wyniku zmieszania sygnału p.cz. z sygnałem wewnętrznego generatora uzyskuje się na wyjściu czytelny sygnał małej częstotliwości (0,3...3 kHz), który jest podawany poprzez dwójnik R38–C43 na wzmacniacz małej częstotliwości. W torze tym pracuje podwójny stopień wzmacniacza w układzie OE z tranzystorami T11 i T12. Trzeci tranzystor – T13 – nie daje wzmocnienia napięciowego, lecz silne wzmocnienie prądowe, ponieważ pracuje w układzie OC i służy do dopasowania niskiej impedancji słuchawek.

Kształtowanie charakterystyki sygnału m.cz. w zakresie 0,3 kHz zapewniają kondensatory sprzęgające, zaś za ograniczenie powyżej 3 kHz odpowiada kondensator C45 w pętli ujemnego sprzężenia zwrotnego. Dodatkowy kondensator filtrujący C44 również ma wpływ na ograniczenie sygnału od strony wyższych częstotliwości.
Urządzenie jest przewidziane do współpracy z zestawem multimedialnym (mikrofon elektretowy + słuchawki niskoomowe).

Częstotliwość pracy generatora VXO z tranzystorem T8 jest ustalana elektronicznie poprzez napięcie zasilania podawane z potencjometru POT2 na diodę pojemnościową D8 typu BB105. Przy maksymalnym napięciu zasilania (9 V suwak w górnym położeniu) uzyskano na wyjściu częstotliwość 17,185 MHz, zaś przy niskim – częstotliwość około 7,085 MHz, czyli w efekcie uzyskano szerokość pasma VXO 100 kHz, co odpowiada najbardziej interesującemu wycinkowi pasma SSB od około 7000 do 7185 kHz.

Cały sekret tak szerokiego zakresu przestrajania generatora kwarcowego leży w doborze szeregowo włączonej z rezonatorem kwarcowym indukcyjności L8 oraz pojemności warikapu D8 (stosunkowo duża indukcyjność dławika oraz mała pojemność diody). Pomimo uproszczeń, układ generatora pracuje wyjątkowo stabilnie i co najważniejsze, od razu w docelowym zakresie 40 m, z reguły nie wymagając korekty. Tranzystor T9 jest włączony w układzie OC i pełni funkcję separatora generatora.

Do zasilania generatorów zastosowano napięcie 9 V pochodzące ze stabilizatora UC1 typu 78L09.

Nadajnik – TX

Po naciśnięciu przycisku PTT przekaźnik RE1 przełącza urządzenie z odbioru na nadawanie. Jedna para styków służy do przełączania anteny, a druga przełącza napięcie zasilania (odłącza szynę +12 V od odbiornika i doprowadza ją do nadajnika).

Sygnał z mikrofonu elektretowego, po wzmocnieniu w układzie z tranzystorem T10, jest podawany przez dwójnik R37–C42 na wejście modulatora diodowego. Pojawienie się sygnału m.cz. powoduje „rozrównoważenie” układu mieszacza i podanie sygnału z generatora kwarcowego na wejście filtru kwarcowego.

Ponieważ częstotliwość generatora fali nośnej (BFO) leży na dolnej części charakterystyki filtru kwarcowego p.cz., na wyjściu filtru uzyskuje się sygnał z górną wstęgą boczną, zaś wstęga dolna (USB) jest odfiltrowana.

Sygnał USB z wyjścia filtru jest podany poprzez kondensator C21 na mieszacz nadajnika z tranzystorem T5. Mieszacz ten pracuje tylko podczas nadawania i jest załączany napięciem 12 V/+TX poprzez diodę D3. Podobnie jak w mieszaczu odbiornika, na emiter tranzystora T5 jest skierowany sygnał z generatora VXO (przestrajanego w wyżej podanym zakresie). Wyjściowy filtr dwuobwodowy L3–C19, L2–C16 filtruje i przepuszcza sygnał nadajnika w zakresie 7085...7185 kHz. Ponieważ częstotliwość wyjściowa emitowanego sygnału jest odejmowana od wyższej częstotliwości VXO, w efekcie uzyskuje się odwróconą wstęgę boczną sygnału, czyli dolną (LSB), jaka jest wymagana w paśmie 40 m (do 10 MHz LSB).

W układzie wzmacniacza nadajnika pracują 3 tranzystory. W stopniu mocy i driverze zostały zastosowane tranzystory MOSFET z kanałem N (IRF520 i BS170).

Wprawdzie IRF520 jest przewidziany do pracy impulsowej, ale równie dobrze spisuje się także we wzmacniaczach mocy na niższych zakresach HF.

Pierwszy stopnień nadajnika to klasyczny wzmacniacz OE z tranzystorem T3, a po nim jest driver T2 z tranzystorem unipolarnym BS170.

Sygnał SSB – bezpośrednio z drivera – jest kierowany przez obniżający transformator dopasowujący TR2 (przekładnia 4:1) do stopnia końcowego mocy z tranzystorem T1 (IRF520).

Dopasowanie obwodów drenu tranzystora do filtru dolnoprzepustowego zrealizowano za pomocą podwyższającego transformatora TR1 (1:4).

Na wyjściu znajduje się podwójny filtr dolnoprzepustowy eliminujący sygnały pozapasmowe (harmoniczne).

Jak wiadomo, jednym z najważniejszych parametrów wzmacniacza nadajnika SSB jest jego liniowość. Poprawną pracę drivera z tranzystorem T2 zapewnia dzielnik rezystorowy R7–R8 (prąd spoczynkowy około 40 mA), a w przypadku stopnia końcowego mocy z tranzystorem T1 osiągnięto ją poprzez ustawienie punktu pracy za pomocą potencjometru PR1 (prąd spoczynkowy około 120 mA).

Aby uniezależnić punkt pracy tranzystora T1 od wartości napięcia zasilania, w układzie polaryzacji bramki stopnia końcowego jest włączona dioda Zenera D1, zasilana napięciem +TX.

Rezystory włączone w źródłach tranzystorów polowych wprowadzają niewielkie, ujemne sprzężenie zwrotne, wpływające pozytywnie na liniowość układu i kompensację temperaturową stopnia.

Urządzenie najlepiej jest zasilać z zewnętrznego źródła DC 12 V (akumulatora 12 V lub dobrze filtrowanego i stabilizowanego zasilacza transformatorowego), ponieważ w praktyce większość tanich zasilaczy impulsowych wprowadza spore zakłócenia. Maksymalny pobór prądu przy zasilaniu napięciem 13,8 V podczas nadawania dochodził do 500 mA, a podczas odbioru wynosił około 40 mA.

Układ modelowy był zasilany z powodzeniem także z trzech ogniw akumulatorów Li-Ion 3,7 V połączonych w szereg, ale moc nadajnika spadła do około 2 W.

Andrzej Janeczek SP5AHT
sp5aht@swiatradio.pl

Wykaz elementów:
Rezystory:
  • R1, R2: 1 Ω
  • R3, R7, R15, R23, R27, R31...R33: 1 kΩ
  • R4, R11, R26, R43: 470 Ω
  • R5, R6: 4,7 Ω
  • R8, R17, R20, R36, R42: 3,2 kΩ
  • R9: 47 Ω
  • R10: 220 kΩ
  • R12: 10 Ω
  • R13, R14, R24, R25, R29, R30, R34: 10 kΩ
  • R16, R19, R22: 100 Ω
  • R18, R21, R28: 47 kΩ
  • R37, R38: 2,2 kΩ
  • R39: 2,2 MΩ
  • R40: 4,7 kΩ
  • R35, R41: 1 MΩ
  • POT1: 1 kΩ/A (potencjometr obrotowy)
  • POT2: 10 kΩ/A (potencjometr obrotowy)
  • PR1: 5 kΩ (potencjometr montażowy)
  • PR2: 100 Ω (potencjometr montażowy)
Kondensatory:
  • C1, C3: 470 pF
  • C2, C14, C21, C22, C39: 1 nF
  • C4...C10, C12, C15, C17, C20, C23, C32, C34...C36, C40...C43, C46, C47, C50, C51: 100 nF
  • C13: 33 pF
  • C16, C19: 72 pF (39 pF+33 pF)
  • C11, C24, C25...C31, C37, C38: 100 pF
  • C18: 10 pF
  • C33: 10 μF/16 V
  • C44, C45: 4,7 nF
  • C48, C52: 100 μF/16 V
  • C49: 1000 μF/16 V
Półprzewodniki:
  • D1: 5V1 (4V7, 6V8)
  • D2...D7: 1N4148
  • D8: BB105
  • T1: IRF520
  • T2: BS170
  • T3…T13: BC547
Pozostałe:
  • REL1: przekaźnik 12V (AZ822-2C-12DSE lub podobny, np. HFD27/012-S, V23042-A 2003-B20)
  • ANT (S1): gniazdo antenowe BNC do druku
  • MIC IN (S3): GN 3,5 STEREL (gniazdo słuchawkowe stereo mini jack)
  • PHONE OUT (S4): GN 3,5 STEREL (gniazdo słuchawkowe stereo mini jack)
  • +12V (S2): GN DC2.1/5.5 (gniazdo zasilania 12 V)
  • Radiator: DY-AM (32×20×30 mm) lub podobny
  • Obudowa plastikowa Z78 (85×154×43 mm)
  • Pokrętła na osie potencjometrów 6 mm (2 szt.)
  • L1: 47 μH (10 zwojów DNE 0,6 na rdzeniu FT37-43)
  • L2, L3: 6,8 μH (dławiki osiowe)
  • L4: 100 μH (dławik osiowy)
  • L5: 4,7 μH (dławik osiowy)
  • L6, L7: 1 μH (16 zwojów DNE 0,4 na rdzeniu T37-2)
  • L8: 10 μH (dławik osiowy)
  • TR1, TR2: 2×10 zwojów DNE 0,4 na rdzeniu FT37-43
  • TR3: 3×10 zwojów DNE 0,2 na rdzeniu FT37-43
  • X1: 17,2 MHz 
  • X2...X5: 10,0 MHz
Artykuł ukazał się w
Elektronika Praktyczna
styczeń 2025
Elektronika Praktyczna Plus lipiec - grudzień 2012

Elektronika Praktyczna Plus

Monograficzne wydania specjalne

Elektronik listopad 2025

Elektronik

Magazyn elektroniki profesjonalnej

Raspberry Pi 2015

Raspberry Pi

Wykorzystaj wszystkie możliwości wyjątkowego minikomputera

Świat Radio listopad - grudzień 2025

Świat Radio

Magazyn krótkofalowców i amatorów CB

Automatyka, Podzespoły, Aplikacje listopad - grudzień 2025

Automatyka, Podzespoły, Aplikacje

Technika i rynek systemów automatyki

Elektronika Praktyczna listopad 2025

Elektronika Praktyczna

Międzynarodowy magazyn elektroników konstruktorów

Elektronika dla Wszystkich grudzień 2025

Elektronika dla Wszystkich

Interesująca elektronika dla pasjonatów