Bardzo prosty odbiornik UKF FM

Bardzo prosty odbiornik UKF FM

Proste radyjka na zakres UKF, które radioamatorzy budowali jeszcze kilkanaście lat temu, wymagały specjalistycznych przyrządów do zestrojenia. Nawet te bardzo proste odbiorniki, na przykład superreakcyjne, wymagały nawijania cewek. Teraz każdy może sam zbudować swój prosty odbiornik UKF FM, który jednocześnie będzie bardzo praktyczny i intuicyjny w obsłudze.

Podstawowe parametry:
  • odbiór stereofoniczny audycji nadawanych analogowo w paśmie CCIR (87,5...108 MHz) z modulacją częstotliwościową (FM),
  • wbudowany wzmacniacz głośnikowy 2×1 W (8 Ω, 9 V) z regulacją głośności za pomocą potencjometru,
  • wyjście liniowe audio,
  • prosty wskaźnik siły sygnału,
  • zapamiętywanie jednej stacji w nieulotnej pamięci EEPROM,
  • wyszukiwanie stacji zarówno w dół skali, jak i w górę,
  • pobór prądu 20...500 mA,
  • zasilanie napięciem stałym 9 V (lub 5 V – po niewielkiej modyfikacji).

Kilkadziesiąt lat temu zbudowanie własnego odbiornika radiowego wymagało przebrnięcia przez instrukcję, która zawierała określenia w stylu: L1 = 270 zwojów DNE 0,18 na karkasie o średnicy 6 mm. Im wyższa była częstotliwość pracy urządzenia, tym (pozornie!) prostsze wydawało się zadanie, gdyż malała liczba zwojów i drut nawojowy stawał się grubszy. Tak naprawdę jednak utrzymanie tej cewki w ryzach wcale nie okazywało się proste. Drut się giął, a zwoje były nierówno rozłożone, co finalnie przekładało się na problemy z zestrojeniem. Generalnie – trudny temat.

Owszem, istniała wtedy (i istnieje po dziś dzień) spora rzesza elektroników, którym nawijanie cewek nie przeszkadza, ba, nawet traktują to jako swoisty smaczek – coś innego, niż zwyczajne lutowanie. Panie i panowie – macie mój szacunek, naprawdę! Zaś tych, którzy chcą sami posłuchać, co w eterze piszczy, ale „kręcenie” własnych cewek po prostu nie kręci, zapraszam do lektury opisu niniejszego urządzenia.

Budowa układu

Schemat ideowy omawianego urządzenia znajduje się na rysunku 1.

Rysunek 1. Schemat ideowy bardzo prostego odbiornika UKF FM

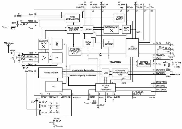
Jako pierwszy blok można z pewnością wyróżnić na nim moduł z układem TEA5767. Ta niewielka płytka wykonuje za nas całą „czarną robotę”, a co jeszcze lepsze – steruje się nią w pełni cyfrowo. Schemat blokowy modułu pokazuje rysunek 2.

Rysunek 2. Schemat blokowy układu TEA5767

Na wejściu sygnału w.cz. (którego źródłem jest antena) znajdują się: obwód rezonansowy o niskiej dobroci (z cewką L1) oraz szerokopasmowy wzmacniacz wielkiej częstotliwości, którego wzmocnienie jest regulowane automatycznie (AGC). Cyfrowy system strojenia, będący niczym innym, jak generatorem na bazie pętli synchronizacji fazowej (PLL), wytwarza sygnał heterodyny, korzystając z oscylatora przestrajanego napięciowo (VCO). Częstotliwość wzorcowa dla tego generatora jest ustalona przez dołączony z zewnątrz rezonator kwarcowy o częstotliwości 32768 Hz lub 13 MHz – w przypadku omawianego modułu prawdziwa jest pierwsza z dwóch wymienionych wartości (zastosowano niewielki, cylindryczny kwarc zegarkowy).

Wzmocniony sygnał wielkiej częstotliwości oraz wytworzony przez VCO sygnał heterodyny trafiają do mieszacza kwadraturowego (I/Q). Obie powstałe w nim składowe (synfazowa I oraz kwadraturowa Q) są wzmacniane przez wzmacniacz rezonansowy, który jest niczym innym, jak znanym z typowego układu superheterodyny wzmacniaczem pośredniej częstotliwości. Z tym ostatnim z kolei współpracuje ogranicznik sygnału, eliminujący niepożądaną modulację amplitudy. Przy nim znajduje się również przetwornik A/C mierzący aktualną siłę sygnału radiowego poprzez określenie jego średniej amplitudy.

Sygnał, po opuszczeniu ogranicznika amplitudy, poddawany jest demodulacji, a następnie trafia na dekoder stereo. W zależności od warunków, może on pracować lub nie, ponieważ obiór stereofoniczny wymaga sygnału o lepszej jakości. Całość działa zatem jak klasyczny odbiornik superheterodynowy, z tą różnicą, że zdecydowana większość jego układu została zintegrowana na jednym płatku krzemu.

Wszystkie znajdujące się na prezentowanym schemacie cewki zostały przygotowane, przylutowane i zestrojone przez producenta modułu. Nam pozostaje jedynie przylutować dziesięć pól lutowniczych, które są wyprowadzone na dwóch bocznych krawędziach tegoż moduliku. Pole lutownicze PAD1 przewidziane jest do podłączenia anteny – o czym dalej.

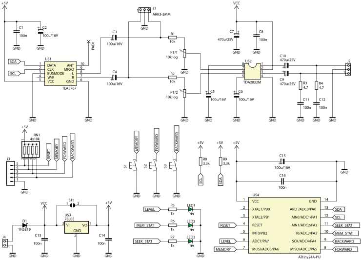
Otoczenie modułu okazuje się bardzo proste: wymaga on dostarczenia zasilania DC oraz cyfrowego sygnału sterującego. Ów sygnał to pięć bajtów przesyłanych magistralą I²C. Rezystory R8 i R9 podciągają linie sygnałowe do dodatniego potencjału zasilającego (około +5 V). Na wyjściach zdemodulowanego sygnału małej częstotliwości istnieje składowa stała, toteż kondensatory C3 i C4 odcinają ją. Voilà, oto cała magia czułego odbiornika radiowego sprowadzona do kilku prostych podzespołów.

Wbudowany w płytkę wzmacniacz audio został zrealizowany przy użyciu starego już układu TDA2822M, którego aplikacja jest bardzo prosta, zaś parametry – wystarczające do zastosowania go w odbiorniku określanym jako „prosty”. Amplituda sygnału wychodzącego z TEA5767 pozostaje na tyle wysoka, że bez problemu przesterowuje wejście tego stereofonicznego wzmacniacza mocy.

Rezystory R1 i R2 – w połączeniu z rezystancją ścieżek oporowych potencjometru P1 – tworzą dzielnik napięciowy, tłumiący poziom sygnału wejściowego o około 6 dB.

Kondensatory C5 i C6 są wymagane przez notę katalogową układu TDA2822M do jego poprawnej pracy. Ich rola polega na zwieraniu do masy wejść odwracających, lecz tylko dla sygnału – stąd użycie kondensatorów, a nie po prostu podłączenie do masy. Na wyjściach znajduje się składowa stała, którą separują od głośników kondensatory C9 i C10. Szeregowe obwody RC (C11+R3 i C12+R4) stanowią tzw. obwody Zobla, zaś ich zadaniem jest obciążanie stopni wyjściowych dla składowych o wysokiej częstotliwości – czyli tych, przy których reaktancja indukcyjna cewki głośnika staje się już bardzo wysoka.

Jeżeli ktoś chce użyć wzmacniacza audio innego niż wbudowany, może pobrać zdemodulowany sygnał analogowy z zacisków złącza J1. Wtedy jednak nie będzie dostępna regulacja głośności za pomocą znajdującego się na płytce potencjometru P1.

Pracą modułu TEA5767 steruje prosty i tani mikrokontroler typu ATtiny24A-PU. Ma niewiele pamięci programu, lecz okazuje się ona wystarczająca do realizacji tego projektu. Procesor można programować w układzie, bez wyciągania z podstawki, poprzez złącze J3 (to na nie zostały wyprowadzone linie sygnałowe interfejsu ISP). Linie przeznaczone do programowania zostały dodatkowo podciągnięte do potencjału +5 V, aby zlikwidować problem gromadzenia się na nich ładunków elektrostatycznych oraz aby zmniejszyć ich impedancję dla zakłóceń elektromagnetycznych. Dodatkowo owe trzy linie zostały zaprzęgnięte do sprawdzania stanu przycisków monostabilnych S1…S3.

Użytkownik, poza przyciskami do sterowania odbiornikiem radiowym, ma do dyspozycji również trzy diody LED sterowane przez mikrokontroler. Rezystory R5…R7 ograniczają ich prąd przewodzenia do około 3 mA, co stanowi wartość wystarczającą do wyraźnego świecenia, zwłaszcza w przypadku diod zielonych (na tę barwę ludzkie oko jest najbardziej wyczulone). Zasilanie do układu doprowadzają zaciski złącza J4. Dioda D1 chroni podzespoły przed uszkodzeniem w razie odwrotnego podłączenia zewnętrznego zasilacza. Stabilizator 78L05 dostarcza napięcia 5 V do modułu radiowego oraz mikrokontrolera, zaś wzmacniacz mocy jest zasilany wprost z katody D1.

Montaż i uruchomienie

Układ został zmontowany na dwustronnej płytce drukowanej o wymiarach 110 mm × 35 mm. Wzór jej ścieżek oraz schemat montażowy pokazuje rysunek 3. Wszystkie cztery otwory montażowe mają średnicę 3,2 mm, zostały umieszczone w odległości 3 mm od krawędzi płytki.

Rysunek 3. Schemat płytki PCB

Montaż proponuję rozpocząć od elementów o najmniejszej wysokości obudowy, czyli modułu radiowego US1 oraz rezystorów. Pod układy US2 i US4 proponuję zastosować podstawki, aby ułatwić wymianę któregoś z nich (w razie uszkodzenia) – oraz programowanie mikrokontrolera. W układzie prototypowym diody LED1…LED3 zostały wlutowane na zgiętych nóżkach, aby mogły wystawać przez przednią ściankę obudowy – tak, jak klawisze przycisków S1…S3 i oś potencjometru P1. Zmontowany układ można zobaczyć na fotografii tytułowej.

Na etapie uruchamiania konieczne jest zaprogramowanie pamięci Flash mikrokontrolera dostarczonym wsadem oraz zmiana jego bitów zabezpieczających. Oto ich nowe wartości:

Low Fuse = 0xE2
High Fuse = 0xDC

Szczegóły są widoczne na rysunku 4, który zawiera widok okna konfiguracji tychże bitów w programie BitBurner. W ten sposób zostanie uruchomiony wewnętrzny generator RC o częstotliwości 8 MHz (a dokładniej: wyłączony preskaler przez 8) oraz Brown-Out Detector, który wprowadzi mikrokontroler w stan zerowania, jeżeli jego napięcie zasilające spadnie poniżej 4,3 V. Taki zabieg znacznie zmniejsza ryzyko zawieszenia się mikrokontrolera podczas uruchamiania.

Rysunek 4. Szczegóły ustawienia bitów zabezpieczających

Poprawnie zaprogramowany układ jest gotowy do działania po podłączeniu zasilania do zacisków złącza J4. Powinno to być napięcie stałe, dobrze filtrowane, najlepiej stabilizowane – na przykład z zasilacza wtyczkowego. W podstawowej wersji układu, z wlutowanym stabilizatorem US3, powinno ono wynosić 9 V. Górny limit tego napięcia, wyznaczony przez układ TDA2822M, sięga 15 V, lecz przy tak wysokim napięciu zasilającym i pracy z niskoomowymi głośnikami dojdzie do przegrzania wzmacniacza. W tych warunkach rekomenduję użycie głośników o impedancji 8 Ω, a najlepiej jeszcze większej. Maksymalna moc wyjściowa powinna wynosić 1 W na kanał. Pobór prądu zależy od aktualnego wysterowania i może zawierać się w przedziale od 20 mA do nawet 500 mA (przy głośnikach 8 Ω).

Można też pominąć stabilizator 78L05 i cały układ zasilać napięciem stabilizowanym o wartości 5 V, na przykład z ładowarki USB. Wzmacniacz mocy znajdujący się na płytce jest przystosowany do pracy w takich warunkach, co więcej: można będzie zastosować głośniki o niższej impedancji obciążenia, na przykład 4 Ω, bez ryzyka jego przegrzania. W tym celu trzeba wylutować US3 i zewrzeć kroplą cyny dwa prostokątne pola lutownicze SJ1, które znajdują się na spodniej stronie płytki. Wówczas na cały układ trafi napięcie pochodzące wprost z zasilacza. Pobór prądu będzie zawierać się w takich samych granicach (dla głośników 4 Ω), choć moc wyjściowa może być o około 50% niższa niż w poprzednim wariancie.

Gdyby wbudowany wzmacniacz nie był nikomu do szczęścia potrzebny, można skorzystać z innego, zewnętrznego – wtedy konieczne okaże się zastosowanie stabilizatora US3, lecz warto przy tym wyjąć z podstawki układ US2. Napięcie zasilające może wynosić 9...24 V, zaś pobór prądu będzie stały i wyniesie około 15 mA, niezależnie od wysterowania. Jeżeli zaś do dyspozycji jest gotowe napięcie 5 V, wówczas można US3 pominąć (wylutować) i zewrzeć jego wejście z wyjściem zworką SJ1.

Jako anteny odbiorczej można użyć odcinka miedzianego przewodu w izolacji, który należy przylutować do pola lutowniczego PAD1, zlokalizowanego nieopodal modułu US1. Najlepiej, aby jego długość wynosiła około 1,5 m (lub połowę tej wartości, jeżeli nie ma warunków na użycie przewodu półtorametrowego). Można też użyć przeznaczonej specjalnie do zakresu UKF anteny teleskopowej.

Zaraz po włączeniu zasilania układ odczytuje częstotliwość stacji zapisanej w pamięci EEPROM. Jeżeli pamięć jest pusta lub wystąpi błąd odczytu, ustawiona zostanie najniższa możliwa częstotliwość dla tego zakresu (87,5 MHz). Przeszukiwać pasmo można zarówno w górę (wciskając na chwilę S2), jak i w dół (po naciśnięciu S3). W trakcie wyszukiwania odpowiednio silnych stacji dioda LED3 świeci się, po zakończeniu wyszukiwania – gaśnie.

Jasność świecenia diody LED1 wskazuje na poziom odbieranego sygnału. Układ rozróżnia 16 wartości siły sygnału, zaś wypełnienie sygnału PWM sterującego diodą rośnie logarytmicznie, zatem można wyraźnie zauważyć przyrost lub spadek jasności świecenia. Ten prosty wskaźnik siły sygnału jest odświeżany po każdym wyszukiwaniu stacji oraz cyklicznie (co 5 sekund) w trakcie pracy układu.

Przycisk S1 służy do obsługi pamięci stacji. Jeśli zostanie na chwilę wciśnięty i zwolniony, układ bezwarunkowo ustawi częstotliwość zapisanej stacji. Jeżeli zaś wciśnięcie będzie trwało dłużej niż 1 sekundę, układ zapisze tę częstotliwość do pamięci EEPROM. W sytuacji, gdy aktualnie ustawiona częstotliwość pokrywa się z zapisaną w pamięci, świeci się dioda LED2 – będzie się zatem świeciła zaraz po włączeniu zasilania, po użyciu przycisku S1 oraz kiedy wyszukiwanie stacji natrafi na tę już wcześniej zapamiętaną.

Michał Kurzela, EP

Wykaz elementów:
Rezystory: (THT o mocy 0,25 W)
  • R1, R2: 10 kΩ
  • R3, R4: 4,7 Ω
  • R5…R7: 1 kΩ
  • R8, R9: 3,3 kΩ
  • RN1: 4 × 10 kΩ SIL5
  • P1: 2 × 10 kΩ logarytmiczny (na panel)
Kondensatory:
  • C1, C8, C11…C14, C16: 100 nF (raster 5 mm, MKT)
  • C2…C6, C15: 100 μF 16 V (raster 2,5 mm)
  • C7, C9, C10: 470 μF 25 V (raster 3,5 mm)
Półprzewodniki:
  • D1: 1N5819
  • LED1…LED3: zielona 5 mm matowa (np. LED F5 G)
  • US1: moduł z TEA5767
  • US2: TDA2822M (DIP8)
  • US3: 78L05 (TO92)
  • US4: ATtiny24A-PU (DIP14)
Pozostałe:
  • J1, J2: ARK3 (5 mm)
  • J3: goldpin 5 pin męski (2,54 mm, THT)
  • J4: ARK2 (5 mm)
  • S1…S3: microswitch 6×6 kątowy (MIKROSW 6 K9)
  • Jedna podstawka DIP8
  • Jedna podstawka DIP14
  • Antena radiowa (opis w tekście)
Artykuł ukazał się w
Elektronika Praktyczna
październik 2024
DO POBRANIA
Materiały dodatkowe
Elektronika Praktyczna Plus lipiec - grudzień 2012

Elektronika Praktyczna Plus

Monograficzne wydania specjalne

Elektronik listopad 2025

Elektronik

Magazyn elektroniki profesjonalnej

Raspberry Pi 2015

Raspberry Pi

Wykorzystaj wszystkie możliwości wyjątkowego minikomputera

Świat Radio listopad - grudzień 2025

Świat Radio

Magazyn krótkofalowców i amatorów CB

Automatyka, Podzespoły, Aplikacje listopad - grudzień 2025

Automatyka, Podzespoły, Aplikacje

Technika i rynek systemów automatyki

Elektronika Praktyczna listopad 2025

Elektronika Praktyczna

Międzynarodowy magazyn elektroników konstruktorów

Elektronika dla Wszystkich grudzień 2025

Elektronika dla Wszystkich

Interesująca elektronika dla pasjonatów