Zaawansowany selektor audio

Zaawansowany selektor audio

Selektory sygnału audio na ogół mają kilka wejść i jedno wyjście, które jest między tymi wejściami przełączane. Sytuacja komplikuje się, kiedy potencjalnych adresatów owego sygnału również jest więcej niż jeden. Wtedy właśnie może przydać się opisany poniżej układ.

Podstawowe parametry:
  • cztery wejścia stereo na złączach żeńskich RCA (Cinch),
  • cztery wyjścia stereo na złączach żeńskich RCA (Cinch),
  • każde z wyjść może zostać odłączone lub podłączone do jednego z wejść,
  • proste sterowanie przyciskami,
  • alfanumeryczny wyświetlacz LCD 2×16 znaków,
  • podział na dwie płytki: przednią (sterującą z wyświetlaczem) i główną (z przekaźnikami) połączone taśmą,
  • podświetlenie wyświetlacza LCD załączone na stałe i/lub przez 5 s od wciśnięcia przycisku,
  • zasilanie napięciem stałym 12 V (lub 24 V po modyfikacji),
  • pobór prądu 10…80 mA (w wersji 12 V).

Przykładowy domowy zestaw audio: odtwarzacz kasetowy (lub szpulowy deck), odtwarzacz CD, internetowy DAC, gramofon oraz wzmacniacz. Cztery źródła sygnału, jeden odbiornik. Podłączenie jest w tym przypadku banalne: wystarczy selektor typu „1 z 4”, a ponieważ wzmacniacz najczęściej wyposażony jest we wbudowany selektor, nie trzeba nawet dodatkowego klocka. Ale co zrobić w sytuacji, gdy mamy dwa różne wzmacniacze, na przykład słuchawkowy i głośnikowy?

Jeszcze inna możliwość: mam na wyposażeniu wzmacniacz słuchawkowy, głośnikowy, ADC do cyfrowej rejestracji dźwięku z taśm lub gramofonu oraz kino domowe. Przecież tego nie da się podłączyć bez plątaniny kabli, którą trzeba byłoby przekładać przy każdej próbie zmiany jakichkolwiek parametrów! A gdyby zechcieć podłączyć jedno źródło do dwóch wzmacniaczy, konieczny byłby rozgałęźnik. W efekcie otrzymujemy bałagan i chaos. Remedium stanowi… ten układ.

Budowa

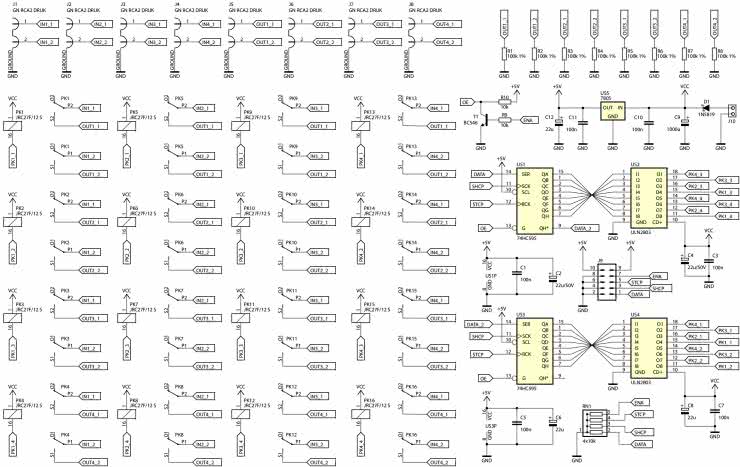
Urządzenie zostało podzielone na dwie płytki drukowane, połączone dla wygody pojedynczą taśmą. Główna płytka zawiera złącza sygnałowe oraz przekaźniki i osprzęt konieczny do ich sterowania, natomiast jej szczegółowy schemat ideowy znajduje się na rysunku 1. Osiem podwójnych gniazd sygnałowych jest przełączanych przez zestaw szesnastu przekaźników sygnałowych - tak aby możliwe było połączenie typu „każdy z każdym”, a dokładniej: każde wyjście (J5…J8) można było połączyć z dokładnie jednym wejściem (J1…J4) lub zostawić niepodłączone. Algorytm sterowania został napisany tak, by wykluczyć możliwość jednoczesnego podłączenia dwóch wejść do jednego wyjścia, co skutkowałoby ich zwarciem między sobą - można jednak sygnał z jednego wejścia przekierować do kilku wyjść jednocześnie.

Rysunek 1. Schemat ideowy płytki głównej

Za wstępną polaryzację wyjść odpowiadają rezystory R1…R8. W prototypie użyto elementów niskoszumowych, metalizowanych i do tego precyzyjnych - o tolerancji 1%. Rezystancja 100 kΩ nie powinna nadmiernie obciążać żadnego z popularnych dzisiaj źródeł sygnału, a jednocześnie nie pozostawi wejścia aktualnie odłączonego wzmacniacza (lub innego odbiornika) „wiszącego w powietrzu”. Im niższa jest wspomniana rezystancja, tym mniejszy wpływ na działanie tego układu mają wszechobecne zakłócenia, za to mocniej obciążane są wyjścia źródeł, co może skutkować zmniejszeniem amplitudy sygnału audio.
Jako przekaźniki sygnałowe zostały użyte popularne i niedrogie JRC27F z cewkami przystosowanymi do napięcia 12 V. Nic nie stoi na przeszkodzie, by użyć ich odpowiedników dostosowanych do zasilania napięciem 24 V, czyli JRC27F/24 S z oferty sklepu AVT. Te niewielkie przekaźniki o konfiguracji styków DPDT pozwalają na niezawodne przełączanie sygnałów o dowolnie małym natężeniu prądu, czego nie potrafią ich większe odpowiedniki, jak RM84, w których z czasem dochodzi do pogorszenia parametrów przewodzenia przy zbyt niskim obciążeniu.

Czym sterować szesnaście przekaźników, szesnastoma tranzystorami? Czemu nie, ale uprośćmy sobie zadanie - gotowe układy ULN2803 mają w swojej strukturze po osiem kluczy nasyconych, wraz z diodami zabezpieczającymi przed uszkodzeniem podczas sterowania obciążeniami o charakterze indukcyjnym.

Ponadto mają też wbudowane rezystory ograniczające prądy baz tychże tranzystorów, co oznacza, że praktycznie nie trzeba im elementów zewnętrznych do poprawnego działania. Warto jednak postawić w ich pobliżu kondensatory filtrujące zasilanie (tutaj: 100 nF + 22 μF), aby impuls samoindukcji od wyłączającego się uzwojenia przekaźnika został pochłonięty, a nie rozpłynął się po dalszych obwodach na płytce.

Szesnaście tranzystorów, nawet scalonych w grupy po osiem, wymaga aż szesnastu linii I/O mikrokontrolera do ich sterowania. Warto używać aż tylu? W tym wypadku zdecydowanie nie; nie byłoby żadnych korzyści z takiego posunięcia, stany przekaźników zmieniają się przecież stosunkowo rzadko. Dlatego użyto dwóch układów typu 74HC595, połączonych kaskadowo, a stanowiących rejestry przesuwne z wejściami szeregowymi oraz wyjściami równoległymi. Można wpisać do nich dwa bajty i poustawiać w ten sposób stan logiczny łącznie szesnastu wyjść - to wszystko dzięki czterem nóżkom układu programowalnego.

Płytkę główną z przednią łączy się poprzez złącze IDC10, do którego można zacisnąć elegancką i łatwą do ułożenia taśmę. Przez owe złącze przepływają sygnały sterujące dla układów US1 i US3. Rezystory znajdujące się w drabince RN1 polaryzują wspomniane wejścia niskim stanem logicznym, aby nie „wisiały one w powietrzu” przy braku podłączenia. Wyjątkiem jest wyprowadzenie OE (Output Enable), które powinno domyślnie przyjmować wysoki stan logiczny, aby przekaźniki były odłączone. Zapobiega to ich chaotycznemu ustawieniu zaraz po włączeniu zasilania, kiedy w rejestrach znajdują się losowe wartości. Zatkany tranzystor T1 zostaje nasycony dopiero po podaniu stanu wysokiego przez mikrokontroler, co dzieje się po wysłaniu przezeń ustawień dla ‘595 - dlatego na linii OE w stanie spoczynku mamy wysoki stan logiczny, który zostaje sprowadzony do zera dopiero na wyraźne żądanie układu zawiadującego pracą selektora.

Na tej samej płycie mamy też prosty stabilizator typu 7805, który dostarcza napięcia do znajdujących się na niej układów cyfrowych oraz do płytki przedniej. Pobór prądu przez elementy na tej ostatniej jest na tyle niski, że spadek napięcia na przewodach taśmy nie będzie dla układu w jakikolwiek sposób odczuwalny. Wszystkie kondensatory elektrolityczne występujące na tej płytce zostały tak dobrane, aby przystosowanie jej do zasilania napięciem 24 V sprowadzało się jedynie do wymiany przekaźników na wcześniej opisane.

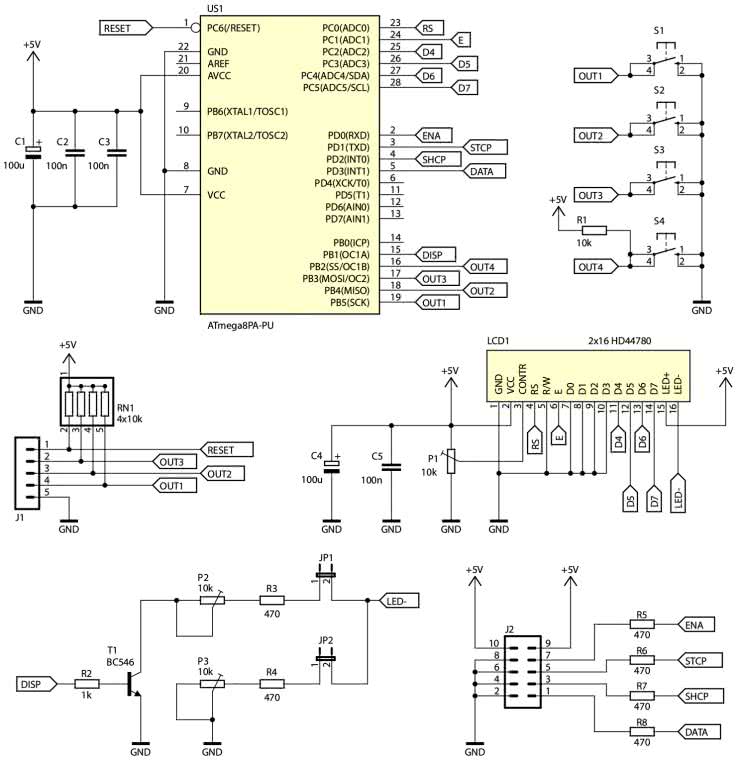
Schemat ideowy płytki przedniej selektora audio znajduje się na rysunku 2. Najistotniejszym elementem jest tu układ Atmega8A-PU. To mikrokontroler z nadal popularnej i niezawodnej rodziny AVR, mimo, że jest ona dostępna na rynku już od wielu lat. Liczba jego konfigurowalnych wyprowadzeń oraz ilość pamięci okazują się całkowicie wystarczające do realizacji tego zadania. Kondensatory C1…C3 filtrują napięcie zasilające mikrokontroler i zmniejszają impedancję obsługującego go źródła zasilania. Nie zastosowano zewnętrznego rezonatora kwarcowego do stabilizacji częstotliwości sygnału zegarowego, gdyż układ w ogóle nie realizuje zadań krytycznych czasowo.

Rysunek 2. Schemat ideowy płytki przedniej

Do obsługi selektora, a dokładniej przełączania wyjść, służą cztery przyciski monostabilne S1…S4. Wszystkie wyposażone zostały w zewnętrzne rezystory podciągające, przy czym trzy pierwsze używają rezystorów zawartych w RN1, zaś S4 współpracuje z dyskretnym rezystorem podciągającym R1. Zmniejsza to wrażliwość układu na zakłócenia. Wszystkie linie służące programowaniu ISP zostały podciągnięte do potencjału +5 V za pośrednictwem rezystorów z drabinki RN1. Programowanie mikrokontrolera może odbywać się zarówno po włożeniu go w podstawkę programatora, jak i za pośrednictwem złącza J1.

Użytkownik widzi informacje podawane przez układ na wyświetlaczu LCD1, który z kolei zawiera sterownik typu HD44780 (lub zgodny z nim). Pokazuje on dwa wiersze, po szesnaście znaków w każdym. Potencjometrem P1 ustawia się kontrast ekranu. Do komunikacji z mikrokontrolerem używanych jest sześć linii sygnałowych.

Zasilanie podświetlenia wyświetlacza odbywa się w dwojaki sposób. Po pierwsze, może się ono świecić stale, jeżeli zostanie zwarta zworka JP2. Prąd zasilający diody podświetlenia jest wtedy ograniczany przez szeregowo połączone R4 i P3, którymi można regulować jego jasność - chyba że JP2 zostanie rozwarta. Drugi wariant stanowi sterowanie go poprzez mikrokontroler, który ma możliwość załączenia podświetlenia na 5 s po każdym wciśnięciu któregokolwiek przycisku - po nasyceniu tranzystora T1. Wtedy to, o ile została zwarta zworka JP1, podświetlenie jest rozjaśniane (lub w ogóle załączane, jeżeli JP2 jest zdjęta), dzięki dodatkowej drodze dla prądu, zapewnianej przez R3 i P2.

Sygnały sterujące do płytki głównej oraz pochodzące z niej napięcie zasilania są dostarczane przez złącze J1, identyczne jak na płytce głównej. Rezystory R5…R8 o rezystancji 470 Ω każdy zmniejszają natężenie prądu przepływającego przez przypadkowo zwartą linię sygnałową, a ponadto zwiększają czas narastania i opadania napięcia w przewodach taśmy IDC10. Nie daje to dopasowania falowego, o które zresztą nie trzeba tutaj zabiegać, lecz wystarczająco zapobiega powstawaniu odbić od końca taśmy z powrotem do mikrokontrolera, co objawiałoby się „dzwonieniem” w liniach sygnałowych.

Montaż i uruchomienie

Układ został zmontowany na dwóch dwustronnych płytkach drukowanych o wymiarach: 170 mm × 85 mm (płytka główna) i 120 mm × 40 mm (płytka przednia). Ich wzory ścieżek oraz schematy montażowe pokazano, odpowiednio, na rysunku 3 i rysunku 4. W odległości 3 mm od krawędzi obu płytek znalazły się cztery otwory montażowe, każdy o średnicy 3,2 mm. Złącza RCA na płytce głównej są dosunięte do jej dłuższej krawędzi i zlokalizowane w odległości 20 mm od siebie. Skrajne złącza (IN1 i OUT4) usytuowane zostały w odległości 15 mm od bocznych krawędzi laminatu.

Rysunek 3. Schemat montażowy i wzór ścieżek płytki głównej
Rysunek 4. Schemat montażowy i wzór ścieżek płytki przedniej (a - warstwa top, b - warstwa bottom)

Montaż obu płytek proponuję rozpocząć od elementów o najmniejszej wysokości obudowy, czyli rezystorów i diod. Pod wszystkie układy scalone w obudowach DIP proponuję zastosować podstawki, aby ułatwić ich wymianę w razie uszkodzenia. Zmontowaną płytkę główną można zobaczyć w szczegółach na fotografii 1.

Fotografia 1. Widok zmontowanej płytki głównej

Na płytce przedniej tylko wyświetlacz LCD i przyciski są montowane na górnej stronie laminatu (fotografia 2), zaś cała reszta elementów - na stronie spodniej (fotografia 3).

Fotografia 2. Widok zmontowanej płytki przedniej od strony górnej (top)
Fotografia 3. Widok zmontowanej płytki przedniej od strony spodniej (bottom)

Lutowanie złącza do wyświetlacza polecam zostawić na sam koniec, po dokładnym przykręceniu, aby ewentualny naddatek wysokości tulei mógł ulec skompensowaniu przez lekkie wystawanie złączy z powierzchni płytki. W ten sposób część męska i żeńska wchodzą w siebie całkowicie, co zapewnia dobry kontakt elektryczny między nimi. Rozmieszczenie przycisków i wyświetlacza na powierzchni płytki pokazano na rysunku 5; dzięki niemu łatwiej będzie wykonać obudowę do opisywanego urządzenia.

Rysunek 5. Lokalizacja wyświetlacza oraz przycisków na płytce przedniej

Na etapie uruchamiania konieczne okazuje się zaprogramowanie pamięci Flash mikrokontrolera dostarczonym wsadem oraz zmiana jego bitów zabezpieczających. Oto ich nowe wartości:

Low Fuse = 0x24
High Fuse = 0xD9

Szczegóły widoczne są na rysunku 6, który zawiera widok okna konfiguracji tychże bitów z programu BitBurner. W ten sposób zostanie uruchomiony wewnętrzny generator RC o częstotliwości oscylacji 8 MHz oraz Brown-Out Detector, który wprowadzi mikrokontroler w stan zerowania, jeżeli jego napięcie zasilające spadnie poniżej 4 V. Takie rozwiązanie znacznie zmniejsza ryzyko zawieszenia się mikrokontrolera podczas uruchamiania.

Rysunek 6. Szczegóły ustawienia bitów zabezpieczających

Poprawnie zaprogramowany układ jest gotowy do działania po ustawieniu kontrastu wyświetlacza potencjometrem P1 na płytce przedniej. Do zasilania powinno służyć napięcie stałe o wartości około 12 V, dobrze filtrowane, a najlepiej - stabilizowane. Po wymianie przekaźników, co zostało opisane już wcześniej w artykule, układ może pracować przy napięciu 24 V. Pobór prądu przy 12 V wynosi około 10 mA (przy wyłączonych przekaźnikach) - oraz około 80 mA, kiedy wszystkie wyjścia zostaną załączone. Długość taśmy IDC10 między płytkami nie ma większego znaczenia, o ile mieści się w rozsądnych granicach (tj. nie przekracza kilkadziesięciu centymetrów).

Przełączanie wejść dołączonych do danego wejścia odbywa się bardzo prosto: poprzez wciskanie przycisku znajdującego się przy danym narożniku wyświetlacza. Do wyboru jest pięć opcji: numery 1…4 oraz kreska. Pojawienie się napisu - przykładowo: OUT1 3 - oznacza, że do wyjścia OUT1 zostało dołączone wejście IN3. Z kolei tekst OUT2 sygnalizuje, że wyjście OUT2 jest odłączone od wszystkich wejść i polaryzują je jedynie rezystory. Proste i czytelne. Po każdej modyfikacji ustawienia zmiany te są zapisywane w nieulotnej pamięci EEPROM i odczytywane na nowo po przywróceniu zasilania układu. Widok wyświetlacza w czasie pracy pokazano na fotografii 4. Warto zawczasu ustawić żądaną jasność podświetlenia wyświetlacza, zarówno tę stałą (potencjometr P3 + zwarta zworka JP3), jak i tę załączaną na 5 s po zmianie nastaw (potencjometr P2 + zworka JP1).

Fotografia 4. Widok wyświetlacza w trakcie pracy układu

Parametry przewodzonego przez układ sygnału niskonapięciowego nie mają większego znaczenia. Za jego pomocą można krosować sygnały pochodzące, na przykład, z różnych czujników - analogowych lub cyfrowych. Warto jednak pamiętać, że masy wszystkich sygnałów oraz masa zasilania układu są ze sobą połączone.

Michał Kurzela, EP

Wykaz elementów: Płytka przednia
Rezystory: (THT o mocy 0,25 W)
  • R1: 10 kΩ
  • R2: 1 kΩ
  • R3…R8: 470 Ω
  • RN1: 4 × 10 kΩ SIL5
  • P1…P3: 10 kΩ montażowy leżący jednoobrotowy
Kondensatory:
  • C1, C4: 100 μF 16 V raster 2,5 mm
  • C2, C3, C5: 100 nF raster 5 mm MKT
Półprzewodniki:
  • LCD1: 2×16, zgodny z HD44780, np. LCD2X1615
  • T1: BC546
Pozostałe:
  • J1: goldpin 5 pin męski 2,54 mm THT
  • J2: IDC 10 męski prosty do druku 2×5 2,54 mm
  • JP1, JP2: goldpin 2 pin męski 2,54 mm THT + zworka
  • S1…S4: microswitch 6×6 13,5 mm
  • Jedna podstawka DIP28 wąska
  • Złącze męskie i żeńskie goldpin 1×16 pin 2,54 mm
  • Cztery tuleje dystansowe gwint wewnętrzny M3 12 mm poliamid
  • Osiem śrub M3 6 mm
Płytka dolna
Rezystory: (THT o mocy 0,25 W)
  • R1…R8: 100 kΩ 1% (opis w tekście)
  • R9, R10: 10 kΩ
  • RN1: 4 × 10 kΩ SIL5
Kondensatory:
  • C1, C3, C5, C7, C10, C11: 100 nF raster 5 mm MKT
  • C2, C4, C6, C8, C12: 1 μF 50 V raster 2,5 mm
  • C9: 1000 μF 35 V raster 5 mm
Półprzewodniki:
  • D1: 1N5819
  • T1: BC546
  • US1, US3: 74HC595 DIP16
  • US2, US4: ULN2803 DIP18
  • US5: 7805 TO220
Pozostałe:
  • J1…J8: GN RCA2 DRUK
  • J9: IDC 10 męski prosty do druku 2×5 2,54 mm
  • J10: ARK2/500
  • PK1…PK16: JRC27F/12 S (opis w tekście)
  • Dwie podstawki DIP16
  • Dwie podstawki DIP18
Artykuł ukazał się w
Elektronika Praktyczna
kwiecień 2024
DO POBRANIA
Materiały dodatkowe
Elektronika Praktyczna Plus lipiec - grudzień 2012

Elektronika Praktyczna Plus

Monograficzne wydania specjalne

Elektronik listopad 2025

Elektronik

Magazyn elektroniki profesjonalnej

Raspberry Pi 2015

Raspberry Pi

Wykorzystaj wszystkie możliwości wyjątkowego minikomputera

Świat Radio listopad - grudzień 2025

Świat Radio

Magazyn krótkofalowców i amatorów CB

Automatyka, Podzespoły, Aplikacje listopad - grudzień 2025

Automatyka, Podzespoły, Aplikacje

Technika i rynek systemów automatyki

Elektronika Praktyczna listopad 2025

Elektronika Praktyczna

Międzynarodowy magazyn elektroników konstruktorów

Elektronika dla Wszystkich grudzień 2025

Elektronika dla Wszystkich

Interesująca elektronika dla pasjonatów