Odbiornik nasłuchowy na pasmo KF 80 m „Kubuś” (2)

Odbiornik nasłuchowy na pasmo KF 80 m „Kubuś” (2)

Odbiorniki nasłuchowe stanowią pierwszy znaczący krok do magicznego świata konstrukcji i łączności radiowych. W podanych dziedzinach pomagają rozwijać pasje, które z czasem mogą przerodzić się w profesjonalne umiejętności techniczne i komunikacyjne (także interpersonalne). Prezentowane urządzenie powstało w odpowiedzi na znaczne zainteresowanie Czytelników jako nieco okrojona i zintegrowana na pojedynczej PCB wersja projektów z serii „AVT319x - Modułowy odbiornik nasłuchowy Dosia”. W drugim odcinku z cyklu artykułów zostały poruszone aspekty montażu, uruchomienia oraz obsługi urządzenia. Projekt ten dedykuję mojemu synowi - Jakubowi.

Podstawowe parametry:
  • Tor odbiorczy z bezpośrednią przemianą częstotliwości.
  • Odbiór transmisji DSB lub SSB (w sprzyjających warunkach).
  • Załączany za pomocą przełącznika filtr wąskopasmowy do odbioru sygnałów CW, FSK, PSK, itp.
  • Pokrętła zgrubnego i precyzyjnego przestrajania.
  • Wyjście kontrolne częstotliwości VFO do podłączenia częstościomierza.
  • Zintegrowany wzmacniacz słuchawkowy 2×1 W/8 Ω.

Montaż, uruchomienie i obsługa odbiornika

Na rysunku 2 zamieszczono schemat montażowy płytki drukowanej odbiornika. Dla ułatwienia skutecznego, poprawnego i w pełni satysfakcjonującego ukończenia konstrukcji odbiornika nasłuchowego „Kubuś”, już na etapie projektowania PCB wybrano obudowę, która spełniłaby wymagania projektowe.

Rysunek 2. Schemat montażowy płytki odbiornika „Kubuś”

Jest nią, wykonana z tworzywa sztucznego, kompaktowa obudowa typu Z112A produkcji firmy Kradex. Charakteryzuje się ona bardzo starannym wykonaniem i pasowaniem elementów oraz (w opinii autora tego projektu) wysoce estetycznym wyglądem. Dlatego, jeszcze przed rozpoczęciem montażu elementów elektronicznych, zachęca się do dokonania wstępnego pasowania płytki drukowanej do właściwej obudowy. Rezultaty takiego pasowania (w prototypowym urządzeniu autora) pokazano na fotografii 2.

Fotografia 2. Pasowanie PCB odbiornika do obudowy Z112A

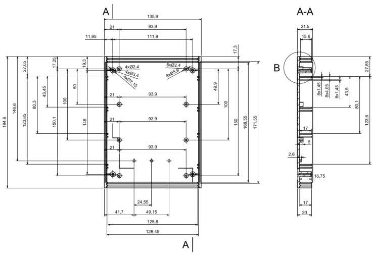
W PCB zostało wykonanych osiem metalizowanych otworów o średnicy 3,2 mm, które można wykorzystać (niekoniecznie wszystkie z nich) do zamocowania płytki drukowanej w obudowie. Otwory montażowe w płytce drukowanej są dokładnie dopasowane do wyniesionych pól montażowych w obudowie Z112A, której kluczowe wymiary można znaleźć na rysunku 3.

Rysunek 3. Kluczowe wymiary obudowy Z112A

Przykładowo, pokazane na fotografii 2 mocowanie PCB do obudowy zakłada wykorzystanie czterech skrajnych otworów montażowych, dostępnych w płytce drukowanej. Już na tym etapie prac warto rozważyć aplikację prostego ekranowania wewnątrz obudowy za pomocą metalowej folii samoprzylepnej. Na fotografii 3 pokazano wnętrze obudowy w trakcie ekranowania. Wskazane jest staranne wyklejenie jak największej powierzchni wnętrza obudowy - tak aby poszczególne fragmenty metalowej folii miały połączenie galwaniczne ze sobą oraz z masą układu elektronicznego. W przykładowym rozwiązaniu wykorzystano stosunkowo niedrogą folię aluminiową produkcji dobrze znanej od lat na rynku firmy 3M, jednak lepsze rezultaty powinno przynieść zastosowanie folii miedzianej (niestety, znacznie droższej).

Fotografia 3. Wnętrze obudowy w trakcie ekranowania

Mając wstępnie rozwiązane zagadnienie mocowania PCB w obudowie, można przystąpić do montażu i uruchomienia kluczowej części elektronicznej. Standardowo, rekomendowane jest rozpoczęcie montażu od elementów najniższych, a kończąc na najwyższych. Następnie należy przejść do uruchomienia i regulacji całości urządzenia. Autor projektu chciałby jednak zaproponować nieco alternatywne podejście. Po pierwsze, dla wygody realizacji dalszych prac montażowych faktycznie warto jest w pierwszej kolejności zalutować wszystkie rezystory stałe oraz podstawki pod układy scalone. Następnie należy wykorzystać śruby mocujące płytkę drukowaną do obudowy poprzez tymczasowe przykręcenie ich w czterech narożnych otworach PCB - w taki sposób, aby stanowiły swoisty „roboczy stojak”, zapewniający fizyczny dystans (a więc także izolację galwaniczną) względem podłoża (np. biurka), na którym wykonywane są prace montażowe i uruchomieniowe. W dalszej kolejności można przystąpić do uzupełniania (zalutowywania) brakujących elementów - jednak tylko w wybranych blokach odbiornika i - w połączeniu z następującymi po takich montażach uzupełniających - pracami uruchomieniowymi oraz niezbędnymi pomiarami kontrolnymi.

W pierwszej kolejności rekomendowane jest oczywiście uzupełnienie wszystkich brakujących elementów w bloku zasilania stabilizowanego. Następnie należy (po raz pierwszy) podać na wejście odbiornika J1 napięcie zasilające +12 V prądu stałego (powinna oczywiście zaświecić się roboczo podłączona dioda LED D2) a następnie sprawdzić na wyjściach stabilizatorów U1 i U2 obecność napięć zasilających +9 V oraz +5 V.

Na dalszym etapie prac należy przystąpić do uruchomienia bloku generatora VFO. W tym celu, w pierwszej kolejności trzeba wlutować wyłącznie tranzystory Q2 i Q3, a następnie sprawdzić poprawność uzyskanych napięć w stałoprądowym punkcie pracy (przy nieczynnym jeszcze generatorze). Napięcia na bazach obu tranzystorów Q2 i Q3 powinny wynosić około 9,0 V/2=4,5 V, natomiast napięcia na ich emiterach powinny być niższe o około 0,65 V, przy czym należy liczyć się z niewielkim (<5%) rozrzutem wartości tych parametrów. Jeśli podane warunki zostały spełnione, to (po odłączeniu zasilania) można przystąpić do wlutowania pozostałych elementów w blokach: generatora VFO, strojenia generatora VFO oraz formowania sygnału VFO. Do strojenia generatora potrzebny będzie cyfrowy miernik częstotliwości lub (lepiej) oscyloskop cyfrowy, które umożliwią stwierdzenie obecności sygnału wyjściowego z VFO na porcie wyjściowym J6 oraz pomiar częstotliwości tego sygnału - z dokładnością nie gorszą od przynajmniej 1 kHz. Na fotografii 4 pokazano kluczowe elementy VFO (przed końcową termoizolacją).

Fotografia 4. Kluczowe elementy VFO przed termoizolacją

Strojenie generatora VFO powinno przebiegać według poniższego algorytmu:

1. Potencjometry montażowe RV1 oraz RV2 ustawiamy wstępnie w skrajnych położeniach tak, by na suwakach potencjometrów obrotowych regulacji częstotliwości Fvfo (P3 i P4) uzyskać maksymalny możliwy zakres napięć, tzn. 0...9 V.

2. Potencjometry obrotowe regulacji częstotliwości Fvfo (P3 i P4) ustawiamy w środkowych położeniach. Napięcie na ich suwakach powinno wynosić wówczas około 9 V/2=4,5 V.

3. W razie konieczności dobieramy wartości pojemności C511 i C512 tak, aby na wyjściu pomiarowym VFO (port J6) uzyskać częstotliwość Fvfo maksymalnie zbliżoną do środka pasma 80 m, tzn. (3,5+3,8)/2=3,65 MHz. W przypadku zastosowania tej procedury najpierw należy dobrać wartość C511 na Fvfo>=3,65 MHz (ale jak najbliższą podanej wartości częstotliwości), a następnie skorygować Fvfo wg potrzeb poprzez równoległe dołączenie niewielkiej pojemności C512; dobieranie to realizujemy „na pająku”, dolutowując kondensatory C511 i C512 (z jak najkrótszymi końcówkami) wprost do wyprowadzeń dławika L4.

4. Sprawdzamy uzyskany zakres przestrajania częstotliwości Fvfo w skrajnych położeniach potencjometru P3. Jeśli jest on szerszy od oczekiwanego maksymalnego zakresu (3,5...3,8 MHz), to możemy go zawęzić na drodze iteracyjnych, naprzemiennych korekt ustawień potencjometrów montażowych RV1 i RV2.

5. Jeśli uzyskany zakres przestrajania jest zbyt wąski lub w ogóle nieodpowiedni względem pasma KF 80 m, to konieczna może okazać się wymiana indukcyjności L4 na nieco mniejszą lub nieznacznie większą wartość. Należy przy tym pamiętać o zasadach, że w pierwszym z podanych przypadków przestrajane pasmo Fvfo powędruje „w górę” a w drugim - „w dół” skali częstotliwości. Warto mieć także na uwadze fakt, że im mniejsza będzie suma pojemności C511+C512, tym szerszy będzie względny zakres przestrajanego pasma i odwrotnie, tzn. im większa będzie suma pojemności C511+C512, tym węższy będzie względny zakres przestrajanego pasma. Zależności te wynikają z faktu, iż zakres zmian pojemności Cvar zestawu diod D5...D10 pozostaje niezmienny, a względny zakres przestrajania Fvfo zależy wprost od względnego udziału Cvar w wypadkowej pojemności obwodu rezonansowego LC - z indukcyjnością L4 i wypadkową pojemnością C=C511+C512+Cvar.

6. Ostatecznie, w przypadku trudności z uzyskaniem pełnego pokrycia pasma KF 80 m (Fvfo=3,5...3,8 MHz), nie należy zrażać się tym faktem, ale po prostu zestroić generator VFO na taki wycinek pasma 80 m, który będzie najbardziej interesujący dla przyszłego użytkownika urządzenia. Wybierając stosowny wycinek pasma, warto posłużyć się informacjami o przeznaczeniu poszczególnych fragmentów pasma KF 80 m, zamieszczonymi w początkowej części tego artykułu (tabela 1).

Po satysfakcjonującym zestrojeniu generatora VFO można przystąpić do uruchomienia wzmacniacza dopasowania impedancji. Po uzupełnieniu kompletu elementów w tym bloku i ponownym załączeniu zasilania +12 V, należy zweryfikować stałoprądowy punkt pracy tranzystora Q1. Do uruchomienia tego oraz kolejnego w torze sygnałowym bloku filtru w.cz. na pasmo 80 m posłużono się symulacją komputerową, wykonaną za pomocą programu LTspice. Rysunek 4 pokazuje schemat układu, który posłużył m.in. do tego celu (wraz z niezbędnymi komendami uruchomieniowymi oraz przydatnymi komentarzami).

Rysunek 4. Schemat układu (z komendami uruchomieniowymi) wykorzystanego do symulacji komputerowej wzmacniacza dopasowania impedancji i filtru w.cz. w środowisku Ltspice

Napięcia na bazie, emiterze i kolektorze tranzystora Q1, uzyskane w wyniku symulacji zamodelowanego układu, powinny wynosić kolejno około: Vb(Q1)=1,95 V, Ve(Q1)=1,24 V oraz Vc(Q1)=7,54 V. Oczywiście, należy liczyć się z możliwymi niewielkimi odstępstwami od uzyskanych dla modelowego układu wartości napięć, które jednak w przypadku zastosowania odpowiednich, pełnowartościowych podzespołów nie powinny przekraczać 5%.

Skonfigurowany układ z rysunku 4 posłużył też do komputerowej symulacji kolejnego bloku, jakim jest pasmowy filtr w.cz. Nie była to jednak analiza stałoprądowego punktu pracy, która w tym zastosowaniu praktycznie nie ma sensu, a symulacja wpływu rozrzutu elementów LC filtru na łączną (wypadkową) charakterystykę częstotliwościową wzmacniacza i filtru. W tym celu zastosowano tzw. analizę Monte Carlo, która polega na powtarzaniu kolejnych symulacji - jednak z wybranymi parametrami losowo zmieniającymi się w dozwolonych przedziałach wartości. Na rysunku 5 można zobaczyć rezultaty takiej właśnie analizy, wykonanej w oparciu o rezultaty 50 symulacji, w trakcie których parametry wszystkich elementów LC filtru w.cz. zmieniały się losowo w zakresie maksymalnej tolerancji ±5%. Jak widać z zaprezentowanej rodziny charakterystyk, w podanych warunkach granice pasma przenoszenia wzmacniacza wstępnego i filtru w.cz. mogą przesuwać się nawet o około ±200 kHz a jego transmitancja w środku pasma fluktuuje od około 0 do +3 dB. Wniosek z rezultatów tej symulacji jest taki, że warto zastosować w filtrze w.cz. podzespoły o jak najlepszych parametrach (tj. możliwie najmniejszych tolerancjach), a idealnym rozwiązaniem byłby pomiar kontrolny wartości elementów przed montażem oraz pomiar rzeczywistych charakterystyk częstotliwościowych uruchomionego układu. Oczywiście, w przypadku zastosowania elementów LC o większych rozrzutach produkcyjnych uzyskane rezultaty byłyby jeszcze gorsze.

Rysunek 5. Rezultaty częstotliwościowej analizy Monte Carlo, wykonanej dla bloków wzmacniacza i filtru w.cz.

Montaż i uruchomienie pozostałych bloków odbiornika: mieszacza ze wzmacniaczem różnicowym, wzmacniacza wstępnego, obu filtrów m.cz. oraz końcowego wzmacniacza audio wraz z podukładami towarzyszącymi, przeprowadzony z właściwych, pełnowartościowych elementów, nie powinny nastręczać najmniejszych trudności.

W pełni zmontowany i uruchomiony układ odbiornika należy zamocować w odpowiedniej obudowie. Przykłady takiego montażu, wykonanego w rekomendowanej dla tego projektu obudowie Z112A, pokazano na fotografii 5 (widok z lewej strony) oraz fotografii 6 (widok z prawej strony).

Fotografia 5. Montaż PCB odbiornika (widok z lewej)
Fotografia 6. Montaż PCB odbiornika (widok z prawej)

Poprawę stabilności częstotliwości pracy generatora VFO powinna zapewnić dodatkowa, prosta termoizolacja jego kluczowych elementów, odpowiedzialnych właśnie za ten parametr roboczy. Wykonano ją z wykorzystaniem zwykłej nakrętki od popularnej butelki z tworzywa sztucznego typu PET, której krawędzie uprzednio wyrównano drobnym papierem ściernym, a samą nakrętkę doklejono do PCB klejem typu BUTAPREN. Przed końcowym montażem układu w obudowie należy pochylić się nad starannym wykończeniem i mocowaniem przedniego i tylnego panelu odbiornika. Szczegóły takich rozwiązań w modelowym egzemplarzu autora projektu, widziane od strony wnętrza obudowy, pokazano na fotografii 7 (przedni panel) oraz na fotografii 8 (tylny panel).

Fotografia 7. Montaż przedniego panelu odbiornika w obudowie
Fotografia 8. Montaż tylnego panelu odbiornika w obudowie

Przy wytyczaniu miejsc pod otwory w panelach obudowy warto podeprzeć się projektem płytki drukowanej w wersji komputerowej oraz suwmiarką. Fotografie 9 i 10 prezentują szczegóły przykładowego wykończenia obu paneli, widziane od zewnątrz. Elementy opisowe wydrukowano na specjalnym papierze samoprzylepnym - ich wzory są dostępne w materiałach dodatkowych do projektu odbiornika.

Fotografia 9. Przedni panel odbiornika
Fotografia 10. Przedni panel odbiornika

Obsługa poprawnie zmontowanego, uruchomionego i zestrojonego odbiornika nie wymaga obszernego komentarza. Urządzenie warto zasilić ze źródła bateryjnego lub akumulatorowego, ponieważ wszelkiego rodzaju (tak popularne w dzisiejszych czasach) zasilacze z przetwornicami impulsowymi, w większości przypadków - pomimo zastosowania rozbudowanych układów filtrujących - będą źródłem silnych, uciążliwych zakłóceń, bardzo wyraźnie słyszalnych w odbiorniku. Do wyjścia wzmacniacza audio można podłączyć standardowe słuchawki stereofoniczne o impedancji 32 Ω lub parę małych głośników o minimalnych: impedancji i mocy znamionowych 8 Ω/1 W. Oczywiście, kluczowa do uzyskania poprawnego odbioru jest odpowiednia antena. Konstrukcja takiej anteny stanowi osobne dość obszerne zagadnienie i dlatego nie będzie tu szczegółowo poruszana (w Internecie istnieje sporo dostępnych, także za darmo, materiałów na ten temat). Jakkolwiek do wykonania pierwszych nasłuchów lokalnych stacji wystarczy najprostszy dipol półfalowy o wymiarach 2×20 m lub choćby najprostsza antena typu Long Wire o długości kilkunastu metrów. Osobom, które napotykają trudności z instalacją (choćby tymczasowej) anteny o zbliżonych wymiarach, autor projektu proponuje zapoznanie się z konstrukcjami wszelkich anten o wymiarach znacząco skróconych względem przytoczonych powyżej. Regulacja odbiornika odbywa się „na słuch”: głośność audio oraz ewentualne tłumienie w torze w.cz. dobieramy do własnych preferencji oraz do siły sygnału odbieranej stacji. Strojenie częstotliwości, po wstępnym wygrzaniu generatora VFO, które zwykle trwa od kilku do kilkunastu minut, należy realizować najpierw za pomocą dedykowanych potencjometrów obrotowych, przy czym oczywiście strojenie zgrubne należy wykonywać dość ostrożnie (powoli). Dokładne dostrojenie do odbieranej stacji wykonujemy za pomocą potencjometru precyzera. W przypadku odbioru emisji fonicznych (SSB), z uwagi na fakt, że w pasmie 80 m zwyczajowo pracuje się z wykorzystaniem dolnej wstęgi bocznej (LSB), zdecydowanie wygodniejsze będzie szukanie aktywnych stacji na skali częstotliwości „od góry” pasma, czyli od częstotliwości 3,8 MHz. Idealnym miejscem do prowadzenia nasłuchów może być na przykład działka rekreacyjna, oddalona od miejskich źródeł zakłóceń radiowych i dająca dogodne warunki do eksperymentów z instalacjami antenowymi.

Podsumowanie

W drugiej części publikacji, poświęconej odbiornikowi nasłuchowemu „Kubuś”, szczegółowo omówiono aspekty związane z montażem i uruchomieniem urządzenia. Podano także wskazówki odnośnie do obsługi i eksploatacji radioodbiornika. W następnej, ostatniej już części opisu zostaną przede wszystkim omówione: metodyka oraz rezultaty pomiarów kontrolnych odbiornika. Nakreślimy także możliwości jego dalszej rozbudowy.

Adam Sobczyk, SQ5RWQ
sq5rwq@gmail.com

Artykuł ukazał się w
Elektronika Praktyczna
luty 2024
DO POBRANIA
Materiały dodatkowe
Elektronika Praktyczna Plus lipiec - grudzień 2012

Elektronika Praktyczna Plus

Monograficzne wydania specjalne

Elektronik listopad 2025

Elektronik

Magazyn elektroniki profesjonalnej

Raspberry Pi 2015

Raspberry Pi

Wykorzystaj wszystkie możliwości wyjątkowego minikomputera

Świat Radio listopad - grudzień 2025

Świat Radio

Magazyn krótkofalowców i amatorów CB

Automatyka, Podzespoły, Aplikacje listopad - grudzień 2025

Automatyka, Podzespoły, Aplikacje

Technika i rynek systemów automatyki

Elektronika Praktyczna listopad 2025

Elektronika Praktyczna

Międzynarodowy magazyn elektroników konstruktorów

Elektronika dla Wszystkich grudzień 2025

Elektronika dla Wszystkich

Interesująca elektronika dla pasjonatów