Wskaźnik wysterowania 2×8 LED

Wskaźnik wysterowania 2×8 LED

Wskaźniki wysterowania służą optymalnemu dopasowaniu poziomu sygnału - czy to przy nagrywaniu, czy przy odtwarzaniu. Mają zasygnalizować przesterowanie oraz wysterowanie zbyt słabe, kiedy stosunek sygnał/szum jest już skrajnie niekorzystny. Ten układ został wykonany z popularnych elementów i potrafi pokazywać wysterowanie dwóch kanałów jednocześnie.

Podstawowe parametry:
  • pokazywanie chwilowego poziomu sygnału napięciowego przy użyciu 8 diod LED,
  • dwa niezależnie pracujące kanały,
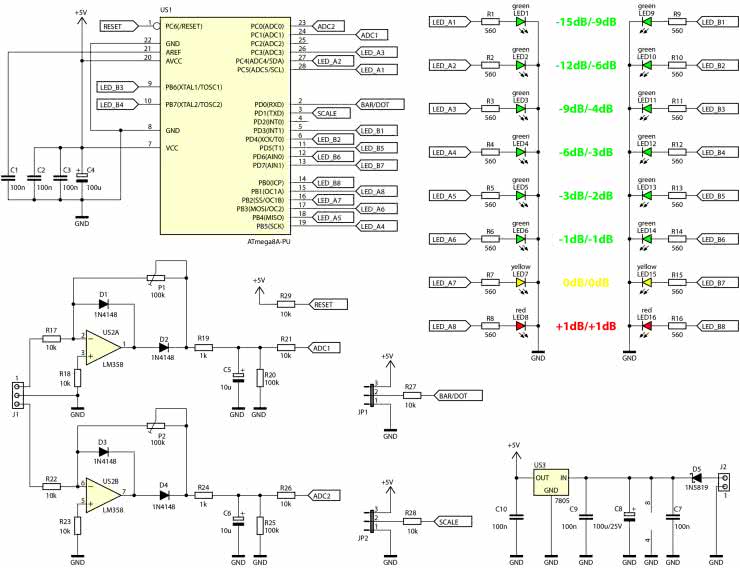
  • dwie skale do wyboru: -15 dB, -12 dB, -9 dB, -6 dB, -3 dB, -1 dB, 0 dB, +1 dB oraz -9 dB, -6 dB, -4 dB, -3 dB, -2 dB, -1 dB, 0 dB, +1 dB,
  • dwa tryby wyświetlania do wyboru: linijka lub pojedynczy punkt,
  • regulacja poziomu odniesienia niezależnie w obu kanałach,
  • przystosowany do sygnału analogowego o zerowej składowej stałej,
  • zasilanie napięciem stałym 9…15 V, pobór prądu 10…100 mA.

Diodowe wskaźniki wysterowania były kiedyś budowane przy użyciu popularnego wówczas układu LM3915 i pokrewnych. Niestety, obecnie są problemy z jego dostępnością, ceny egzemplarzy leżących jeszcze w magazynach są coraz wyższe. Mamy XXI wiek, więc czy nadal da się budować takie urządzenia, jedynie bazując na archaicznym już układzie scalonym? Wcale nie. Powiem więcej: dzięki użyciu bardziej nowoczesnych rozwiązań możemy dowolnie kształtować charakterystykę czułości takiego wskaźnika.

Do czego on się może przydać? Przede wszystkim jako efektowny gadżet uzupełniający samodzielnie budowane wzmacniacze lub miksery. Ale jego funkcja niekoniecznie musi sprowadzać się jedynie do zapewniania wrażeń estetycznych, bowiem - pomimo prostoty - stanowi on pełnoprawny przyrząd wskazujący bieżący poziom wysterowania. Dlatego można go użyć, na przykład, do kontroli poziomu sygnału podczas nagrywania na taśmę magnetofonu lub do wskazywania poziomu sygnału z mikrofonu.

Budowa i działanie

Schemat ideowy omawianego układu znajduje się na rysunku 1. Sygnał zmienny, którego poziom chcemy analizować, przed podaniem na przetwornik cyfrowo-analogowy należy wyprostować oraz wstępnie wygładzić. Służy do tego prostownik jednopołówkowy zrealizowany na tanim i popularnym wzmacniaczu operacyjnym LM358. Ponieważ dwa kanały mają identyczną topologię, szczegółowo zostanie omówiony tylko jeden z nich.

Rysunek 1. Schemat ideowy układu wskaźnika wysterowania

Rezystor R17, włączony szeregowo z wejściem sygnału, ma dwa zadania. Po pierwsze, ustala wzmocnienie układu, co czyni wraz z potencjometrem P1. Po drugie, chroni wejście wzmacniacza operacyjnego US2A przed przepływem prądu o wysokim natężeniu, którego źródłem może być zakłócenie elektromagnetyczne indukujące się w przewodzie lub pomyłka w podłączeniu układu. Rezystor R18 stanowi kompensację - choć nieidealną - wpływu R17 na układ, ponieważ sprawia, że oba wejścia wzmacniacza operacyjnego „widzą” podobną rezystancję. Podobną, bo na rezystancję sterującą wejściem odwracającym ma również wpływ bieżące położenie ślizgacza potencjometru P1.

Obwód ten stanowi aktywny prostownik jednopołówkowy i wzmacniacz jednocześnie. Dodatnia połówka sygnału powoduje zejście potencjału wyjścia US2A w pobliżu 0 V, więc dioda D2 zostaje zatkana. Sygnał na wyjście prostownika przechodzi więc przez potencjometr P1, bez żadnego wzmocnienia. Z kolei ujemna połówka daje możliwość reakcji wzmacniaczowi operacyjnemu, gdyż podnosi on potencjał swojego wyjścia tak, by „dolać” poprzez P1 prądu do węzła przy wejściu odwracającym - próbuje w ten sposób utrzymać zerowy potencjał tego wejścia względem masy, bo wejście nieodwracające też ma zerowy potencjał. Stosunek P1/R17 ustala wzmocnienie, więc w tym układzie może ono zawierać się w przedziale 0…10 V/V. Dioda D1 jest, teoretycznie, niepotrzebna, lecz pozwala ograniczyć dodatnią połówkę sygnału wejściowego, która przecież przechodzi przez układ bez żadnego nadzoru ze strony wzmacniacza operacyjnego, do wartości 0,7 V. Chwilowe zakłócenie nie spowoduje zatem wystrzału wskazań w przysłowiowy kosmos.

Projektując ten obwód, zakładałem, że sygnał ma zerową składową stałą i jest symetryczny względem 0 V. Oznacza to, że jego wartości szczytowe są zbliżone - zarówno minimalna, jak i maksymalna. Typowy sygnał analogowy audio jak najbardziej spełnia to założenie, lecz uprzedzam o tym założeniu, gdyby ktoś chciał użyć niniejszego układu do zastosowań innych niż pierwotnie przewidziane.

Wyprostowany sygnał ładuje kondensator C5. Ponieważ rezystancja ładująca go (R19=1 kΩ) jest zdecydowanie mniejsza od rozładowującej (R20=100 kΩ), tworzy się przetwornik wartości maksymalnej, czyli jest on szybko ładowany i zdecydowanie wolniej rozładowywany. C5 jest dodatkowo rozładowywany poprzez P1, R17 i źródło sygnału, lecz trudno oszacować wypadkową rezystancję, która to czyni, ponieważ zależy ona od położenia P1. Rezystor R21 ochrania wejście przetwornika analogowo-cyfrowego przed przepływem przez nie wysokiego prądu, jeżeli C5 naładowałby się do napięcia wyższego niż 5 V.

Podczas projektowania tej części układu założono, że jego wejście będzie współpracowało z typowym wyjściem liniowym, na którym poziom 0 dB odpowiada wartości skutecznej równej 775 mV. To przekłada się na 1,096 V amplitudy, zakładając sygnał sinusoidalnie zmienny. Ten układ wskazuje wysterowanie do +1 dB, co w tej sytuacji oznacza amplitudę 1,23 V. Z kolei przetwornik analogowo-cyfrowy, który mierzy wartość chwilową napięcia po wyprostowaniu, ma napięcie referencyjne o wartości 5 V. Zatem wzmocnienie układu prostującego sygnał powinno w tej sytuacji wynosić 5 V/1,23 V≈4 V/V. Z tego wynika, że P1 powinien być ustawiony w pobliżu połowy swojego dopuszczalnego zakresu ruchu, by uzyskać pożądaną wartość wzmocnienia, gdyż wyniesie ono wówczas teoretycznie 5 V/V.

Dwa sygnały napięciowe są na bieżąco analizowane przez przetwornik A/C mikrokontrolera ATmega8A-PU. To stary i popularny układ, który w tym zastosowaniu sprawdzi się bardzo dobrze: jest wystarczająco szybki i ma odpowiednią liczbę wyprowadzeń do wysterowania wszystkich diod LED, bez jakichkolwiek układów rozszerzających liczbę wyjść. Jego rdzeń jest taktowany wewnętrznym oscylatorem RC o częstotliwości 8 MHz. Jego dokładność i stabilność jako wzorca częstotliwości są mocno dyskusyjne, lecz w tym zastosowaniu nie mają one większego znaczenia.

Napięcie zasilające mikrokontroler pochodzi z wyjścia taniego i znanego układu stabilizatora liniowego typu 7805. Jego napięcie wyjściowe służy również jako napięcie referencyjne przetwornika A/C, lecz to jest tylko wskaźnik - błąd rzędu kilku procent jest absolutnie dopuszczalny. Wzmacniacz operacyjny jest zasilany z wyższego napięcia (wejściowego, które zostało pomniejszone o spadek na przewodzącej diodzie D5) po to, by jego napięcie wyjściowe mogło osiągać wartość 5,7 V lub nawet wyższą.

Na płytce zostały przewidziane dwie zworki: JP1 i JP2, które służą do wyboru trybu pracy układu. Pomiędzy ich środkowe wyprowadzenia a wejścia mikrokontrolera zostały włączone rezystory o wartości 10 kΩ, aby zabezpieczyć owe wejścia przed zniszczeniem spowodowanym ładunkami elektrostatycznymi. Podczas przekładania zworki może dojść do elektrostatycznego „strzału” z palca człowieka w to właśnie wyprowadzenie - rezystor ograniczy prąd pochłonie część energii i wydłuży czas narastania napięcia na wejściu.

Każda z szesnastu diod LED ma indywidualny rezystor ograniczający prąd przewodzenia. W ten sposób jasność świecenia każdej diody jest zawsze taka sama, nie zależy ona od liczby włączonych w tej chwili diod.

Montaż i uruchomienie

Układ został zmontowany na dwustronnej płytce drukowanej o wymiarach 110×50 mm. Jej schemat pokazuje rysunek 2.

Rysunek 2. Schemat płytki PCB

W odległości 3 mm od krawędzi płytki znalazły się cztery otwory montażowe, każdy o średnicy 3,2 mm. Rysunek 3 pokazuje rozmieszczenie diod LED na powierzchni płytki, ułatwi to wykonanie obudowy.

Rysunek 3. Rozmieszczenie diod LED na powierzchni płytki

Montaż proponuję rozpocząć od elementów o najmniejszej wysokości obudowy, czyli rezystorów i diod oraz dwóch zworek z cienkiego drutu. Pod mikrokontroler warto zastosować podstawkę, co ułatwi jego programowanie. Stabilizator US1 można dogiąć tak, aby położyć go na powierzchni laminatu. To samo dotyczy kondensatorów elektrolitycznych. W układzie prototypowym diody LED wlutowano na możliwie krótkich nóżkach, lecz można je nieco wystawić nad powierzchnię laminatu. Zmontowany układ można zobaczyć na fotografii tytułowej.

Na etapie uruchamiania jest konieczne zaprogramowanie pamięci Flash mikrokontrolera dostarczonym wsadem oraz zmiana jego bitów zabezpieczających. Oto ich nowe wartości:

Low Fuse = 0x24
High Fuse = 0xD9

Szczegóły są widoczne na rysunku 4, który pokazuje okno konfiguracji tych bitów z programu BitBurner. W ten sposób zostanie uruchomiony wewnętrzny generator o częstotliwości wyjściowej 8 MHz oraz Brown-Out Detector, który wprowadzi mikrokontroler w stan zerowania, jeżeli jego napięcie zasilające spadnie poniżej 4 V. To znacznie zmniejsza ryzyko zawieszenia się układu podczas uruchamiania - zwłaszcza wtedy, gdy napięcie zasilające narasta powoli.

Rysunek 4. Szczegóły ustawienia bitów zabezpieczających

Poprawnie zaprogramowany układ jest od razu gotowy do działania. Powinien być zasilany napięciem stałym, dobrze filtrowanym (najlepiej stabilizowanym) o wartości z przedziału 9…15 V. Pobór prądu zależy od liczby włączonych diod i może się wahać od 10 mA do nawet 100 mA. Można jeszcze bardziej podnieść napięcie wejściowe (do 24 V), lecz wiąże się to z koniecznością zapewnienia dodatkowego elementu chłodzącego stabilizator US3. Podana górna granica (15 V) wiąże się z limitem mocy traconej równym 1 W - bez dodatkowego radiatora.

W pierwszej kolejności należy ustawić wzmocnienie potencjometrami P1 i P2. Sygnał napięciowy audio, pozbawiony składowej stałej, podłączany do zacisków złącza J1 - zacisk „1” odpowiada za górną linijkę diod (LED1…LED8), natomiast „2” za dolną (LED9…LED16). Polecam to robić w trybie linijki (zwarte wyprowadzenia 1 i 2 w JP1) i ze skalą bardziej zagęszczoną wokół 0 dB (zwarte wyprowadzenia 2 i 3 w JP2). Potencjometry należy tak ustawić, by po podaniu sygnału odpowiadającego poziomowi 0 dB układ był na granicy załączenia diod LED7 i LED15 - w kolorze żółtym.

Raz wyregulowany układ może już cieszyć oczy. Przed ostatecznym przykręceniem płytki do obudowy można sobie odpowiednio ustawić zworki:

  • zwarte wyprowadzenia 1 i 2 w JP1: tryb linijki (początek paska po lewej stronie);
  • zwarte wyprowadzenia 2 i 3 w JP1: tryb kropki (świeci tylko jedna dioda, im bardziej na prawo, tym wysterowanie jest wyższe);
  • zwarte wyprowadzenia 1 i 2 w JP2: skala o większej czułości, obejmująca szerszy zakres (-15 dB, -12 dB, -9 dB, -6 dB, -3 dB, -1 dB, 0 dB, +1 dB);
  • zwarte wyprowadzenia 2 i 3 w JP2: skala o niższej czułości, obejmująca węższy zakres (-9 dB, -6 dB, -4 dB, -3 dB, -2 dB, -1 dB, 0 dB, +1 dB).

Ustawienie zworek działa na oba kanały jednocześnie. Na fotografii 1 można zobaczyć działający układ w trybie linijki - początek pasków diod jest po lewej stronie. Jeżeli aktualny poziom sygnału jest niższy niż -15 dB lub -9 dB, zależnie od ustawionej skali, nie świeci się żadna z diod.

Fotografia 1. Układ w czasie pracy w trybie linijki (BAR)

Dla ciekawskich

Układ został zrealizowany przy użyciu mikrokontrolera, co pozwoliło na uzyskanie dwóch różnych skali. W wersji z komparatorami wymagałoby to wymiany wielu rezystorów na egzemplarze o innej wartości, tutaj wystarczy przełączyć zworką numer tablicy, która służy jako odniesienie - jeżeli aktualny poziom napięcia jest wyższy lub równy tej wartości, załącza tę diodę.

ATmega8A ma 10-bitowy przetwornik analogowo-cyfrowy, co oznacza, że dioda oznaczająca +1 dB (początek przesterowania) powinna się załączać przy maksymalnej możliwej do uzyskania przez niego wartości wyjściowej, czyli 1023. Nie ma sensu rozszerzania zakresu pomiarowego w górę, ponieważ wszystko to, co jest powyżej 0 dB, oznacza przesterowanie. Korzystając z właściwości logarytmów i prostej matematyki, powstała tabela 1, na podstawie której są załączane kolejne diody, wskazując w ten sposób chwilowy poziom sygnału. Użycie gotowej tablicy powoduje znacznie mniejsze zużycie zasobów mikrokontrolera i było wręcz konieczne, ponieważ wdrożenie funkcji obliczającej potęgę niecałkowitą powodowało zajęcie 120% pamięci mikrokontrolera…

Michał Kurzela, EP

Wykaz elementów:
Rezystory: (THT o mocy 0,25 W)
  • R1…R16: 560 Ω
  • R17, R18, R21…R23, R26…R29: 10 kΩ
  • R19, R24: 1 kΩ
  • R20, R25: 100 kΩ
  • P1, P2: 100 kΩ montażowy leżący jednoobrotowy
Kondensatory:
  • C1…C3, C7, C9, C10: 100 nF raster 5 mm MKT
  • C4, C8: 100 μF 25 V raster 2,5 mm
  • C5, C6: 10 μF 25 V raster 2,5 mm
Półprzewodniki:
  • D1…D4: 1N4148
  • D5: 1N5819
  • LED1…LED6, LED9…LED14: zielona dioda LED 5 mm matowa
  • LED7, LED15: żółta dioda LED 5 mm matowa
  • LED8, LED16: czerwona dioda LED 5 mm matowa
  • US1: ATmega8A-PU (DIP28)
  • US2: LM358 (DIP8)
  • US3: 7805 (TO220)
Pozostałe:
  • J1: ARK3/500
  • J2: ARK2/500
  • JP1, JP2: goldpin 3 piny męski 2,54 mm THT + zworka
  • Jedna podstawka DIP28 wąska
  • Jedna podstawka DIP8
Artykuł ukazał się w
Elektronika Praktyczna
luty 2024
DO POBRANIA
Materiały dodatkowe
Elektronika Praktyczna Plus lipiec - grudzień 2012

Elektronika Praktyczna Plus

Monograficzne wydania specjalne

Elektronik listopad 2025

Elektronik

Magazyn elektroniki profesjonalnej

Raspberry Pi 2015

Raspberry Pi

Wykorzystaj wszystkie możliwości wyjątkowego minikomputera

Świat Radio listopad - grudzień 2025

Świat Radio

Magazyn krótkofalowców i amatorów CB

Automatyka, Podzespoły, Aplikacje listopad - grudzień 2025

Automatyka, Podzespoły, Aplikacje

Technika i rynek systemów automatyki

Elektronika Praktyczna listopad 2025

Elektronika Praktyczna

Międzynarodowy magazyn elektroników konstruktorów

Elektronika dla Wszystkich grudzień 2025

Elektronika dla Wszystkich

Interesująca elektronika dla pasjonatów