Odbiornik nasłuchowy na pasmo KF 80 m „Kubuś” (1)

Odbiornik nasłuchowy na pasmo KF 80 m „Kubuś” (1)

Odbiorniki nasłuchowe stanowią pierwszy znaczący krok do magicznego świata konstrukcji i łączności radiowych. W podanych dziedzinach pomagają one rozwijać pasje, które z czasem mogą przerodzić się w profesjonalne umiejętności techniczne i komunikacyjne (także interpersonalne). Prezentowane urządzenie powstało w odpowiedzi na znaczne zainteresowanie Czytelników jako nieco okrojona i zintegrowana na pojedynczej PCB wersja projektów z serii „AVT-319x – Modułowy odbiornik nasłuchowy Dosia”. W pierwszym odcinku z cyklu artykułów została przedstawiona koncepcja działania urządzenia. Projekt ten dedykuję mojemu synowi – Jakubowi.

Podstawowe parametry:
  • Tor odbiorczy z bezpośrednią przemianą częstotliwości.
  • Odbiór transmisji DSB lub SSB (w sprzyjających warunkach).
  • Załączany za pomocą przełącznika filtr wąskopasmowy do odbioru sygnałów CW, FSK, PSK, itp.
  • Pokrętła zgrubnego i precyzyjnego przestrajania.
  • Wyjście kontrolne częstotliwości VFO do podłączenia częstościomierza.
  • Zintegrowany wzmacniacz słuchawkowy 2×1 W/8 Ω.

Radiokomunikacja amatorska w pasmie 80 m

Amatorska komunikacja radiowa w pasmie częstotliwości, w którym długość fali wynosi około 80 m, to zazwyczaj początek wspaniałej przygody z łącznościami krótkofalowymi. Przyczyną takiego stanu rzeczy jest fakt, że popularna „osiemdziesiątka” pozwala na prowadzenie lokalnych transmisji (albo choćby samych nasłuchów), w których nadawcami są polskojęzyczni operatorzy krajowi, prowadzący łączności foniczne emisją SSB (jednowstęgową). Już same nasłuchy operatorów krajowych pozwalają na stosunkowo łatwe poznawanie obyczajów komunikacyjnych, panujących w świecie radioamatorów, a także na oswojenie się z technicznymi aspektami przedmiotowych łączności.

W tym pasmie częstotliwości radioamatorskich, w zależności od warunków propagacyjnych (atmosferycznych i jonosferycznych), w ciągu dnia zasięg łączności może wynosić do około 400 km (łączności rozumiane jako tzw. lokalne). Natomiast wieczorem i nocą maksymalny zasięg może wrosnąć nawet do kilku tysięcy kilometrów, przy czym zjawisko to występuje szczególnie zimą – z uwagi na istotnie mniejsze szumy atmosferyczne. W tabeli 1 [1] przedstawiono podział pasma 80 m, obowiązujący w Polsce (stan aktualny na dzień 16.10.2020 r.). Jak nietrudno zauważyć, „od dołu” dostępnego pasma dominują emisje wąskopasmowe – głównie CW (Continuous Wave), czyli klasyczna telegrafia oraz wszelkiego rodzaju emisje cyfrowe). Natomiast w górnej części pasma 80 m dozwolone są tzw. emisje szerokopasmowe – głównie foniczna SSB (Single Side Band), ale także np. wolna amatorska emisja telewizyjna SSTV (Slow Scan Television).

Jak łatwo zauważyć, każdy z potencjalnych radioamatorów może więc znaleźć w pasmie 80 m coś interesującego dla siebie. Na koniec tego ustępu warto podkreślić fakt, że do wykonywania nasłuchów (tylko odbiór nadawanych sygnałów) nie jest wymagane posiadanie aktywnej licencji krótkofalarskiej, co zdecydowanie ułatwia „miękki start” w świecie radiokomunikacji amatorskiej. Dodatkowo konstruowanie urządzeń radiokomunikacyjnych, przeznaczonych na niższe pasma częstotliwości, jest potencjalnie znacząco łatwiejsze i mniej kosztowne od realizacji projektów dedykowanych wyższym pasmom HF (High Frequencies) – jak np. 40 m, 30 m, 20 m, 15 m, 10 m i jeszcze wyższym: VHF (Very High Frequencies) oraz UHF (Ultra High Frequencies).

Podstawowe właściwości urządzenia

Prezentowany w tym artykule projekt dotyczy stosunkowo prostego, niemal w 100% analogowego odbiornika krótkofalowego na pasmo KF 80 m, w którym podzespoły cyfrowe stanowią jedynie niewielkie uzupełnienie – głównie w zakresie nieskomplikowanych funkcji kontrolno-sterujących. Urządzenie pracuje z tzw. bezpośrednią przemianą częstotliwości DC (Direct Conversion) i zasadniczo przeznaczone jest do odbioru fonicznej emisji dwuwstęgowej DSB (Double Sideband), jednak w sprzyjających warunkach radiowych (brak niepożądanych, zakłócających sygnałów w lustrzanej wstędze odbieranego sygnału) możliwy jest prawidłowy odbiór także jednowstęgowej emisji fonicznej SSB. Dodatkowo zastosowanie w układzie opcjonalnie załączanego filtru wąskopasmowego umożliwia także w sprzyjających warunkach odbiór emisji wąskopasmowych, jak np.: CW, FSK, PSK itp. Warto podkreślić, że w pasmie 80 m obowiązuje zasada prowadzenia łączności fonicznych SSB z wykorzystaniem dolnej wstęgi zmodulowanego sygnału LSB (Lower Sideband). Świadomość tego faktu będzie przydatna w trakcie przestrajania częstotliwości pracy odbiornika – w celu znalezienia interesującej nas emisji głosowej SSB wygodniej będzie przestrajać odbiornik od góry do dołu stosownego wycinka pasma.

Przedstawione w artykule urządzenie zasadniczo bazuje na rozwiązaniach zastosowanych w modułowym odbiorniku nasłuchowym „Dosia”, opisywanym na łamach „Elektroniki Praktycznej” w latach 2017…2019 [2], jednak dla uproszczenia konstrukcji (ukłon w stronę początkujących konstruktorów-radioamatorów) zrezygnowano z drugiego pasma KF (40 m) oraz funkcji ARW (Automatyczna Regulacja Wzmocnienia), S-metra (miernika poziomu odbieranego sygnału radiowego) a także F-metra (cyfrowego pomiaru częstotliwości odbieranego sygnału radiowego). Dodatkowo cały odbiornik umieszczono na pojedynczej, dwustronnej płytce drukowanej, dopasowanej do kompaktowej obudowy, dostępnej w handlu w umiarkowanej cenie. Opisane podejście projektowe niewątpliwie powinno ułatwić i przyspieszyć poprawny montaż oraz uruchomienie urządzenia – tym samym dając większe szanse jego potencjalnemu przyszłemu użytkownikowi na szybsze i mniej bolesne rozpoczęcie przygody z radiokomunikacją amatorską. W tym miejscu warto także podkreślić fakt, że zastosowane w projekcie rozwiązania konstrukcyjne, chociaż w XXI wieku niestanowiące „awangardy aktualnej myśli technicznej”, to jednak odbiegają dość znacząco od koncepcji stosowanych powszechnie w prostych radioodbiornikach amatorskich. Tym samym pozwalają one nie tylko krok po kroku poznać podstawy skutecznego konstruowania tego typu urządzeń, ale także, przy poprawnej realizacji projektu, wejść w posiadanie prostego urządzenia o całkiem atrakcyjnych parametrach użytkowych.

W końcowej części publikacji zostały przedstawione m.in.: metodyka oraz rezultaty podstawowych pomiarów kontrolnych, które to informacje powinny pomóc konstruktorowi urządzenia nie tylko zweryfikować jakość „produkcji” własnego odbiornika nasłuchowego, ale także wykonać pierwszy mały, lecz istotny krok w świat profesjonalnych pomiarów urządzeń radiokomunikacyjnych.

Budowa urządzenia

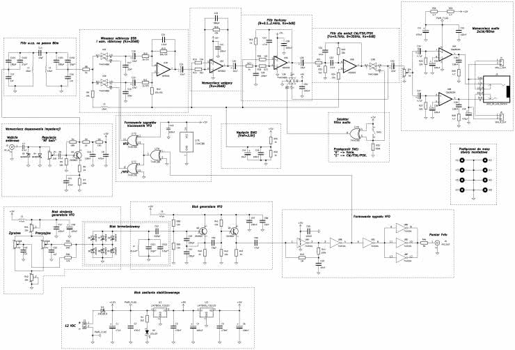
Szczegóły aplikacji opisanego w publikacji odbiornika nasłuchowego przedstawiono na rysunku 1 (schemat elektryczny). Poszczególne bloki funkcjonalne układu zostały wyodrębnione przerywanymi liniami oraz oznaczone odpowiednimi etykietami.

Rysunek 1. Schemat ideowy odbiornika

Blok zasilania stabilizowanego stanowi swego rodzaju fundament pracy całego układu. Dostarczone na złącze J1 główne napięcie zasilania (12 V prądu stałego) wędruje dalej przez diodę Schottky’ego średniej mocy D1, której rolą jest zabezpieczenie całego urządzenia przed odwrotną (błędną) polaryzacją napięcia zasilania zewnętrznego przy możliwie jak najmniejszej stracie tegoż napięcia. Kondensatory C1 i C2 mają za zadanie filtrować główne, niestabilizowane napięcie zasilania +12 V całego układu na wejściu stabilizatora U1, przy czym to napięcie jest wykorzystywane wprost wyłącznie do zasilania wyjściowego wzmacniacza mocy m.cz. z układem U6. Podanie zasilania urządzenia sygnalizuje świecenie diody LED D2, której roboczy prąd pracy jest ograniczany przez rezystor R1 do wartości około 3 mA, w zupełności wystarczającej do czytelnej indykacji obecności zasilania urządzenia. Zasilany głównym napięciem +12 V stabilizator U1 wraz z pojemnościami C3 i C4 dostarcza napięcie stabilizowane +9 V. Jest ono wykorzystywane wprost przez: blok wzmacniacza wejściowego w.cz. (dopasowania impedancji), blok generatora VFO (wraz ze swoim układem strojenia) oraz przez stabilizator U2, który razem z pojemnościami C5 i C6 dostarcza w odbiorniku napięcia stabilizowanego +5 V.

Zadaniem sekcji generatora VFO (Variable Frequency Oscillator), będącego „motorem napędowym” całego odbiornika, jest dostarczanie do mieszacza sygnału o częstotliwości równej częstotliwości nośnej odbieranego sygnału. Na schemacie wyróżniono trzy bloki, należące do jego sekcji: główny blok generatora VFO, blok strojenia generatora VFO oraz blok formowania sygnału VFO. Główny blok generatora VFO pracuje w układzie w układzie Seilera, dość popularnym w klasycznych amatorskich urządzeniach radiokomunikacyjnych. Jest on zasilany napięciem stabilizowanym +9 V przez dławik L6, który razem z kondensatorami C57 i C58 separuje zasilanie generatora od zasilania reszty układu oraz chroni go przed pasożytniczymi podwzbudzeniami na wyższych niż pożądana częstotliwościach. Funkcję elementu aktywnego (generacyjnego) pełni tranzystor Q2 (popularny 2N3904) wraz z rezystorami R38…R40 (polaryzacja bazy i ujemne sprzężenie emiterowe) oraz pojemnościami C53 i C54, realizującymi pętlę sprzężenia zwrotnego. Wyjście generatora (emiter Q2) przez kondensator sprzęgający C55 o stosunkowo niewielkiej pojemności jest podawane na stopień wtórnika-bufora z tranzystorem Q3 (2N3904) i rezystorami R41…R43. O częstotliwości pracy generatora decyduje przede wszystkim równoległy obwód rezonansowy LC, dołączony do aktywnego bloku generacyjnego za pośrednictwem pojemności sprzęgającej C52. Tworzą go elementy: L4, C511 i C512, przy czym może zaistnieć potrzeba niewielkiej korekty ich wartości (względem tych podanych w artykule) dla uzyskania pożądanego, jak najszerszego zakresu przestrajania generatora (więcej informacji na ten temat podano w części publikacji dedykowanej montażowi i uruchomieniu).

Dostrajanie stałego obwodu LC do wybranej częstotliwości odbywa się za pomocą zespołu diod D5…D10 w bloku strojenia generatora VFO. W tym celu wykorzystano dwie trójki popularnych prostowniczych diod Schottky’ego małej mocy typu 1N5819. Okazały się one niezłymi zamiennikami dla coraz trudniej dostępnych w sprzedaży diod pojemnościowych (warikapów) w obudowach dostosowanych do montażu przewlekanego THT. Obie trójki równolegle połączonych diod są połączone w parach: szeregowo i przeciwsobnie dla składowej zmiennej oraz równolegle dla składowej stałej napięcia sterującego ich pojemnościami. Dla składowej stałej napięcia anody diod D6, D8 i D10 są dołączone do masy wprost, natomiast anody diod D5, D7 i D9 są dołączane do masy przez dławik L4. Natomiast dla składowej zmiennej napięcia diody D5, D7 i D9 oraz D6, D8 i D10 są połączone równolegle oraz szeregowo względem siebie (w ramach danej trójki diod). Dzięki zastosowaniu takiego rozwiązania uzyskane zostały: zwiększony zakres pojemności przestrajania Cd oraz poprawa symetrii pracy przestrajanego bloku diod pojemnościowych, skutkująca m.in. mniejszą zawartością pasożytniczych harmonicznych (głównie tych parzystych) na wyjściu generatora. Jeśli przyjąć, że pojemność każdej spośród pojedynczych diod D5…D10, zależna od jej napięcia polaryzacji wstecznej Ur, wynosi Cj(Ur), to pojemność wypadkowa całego bloku strojenia wyniesie:

 (1)

Ostatecznie uzyskiwana częstotliwość drgań zastosowanego w tym projekcie generatora Seilera będzie określona popularnym wzorem Thomsona:

 (2)

w którym pojemność Cr jest wypadkową pojemności przestrajanej Cd(Ur) oraz wszelkich stałych pojemności, dołączonych do dławika L4. Dostrajanie zespołu diod D5…D10 do pożądanej wartości Cd(Ur) odbywa się na drodze regulacji napięcia polaryzacji wstecznej Ur, podawanego przez rezystory R35 i R36 z potencjometrów: P3 (przestrajanie zgrubne „coarse”) oraz P4 (przestrajanie precyzyjne „fine”). Wartość rezystora R36 zapewnia prawidłową polaryzację wsteczną zestawu sześciu diod Schottky’ego o dość znacznych prądach wstecznych. Natomiast oporność R35, o wartości znacznie większej od R36, zapewnia możliwość podstrajania generatora VFO w niewielkim zakresie (tzw. precyzer fine). Rezystor R35 w zasadzie można dobrać wg własnych upodobań – pamiętając jednak o tym, że zgodnie z elektrotechniczną zasadą superpozycji uzyskany zakres dostrajania dokładnego będzie w przybliżeniu równy takiemu ułamkowi pełnego pasma przestrajania Bvfo, ile wynosi stosunek oporności R36/R35. W przypadku wartości zaproponowanych w projekcie będzie to 47 kΩ/2,2 MΩ, czyli około 2,14%. Przykładowo, dla całkowitego pasma przestrajania Bvfo=300 kHz, wynikowy zakres podstrajania będzie wynosił około 6,4 kHz, czyli ±3,2 kHz. Jest to o tyle korzystne, że maksymalne odstrojenie precyzerem nieco przekracza pasmo częstotliwości dla emisji fonicznej (SSB). Indukcyjność L5 separuje blok strojenia VFO od reszty zasilania +9 V w całym układzie odbiornika, natomiast pojemności C47 i C48 zabezpieczają ten blok przed pasożytniczymi zakłóceniami, wzbudzeniami i modulacjami częstotliwości generatora. Z kolei potencjometry montażowe RV1 i RV2 są przeznaczone do ustalenia zakresu przestrajania generatora VFO.

Buforowany sygnał, pochodzący z w pełni analogowej części generatora VFO, poprzez pojemność sprzęgającą C56 kierowany jest na wejście inwertera NOT (U2A) w układzie 74HC04. Bramka ta pracuje w quasi-analogowym układzie formowania przebiegu prostokątnego o poziomach logicznych CMOS 0/+5 V.

W szczególności realizuje też dodatkową funkcję symetryzacji tego przebiegu – tak, aby jego współczynnik wypełnienia był jak najbardziej zbliżony do wartości D=50%. Na jej wyjściu dołączono prosty filtr dolnoprzepustowy RC z elementami R44 i C59, którego zadaniem jest ustalenie wartości średniej napięcia formowanego przebiegu prostokątnego. Wartość tego napięcia, odłożona na kondensatorze C59, jest wprost proporcjonalna właśnie do wartości współczynnika wypełnienia D i powinna być jak najbardziej zbliżona do wartości 5 V·50%=2,5 V. Rezystor R45, o wartości relatywnie dużej względem oporności R44 (zatem niezbyt mocno obciążający wyjście filtru dolnoprzepustowego z elementami R44 i C59), pracuje w pętli ujemnego sprzężenia zwrotnego i podaje wartość średnią (odfiltrowaną dolnoprzepustowo) przebiegu prostokątnego na wejście bramki U8A – jako składową stałą (offset/BIAS) dla wejściowego analogowego sygnału zmiennego z wyjścia bufora generatora Seilera. Zabieg ten ma na celu przesunięcie punktu pracy bramki U8A tak, aby uzyskać zamierzony efekt symetryzacji przebiegu prostokątnego (D=50%), albowiem bramka-inwerter NOT w środkowej części swojej charakterystyki przejściowej zachowuje się bardzo podobnie do wzmacniacza odwracającego o dość znacznym, ujemnym wzmocnieniu. Kolejne bramki NOT (U8B oraz U8C), połączone szeregowo, realizują funkcję regeneracji kształtu sygnału prostokątnego. Do wyjścia bramki U8C dołączone zostały wejścia trzech połączonych równolegle inwerterów U8D..U8F, realizujących funkcję bufora wyjściowego o łącznej wypadkowej impedancji wyjściowej równej około (45 Ω||45 Ω||45 Ω=15 Ω). Szeregowy rezystor R46 zapewnia zestandaryzowaną impedancję wyjściową modułu generatora VFO, zbliżoną do wartości 50 Ω, widzianą na zewnętrznym wyjściu J6 odbiornika. Ma on istotne znaczenie (aspekt dopasowania impedancji) przede wszystkim w przypadku, gdy sygnał prostokątny z modułu VFO będzie prowadzony dalej dłuższym przewodem koncentrycznym o impedancji charakterystycznej równej 505 Ω. Natomiast przy krótkim, bezpośrednim podłączeniu do wejścia kolejnego modułu (np. tak, jak to ma miejsce w odbiorniku „Dosia”) można go po prostu zmostkować – np. zastępując zworką, zrobioną z kawałka cienkiej srebrzanki. Kondensator C60 odsprzęga zasilanie omawianego bloku cyfrowego z układem U8 dla występujących w nim zakłóceń impulsowych.

Przejdziemy teraz do omówienia toru przetwarzania sygnału analogowego w odbiorniku „Kubuś”. Zadaniem tego toru jest prawidłowa zamiana szerokopasmowego sygnału radiowego, doprowadzonego do portu antenowego J2 (RF_IN) na sygnał audio (czytelny dla ucha ludzkiego) i wyprowadzenie go na porty J3…J5 (gniazdo słuchawkowe „minijack” oraz opcjonalne wyprowadzenia na dwa głośniki zewnętrzne). Pierwszym blokiem toru przetwarzania sygnału analogowego jest blok wzmacniacza dopasowania impedancji, w którym sygnał wejściowy w.cz. z gniazda antenowego, podawany na port J2 odbiornika, przez kondensator szeregowy C7 wędruje dalej na równoległy ogranicznik amplitudy z diodami D3 i D4. W tej roli zastosowano popularne, małosygnałowe diody Schottky’ego. Mają one większe rezystancje dynamiczne w zakresie przewodzenia oraz bardziej łagodne przejście z obszaru zaporowego do obszaru przewodzenia od zwykłych małosygnałowych diod krzemowych. Dzięki temu ograniczanie amplitudy nadmiernie silnych sygnałów odbywa się w sposób bardziej „miękki”, powodując tym samym mniej uciążliwych dla ucha skutków ewentualnych przesterowań. Umieszczony za ogranicznikiem z diodami D3 i D4 potencjometr P1 (RF GAIN) umożliwia ewentualne osłabienie sygnału odbieranego do poziomu właściwego dla danych warunków propagacyjnych na drodze ręcznej regulacji. Dalej odebrany sygnał, przez pojemność sprzęgającą C8, trafia na stopień wzmacniacza małosygnałowego z tranzystorem Q1, pracującego dla składowej zmiennej przetwarzanego sygnału w konfiguracji zbliżonej do wspólnego emitera – jednak z dodatkowym ujemnym sprzężeniem zwrotnym w obwodach emitera (elementy: R6, R7 i C11) a także w obwodach kolektora oraz polaryzacji bazy (elementy: R2, R3 i C10 oraz R4 i R5).

Zastosowane ujemne sprzężenia zwrotne nie tylko poprawiają stabilność temperaturową punktu pracy, ale także znacznie polepszają liniowość omawianego stopnia wzmacniającego, czyniąc go bardziej odpornym na przesterowania i intermodulacje. Należy w tym miejscu podkreślić fakt, że kluczowym zadaniem wzmacniacza z tranzystorem Q1 jest zapewnienie stałego dopasowania impedancyjnego na wejściu kolejnego bloku, jakim jest filtr w.cz. W szczególności, jego zastosowanie zostało podyktowane tym, że znacznie zróżnicowane impedancje potencjalnych anten odbiorczych (w praktyce: od kilku omów dla anten bardzo krótkich, do kilkuset i więcej omów dla długich anten drutowych typu LW, czyli „Long Wire”). Taka sytuacja może powodować znaczne pogorszenie dopasowania pomiędzy anteną a zestrojonym na stałe filtrem w.cz. i – w konsekwencji – popsucie poprawnie ustalonych charakterystyk przenoszenia tegoż filtru. I tak impedancję wyjściową omawianego wzmacniacza dopasowującego zbliżoną do 50 Ω zapewnia rezystor R3, który od strony zasilania jest dla składowej zmiennej zwarty do masy kondensatorem C10, natomiast elementy R2 i C9 gwarantują bardzo dobrą separację tego bloku funkcjonalnego dla szkodliwych zakłóceń, które mogłyby przenikać do kolejnych stopni przetwarzania sygnału od strony zasilania +9 V (np. z bloku generatora VFO). Omówiony wzmacniacz dopasowania impedancji ma stosunkowo niewielkie wzmocnienie napięciowe, zbliżone do 6 dB, wynikające głównie ze stosunku wartości oporności rezystorów R3 i R6.

Sygnał ze wzmacniacza dopasowania impedancji trafia następnie do bloku filtru w.cz. na pasmo 80 m. Warto tu zwrócić uwagę nieco mniej doświadczonych konstruktorów na fakt, że to szeregowe połączenie nie zawiera dedykowanej pojemności sprzęgającej (i jednocześnie separującej dla składowej stałej), ponieważ nie jest ona potrzebna – w obwodach wejściowych filtru pasmowego w.cz. nie występuje żadne połączenie do masy czy zasilania dla składowej stałej. Sam filtr pasmowy został zrealizowany w prostej, dwubiegunowej topologii – z dwoma równoległymi obwodami rezonansowymi LC (L1, C121, C122, C13 oraz L2, C151, C152, C16), sprzężonymi niewielką pojemnością C14. Filtr jest sprzężony z poprzednim oraz z kolejnym stopniem sygnałowym za pomocą dzielonych pojemności: (C121+C122) i C13 oraz (C151+C152) i C16. Takie rozwiązanie zapewnia większą odporność charakterystyk przenoszenia filtru na wpływ impedancji sąsiednich stopni przy jednoczesnej prostocie implementacji, bowiem alternatywne sprzężenie indukcyjne zapewne okazałoby się znacznie bardziej kłopotliwe w realizacji – zwłaszcza dla nieco młodszych konstruktorów. Strojenie omawianego tu filtru w.cz. w zasadzie nie jest wymagane, jednak w przypadku istotnego rozrzutu wartości jego elementów korzystne mogłoby okazać się jego podstrajanie za pomocą korekty wartości pojemności C122 oraz C152. Aspekt ten bardziej szczegółowo omówiono w dalszej części artykułu, poświęconej montażowi i uruchomieniu urządzenia. Należy także zwrócić uwagę na fakt, że niewielka pojemność sprzęgająca C14 w zasadzie mogłaby być jeszcze mniejsza, oferując tym samym możliwość uzyskania filtru o nieco węższym paśmie. W projekcie odbiornika „Kubuś” zrezygnowano jednak z takiego rozwiązania, ponieważ nieco mniej doświadczonym konstruktorom mogłoby ono znacznie utrudnić skuteczne, prawidłowe zestrojenie omawianych filtrów w.cz. poprzez dalsze zwiększenie wrażliwości charakterystyk przenoszenia filtru na rozrzut wartości pozostałych jego elementów.

Odebrany szerokopasmowy sygnał radiowy w.cz. (RF), odfiltrowany wstępnie dla całego pasma 80 m, kierowany jest dalej do bloku mieszacza odbiorczego DSB, powiązanego ze wzmacniaczem różnicowym o wzmocnieniu Ku równym około 20 dB. Sercem układu jest układ scalony U3 (74HC4066), który zawiera w sobie cztery przełączane poziomami logicznymi CMOS (0/+5 V) analogowe klucze półprzewodnikowe. Sygnał radiowy jest wprowadzany przez rezystor dopasowujący R8 – jednocześnie na dwa z czterech kluczy w układzie U3: U3C oraz U3D. Ich rezystancja szeregowa (przy zasilaniu układu U3 napięciem +5 V) jest zbliżona do 50 W i, wraz z rezystorem R8 oraz pojemnościami C17 i C19, stanowi filtr dolnoprzepustowy RC, który na symetrycznych wyjściach mieszacza odbiorczego z kluczami U3C i U3D odcina wysokoczęstotliwościowe produkty przemiany (mieszania). Do poprawnej pracy z analogowymi sygnałami zmiennymi klucze w układzie U3 (74HC4066) wymagają wstępnej polaryzacji napięciem stałym BIAS o wartości jak najbardziej zbliżonej do połowy ich napięcia zasilania (czyli w tym przypadku +2,5 V), co zapewnia minimalne zniekształcenia nieliniowe przenoszonych sygnałów. Takie napięcie jest podawane na oba klucze (U3C i U3D) poprzez połączone szeregowo elementy L3 i R9, zapewniające dużą impedancją dla sygnałów w.cz. (nie tłumią sygnału wejściowego w.cz., który ma zostać poddany mieszaniu odbiorczemu). Poziom stałego napięcia polaryzującego BIAS (Vref=2,5 V), wykorzystywany także do polaryzacji wejść wzmacniaczy operacyjnych w układach scalonych U4 i U5, jest ustalany przez zasilany napięciem stabilizowanym +5 V dzielnik rezystancyjny z opornikami R31 i R32 oraz kondensatorami filtrującymi C44 i C45. Z kolei klucze U3C i U3D są naprzemiennie załączane sygnałami logicznymi w przeciwnych fazach (0 i 180°), które to sygnały są wytwarzane przez bramki A, C i D układu U7 (74HC86), zawierającego łącznie cztery dwuwejściowe bramki logiczne XOR. Podstawowy cyfrowy sygnał przełączający w.cz. z generatora przestrajanego VFO (o częstotliwość Fvfo równej częstotliwości nośnej Fc odbieranego sygnału w.cz. o współczynniku wypełnienia maksymalnie zbliżonym do wartości D=50% (przebieg symetryczny) gdzie jest wprowadzany na wejście nr 1 bramki U7A. W tym miejscu należy podkreślić, że niesymetryczny przebieg przełączający klucze U3C i U3D (D≠50%) spowodowałby niezrównoważenie mieszacza odbiorczego, skutkujące generowaniem przez mieszacz nieprawidłowego sygnału m.cz. W dyskutowanym tutaj układzie formowania sygnałów kluczowania VFO bramka XOR U7A jest skonfigurowana jako prosty bufor (jedno z wejść jest na stałe podłączono do masy zasilania) dla cyfrowego sygnału, podawanego z generatora VFO, i jej zadaniem jest wyłącznie lokalna regeneracja kształtu tego sygnału. Z wyjścia tej bramki sygnał przełączający mieszacz jest kierowany na wejścia dwóch kolejnych bramek XOR (U7C i U7D), z których pierwsza jest skonfigurowana także jako bufor, a druga jako inwerter NOT sygnału (jedno z wejść podłączone na stałe do +5 V zasilania). Na wyjściach tych bramek mamy już do dyspozycji dwa sygnały przełączające dla mieszacza – ale w przeciwnych fazach. W tym miejscu należy wyjaśnić to, dlaczego w roli układu generującego sygnały w przeciwnych fazach zastosowano dwie bramki XOR, należące do tego samego układu scalonego – zamiast np. pojedynczej bramki NOT czy NAND. Otóż sygnały w przeciwnych fazach, przełączające klucze U3C i U3D w mieszaczu odbiornika, powinny mieć przesunięcie fazowe jak najbardziej zbliżone do 180°, co, jak wspomniano powyżej, jest wymogiem dla prawidłowej pracy mieszacza. Tymczasem zastosowanie w celu uzyskania sygnału w przeciwnej fazie wyłącznie pojedynczej bramki odwracającej (czyli tylko w jednej gałęzi sygnału) sprawiłoby, że jej niezerowe opóźnienie propagacji zniweczyłoby ten cel. Oczywiście, uzyskane tą drogą rezultaty byłyby tym gorsze, im większa byłaby częstotliwość przełączania kluczy oraz opóźnienie propagacji zastosowanego negatora (inwertera NOT). Przykładowo, przy częstotliwości Fvfo=Fc=10 MHz (okres sygnału równy 100 ns) różnica opóźnień propagacji między obiema gałęziami sygnałów równa 10 ns spowodowałaby różnicę faz równą aż 10 ns/100 ns·360°=36° kątowych!!! Tymczasem obie bramki XOR (U7C i U7D), skonfigurowane jako bufor oraz jako inwerter (negator), mają bardzo zbliżone (niemal identyczne) opóźnienia propagacji, co gwarantuje uzyskanie bardzo dobrej przeciwfazowości sygnałów, które przełączają klucze U3C i U3D. Wracając do układu przemiany, odfiltrowane dolnoprzepustowo sygnały z obu kluczy mieszających są podawane przez kondensatory C18 i C20 na wejście dokładnego wzmacniacza różnicowego. Wykorzystano w nim jeden z dwóch niskoszumowych wzmacniaczy operacyjnych (konkretnie U4B), dostępnych w układzie NE5532. Rezystory R10…R13 odpowiadają za wzmocnienie tego stopnia, ustalone na poziomie +20 dB. Powinny one mieć tolerancję nie gorszą niż 1% – z uwagi na konieczność zrównoważenia mieszacza, warunkowaną także przez symetryczność omawianego tutaj wzmacniacza różnicowego. Kondensator C21 wstępnie ogranicza pasmo przenoszenia tego pierwszego stopnia m.cz., natomiast przez rezystor R12 podawane jest dodatkowo napięcie ustalające punkt pracy (BIAS) wzmacniacza operacyjnego.

Zdemodulowany a także wzmocniony i odfiltrowany dolnoprzepustowo (po raz pierwszy) sygnał m.cz. jest podawany przez kondensator C22 do wzmacniacza wstępnego o wzmocnieniu równym około +26 dB, pracującego w prostej topologii wzmacniacza odwracającego. Wykorzystuje on kolejny niskoszumowy wzmacniacz operacyjny U4A oraz rezystory R14…R16 i kondensator C23, które ustalają jego wzmocnienie i pasmo przenoszenia. Natomiast kondensator C24 zwiera do masy zakłócenia w zasilaniu +5 V obu wzmacniaczy operacyjnych: U4A i U4B.

Za wzmacniaczem wstępnym odebrany sygnał audio (o częściowo już ograniczonym pasmie) jest podawany przez pojemność C25 na wejście pierwszego z dwóch właściwych filtrów akustycznych. Jest to filtr foniczny o pasmie przenoszenia dostosowanym do odbioru emisji SSB (B=0,1…2,4 kHz) i wzmocnieniu jednostkowym (Ku=0 dB). Pracuje on w dolnoprzepustowej topologii tzw. filtru Sallena-Keya (jest to tzw. filtr kratowy). Wykorzystano w nim kolejny, niskoszumowy wzmacniacz operacyjny U5A – także oparty na popularnej wciąż kostce NE5532. Jego parametry ustalają rezystory R17…R20 oraz pojemności C26 i C27, natomiast kondensator C28 filtruje zasilanie +5 V, wspólne dla obu wzmacniaczy (U5A i U5B) w zastosowanym tutaj układzie scalonym. Wyjście filtru fonicznego zostało rozgałęzione i trafia zarówno wprost na wejście kolejnego filtru, przeznaczonego dla emisji wąskopasmowych (poprzez pojemność sprzęgającą C29), jak i do klucza analogowego przełączanego cyfrowo U3A, przez który rozpoczyna się droga obejściowa (tzw. „bypass”), pozwalająca obejść filtr wąskopasmowy. Kondensator C30 zwiera do masy zakłócenia w zasilaniu +5 V wszystkich czterech kluczy U3A…U3D, które znajdują się wewnątrz wspólnego układu scalonego.

Kolejny filtr, przeznaczony dla emisji wąskopasmowych jak CW, FSK czy PSK, jest filtrem środkowoprzepustowym o jednostkowym wzmocnieniu (Ku=0 dB), środku pasma przenoszenia w okolicach Fo=700 Hz i jego szerokości równej około B=350 Hz. Został on zrealizowany w środkowoprzepustowej topologii tzw. filtru kratowego (Sallena-Keya). Elementem aktywnym (wzmacniającym) jest w nim kolejny niskoszumowy wzmacniacz operacyjny U5B, natomiast jego parametry robocze ustalają rezystory R21…R24 oraz pojemności C31 i C32. Odfiltrowany wąskopasmowo sygnał trafia na klucz analogowo-cyfrowy U3B.

Fotografia 1. Widok odbiornika w obudowie

W tym miejscu widać już jasno to, że para kluczy U3A i U3B realizuje swoisty przełącznik-selektor sygnału audio: fonicznego albo wąskopasmowego, przy czym sygnał wąskopasmowy jest i tak zawsze wstępnie filtrowany przez filtr foniczny, co tylko poprawia jego praktyczne walory użytkowe. Należy też tutaj wyjaśnić fakt, że stałonapięciowa polaryzacja obu wymienionych kluczy odbywa się wprost z wyjść wzmacniaczy operacyjnych U5A i U5B, które dla składowych stałych swoich napięć wejściowych (czyli napięć polaryzujących BIAS o Vref=2,5 V) są po prostu wtórnikami. Naprzemienne (alternatywne) załączanie kluczy U3A i U3B odbywa się za pomocą sterującego sygnału logicznego, pobieranego z bloku selektora filtru audio. Został on zrealizowany w oparciu na bramce XOR U7B, która została skonfigurowana jako inwerter (negator) poprzez podłączenie jednego z jej wejść na stałe do szyny zasilania +5 V.

Dodatkowo dedykowany przełącznik elektromechaniczny SW1 wraz z rezystorem R33 zapewniają sterujące sygnały logiczne: wprost dla klucza U3B oraz odwrócony dla klucza U3A, przy czym przełącznik SW1 otwarty wybiera filtrację dla emisji fonicznych, natomiast SW1 zamknięty wybiera dodatkową filtrację wąskopasmową.

Odfiltrowany (zgodnie z wyborem nastawionym przez operatora odbiornika przełącznikiem SW1) sygnał audio poprzez pojemność C33 trafia do bloku wyjściowego wzmacniacza mocy audio – na „gorącą” końcówkę potencjometru P2. Potencjometr P2 jest potencjometrem logarytmicznym, co zapewnia odczucia słuchowe zmian głośności wprost proporcjonalne do zmian nastawień potencjometru. Wzmacniacz mocy m.cz. został oparty o popularny i niedrogi układ scalony TDA2822M (U6), który przy zasilaniu +12 V jest w stanie oddać nawet do 1 W na kanał (jest to wzmacniacz stereofoniczny) na obciążeniu 8 W przy częstotliwości f=1 kHz i całkowitych zniekształceniach nieliniowych d=10%. Większe moce wyjściowe są co prawda możliwe do uzyskania w konfiguracji mostkowej (monofonicznej) „bridge”, jednak w tym zastosowaniu nie jest to celowe – głównie z uwagi na możliwe zbyt wysokie straty termiczne i zniekształcenia nieliniowe. Wzmacniacz zaimplementowano zgodnie z notą aplikacyjną producenta – z tą jednak różnicą, że oba wejścia stereo połączono ze sobą – tak, by na obu wyjściach uzyskać takie same sygnały o jak najbardziej zbliżonych poziomach. Dla uzyskania większej mocy wyjściowej cały blok wzmacniacza audio zasilany jest bezpośrednio głównym napięciem +12 V, dostarczanym wprost do odbiornika (bez dodatkowej wewnętrznej stabilizacji). Para rezystorów R29 i R30, połączonych szeregowo dla uzyskania ich większej łącznej maksymalnej mocy strat termicznych, ma dwa zadania. Głównym z nich jest ograniczenie mocy strat termicznych, wydzielanych we wzmacniaczach U6A i U6B w przypadku zbyt silnego ich wysterowania. Może także w pewnym stopniu separować ich zasilanie od potencjalnych zakłóceń w zewnętrznym zasilaniu +12 V, np. przydźwięku sieciowego czy tętnień pochodzących od przetwornicy impulsowej. Kondensatory C41 i C42 współtworzą z rezystorami R29 i R30 filtr dolnoprzepustowy RC, blokujący ewentualne zakłócenia w napięciu zasilania wzmacniaczy U6A i U6B. Przede wszystkim jednak znacząco zwiększają chwilową wydajność prądową źródła napięcia zasilania wzmacniaczy końcowych audio w momentach szczytów poboru mocy, czym istotnie przyczyniają się do zmniejszenia zniekształceń nieliniowych w odsłuchiwanym dźwięku. Sygnał wyjściowy audio został wyprowadzony na gniazdo J3 typu minijack stereo (∅ 3,5 mm), które zawiera w sobie przełącznik sygnałów. Po odłączeniu słuchawek stereo sygnał audio będzie dostępny na portach J4 i J5, skąd można go podać na jeden lub dwa głośniki zewnętrzne.

Na schemacie odbiornika pokazano także podłączenie do masy urządzenia otworów montażowych H1…H8. Informacja ta, z pozoru trywialna, ma za zadanie podkreślić potencjalnemu konstruktorowi fakt, że otwory montażowe w płytce drukowanej odbiornika można wykorzystać bezpośrednio do połączenia masy urządzenia z metalową obudową, ale i to, że nie są one elektrycznie obojętne i w związku z tym w trakcie montażu i uruchomienia należy unikać zwierania ich z innymi obwodami elektrycznymi.

Podsumowanie

W tej części publikacji przedstawiono koncepcję działania odbiornika oraz szczegóły jego działania. Przeprowadzono także wstęp do łączności radiowych w pasmie 80 m. W kolejnych artykułach zostanie przedstawiony montaż i uruchomienie urządzenia a także pomiary kontrolne, które podpowiedzą, jak można samodzielnie konstruować urządzenia radiokomunikacyjne.

Adam Sobczyk SQ5RWQ
sq5rwq@gmail.com

Źródła:
[1] https://tiny.pl/csvcp
[2] https://tiny.pl/csvcl

Wykaz elementów:
Rezystory: (0,25 W/5% lub jak w opisie)
  • R1: 3,3 kΩ
  • R2, R7: 150 Ω
  • R3, R8: 51 Ω
  • R4: 68 kΩ
  • R5: 33 kΩ
  • R6: 22 Ω
  • R9, R15, R20, R21…R24, R25, R27, R38…R39, R41, R42: 10 kΩ
  • R10, R11: 1 kΩ/1%
  • R12, R13: 10 kΩ/1%
  • R14: 2,2 kΩ
  • R16: 43 kΩ
  • R17, R19, R31, R32…R40, R43: 1 kΩ
  • R18: 510 Ω
  • R22: 1,2 kΩ
  • R23: 20 kΩ
  • R26, R28, R29, R30: 4,7 Ω
  • R33, R44: 100 kΩ
  • R35: 2,2 MΩ
  • R36: 47 kΩ
  • R45: 1 MΩ
  • R46: 39 Ω
  • P1: 1 kΩ B (liniowy, obrotowy, wyprowadzany na tylny panel)
  • P2: 1 kΩ A (logarytmiczny, obrotowy, wyprowadzany na przedni panel)
  • P3, P4: 10 kΩ B (liniowe, obrotowe, wyprowadzane na przedni panel)
  • RV1, RV2: 20 kΩ B (liniowe, montażowe, w obudowach RM-065)
Kondensatory:
  • C1: 47 μF/16 V
  • C2, C3, C5, C9: 470 nF/50 V
  • C4, C6, C35, C38…C48: 100 μF/16 V
  • C7, C8, C11, C27…C31, C32: 47 nF/50 V
  • C10, C24, C28, C30…C36, C39, C42, C43…C45, C47, C57, C60: 100 nF/50 V
  • C13, C16: 1 nF/50 V
  • C14: 15 pF/50 V
  • C17, C19: 33 nF/50 V
  • C18, C20, C22, C25…C29, C44: 10 μF/16 V
  • C21: 1,5 nF/50 V
  • C23: 360 pF/50 V
  • C26: 220 nF/50 V
  • C33: 22 μF/16 V
  • C34, C37: 4,7 μF/16 V
  • C40, C41: 470 μF/16 V
  • C49, C50: 1 μF/50 V
  • C52, C53, C54: 220 pF/50 V
  • C55: 10 pF/50 V
  • C56: 47 pF/50 V
  • C58, C59: 10 nF/50 V
  • C121, C151: 180 pF/50 V
  • C122: 27 pF*/50 V – możliwa potrzeba korekty wartości elementu w procesie optymalizacji parametrów układu
  • C152: 33 pF*/50 V – możliwa potrzeba korekty wartości elementu w procesie optymalizacji parametrów układu
  • C511: 22 pF*/50 V – możliwa potrzeba korekty wartości elementu w procesie optymalizacji parametrów układu
  • C512: 3,3 pF*/50 V – możliwa potrzeba korekty wartości elementu w procesie optymalizacji parametrów układu
Półprzewodniki:
  • D1, D5, D6, D7…D8, D9, D10: 1N5819 (obudowa: DO-41)
  • D2: LED (np. zielona, ∅ 3,0 mm)
  • D3, D4: BAT85 (obudowa: DO-35)
  • Q1, Q2, Q3: 2N3904 (NPN, obudowa: TO-92)
  • U1: LM7809 (obudowa: TO-220)
  • U2: LM7805 (obudowa: TO-220)
  • U3: 74HC4066 (obudowa: DIP-14)
  • U4, U5: NE5532 (obudowa: DIP-8)
  • U6: TDA2822M (obudowa: DIP-8)
  • U7: 74HC86 (obudowa: DIP-14)
  • U8: 74HC04 (obudowa: DIP-14)
Pozostałe:
  • L1, L2, L3: 10 μH (osiowy)
  • L4: 8,2 μH* (osiowy) – możliwa potrzeba korekty wartości elementu w procesie optymalizacji parametrów układu
  • L5, L6: 47 μH (osiowy)
  • SW1: Włącznik elektromech. bistabilny + złącze goldpin proste męskie (2 piny)
  • J1: Złącze śrubowe ARK-2 (raster 5 mm)
  • J2, J6: Gniazda BNC 50W lutowane do PCB
  • J3: Gniazdo minijack stereo (∅ 3,5 mm) z przełącznikiem wewn.
  • J4, J5: Złącze goldpin proste męskie (2 piny)
  • obudowa Z112A Kradex lub inna o odpowiednich wymiarach
  • gniazdo zasilania, np. koncentryczne 5,5/2,1 mm, montowane na panelu
  • włącznik zasilania 12 V/0,5 A
  • podstawki pod układy scalone: DIP-8 (2 szt.) oraz DIP-14 (3 szt.)
  • gałki na potencjometry P1..P4 (4 szt.)
  • śruby, nakrętki i podkładki M2,5/M3 (wg opisu w tekście)
  • srebrzanka ∅ 0,7 mm ok. 20 cm
Artykuł ukazał się w
Elektronika Praktyczna
styczeń 2024
DO POBRANIA
Materiały dodatkowe
Elektronika Praktyczna Plus lipiec - grudzień 2012

Elektronika Praktyczna Plus

Monograficzne wydania specjalne

Elektronik listopad 2025

Elektronik

Magazyn elektroniki profesjonalnej

Raspberry Pi 2015

Raspberry Pi

Wykorzystaj wszystkie możliwości wyjątkowego minikomputera

Świat Radio listopad - grudzień 2025

Świat Radio

Magazyn krótkofalowców i amatorów CB

Automatyka, Podzespoły, Aplikacje listopad - grudzień 2025

Automatyka, Podzespoły, Aplikacje

Technika i rynek systemów automatyki

Elektronika Praktyczna listopad 2025

Elektronika Praktyczna

Międzynarodowy magazyn elektroników konstruktorów

Elektronika dla Wszystkich grudzień 2025

Elektronika dla Wszystkich

Interesująca elektronika dla pasjonatów