Wzmacniacz transkonduktancyjny do subwoofera

Wzmacniacz transkonduktancyjny do subwoofera

Prezentowany projekt wzmacniacza transkonduktancyjnego do subwoofera zawiera dwa popularne zestawy do samodzielnego montażu firmy AVT uzupełnione o dodatkową zwrotnicę aktywną z prądową pętlą sprzężenia zwrotnego. Urządzenie pozwala na obniżenie poziomu zniekształceń nieliniowych w zakresie najniższych częstotliwości pasma akustycznego, dzięki czemu możliwe jest uzyskanie lepszej jakości odtwarzanego dźwięku.

Podstawowe parametry:
  • zwrotnica aktywna z prądową pętlą sprzężenia zwrotnego,
  • regulacja częstotliwości podziału w zakresie 40...200 Hz,
  • zawiera obwód kompensacji wzmocnienia w otoczeniu częstotliwości rezonansowej głośnika regulowany w zakresie częstotliwości ok. 68...70 Hz,
  • zasilanie napięciem symetrycznym ok. ±30 V.

Pierwsze wzmianki na temat zastosowania wzmacniaczy transkonduktancyjnych współpracujących z głośnikami magnetoelektrycznymi (dynamicznymi) pojawiły się już w latach pięćdziesiątych ubiegłego wieku w Stanach Zjednoczonych. W artykule pt. A new look at positive current feedback autorów: H. D. Zink oraz L. R. Sanford, opublikowanym

w listopadowym wydaniu czasopisma Radio and TV News w roku 1957 opisano jeden z pierwszych tego typu projektów wykonanych w technice lampowej. Koncepcja ta ulegała dalszemu doskonaleniu m.in. w latach siedemdziesiątych dwudziestego wieku. Kluczową dla tego projektu okazała się publikacja naukowa pt. Distortion reduction in moving-coil loudspeaker systems using current-drive technology autorów: P. G. L. Mills oraz M. O. J. Hawksford, opublikowana w roku 1989 w marcowym wydaniu czasopisma Journal of the Audio Engineering Society. W roku 2010 pojawiła się nawet publikacja książkowa pt. Current-driving of loudspeakers. Eliminating major distortion and interference effects by the physically correct operation method, której autorem jest fiński uczony – mgr inż. Esa Meriläinen. Autor prezentuje w niej pogląd mówiący o tym, że zasilanie głośników wzmacniaczem transkonduktancyjnym przyczynia się do zmniejszenia poziomu zniekształceń nieliniowych, co jego zdaniem, przekłada się na uzyskanie lepszej jakości odtwarzanego dźwięku.

Powstaje zatem pytanie – czy pogląd ów jest prawdziwy? Jego weryfikacja przy pomocy aparatury pomiarowej zdaje się częściowo potwierdzać, częściowo zaś falsyfikować tę opinię. W niektórych zakresach częstotliwości akustycznych następuje bowiem zmniejszenie poziomu zniekształceń nieliniowych, z kolei w innych występuje jego zwiększenie. Ogranicza to zakres zastosowań tego typu układów niemal wyłącznie do subwooferów aktywnych pracujących w zakresie najniższych częstotliwości pasma akustycznego.

Brzmienie wzmacniaczy transkonduktancyjnych różni się w sposób zasadniczy od brzmienia konwencjonalnych wzmacniaczy napięciowych. Wzmacniacz transkonduktancyjny charakteryzuje się dużą impedancją wyjściową, a co za tym idzie, małym współczynnikiem tłumienia. Jego zasada działania przypomina w pewnym zakresie zasadę działania źródła prądowego, co powoduje z kolei powstanie pewnej wady tego układu polegającej na zwiększeniu poziomu ciśnienia akustycznego w obszarze częstotliwości rezonansowej głośnika pracującego w obudowie zamkniętej (moduł impedancji w tym obszarze zwiększa swoją wartość, dzięki czemu wzmacniacz transkonduktancyjny, dążąc do zachowania stałej wartości prądu elektrycznego płynącego przez uzwojenie cewki głośnika, zwiększa poziom napięcia na jego zaciskach zgodnie z prawem Ohma i prawem Joule’a-Lenza). Wada ta została częściowo wyeliminowana w układzie zwrotnicy poprzez zastosowanie żyratora.

Czy tego typu rozwiązanie jest w stanie zapewnić czytelnikom oczekiwaną poprawę jakości dźwięku odtwarzanego przez skonstruowany w ten sposób subwoofer? Na to pytanie każdy czytelnik musi odpowiedzieć samodzielnie, przeprowadzając badania i odsłuchy zaproponowanego urządzenia. Dźwięk odtwarzany przez subwoofer ze wzmacniaczem transkonduktancyjnym różni się w sposób zdecydowany od dźwięku odtwarzanego przez subwoofer wykonany w technologii konwencjonalnej. Czy jest to jednak zmiana na plus, czy na minus, jest już bardziej sprawą subiektywną i zależną od upodobań muzycznych danego czytelnika.

Budowa i działanie

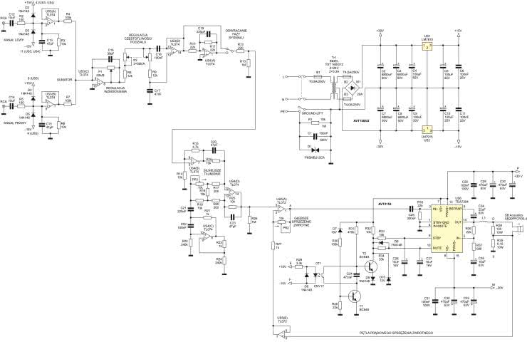
Na rysunku 1 został pokazany schemat blokowy urządzenia natomiast na rysunku 2 znajduje się schemat ideowy. Układ jest zasilany z sieci prądu przemiennego o napięciu skutecznym 230 V. Do zasilania układu zastosowano transformator oznaczony jako Tr1. Jest to transformator firmy INDEL typu TST 160/012. Dostarcza on na uzwojeniach wtórnych dwóch symetrycznych napięć o wartościach 24 V. Wydajność prądowa uzwojeń wynosi 2×3,3 A. Uzwojenie pierwotne zabezpieczone jest bezpiecznikiem zwłocznym B1 typu T0,8 A/250 V natomiast uzwojenia wtórne zabezpieczone są bezpiecznikami zwłocznymi B2 oraz B3 typu T4,0 A/250 V.

Rysunek 1. Schemat blokowy wzmacniacza transkonduktancyjnego do subwoofera

Układ umożliwia realizację funkcji ground-lift realizowanej za pośrednictwem elementów R1, C1 oraz D1, służącej do zapobiegania powstawaniu tzw. pętli masy. Prostowanie i filtrację dodatnich i ujemnych względem masy napięć zasilających zapewnia zestaw do samodzielnego montażu typu AVT1505/2.

W jego skład wchodzą elementy: B2, B3, M1, C2, C3, C7 oraz C8. Układ ten zabudowany jest na osobnym obwodzie drukowanym. Do zasilania układu zwrotnicy zastosowano elementy: C4, US1, C5, C6, C9, US2, C10 oraz C11. Służą one obniżeniu i stabilizacji napięć zasilających z poziomu ± 30 V do poziomu ±15 V.

Rysunek 2. Schemat ideowy wzmacniacza transkonduktancyjnego do subwoofera (rysunek pokazuje schemat całego urządzenia, czyli zawiera schemat zwrotnicy aktywnej oraz schemat zestawu zasilacza AVT1505/2 i zestawu wzmacniacza AVT2153)

Wzmacniacze operacyjne US3(A) oraz US3(B) służą do buforowania wejść układu i zapobiegają powstawaniu przesłuchów międzykanałowych. Kondensatory elektrolityczne bipolarne C12 oraz C14 służą do separacji składowej stałej na wejściu układu. Elementy: R2, D2, D3 w kanale lewym oraz: R5, D4, D5 w kanale prawym służą do realizacji zabezpieczenia przeciwprzepięciowego na wypadek odłączenia któregoś z wejść układu podczas pełnego wysterowania. Elementy: C13 oraz C15 pełnią rolę przeciwzakłóceniową. Wzmacniacz operacyjny US3(C) pracuje jako sumator sygnału pochodzącego z obydwu kanałów i zapewnia możliwość regulacji wzmocnienia za pośrednictwem potencjometru P1 o charakterystyce nieliniowej z dołączonym do ścieżki oporowej kondensatorem przeciwzakłóceniowym C16. Podwójny liniowy potencjometr P2 wraz z elementami R8, R9, C17, C18 oraz buforem US3(D) realizuje funkcjonalność regulacji częstotliwości podziału przy pomocy filtra drugiego rzędu o charakterystyce Butterwortha, przestrajanego w zakresie od 40 Hz do 200 Hz z nachyleniem wynoszącym 12 dB/okt. Układ odwracający wykonany na wzmacniaczu operacyjnym US4(A) umożliwia odwrócenie fazy sygnału.

Wzmacniacz operacyjny US4(B) kompensuje spadek wzmocnienia spowodowany zastosowaniem prądowej pętli sprzężenia zwrotnego.

Elementy: C20, R16, PR1, R17, R18, R19, R20, C21, R21, C22, US4(C), R22, R23, R24, US4(D), R25 oraz C23 tworzą układ żyratora z mostkiem Wiena-Robinsona służący do kompensacji nadmiaru wzmocnienia w otoczeniu częstotliwości rezonansowej głośnika pracującego w obudowie zamkniętej, wynikającego z zasady działania wzmacniacza transkonduktancyjnego. Potencjometr montażowy PR1 typu helitrim umożliwia regulację tłumienia żyratora dla sygnału o częstotliwości ok. 68...70 Hz. Dobroć żyratora została dobrana w taki sposób aby stanowić lustrzane odbicie charakterystyki modułu impedancji w funkcji częstotliwości głośnika pracującego w obudowie zamkniętej. Elementy: US5(A), PR2, R27, US5(B), R38 oraz R39 realizują funkcjonalność pętli prądowego sprzężenia zwrotnego.

Rysunek 3. Dane techniczne głośnika typu SB Acoustics SB20PFCR30-4 (źródło: https://blackdotaudio.eu/)

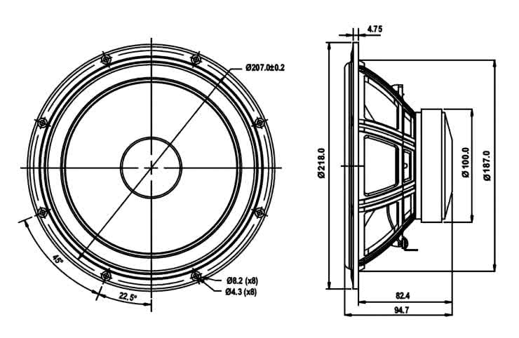
Układ współpracuje z 4-omowym głośnikiem typu SB Acoustics SB20PFCR30-4. Fragment dokumentacji z parametrami głośnika został pokazany ma rysunku 3, a jego wymiary pokazuje rysunek 4. Głośnik zabudowano w obudowie zamkniętej o objętości wewnętrznej równej ok. 27 litrów. Potencjometr montażowy PR2 typu helitrim służy do regulacji głębokości prądowego sprzężenia zwrotnego. Pętla sprzężenia zwrotnego ma zakres regulacji ustalony wartościami elementów: PR2 oraz R27 na Ku=0...10 V/V. Sygnał sprzężenia zwrotnego pobierany jest z 10-watowego opornika R39 za pośrednictwem bufora zrealizowanego na wzmacniaczu operacyjnym US5(B). Opornik R38 o mocy 10 W pełni rolę zabezpieczającą wyjście wzmacniacza mocy w przypadku, gdyby podczas pełnego wysterowania nastąpiło rozłączenie zacisków głośnika od pozostałej części układu.

Rysunek 4. Wymiary gabarytowe głośnika typu SB Acoustics SB20PFCR30-4 (źródło: https://blackdotaudio.eu/)

Pozostałe elementy układu stanowią zestaw do samodzielnego montażu typu AVT2153, który jest zmontowany na osobnym obwodzie drukowanym. Jest to katalogowa aplikacja układu scalonego typu TDA7294 z dwiema drobnymi modyfikacjami. Przede wszystkim pojemność kondensatora C25 na wejściu układu została obniżona z 470 nF na 330 nF, tworząc w ten sposób w pętli sprzężenia zwrotnego filtr subsoniczny, służący do tego, aby przesunąć próg wzbudzenia i rozszerzyć zakres regulacji głębokości pętli sprzężenia zwrotnego. Natomiast na wyjściu układu dołączona została cewka powietrzna L1, która tworzy w pętli sprzężenia zwrotnego filtr ultrasoniczny zapobiegający wzbudzaniu się układu na częstotliwości ok. 1 MHz pod wpływem współpracy wzmacniacza mocy z obciążeniem o charakterze reaktancyjnym. Cewkę tę należy wykonać we własnym zakresie nawijając ok. 7...8 zwojów drutem nawojowym emaliowanym o średnicy 1 mm na średnicy wewnętrznej równej ok. 10 mm.

Montaż i uruchomienie

Projekt obwodu PCB obejmuje sam układ zwrotnicy aktywnej i został pokazany na rysunku 5. Montaż nie jest skomplikowany i nie wymaga szczegółowego omawiania.

Rysunek 5. Obwód drukowany układu zwrotnicy aktywnej do wzmacniacza transkonduktancyjnego do subwoofera

Do precyzyjnego zestrojenia układu potrzebny jest dostęp do komory bezechowej oraz komputerowego systemu pomiarowego, jednak zgrubną regulację można wykonać przy pomocy domowego systemu pomiarowego z darmowym programem komputerowym Speaker Workshop bazującym na metodzie MLS (Maximum Length Sequence), którego opis można znaleźć w Internecie.

Pomiar najniższych częstotliwości pasma akustycznego może zostać wykonany w sposób zgrubny przy użyciu metody pomiaru w polu bliskim (tzw. pomiar typu nearfield). W tej metodzie subwoofer znajduje się w pomieszczeniu o określonej kubaturze natomiast mikrofon należy umieścić w odległości jednego centymetra od kopułki przeciwpyłowej (tzw. krążka) głośnika. Uzyskane w ten sposób wyniki pomiarów nie odbiegają w sposób znaczący od wyników pomiarów uzyskanych w warunkach pola swobodnego.

Podczas strojenia najlepiej podłączyć układ do sieci za pośrednictwem żarówki o mocy 60 W celem zabezpieczenia głośnika i wzmacniacza mocy przed uszkodzeniem na skutek wzbudzenia. Wzmocnienie należy ustawić na połowę zakresu potencjometrem P1 natomiast częstotliwość podziału na maksimum (200 Hz) potencjometrem P2. Fazę sygnału ustawiamy jako zgodną. Potencjometr montażowy PR1 typu helitrim ustawiamy na wartość 10 kΩ natomiast potencjometr montażowy PR2 typu helitrim ustawiamy na wartość bliską 0 Ω. Uruchamiamy układ i ostrożnie regulujemy potencjometrem montażowym PR2 głębokość sprzężenia zwrotnego. Przy ustawieniu tego potencjometru na ok. 90% wartości jego rezystancji układ powinien się wzbudzić (choć nie jest to konieczne i zależy od konkretnego przypadku). Wzbudzenie objawia się cyklicznym wychylaniem się membrany głośnika z częstotliwością o wartości poniżej jednego herca z rosnącą w czasie amplitudą drgań. W przypadku wystąpienia wzbudzenia cofamy natychmiast śrubę potencjometru aby zapobiec uszkodzeniu układu. Następnie mierzymy charakterystykę poziomu ciśnienia akustycznego w funkcji częstotliwości w komorze bezechowej lub w pomieszczeniu o skończonej kubaturze przy pomocy trybu nearfield. Po określeniu wartości tzw. wzmocnienia krytycznego, nastawę zapewniającą stabilność układu możemy ustalić posiłkując się metodą Zieglera-Nicholsa dla układu proporcjonalnego. Możemy także eksperymentalnie ustalić taką nastawę, przy której układ zachowuje jeszcze stabilność ale wzniesienie rezonansowe na charakterystyce poziomu ciśnienia akustycznego w funkcji częstotliwości będzie wyższe niż w przypadku nastawy ustalonej przy pomocy metody Zieglera-Nicholsa.

Po określeniu odpowiadającej nam nastawy w dalszym ciągu mierzymy charakterystykę poziomu ciśnienia akustycznego w funkcji częstotliwości, tym razem regulując tłumienie żyratora potencjometrem montażowym PR1 w taki sposób aby uzyskać charakterystykę odpowiadającą swoim kształtem pracy przy pobudzeniu napięciowym, zwracając uwagę na to, aby nie przekompensować układu. W przypadku, gdy nie mamy możliwości przeprowadzenia pomiarów, możemy w sposób bardzo zgrubny ustawić żyrator przy pomocy własnego słuchu, odtwarzając fragment audycji słowno-muzycznej i ustawiając tłumienie żyratora w taki sposób, aby sygnał o częstotliwości ok. 68...70 Hz nie zdominował reszty pasma niskich tonów.

Podsumowanie i wnioski

Na rysunkach 6 i 7 pokazano charakterystyki amplitudowo-częstotliwościowe układu żyratora, natomiast na rysunkach 8 i 9 pokazano charakterystyki modułu impedancji w funkcji częstotliwości oraz charakterystyki fazowo-częstotliwościowe głośnika typu SB Acoustics SB20PFCR30-4. Z kolei na rysunku 10 znajduje się oscylogram pokazujacy zjawisko wzbudzenia się układu na częstotliwości ok. 1 MHz, któremu zapobiega zastosowanie cewki L1 na wyjściu wzmacniacza mocy.

Rysunek 6. Charakterystyka amplitudowo-częstotliwościowa (kolor pomarańczowy) oraz fazowo-częstotliwościowa (kolor szary) układu żyratora
Rysunek 7. Charakterystyka amplitudowo-częstotliwościowa (kolor niebieski) oraz fazowo-częstotliwościowa (kolor czerwony) układu żyratora z filtrem dolnoprzepustowym
Rysunek 8. Charakterystyka modułu impedancji w funkcji częstotliwości (kolor niebieski) oraz charakterystyka fazowo-częstotliwościowa (kolor czerwony) głośnika typu SB Acoustics SB20PFCR30-4 zmierzona na wolnym powietrzu
Rysunek 9. Charakterystyka modułu impedancji w funkcji częstotliwości (kolor niebieski) oraz charakterystyka fazowo-częstotliwościowa (kolor czerwony) głośnika typu SB Acoustics SB20PFCR30-4 zmierzona w obudowie zamkniętej
Rysunek 10. Zjawisko wzbudzenia się układu na częstotliwości ok. 1 MHz, któremu zapobiega zastosowanie cewki L1 na wyjściu wzmacniacza mocy

Jak widać na rysunku 11, wzmocnienie wzmacniacza transkonduktancyjnego jest proporcjonalne do lokalnej wartości modułu impedancji w funkcji częstotliwości głośnika pracującego w obudowie zamkniętej. Interesujący nas obszar pracy subwoofera (do częstotliwości 200 Hz – pasmo przepustowe) nie wymaga stosowania w tym przypadku obwodu kompensacyjnego Zobla.

Rysunek 11. Charakterystyki poziomu ciśnienia akustycznego subwoofera ze wzmacniaczem transkonduktancyjnym w funkcji częstotliwości: kolor czarny – charakterystyka dla pobudzenia prądowego bez kompensacji, kolor czerwony – charakterystyka dla pobudzenia prądowego po kompensacji żyratorem

Z kolei sprowadzenie kształtu charakterystyki poziomu ciśnienia akustycznego w funkcji częstotliwości z powrotem do kształtu odpowiadającego pobudzeniu napięciowemu nie wymaga zastosowania pułapki rezonansowej RLC ze względu na bardzo duże wartości indukcyjności oraz pojemności jej elementów składowych. Sprawę załatwia układ aktywnego żyratora, dużo tańszy w aplikacji oraz umożliwiający regulację tłumienia. Należy jednak podkreślić, że parametry żyratora zostały dobrane do współpracy z głośnikiem SB Acoustics SB20PFCR30-4 pracującym w obudowie o objętości wewnętrznej równej ok. 27 litrów. Zastosowanie innego rodzaju głośnika w tej samej bądź innej obudowie wymaga zmiany wartości elementów składowych żyratora celem dostrojenia jego dobroci i częstotliwości rezonansowej do konkretnego przypadku.

Zaprezentowany układ można szczególnie polecić pasjonatom elektroniki i elektroakustyki pragnącym samodzielnie poznać jego właściwości. Może on także stanowić przedmiot badań wielu różnych prac dyplomowych realizowanych na uczelniach wyższych.

inż. Karl Spieweck
mgr inż. Tomasz Łysek

Wykaz elementów: Układ zwrotnicy aktywnej
Rezystory: (0,25 W, 5% o ile nie wskazano inaczej)
  • R1: 10 kΩ, 1 W
  • R2, R5: 100 Ω
  • R3, R6, R14, R16, R18, R19, R25: 10 kΩ, 1%
  • R4, R7, R30: 100 kΩ
  • R8, R9: 12 kΩ
  • R10, R11: 22 kΩ
  • R12: 220 Ω
  • R13, R26: 1 MΩ
  • R15: 4,7 kΩ, 1%
  • R17, R20: 200 Ω, 1%
  • R21, R23, R27: 1 kΩ, 1%
  • R22, R24: 240 kΩ, 1%
  • R38: 100 Ω, 10 W
  • R39: 0,15 Ω, 10 W
Kondensatory:
  • C1: 100 nF/500 V foliowy
  • C4, C9: 100 μF/50 V elektrolityczny
  • C5, C10: 100 μF/25 V elektrolityczny
  • C6, C11, C18, C22: 100 nF/25 V foliowy
  • C12, C14: 10 μF/25 V bipolarny
  • C13, C15, C20, C23: 47 pF/25 V ceramiczny
  • C16: 39 pF/25 V ceramiczny
  • C17: 47 nF/25 V foliowy
  • C19: 220 pF/25 V ceramiczny
  • C21: 220 nF/25 V foliowy
Półprzewodniki:
  • D1: P6SMBJ12CA
  • D2, D3, D4, D5: 1N4148
  • US1: LM7815
  • US2: LM7915
  • US3, US4: TL074
  • US5: TL072
Pozostałe:
  • B1: bezpiecznik 0,8 A/250 V zwłoczny
  • P1: 1×50 kΩ/B nieliniowy
  • P2: 2×50kΩ/A liniowy
  • PR1, PR2: 10 kΩ helitrim
  • L1: cewka – ok. 7...8 zwojów drutem nawojowym emaliowanym o średnicy 1 mm na średnicy wewnętrznej równej ok. 10 mm.
  • Tr1: transformator TST160/012 INDEL
  • Włącznik sieciowy dwusekcyjny 1 szt.
  • Włącznik stały jednosekcyjny 2 szt.
  • Głośnik SB20PFCR30-4 SB Acoustics
Wzmacniacz mocy – zestaw AVT2153
Rezystory: (0,25 W, 5% o ile nie wskazano inaczej)
  • R28: 3,3 kΩ
  • R29, R35, R36: 22 kΩ
  • R31: 470 kΩ
  • R32, R33: 10 kΩ, 1%
  • R34: 33 kΩ
  • R37: 680 Ω
Kondensatory:
  • C24: 470 nF/25 V foliowy
  • C25: 330 nF/25 V foliowy
  • C26, C27: 10 μF/16 V elektrolityczny
  • C28, C31: 100 nF/100 V foliowy
  • C29, C30, C32, C33: 470 μF/63 V elektrolityczny
  • C34: 22 μF/63 V elektrolityczny
  • C35: 10 μF/63 V elektrolityczny
Półprzewodniki:
  • D6, D8, D9: 1N4148
  • D7: dioda zenera 18 V
  • D10: dioda zenera 12 V
  • OT1: CNY17
  • T1, T2: BC548
  • US6: TDA7294
Pozostałe:
Wykaz elementów: Zasilacz – zestaw AVT1505/2
Rezystory:
Kondensatory:
  • C2, C3, C7, C8: 6800 μF/50 V elektrolityczny
Półprzewodniki:
  • M1: mostek prostowniczy 20 A/200 V
Pozostałe:
  • B2, B3: bezpiecznik 4,0 A/250 V zwłoczny
Artykuł ukazał się w
Elektronika Praktyczna
lipiec 2023
DO POBRANIA
Materiały dodatkowe
Elektronika Praktyczna Plus lipiec - grudzień 2012

Elektronika Praktyczna Plus

Monograficzne wydania specjalne

Elektronik listopad 2025

Elektronik

Magazyn elektroniki profesjonalnej

Raspberry Pi 2015

Raspberry Pi

Wykorzystaj wszystkie możliwości wyjątkowego minikomputera

Świat Radio listopad - grudzień 2025

Świat Radio

Magazyn krótkofalowców i amatorów CB

Automatyka, Podzespoły, Aplikacje listopad - grudzień 2025

Automatyka, Podzespoły, Aplikacje

Technika i rynek systemów automatyki

Elektronika Praktyczna listopad 2025

Elektronika Praktyczna

Międzynarodowy magazyn elektroników konstruktorów

Elektronika dla Wszystkich grudzień 2025

Elektronika dla Wszystkich

Interesująca elektronika dla pasjonatów