Zasilacz warsztatowy (1)

Zasilacz warsztatowy (1)

Nikogo nie trzeba przekonywać, jak istotne jest wyposażenie pracowni elektronika. Bez dobrych przyrządów jakakolwiek praca może być bardzo utrudniona lub wręcz niemożliwa do wykonania. Jednym z fundamentalnych urządzeń jest zasilacz z regulacją napięcia, z ograniczeniem prądu wyjściowego oraz z zabezpieczeniami. Opisany niżej projekt z powodzeniem spełnia te założenia.

Podstawowe parametry:
  • płynnie regulowany zasilacz napięcia stałego w zakresie 0…28 V,
  • płynnie regulowana wydajność prądowa 0…3 A,
  • podgląd ustawionej granicy zadziałania ograniczenia prądowego na wyświetlaczu LCD,
  • wyświetlanie aktualnej wartości napięcia wyjściowego i pobieranego z wyjścia prądu na wyświetlaczu LCD,
  • wskazywanie trybu pracy (stałe napięcie/stały prąd) na wyświetlaczu LCD oraz diodzie LED,
  • automatyczne załączanie wentylatora schładzającego radiator,
  • odłączanie napięcia wyjściowego po wykryciu przegrzania tranzystorów mocy,
  • zasilanie napięciem 230 V.

Zasilacz warsztatowy z prawdziwego zdarzenia powinien mieć liniowy stabilizator napięcia wyjściowego, co umożliwia dostarczenie do zacisków wyjściowych napięcia stałego pozbawionego zakłóceń w najbardziej możliwym stopniu. Musi mieć wbudowane ograniczenie pobieranego z wyjścia prądu, aby uruchamiane prototypy uchronić przed całkowitym zniszczeniem w przypadku krytycznych błędów projektu lub montażu. Ogranicznik musi być regulowany płynnie w szerokim zakresie, a jeszcze lepiej, gdyby dało się oszacować, jaki prąd został ustawiony. W XXI wieku wszystkie te wartości powinny być widoczne na czytelnym, cyfrowym wyświetlaczu. Ponadto taki zasilacz musi umieć obronić się sam, ponieważ jego wyjście może być przeciążane lub nawet zwierane. Dlatego wskazany jest duży radiator do chłodzenia tranzystorów mocy wraz z wentylatorem poprawiającym obieg powietrza. Bezustanny szum wentylatora może być jednak irytujący, dlatego powinien załączać się tylko wtedy, kiedy jest to naprawdę konieczne. A kiedy zasilaczowi grozi spalenie tranzystorów mocy, powinien przechodzić do stanu wyłączenia i schładzać radiator, informując o wszystkim użytkownika. Zestawiając wszystkie opisane powinności, ukazuje się sprzęt o bardzo dobrych parametrach technicznych, użyteczny i niemożliwy (a w każdym razie niełatwy) do uszkodzenia podczas eksploatacji. Tym wymaganiom może sprostać zaprezentowany projekt, który – w porównaniu z popularnymi urządzeniami produkcji dalekowschodniej – ma jedną, użyteczną cechę: wskazuje aktualną wartość progu zadziałania ograniczenia prądowego.

Budowa i działanie

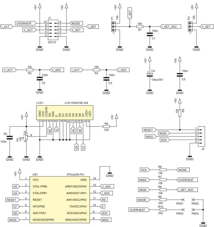
Omawiany układ zasilacza został zbudowany na dwóch płytkach drukowanych, dlatego ich schematy zostaną omówione oddzielnie. Schemat ideowy płytki przedniej, zawierającej wyświetlacz LCD i potencjometry regulacyjne, znajduje się na rysunku 1. Najistotniejszym elementem na tej płytce jest mikrokontroler typu ATtiny24A, którego zadaniem jest pomiar odpowiednich napięć i obsługa wyświetlacza. Nie realizuje on zadań krytycznych czasowo, zatem jego rdzeń jest taktowany wbudowanym oscylatorem RC o częstotliwości około 8 MHz. Rezystor R5 podciąga wyprowadzenie zerujące mikrokontroler do potencjału linii zasilającej, wspomagając tym rezystor wbudowany w ATtiny24A. Za pośrednictwem złącza J2 można programować zarówno pamięć Flash tego układu, jak i konfigurować jego bity zabezpieczające.

Rysunek 1. Schemat ideowy płytki przedniej zasilacza warsztatowego

Napięciem referencyjnym dla wbudowanego w mikrokontroler przetwornika analogowo-cyfrowego jest napięcie zasilające tę płytkę, które wynosi 5 V – jest ono stabilizowane w innym miejscu układu. Człony filtrujące RC, składające się z rezystorów 10 kΩ i kondensatorów 100 nF, zmniejszają wartość skuteczną szumów na wejściu przetwornika, poprawiając stabilność wskazań.

Płytka dolna przesyła do przedniej informację o trybie pracy stabilizatora (stałe napięcie/stały prąd) oraz o przegrzaniu, za pomocą linii o nazwach, odpowiednio, MODE i OVERHEAT. Ich stan jest sygnalizowany diodami LED, które są przylutowane do pól PAD1…PAD4.

Aby ta sama informacja mogła znaleźć się również na wyświetlaczu, stan logiczny tych linii jest odczytywany przez mikrokontroler za pośrednictwem rezystorów R6 i R7. Ich zadaniem jest ograniczenie prądu przepływającego przez diody zabezpieczające wejście mikrokontrolera, jeżeli wzrośnie wskutek podniesienia potencjałów powyżej potencjału linii zasilającej.

Wskazania i inne parametry są wyświetlane na bieżąco na alfanumerycznym wyświetlaczu LCD o organizacji 2×8 znaków. Jego wbudowany sterownik jest zgodny z HD44780, więc do sterowania wystarczy sześć wyprowadzeń mikrokontrolera i ogólnodostępne biblioteki.

Jego kontrast jest regulowany za pomocą potencjometru P3, zaś prąd diody podświetlającej jest ograniczany przez rezystor R4.

Użytkownik ma do dyspozycji potencjometry P1 i P2. Pierwszy ustala próg zadziałania ograniczenia prądowego (linia I_SET), zaś drugi żądane napięcie wyjściowe (linia V_SET). Ta druga wartość jest przekazywana wprost do obwodów na płytce dolnej, mikrokontroler nie mierzy jej, ponieważ na wyświetlaczu jest pokazywana wyłącznie wartość aktualna, panująca na zaciskach wyjściowych (linia V_ACT). Z kolei natężenie prądu jest wskazywane zarówno w postaci aktualnie płynącego przez zaciski wyjściowe (linia I_ACT), jak i zadanego maksimum (I_SET).

Połączenie z płytką dolną odbywa się za pomocą jednej taśmy liczącej dziesięć żył, którą wtyka się w gniazdo J1. Nie ma żadnego innego połączenia, więc nie trzeba mozolnie lutować wielu przewodów – wystarczy włożyć jedną wtyczkę na swoje miejsce. Co jeszcze jest warte zauważenia to fakt, że mikrokontroler pełni tutaj funkcję jedynie biernego obserwatora, który mierzy odpowiednie potencjały i steruje wyświetlaczem. Za całe sterowanie jest odpowiedzialna elektronika analogowa zawarta na płytce dolnej, więc może ono odbywać się szybko i bez ryzyka zawieszenia.

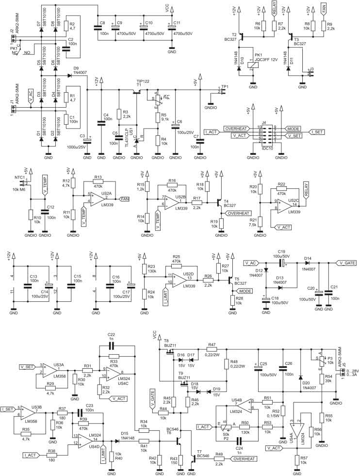
Schemat ideowy płytki dolnej jest zdecydowanie bardziej rozbudowany, a w pełnej okazałości można go zobaczyć na rysunku 2. Ponieważ jest bardzo złożony, zostanie omówiony w częściach, z podziałem na bloki funkcjonalne.

Rysunek 2. Schemat ideowy płytki dolnej zasilacza warsztatowego

Prostownik, filtr i stabilizator napięcia odniesienia

Uzwojenia transformatora zasilającego podłącza się do zacisków złączy J1 i J2. Zaraz, czemu dwa uzwojenia, a nie tylko jedno? Zadaniem tego układu nie jest bezsensowna produkcja znacznych ilości ciepła, dlatego drugie uzwojenie jest załączane tylko wtedy, kiedy aktualna wartość napięcia wyjściowego przekracza zadany próg – wynosi on około 11 V. Poniżej tej wartości styki przekaźnika PK1 są rozwarte, więc całość jest zasilana z uzwojenia dołączonego do zacisków złącza J1.

Diody D1…D4 tworzą typowy mostek Graetza, który prostuje prąd wypływający z tego uzwojenia. Użycie w tym miejscu diod Schottky’ego w obudowach TO220 zapewnia tak niski spadek napięcia na nich, że nawet przy pełnym obciążeniu zasilacza nie jest wymagane dodatkowe ich chłodzenie. Dioda D9 pobiera część tego prądu i przekazuje dalej, do zasilania pozostałych obwodów zasilacza, o czym dalej. Obwody RC składające się z elementów R1 i C1 oraz R2 i C2 tworzą proste filtry dla zakłóceń sieciowych, które chciałyby przedostawać się do układu przez transformator zasilający.

Diody D5…D8 tworzą analogiczny mostek dla drugiego uzwojenia, lecz przy rozwartych stykach przekaźnika PK1 stanowią one przejście dla prądu wyprostowanego przez mostek D1…D4. Jeżeli PK1 załączy się, napięcie wygenerowane przez drugie uzwojenie ulegnie zsumowaniu z tym, które daje pierwsze. Zatem napięcie na kondensatorach filtrujących C8…C11, o łącznej pojemności ponad 14000 μF, wzrośnie dwukrotnie. Przy rozłączonych stykach PK1 diody D5…D8 wprowadzają pewną stratę napięcia (około 0,8 V), lecz jest to mniejsze zło w porównaniu z wytracaniem wielu watów mocy cieplnej w powietrze przy zasilaniu układu prototypowego niskim napięciem, który pobiera prąd o znacznym natężeniu.

Do zasilania wyświetlacza, wentylatora, przekaźnika i innych układów pomocniczych nie został użyty oddzielny transformator, lecz ten sam, rozdzielone zostały jedynie drogi prądów. Dioda D9 doładowuje kondensator C3 wyprostowanym dwupołówkowo prądem pochodzącym z mostka D1…D4. Jednocześnie stabilizator główny zasilacza nie pobiera prądu z C3, więc pojemność tego kondensatora może nie być duża. Niestabilizowane napięcie o wartości około 12 V (w praktyce wyższej – 16…20 V) jest wykorzystywane do zasilania wentylatora chłodzącego radiator, cewki przekaźnika PK1 oraz wzmacniaczy operacyjnych i komparatorów.

Z tego samego napięcia jest również zasilany stabilizator napięcia 5 V, które jest napięciem odniesienia dla całego zasilacza. Za stabilizację odpowiada układ US1 typu TL431, który zachowuje się jak regulowana dioda Zenera. Rezystor R3 polaryzuje katodę tego układu prądem o natężeniu kilku miliamperów. Kondensator C5 zmniejsza wartość skuteczną napięcia szumów na jego zaciskach oraz zapobiega jego wzbudzeniu. Tranzystor T1 pełni funkcję wtórnika napięciowego, a ponieważ jest to zintegrowany układ Darlingtona, jego baza pobiera znikomo mały prąd z katody US1. Rezystory R4 i R5 wraz z potencjometrem P1 umożliwiają ustawienie napięcia o wartości dokładnie 5 V, którą to wartość można skontrolować poprzez dołączenie woltomierza do złącza testowego TP1.

Sterowanie przekaźnikiem i wentylatorem

Układ mierzy temperaturę radiatora chłodzącego tranzystory mocy za pomocą termistora NTC1. Ten standardowy element z oferty AVT ma nominalną rezystancję 10 kΩ, która maleje do około 4,7 kΩ w temperaturze około 50°C oraz do około 1,2 kΩ w temperaturze około 80°C. Termistor ten został włączony do układu jako dzielnik napięcia 5 V, współpracując z rezystorem R10. Kondensator C12 filtruje uzyskane napięcie: im wyższe, tym wyższa jest temperatura.

Komparatory US2A i US2B porównują to napięcie z własnymi napięciami referencyjnymi, które ustalają dzielniki R11+R12 i R14+R15. Użycie w nich rezystorów o tych samych wartościach, które osiąga termistor w zadanych temperaturach, gwarantuje przełączenie się wyjścia komparatora właśnie w pobliżu tejże temperatury. Rozrzut rzędu kilku stopni Celsjusza nie będzie nikomu w tym zastosowaniu przeszkadzał, toteż nie użyto elementów precyzyjnych.

Komparator US2A jest odpowiedzialny za załączanie wentylatora, kiedy radiator nagrzeje się do temperatury około 50°C. Wyjście typu „otwarty kolektor” tego komparatora przyjmuje wtedy stan niski, co powoduje załączenie oraz nasycenie tranzystora T3. Niewielki wentylator jest dołączany do zacisków złącza J3. Rezystor R13 wprowadza histerezę, zapobiegając zbyt częstemu przełączaniu się tranzystora.

Jeżeli chłodzenie okazałoby się niewystarczające, może dojść do przegrzania. Jego umowna granica została określona na około 80°C, co monitoruje komparator US2B. Jeżeli doszłoby do przegrzania, stan niski na wyjściu US2B wprowadza w nasycenie tranzystor T4, przez co pozostałe obwody uzyskują informację w postaci napięcia o wartości zbliżonej do 5 V. Brak przegrzania to potencjał linii OVERHEAT równy 0 V, o co dba rezystor R19.

Przekaźnik PK1, który załącza drugie uzwojenie transformatora zasilającego, jest sterowany przez komparator US2C. Jako wartość progowa jest brane około 43% napięcia referencyjnego (R21/(R21+R20)) układu, które wynosi 5 V. Jak w poprzednich miejscach, tak i ten komparator jest objęty słabym dodatnim sprzężeniem zwrotnym, aby przekaźnik przełączał się w sposób zdecydowany, bez wielokrotnego iskrzenia stykami, kiedy napięcie wyjściowe ustali się około progu przełączenia. Tranzystor T2 jest tutaj elementem wykonawczym, sterującym cewką PK1. Takie rozwiązanie działa w pełni automatycznie, odłączając dodatkowe uzwojenie po wykryciu przegrzania lub zwarcia zacisków wyjściowych.

Zasilanie układów analogowych i bramek tranzystorów mocy

Napięcie zasilające układy analogowe (komparator US2 i wzmacniacze operacyjne US2 i US3) jest filtrowane przez zlokalizowane blisko kondensatory MKT i, w przypadku wzmacniaczy operacyjnych, również elektrolityczne. Zmniejsza to ryzyko wzbudzenia się układu poprzez tętnienia prądu przenikające między tymi elementami, jak również eliminuje część tętnień napięcia zasilającego, pochodzącego z dwupołówkowego prostowania.

Jako tranzystory wykonawcze zostały wybrane tranzystory typu MOSFET z kanałem typu N, które pracują jako wtórniki źródłowe. Do prawidłowej pracy wymagają potencjału bramek wyższego niż potencjał źródła, który jest w tym układzie tożsamy z napięciem wyjściowym. Do uzyskania tak wysokiego napięcia (około 40 V) został użyty diodowo-kondensatorowy potrajacz napięcia, zasilany z uzwojenia transformatora zasilającego. Maksymalne napięcie wyjściowe zasilacza wynosi 28 V, więc w skrajnym przypadku między bramką a źródłem można uzyskać napięcie rzędu 12 V, co jest wartością wystarczającą do pełnego otwarcia tranzystorów typu BUZ11.

Przetestowano w tej roli również przetwornicę podwyższającą na układzie MC34063A, ale generowała ona niemożliwe do odfiltrowania zakłócenia, które przenikały do napięcia wyjściowego. Potrajacz nie wytwarza jakichkolwiek zakłóceń w czasie pracy, do tego jest tani i  prosty w działaniu – a przez to niezawodny.

Stabilizator z ogranicznikiem prądu

Wzmacniacz operacyjny US3, typu LM358, pełni funkcję wtórnika napięciowego dla potencjałów ustawionych przez użytkownika potencjometrami P1 i P2 na płytce przedniej. Rezystory R29 i R35 kompensują (częściowo) wpływ wejściowych prądów polaryzujących wejścia tego wzmacniacza operacyjnego, zaś rezystory R30 i R36 linearyzują pracę ich stopni wyśjciowych. Przy okazji ułatwiają uzyskanie wyjściowego potencjału równego 0 V.

Wzmacniacz operacyjny US4C jest odpowiedzialny za stabilizację napięcia wyjściowego, pełni funkcję prawdziwego wzmacniacza błędu: porównuje napięcie zadane przez użytkownika (linia V_SET) z tym, które aktualnie panuje na wyjściu (linia V_ACT). Jego wzmocnienie ograniczają rezystory R31 i R33, zaś pasmo zawęża kondensator C22, zapobiegając wzbudzeniu się całego układu. Rezystor R32 ma rezystancję zbliżoną do wypadkowej równoległego połączenia R31 i R33, co eliminuje dodatkowe napięcie niezrównoważenia, które mogłoby być wywołane różnymi rezystancjami „widzianymi” przez wejścia układu US4C.

W podobnej konfiguracji pracuje US4D, który ogranicza prąd wyjściowy. Jeżeli wartość progowa (napięcie na linii I_SET) jest wyższa od aktualnej (napięcie na linii I_ACT), potencjał wyjścia tego wzmacniacza operacyjnego staje się niski, w czym pomaga mu rezystor R40. Jeżeli wartość ta zostałaby przekroczona, to dioda D15 otworzy się, ponieważ potencjał wyjścia US4D stanie się na tyle wysoki aby ograniczyć prąd do zadanej wartości.

Opisane wyżej wzmacniacze operacyjne sterują tranzystorem T6, który z kolei reguluje potencjał bramek tranzystorów mocy. W czasie normalnej pracy (tryb stałego napięcia) dioda D15 jest zatkana i na prąd kolektora tranzystora T6, ma wpływ potencjał wyjścia wzmacniacza operacyjnego US4C. Jednak to US4D ma tutaj rolę nadrzędną, ponieważ „dolewając” prądu do węzła zawierającego bazę T6 skutecznie obniża napięcie wyjściowe. Wtedy wzmacniacz błędu (US4C) nie może zrobić zbyt wiele. Rezystor R43 zmniejsza wzmocnienie tranzystora T6, ponieważ mogłoby dojść do wzbudzenia się całego układu.

Jest jeszcze jeden element, który może modyfikować napięcie wyjściowe. To tranzystor T7, załączany po wykryciu przegrzania. Jego nasycenie powoduje natychmiastowy spadek napięcia wyjściowego do zera, czyli – w praktyce – wyłączenie wyjścia zasilacza.

Rozwiązanie proste, szybkie i skuteczne. Po ostudzeniu radiatora tranzystor ten zatyka się i układ wraca do normalnej pracy.

Sterowanie tranzystorami mocy odbywa się przez obniżanie potencjału ich bramek poprzez regulację prądu płynącego przez R44. Ale nie wolno przy tym zapominać o potencjalnym wzbudzeniu się układu, jak i rozrzutach między tranzystorami. Na tę pierwszą okoliczność zostały dodane rezystory R45 i R46, zaś na tę drugą R47 i R48. Pierwsza para tworzy filtr dolnoprzepustowy z pojemnościami wejściowymi tranzystorów MOSFET, zaś druga wyrównuje spadki napięć na nich spowodowane niejednakowymi charakterystykami przejściowymi. Rezystory o niewielkiej rezystancji, włączone w szereg z wyjściami wtórników, spotyka się najczęściej przy tranzystorach bipolarnych, lecz i tutaj warto zadbać o ten, pozornie drobny, szczegół.

Potencjał wyjścia układu może ulegać silnym i szybkim zmianom, na przykład podczas zwarcia. Napięcie bramka-źródło tranzystorów T8 i T9 mogłoby wzrosnąć powyżej dopuszczalnej wartości 20 V, co doprowadziłoby do przebicia dielektryka podbramkowego.

Zapobiegają temu diody Zenera D16 i D17 oraz D18 i D19, którym to parom diod pozwalają swobodnie otwierać się wspomniane już rezystory R45 i R46, niezależnie od siebie.

Pomiar prądu i napięcia

Uważni Czytelnicy mogli zauważyć, że na schemacie płytki dolnej zastosowałem dwa symbole oznaczające masę. Nie jest to błąd ani nieostrożność, taka była konieczność. Pomiar natężenia pobieranego przez obciążenie prądu jest prowadzony poprzez pomiar spadku napięcia na rezystorze R52 – on stanowi pomost między dwoma obwodami masy. Wzmacniacz US4B mnoży to napięcie, mając przy tym ograniczone pasmo, w ten sposób, że przy przepływie prądu o natężeniu 3 A, na jego wyjściu (linia I_ACT) powinno wystąpić napięcie 5 V względem masy GNDIO. Masa GND ma potencjał niższy od masy GNDIO właśnie o spadek na R52, który wynosi nie więcej niż 0,3 V. Dlatego zasilanie wzmacniaczy operacyjnych jest dołączone właśnie do masy GND, ponieważ daje im to lepsze warunki pracy.

Pomiar napięcia wyjściowego został zrealizowany z użyciem dzielnika napięciowego, który przy pełnych 28 V na wyjściu zasilacza, do obwodów dostarcza... tak, 5 V. To bardzo ułatwiło konstrukcję wzmacniacza błędu oraz pomiar napięcia wyjściowego, ponieważ napięcie referencyjne dla całego zasilacza wynosi właśnie 5 V.

Detekcja trybu pracy i komunikacja

W jaki sposób układ wykrywa, że przeszedł w tryb pracy źródła prądowego (CC) ze źródła napięciowego (CV)? Aby do tego doszło, potencjał wyjścia wzmacniacza operacyjnego US4D musi wynosić 1,4 V lub więcej – jego zadaniem jest otwarcie diody D15 oraz złącza baza-emiter tranzystora T6. Wystarczy do tego zwykły komparator, a dokładnie US2D. Wykrywa on wzrost tego potencjału powyżej około 0,36 V i załącza tranzystor T5. Użytkownik dostaje elegancką informację na panelu czołowym zasilacza, że jego zasilacz właśnie zaczął ograniczać prąd.

Komunikacja z płytką przednią odbywa się się poprzez złącze J4. Jest nią przesyłane zasilanie 5 V, będące jednocześnie napięciem referencyjnym. Z płytki przedniej do dolnej trafiają nastawy zadane przez użytkownika, czyli napięcia stałe reprezentujące żądany prąd (linia I_SET) oraz napięcie (linia V_SET). Z kolei do płytki przedniej, na potrzeby pomiaru i wyświetlania, prowadzą linie I_ACT i V_ACT, reprezentujące bieżące wartości, odpowiednio, pobieranego z wyjścia prądu i panującego między zaciskami napięcia. Oprócz nich, na płytkę przednią trafiają dwie informacje mające charakter zero-jedynkowy: przegrzanie radiatora oraz tryb pracy.

Montaż i uruchomienie

Na zakończenie pierwszej części artykułu zaprezentuję wygląd wnętrza zmontowanego zasilacza – fotografia 1.

Fotografia 1. Wygląd wnętrza zmontowanego zasilacza

Dokładny opis montażu oraz uruchomienia dostępny będzie już za miesiąc, w kolejnym wydaniu „Elektroniki Praktycznej”.

Michał Kurzela, EP

Wykaz elementów: Płytka przednia
Rezystory: (THT o mocy 0,25 W)
  • R1…R3, R5…R8: 10 kΩ
  • R4, R9, R10: 330 Ω
  • P1, P2: 10 kΩ jednoobrotowy do ścianki
  • P3: 10 kΩ montażowy leżący
Kondensatory:
  • C1…C3, C5, C6: 100 nF raster 5 mm MKT
  • C4: 100 μF 25 V raster 2,5 mm
Półprzewodniki:
  • LCD1: 2×8, zgodny z HD44780 np. LCD2X8 03
  • US1: ATtiny24A-PU (DIP14)
Pozostałe:
  • J1: ICD10 męskie THT proste 2×5 2,54 mm
  • J2: goldpin 5 pin męski 2,54 mm THT
  • Jedna podstawka DIP14
  • Dwie diody LED 5 mm czerwone np. LED F5 R
  • Złącze męskie i żeńskie goldpin 2×7 pin 2,54 mm
  • Dwa złącza męskie i żeńskie goldpin 1 pin 2,54 mm
  • Cztery tuleje dystansowe, gwint wewnętrzny M3 12 mm, poliamid HP-12A
  • Osiem śrub M3 6 mm
Płytka dolna
Rezystory: (THT o mocy 0,25 W, jeżeli nie napisano inaczej)
  • R1, R2: 4,7 Ω
  • R3, R7, R9, R17, R26, R31, R32, R45, R46, R49: 2,2 kΩ
  • R4, R6, R8, R10, R11, R14, R18…R20, R24, R27, R28, R30, R34, R36, R40…R42, R44, R51, R53, R55…R57: 10 kΩ
  • R5: 9,1 kΩ
  • R12, R29, R35: 4,7 kΩ
  • R13, R16, R22, R25, R33, R39: 470 kΩ
  • R15: 1,2 kΩ
  • R21: 7,5 kΩ
  • R23, R50: 130 kΩ
  • R37, R38: 180 Ω
  • R43: 150 Ω
  • R47, R48: 0,22 Ω 2 W
  • R52: 0,1 Ω 5 W
  • R54: 39 kΩ
  • P1: 2 kΩ montażowy pionowy 3296W
  • P2: 50 kΩ montażowy pionowy 3296W
  • P3: 10 kΩ montażowy pionowy 3296W
Kondensatory:
  • C1, C2, C4, C5, C7, C8, C12, C13, C15, C16, C21, C23, C26: 100 nF raster 5 mm MKT
  • C3: 1000 μF 25 V raster 5 mm
  • C6, C14, C17: 100 μF 25 V raster 2,5 mm
  • C9…C11: 4700 μF 50 V raster 10 mm (opis w tekście)
  • C18…C20, C25: 100 μF 50 V raster 3,5 mm
  • C22, C24: 1 nF raster 5 mm MKT
Półprzewodniki:
  • D1…D8: SBT10100 (TO220)
  • D9, D12…D14, D20: 1N4007 (THT)
  • D10, D11, D15: 1N4148 (THT)
  • D16…D19: Zenera 15 V 0,4 W (THT)
  • T1: TIP122 (TO220) lub odpowiednik
  • T2…T5: BC327
  • T6, T7: BC546
  • T8, T9: BUZ11
  • US1: TL431CLP (TO92)
  • US2: LM339 (DIP14)
  • US3: LM358 (DIP8)
  • US4: LM324 (DIP14)
Pozostałe:
  • J1, J2, J5: ARK2/500
  • J3, TP1: goldpin 2 pin męski 2,54 mm THT
  • J4: ICD10 męskie THT proste 2×5 2,54 mm
  • NTC1: 10 kΩ M6 (opis w tekście)
  • PK1: JQC3FF 12 V SPST-NO
  • Jedna podstawka DIP8
  • Dwie podstawki DIP14
  • Radiator RAD DY-Q 66MM
  • Trzy śruby M3 6 mm
  • Trzy nakrętki M3
  • Jedna podkładka M3 9 mm
  • Pasta termoprzewodząca
  • Obudowa
  • Obudowa uniwersalna Z17W
  • Wentylator 60×60 12 V RDH6025S
  • Osłona wentylatora 60×60 FG-06
  • Transformator toroidalny TST100 14V-14V z mocowaniem
  • Gniazdo IEC z bezpiecznikiem przykręcane GN ZAS.6200
  • Gniazdo laboratoryjne czarne i czerwone GN LABORAT0-M i GN LABORAT1-M
  • Przełącznik dźwigniowy KN3-1
  • Bezpiecznik 1,6 A zwłoczny
  • Gałki GAŁ 6K NIEBIESKA N-4 i GAŁ 6K CZERWONA N-4
  • Cztery tuleje dystansowe 25 mm poliamid HP-25 (do przykręcenia dolnej płytki)
  • Cztery tuleje dystansowe 15 mm poliamid HP-15 (do przykręcenia przedniej płytki)
  • Szesnaście śrub M3 6 mm (do przykręcenia dolnej i przedniej płytki)
  • Cztery śruby M3 10 mm (do przykręcenia radiatora i gniazda IEC)
  • Cztery śruby M3 35 mm (do przykręcenia wentylatora oraz osłony)
  • Cztery nakrętki M3 (do przykręcenia wentylatora)
  • Dziesięć podkładek M3 9 mm (do przykręcenia wentylatora, radiatora i płytki dolnej)
  • Śruba M5 50 mm z nakrętką i dwiema podkładkami (do przykręcenia transformatora)
  • Taśma IDC10 z zaciśniętymi złączami żeńskimi 2×5 2,54 mm o długości 15 cm
Artykuł ukazał się w
Elektronika Praktyczna
grudzień 2022
DO POBRANIA
Materiały dodatkowe
Elektronika Praktyczna Plus lipiec - grudzień 2012

Elektronika Praktyczna Plus

Monograficzne wydania specjalne

Elektronik listopad 2025

Elektronik

Magazyn elektroniki profesjonalnej

Raspberry Pi 2015

Raspberry Pi

Wykorzystaj wszystkie możliwości wyjątkowego minikomputera

Świat Radio listopad - grudzień 2025

Świat Radio

Magazyn krótkofalowców i amatorów CB

Automatyka, Podzespoły, Aplikacje listopad - grudzień 2025

Automatyka, Podzespoły, Aplikacje

Technika i rynek systemów automatyki

Elektronika Praktyczna listopad 2025

Elektronika Praktyczna

Międzynarodowy magazyn elektroników konstruktorów

Elektronika dla Wszystkich grudzień 2025

Elektronika dla Wszystkich

Interesująca elektronika dla pasjonatów