SCL - zaawansowany sterownik oświetlenia schodowego (1)

SCL - zaawansowany sterownik oświetlenia schodowego (1)

Sterownik schodowy steruje niezależnie podświetleniem każdego stopnia schodów. Zastosowano w nim sześć driverów typu TPS929120, co pozwala sterować maksymalnie dwudziestoma czterema stopniami. Urządzenie steruje diodami RGB, dzięki czemu daje możliwość zmiany koloru podświetlenia stopni schodów. Taka rozbudowana konstrukcja w połączeniu z aplikacją dla systemu Android daje możliwość kreowania animacji w momencie załączania oświetlenia oraz jego wyłączania.

Podstawowe parametry:
  • steruje niezależnie podświetleniem każdego stopnia schodów,
  • steruje diodami RGB i daje możliwość zmiany koloru podświetlenia stopni schodów,
  • umożliwia dołączenie aż 24 modułów LED RGB,
  • dodatkowe wyjścia do podświetlenia poręczy schodowej,
  • konfigurowanie i sterowanie wykonywane jest poprzez aplikację dla systemu Android.

Oświetleniem stopni schodów steruje mikrokontroler poprzez wspomniane drivery typu TPS929120. Sygnały umożliwiające załączenie lub wyłączenie oświetlenia schodowego doprowadzane są do dwóch wejść IN1 oraz IN2, do których możemy podłączyć napięcie w zakresie 12...230 V AC/DC. Interesującą cechą zastosowanych driverów jest możliwość pracy w momencie uszkodzenia mikrokontrolera – tryb Stand Alone. Postanowiłem przystosować urządzenie do takiego trybu pracy i zaprojektowałem obwód w taki sposób, aby w momencie uszkodzenia mikrokontrolera sterownik działał dalej. Jedyną różnicą będzie to, że diody LED będą świeciły w jednym kolorze.

W sterowniku zastosowałem także trzy drivery LED typu TPS92630, które kontrolują podświetlenie poręczy schodowej. Do wyjść tych driverów należy podłączyć po dwie diody power LED połączone szeregowo. Sterowniki TPS92630 mają możliwość sterowania za pomocą sygnału PWM, dzięki czemu mogą być sterowane w łatwy sposób z mikrokontrolera i można uzyskać animację stopniowego rozświetlania lub ściemniania poręczy. Pomimo że drivery TPS92630 nie są tak rozbudowane jak drivery zastosowane do podświetlenia schodów, mają one zaimplementowaną diagnostykę wykrywającą zwarcie pojedynczej diody LED (Short LED diagnostic) oraz przerwę w obwodzie diod LED (Open Load diagnostic).

Sterownik należy zasilać napięciem 12...24 V DC/AC. Zaleca się zasilanie drivera z napięcia stałego. Aby ograniczyć straty mocy wydzielane w driverach, każdy z nich mierzy napięcie na diodach LED a następnie przesyła dane do mikrokontrolera. Mikrokontroler reguluje napięcie przetwornicy zasilającej drivery w taki sposób aby zapewnić napięcie tylko nieco wyższe od wymaganego – wyższe o spadek napięcia powstający na driverze (około 0,9 V).

W sterowniku zastosowałem moduł Bluetooth typu HC-05 oraz opracowałem aplikację na telefon z systemem Android, która pozwala na kontrolowanie pracy sterownika. Umożliwia regulację mocy i ustawienie koloru podświetlenia, pozwala załączać lub wyłączać podświetlenie, zmieniać ustawienia animacji i liczbę stopni schodów. Za pomocą aplikacji można wykonać diagnostykę wszystkich wyjść driverów i sprawdzić, czy wszystkie wyjścia oraz diody LED są sprawne.

Budowa i działanie

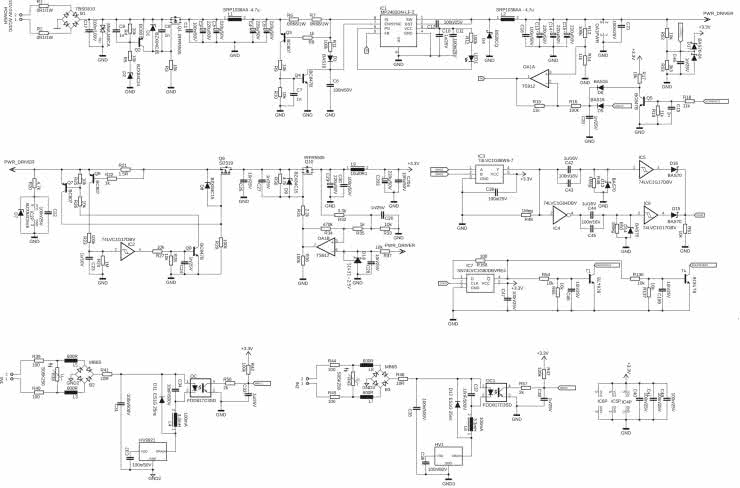
Na rysunkach 1, 2, 3 i 4 znajduje się schemat urządzenia. Do wejścia POWER należy podłączyć zasilanie sterownika. Za złączem znajdują się dwa rezystory R1, R2, o nieco większej mocy, które mają za zadanie zabezpieczyć układ w momencie wystąpienia zwarcia.

Rysunek 1. Schemat elektryczny, blok zasilania i obwody wejść
Rysunek 2. Schemat elektryczny, blok sterowania z mikrokontrolerem oraz 3 tory sterowania oświetleniem poręczy
Rysunek 3. Schemat elektryczny, pierwsze 12 wyjść oświetlenia stopni schodów
Rysunek 4. Schemat elektryczny, drugie 12 wyjść oświetlenia stopni schodów

Mostek prostowniczy B1 prostuje napięcie w przypadku zasilania napięciem przemiennym, a w przypadku napięcia stałego zwalnia z obowiązku zapewnienia właściwej polaryzacji. Transil TR1 zabezpiecza układ przed ewentualnymi przepięciami, jego napięcie znamionowe wynosi 40 V.

Tranzystor MOSFET Q1 wraz z tranzystorem Q2 oraz diodą Zenera D2 o napięciu 24 V tworzą układ, który ma za zadanie odłączyć napięcie od przetwornicy IC1 w momencie, gdy jego wartość będzie przekraczała ok. 24 V. Zabezpieczenie przetwornicy IC1 jest konieczne, ponieważ ma maksymalną wartość napięcia wejściowego równą 30 V. Kondensatory C1, C2, C3, C4, C5 wraz z dławikiem L1 tworzą filtr Pi, który filtruje napięcie doprowadzone do przetwornicy.

Układ utworzony przez tranzystory Q3, Q4, rezystory R6, R7, R8, R9, R10 oraz kondensatory C7, C6 jest układem zabezpieczenia przed zwarciem po stronie wtórnej przetwornicy. W momencie wystąpienia zwarcia po stronie wtórnej, przetwornica zaczyna pobierać zbyt duży prąd pierwotny, aby nie uległa zniszczeniu układ powoduje zwarcie do masy nóżki EN/SYNC co jest równoznaczne z wyłączeniem przetwornicy. Jako, że w momencie wyłączenia przetwornicy układ przestaje zwierać wejście EN/SYNC do masy, więc aby opóźnić ponowne załączenie przetwornicy zastosowano układ R11, C6. Dioda D3 zabezpiecza przed odpływem ładunku z kondensatora C6 przez rezystor R11 w momencie dużych impulsów poboru prądu z przetwornicy.

Przetwornica IC1 typu MP2482 tworzy typowy układ obniżający napięcie wraz z diodą Schottky’ego D4, dławikiem L2 oraz kondensatorami C13, C14, C15, C16. Rezystory R13, R14 ustanawiają dzielnik napięcia dla pętli sprzężenia zwrotnego FB. Wartość napięcia z dzielnika jest podawana na wzmacniacz różnicowy OA1A (wejście nieodwracające), natomiast napięcie DAC z mikrokontrolera jest podawane na wejście odwracające tego wzmacniacza, dzięki czemu za pomocą mikrokontrolera jest możliwość sterowania napięciem wyjściowym przetwornicy w zależności od maksymalnego spadku na diodach LED w taki sposób, aby ograniczyć moc rozpraszaną na układach TPS929120.

Drivery TPS929120 mają możliwość pomiaru napięcia na każdym wyjściu do diody LED, dlatego mikrokontroler wysyła cyklicznie komunikaty z żądaniem odczytu napięć wyjściowych. Po odczytaniu wartości napięć wyjściowych driverów mikrokontroler wyszukuje największe napięcie spośród wszystkich nieuszkodzonych wyjść (wyjść, które nie mają wystawionej flagi FAULT w rejestrach driverów), a następnie dostosowuje napięcie zasilające drivery tak, aby ograniczyć moc rozpraszaną na driverach. Dostosowując napięcie zasilające drivery, mikrokontroler uwzględnia maksymalny możliwy spadek napięcia na kanałach wyjściowych. Rezystory R52, R53 stanowią dzielnik napięcia dla przetwornika ADC mikrokontrolera. Kondensator C41 dodatkowo filtruje możliwe zakłócenia, aby nie wpływały na pomiar wykonywany przez przetwornik. Podwójna dioda D17 zabezpiecza przetwornik przed zbyt wysokim napięciem wejściowym oraz napięciem o odwróconej polaryzacji.

Tranzystor Q5 wraz z rezystorem R17, R19, R18 i dioda D6 tworzą układ, którego zadanie polega na dostarczeniu w pierwszej chwili napięcia około 3 V na wejście odwracające wzmacniacza różnicowego, zanim mikrokontroler zainicjuje wszystkie swoje peryferia, w tym układ DAC. Dzięki takiemu rozwiązaniu w pierwszej chwili na drivery jest podawane maksymalne napięcie zasilające, co powoduje prawidłowe zainicjowanie wyjść (nasycenie wyjść prądowych driverów) oraz pozwala uniknąć wykrycia błędów typu OPEN LOAD przez sterowniki.

Tranzystor Q9 wraz z elementami Q6, Q7, IC2, Q8, D8, R21, R22, R23, R24, R25, R26, R27, R28 stanowi układ zabezpieczenia zwarcia napięcia z przetwornicy do masy w momencie np. uszkodzenia mikrokontrolera. Ponieważ drivery mają możliwość pracy w trybie STAND ALONE (w którym nie ma komunikacji z mikrokontrolerem), napięcie zasilające je nie może zostać zaburzone. Żeby tranzystor Q9 nie uległ spaleniu na skutek zbyt dużego poboru mocy w momencie uszkodzenia zasilania mikrokontrolera, jest on otwierany co pewien czas, powiązany z histerezą układu IC2 oraz zależy od stałej czasowej T=R23×C23. Przerzutnik Schmitta IC2 jest zasilany przez rezystor R20 oraz diodę Zenera D7, która stabilizuje napięcie do wartości 5,6 V. Tranzystor Q10 wraz ze wzmacniaczem operacyjnym OA1B realizuje stabilizator LDO. Napięcie wyjściowe jest mierzone za pomocą dzielnika R32, R33, a następnie porównywane z napięciem odniesienia 2,5 V (dioda D10). Dławik L9 wraz z kondensatorami C29, C203, C30, C204 tworzą filtr Pi dla napięcia zasilającego mikrokontroler.

Wejścia IN1 oraz IN2 służą do podania sygnału załącz/wyłącz (dwa punkty na schodach). Do wejść można podać zasilanie 12...230 V AC/DC, ponieważ mają one na swoim wejściu przetwornicę prądową HV9921. Rezystory R39, R40, R44, R45 oraz koraliki ferrytowe L3, L5, L7, L8 wraz z kondensatorami C31, C35 stanowią filtr wejściowy dla przetwornicy oraz ograniczający wszystkie zakłócenia przewodzone (CE, BCI), a oprócz tego elementy te stanowią dodatkowe zabezpieczenie przed zwarciem przetwornicy. Warystory R38, R43 zabezpieczają wejścia przed pojawieniem się zbyt wysokiego napięcia.

Sterownik może być załączany przyciskiem stabilnym lub niestabilnym, dlatego w trybie STAND ALONE (trybie uszkodzonego mikrokontrolera) potrzebny jest także specjalny układ sprzętowy, który będzie zmieniał sygnał wysterowania driverów w trybie STAND ALONE.

Układ taki stanowią elementy IC3, IC4, IC5, IC6, IC7, D16, D15, T1, T4, C42, C43, C45, C44, R50, R49, D14, D13, R51, R168, R54, R55, C48, C180, R136, R13. Sygnały przychodzące z przetwornic prądowych wstępnie odfiltrowane za pomocą filtrów RC – R42, C33 oraz R47, C38 trafiają na bramkę EXOR, która na wyjściu generuje impuls przy każdej zmianie stanu któregoś z wejść. Impuls ten jest filtrowany przez filtr RC, zostaje zanegowany za pomocą IC4 i ponownie trafia na filtr RC. Aby uzyskać sygnał prostokątny z filtrów RC, oba sygnały są podawane na przerzutniki Schmitta IC5, IC6. Wyjścia z układów IC5, IC6 są sumowane za pomocą sumatora diodowego D15, D16. Dzięki temu za każdą zmianą któregoś z wejść sterownika SCL dostajemy jeden sygnał prostokątny, który stanowi sygnał zegarowy przerzutnika typu D (IC7). Przerzutnik typu D zmienia stan swojego wejścia na przeciwny przy każdej zmianie wejścia sterownika SCL, niezależnie czy wejścia te będą sterowane za pomocą przełączników stabilnych lub niestabilnych.

Tranzystory T1 oraz T4 służą do przełączania wejść PWM driverów TPS92630 oraz wejść FS driverów TPS929120. Drivery TPS929120 w normalnym trybie, w którym jest zapewniona komunikacja z mikrokontrolerem, nie reagują na zmianę stanu na wejściu FS, dlatego wszystkie podciągnięte wejścia FS są sterowane bezpośrednio z tranzystora T1. Drivery TPS92630 nie mają wejść FS (fail state), dlatego sterowanie wyjść tych driverów musi się odbywać z wejścia PWM, które w normalnym stanie pracy jest kontrolowane przez mikrokontroler. W momencie utraty komunikacji z mikrokontrolerem wejścia PWM zostają przełączone za pomocą kluczy analogowych IC20, IC21, IC22 i są kontrolowane za pomocą tranzystora T4. Klucze analogowe są przełączane z układu, który wykrywa zawieszenie bądź uszkodzenie mikrokontrolera. Mikrokontroler wysyła sygnał prostokątny przez kondensator C220 do tranzystora T11, który w normalnym trybie jest wysterowany, przez to tranzystor T12 także jest wysterowany, a dzięki temu na wejściach sterujących kluczy analogowych pojawia się stan wysoki. Diody D93, D94, D96, D97, D99, D100 zabezpieczają klucze analogowe przed możliwością pojawienia się zbyt wysokiego napięcia na ich wejściu. Drivery IC9, IC12, IC13 służące do sterowania trzema gałęziami dwóch szeregowo połączonych diod power LED (np. podświetlenie poręczy) są sterowane z trzech osobnych sygnałów PWM z mikrokontrolera. Wejścia FAULT oraz FAULT_S są ze sobą połączone, aby driver był w stanie wykrywać awarię OPEN LOAD oraz SINGLE SHORT LED.

Zwarte wejścia sygnalizujące błąd są podciągnięte przez odpowiednie rezystory R75, R82, R89 do stanu wysokiego. Rezystory R75, R76, R85, R86, R92, R93 mają za zadanie ustalenie odpowiedniego progu wykrywania awarii (zwarcia) pojedynczej diody POWER LED.

Rezystory R94, R95, R96 są rezystorami kompensującymi, które mają za zadanie zapewnić dodatkowy spadek napięcia, a tym samym zmniejszyć spadek napięcia na driverach i w konsekwencji zmniejszyć moc wydzielaną na driverach. Diody TVS D18, D19, D20 zabezpieczają wyjścia driverów TPS92630.

Komponent oznaczony IC8 to moduł Bluetooth typu HC-05. Tranzystory T2 oraz T3 służą do zmiany trybu pracy modułu. Elementy R62, C62 zapewniają prawidłowy reset. Mikrokontroler komunikuje się z modułem BT za pomocą interfejsu UART, dlatego, aby odfiltrować zakłócenia na linii oraz żeby zmniejszyć nachylenia zboczy, a tym samym zmniejszyć emisję zakłóceń, zastosowano elementy R62, R63, C66, C63, C64, C65, które tworzą dwa filtry PI. Mikrokontroler z driverami także komunikuje się za pomocą interfejsu UART, dlatego w tym przypadku także zostały zaimplementowane dwa filtry PI (R66, R67, C70, C67, C68, C69) wraz z konwerterami poziomów logicznych IC10, IC11.

Sterownik ma sześć driverów 12-wyjściowych IC14, IC15, IC16, IC17, IC18, IC19. Wszystkie wyjścia są zabezpieczone przed wyładowaniami ESD za pomocą kondensatorów oraz diod transil. Każdy z driverów ma unikalny adres ustawiony za pomocą rezystorów 10 kΩ podłączonych do wejść 9, 10 oraz 11. Sterowanie wszystkimi driverami realizuje mikrokontroler STM32F105RBT6. Rezystor R58 zapewnia prawidłowe bootowanie procesora. Złącze PRG służy do programowania oraz debugowania mikrokontrolera. Dioda LED10 służy do poinformowania użytkownika o prawidłowo zmienionych ustawieniach modułu BT – HC05 w momencie pierwszego uruchomienia urządzenia. Poprzez rezystor R61 oraz diodę referencyjną REF jest zasilana część analogowa mikrokontrolera, dzięki czemu jest zachowana odpowiednia dokładność podczas pomiaru napięcia z przetwornicy. Mikrokontroler jest taktowany z zewnętrznego rezonatora kwarcowego Q11. Diody LED2 oraz LED3 podłączone do wyjść modułu HC-05 służą do informowania użytkownika o stanie nawiązania połączenia ze smartfonem oraz o trybie pracy, w którym znajduje się moduł Bluetooth.

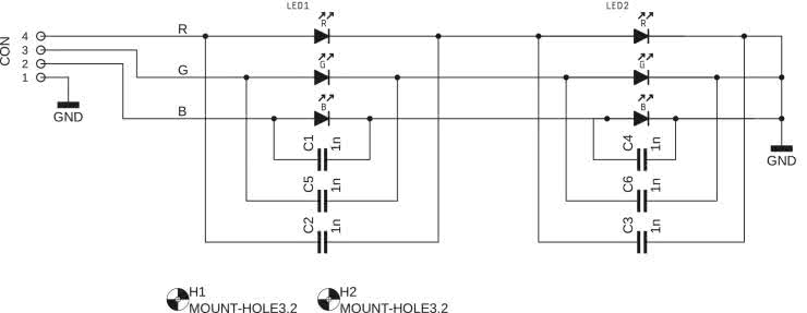
Rysunek 5. Schemat elektryczny modułu oświetlającego stopień

Na rysunku 5 został umieszczony schemat podłączenia diod LED oraz złączy JST. Diody RGB zostały połączone szeregowo. Na każdej płytce podświetlającej stopień znajdują się po dwie diody LED. Równolegle z diodami LED zostały połączone kondensatory (C1, C2, C3, C4, C5, C6) o małej wartości w celu wyeliminowania przypadkowych zakłóceń indukowanych w długich przewodach.

Oprogramowanie na PC

Sprawdzenie driverów TPS929120 można wykonać za pomocą programu na komputer PC. Można tak sprawdzić, czy dany driver działa i został przylutowany poprawnie. Żeby połączyć się z driverem, należy użyć konwertera USB-UART np. na bazie FT232. Na rysunku 6 pokazano wygląd okna programu.

Rysunek 6. Oprogramowanie do testowania urządzenia

Po otwarciu programu należy połączyć linie RX, TX odpowiednio z liniami TX, RX drivera. Masy muszą zostać także podłączone, a driver musi mieć podłączone zasilanie. W następnej kolejności należy wybrać port szeregowy, do którego podłączony jest konwerter oraz wybrać prędkość połączenia (preferowana 256 k). Następnie, żeby zapalić dane wyjścia drivera, należy wpisać adres drivera w polu Adres i zaznaczyć odpowiednie wyjście Channel 0...12 i kliknąć Wyślij. Jeżeli ustawiliśmy rejestry ICONFx oraz PWMx na wartość różną od zera, wtedy wybrane wyjście powinno się załączyć. Można za pomocą tego programu także odczytać ustawione wartości pamięci EEPROM oraz wgrać nowe ustawienia. Nie należy tego jednak robić, ponieważ można przez przypadek załączyć timer Watchdog w driverze. Podczas pierwszego uruchomienia mikrokontrolera zostaną przez niego wgrane poprawne ustawienia pamięci EEPROM do driverów, w tym także na samym końcu zostanie uruchomiony timer WDT.

Program ma możliwość wymuszenia i przejścia do trybu FAIL STATE drivera poprzez naciśniecie przycisku FAIL STATE. Żeby powrócić z trybu FAIL STATE, należy nacisnąć przycisk NORMAL.

Na tym zakończę pierwszą część artykułu. Drugą część rozpocznę od opisu aplikacji na system android, a tymczasem zamieszczam odnośniki do filmów, na których można zobaczyć działanie sterownika SCL: https://youtu.be/v-E2cKX-33g, https://youtu.be/sTKNsB0QFVk

Krzysztof Miękus
lordwest1989@tlen.pl

Wykaz elementów: Płyta główna
Rezystory:
  • R1, R2: 0,1Ω/1 W (SMD2010)
  • R3, R4, R5, R9, R10: 10 kΩ (SMD0805)
  • R6, R7: 0,68 Ω/1 W (SMD2010)
  • R8: 1 kΩ (SMD0805)
  • R11: 100 kΩ (SMD0805)
  • R12, R13, R16, R23, R29, R36, R42, R47: 100 kΩ (SMD0603)
  • R14, R15, R18, R19: 11 kΩ (SMD0603)
  • R17, R25, R26, R27, R28, R33, R37, R51, R52, R54, R55, R59, R60, R68, R69, R70, R71, R72, R74, R76, R79, R81, R83, R86, R88, R90, R93, R100, R101, R102, R106, R107, R108, R112, R113, R114, R118, R119, R120, R124, R125, R126, R130, R131, R132, R135, R136, R137, R138, R139, R140, R141, R144, R145, R146, R147, R148, R151, R152, R153, R154, R155, R156, R157, R158, R159, R160, R161, R162: 10 kΩ (SMD0603)
  • R20, R30: 4,7 kΩ (SMD0603)
  • R21: 1,5 Ω (SMD1206)
  • R22, R35, R64, R65: 1 kΩ (SMD0603)
  • R24, R48, R49, R50: 1 MΩ (SMD0603)
  • R31: 2,2 kΩ (SMD0603)
  • R32, R167: 3,3 kΩ (SMD0603)
  • R34: 470 kΩ (SMD0603)
  • R38, R43: S05 kΩ250 kΩ (THT)
  • R39, R40, R44, R45: 100 Ω (SMD0805)
  • R41, R46: 10 Ω (SMD0805)
  • R53: 3,3 kΩ (SMD0603)
  • R56, R57: 2 kΩ (SMD0603)
  • R58: 510 Ω (SMD0603)
  • R61: 22 Ω (SMD0805)
  • R62, R63, R66, R67, R168: 100 Ω (SMD0603)
  • R73, R80, R87, R99, R105, R111, R117, R123, R129: 33 kΩ (SMD0603)
  • R75, R82, R89: 47 kΩ (SMD0603)
  • R77, R84, R91: 2,4 kΩ (SMD0603)
  • R78, R85, R92: 27 kΩ (SMD0603)
  • R94, R95, R96: 1 Ω (SMD1206)
  • R97, R103, R109, R115, R121, R127: 4,7 kΩ (SMD0603)
  • R98, R104, R110, R116, R122, R128: 30 kΩ (SMD0603)
  • R133, R134, R142, R143, R149, R150: 36 kΩ (SMD0603)
  • R163, R164, R165, R166: 100 Ω (SMD0603)
Kondensatory:
  • C1, C6, C11, C12, C16, C30, C32, C36, C43, C45, C204: 100 nF (SMD0805)
  • C2, C3, C4, C5, C13, C14, C15, C29, C203: 220 μF/50 V (10×12)
  • C7, C8, C9, C19, C20, C24, C26, C27, C46, C71, C72, C190, C191, C192, C193, C194, C195: 1 nF (SMD0603)
  • C10, C75, C78, C81, C87, C88, C89, C90, C104, C105, C106, C107, C121, C122, C123, C124, C138, C139, C140, C141, C155, C156, C157, C158, C172, C173, C174, C175, C199, C200, C201: 1 μF/25 V (SMD0805)
  • C17: 100 nF/100 V (SMD1206)
  • C21, C22, C39, C40, C41, C47, C49, C50, C51, C52, C53, C56, C58, C196, C197, C198, C202, C61, C62, C73, C74: 100 nF (SMD0603)
  • C22: 100 nF/25 V (SMD0603)
  • C23, C42, C44: 1 μF/16 V (SMD0805)
  • C25, C28, C48, C76, C77, C79, C80, C82, C83, C84, C85, C86, C91, C108, C125, C142, C159, C176, C189: 10 nF/25 V (SMD0603)
  • C31, C35: 100 nF/500 V (C1812)
  • C33, C38: 1 μF/25 V (SMD0603)
  • C34, C37: 10 nF/500 V (SMD1206)
  • C57, C59, C60: 10 μF/16 V (SMD0805)
  • C63, C64, C65, C66, C67, C68, C69, C70, C55, C54: 22 pF (SMD0603)
  • C92, C93, C94, C95, C96, C97, C98, C99, C100, C101, C102, C103, C109, C110, C111, C112, C113, C114, C116, C117, C118, C119, C120, C126, C127, C128, C129, C130, C131, C132, C133, C134, C135, C136, C137, C143, C144, C145, C146, C147, C148, C149, C150, C151, C152, C153, C154, C160, C161C162, C163, C164, C165, C166, C167, C168, C169, C170, C171, C177, C178, C179, C180, C181, C182, C183, C184, C185, C187, C188: 2,2 nF (SMD0603)
Półprzewodniki:
  • D1, D8, D9: BZX84C15 (SOT23)
  • D2: BZX84C24 (SOT23)
  • D3, D5, D6, D95, D98, D101, D102: BAS16 (SOT23)
  • D4: B530CQ (SMC)
  • D7: BZX84C5,6V (SOT23)
  • D10: SC431-2,5V (SOT23)
  • D11, D12: ES1G25ns (DO214AC)
  • D13, D14, D15, D16: BAS70 (SOT23)
  • D17: BAS70-04 (SOT23)
  • D18, D19, D20D21, D22, D23, D24, D25, D26, D27, D28, D29, D30, D31, D32, D33, D34, D35, D36, D37, D38, D39, D40, D41, D42, D43, D44, D45, D46, D47, D48, D49, D50, D51, D52, D53, D54, D55, D56, D57, D58, D59, D60, D61, D62, D63, D64, D65, D66, D67, D68, D69, D70, D71, D72, D73, D74, D75, D76, D77, D78, D79, D80, D81, D82, D83, D84, D85, D86, D87, D88, D89, D90, D91, D92: SOD128-TVS-20V (SOD128)
  • D93, D94, D96, D97, D99, D100: BZX84C3,3V (SOT23)
  • LED1, LED2, LED3, LED4, LED5, LED6, LED7, LED8, LED9, LED10: dioda LED (SMD0805)
  • Q1, Q10: IRFR5505 (TO252)
  • Q2, Q3, Q6, Q7: BC807 (SOT23)
  • Q9: Si2319 (SOT23)
  • Q11: 8 MHz (HC49/S)
  • T1, T2, T3, T4, T5, T6, T7, T8, T9, T10, T11, Q4, Q5, Q8: BC847B (SOT23)
  • T12, T13: BC857B (SOT23)
  • OA1: TS912
  • OC, OC1: FOD817C3SD
  • B1: mostek prostowniczy TBSD610 (BTYPIC2)
  • B2, B3: mostek prostowniczy MB6S (SOIC4)
  • REF: LM4040-3V (SOT23)
  • TR1: SMAJ40CA (DO214AC_BIDIR)
  • IC1: MP2482DN-LF-Z (SOIC127)
  • IC2, IC5, IC6: 74LVC1G17DB V (SOT23-5)
  • IC3: 74L VC1G86W5-7 (SOT95)
  • IC4: 74L VC1G04DB V (SOT23-5)
  • IC7: SN74LVC1G80DBVR (SOT95)
  • IC8: HC-05
  • IC9, IC12, IC13: TPS92630QPWPRQ1 (SOP65)
  • IC10, IC11: 74LV1T34-TTSOP (SOT65)
  • IC14, IC15, IC16, IC17, IC18, IC19: TPS929120QPWPRQ (SOP65)
  • IC20, IC21, IC22: 74LVC1G3157
  • HV1: HV9921
  • US3: STM32F105RBT6 (LQFP64)
Pozostałe:
  • BYR1, ST1, ST2, ST3, ST4, ST5, ST6, ST7, ST8, ST9, ST10, ST11, ST12, ST13, ST14, ST15, ST16, ST17, ST18, ST19, ST20, ST21, ST22, ST23, ST24: złącze ARK (ARK2,54-4)
  • IN1, IN2, POWER: złącze ARK (ARK25,4-2)
  • L1: dławik SRP1038AA-4,7 μH (DR127)
  • L2: dławik SRP1038AA-4,7 (DR127)
  • L3, L5, L7, L8: dławik 600Ω (L3216C)
  • L4, L6: dławik 3,3 mH (DR74)
  • L9: dławik 10 μH/0,1 Ω (DR74)
  • PRG: złącze goldpin (2,54×5)
Moduł oświetlacza stopni schodów
Rezystory:
Kondensatory:
  • C1, C2, C3, C4, C5, C6: 1 nF (SMD0603)
Półprzewodniki:
  • LED1, LED2: dioda LED RGB (SMD)
Pozostałe:
  • CON: złącze JST (2,54-4)
Artykuł ukazał się w
Elektronika Praktyczna
listopad 2022
DO POBRANIA
Materiały dodatkowe
Elektronika Praktyczna Plus lipiec - grudzień 2012

Elektronika Praktyczna Plus

Monograficzne wydania specjalne

Elektronik listopad 2025

Elektronik

Magazyn elektroniki profesjonalnej

Raspberry Pi 2015

Raspberry Pi

Wykorzystaj wszystkie możliwości wyjątkowego minikomputera

Świat Radio listopad - grudzień 2025

Świat Radio

Magazyn krótkofalowców i amatorów CB

Automatyka, Podzespoły, Aplikacje listopad - grudzień 2025

Automatyka, Podzespoły, Aplikacje

Technika i rynek systemów automatyki

Elektronika Praktyczna listopad 2025

Elektronika Praktyczna

Międzynarodowy magazyn elektroników konstruktorów

Elektronika dla Wszystkich grudzień 2025

Elektronika dla Wszystkich

Interesująca elektronika dla pasjonatów