Termo-higrometr LED

Termo-higrometr LED

Od utrzymywania prawidłowej temperatury oraz wilgotności powietrza zależy nasze dobre samopoczucie w pomieszczeniach. Ponadto mamy na nie relatywnie duży wpływ, większy niż np. na ciśnienie. Jednak nasze wysiłki na nic się nie zdadzą bez odpowiedniego przyrządu pomiarowego. A gdyby do tego taki układ wyglądał efektownie?

Podstawowe parametry:
  • pomiar temperatury w zakresie 10…30°C i wilgotności względnej powietrza w zakresie 20…90%,
  • odczyt wskazań przy użyciu świecących łuków diod LED,
  • nie wymaga kalibracji,
  • pobór prądu: do ok. 30 mA,
  • zasilanie napięciem stałym 5 V poprzez gniazdo USB typu B.

Coraz więcej wiemy o tym, jak ważny wpływ na nasze zdrowie i samopoczucie mają parametry powietrza, którym oddychamy w naszych domach i mieszkaniach. Wentylacja, ogrzewanie, klimatyzacja, nawilżanie, osuszanie – te terminy są już nam dobrze znane, coraz lepiej potrafimy korzystać z dobrodziejstw cywilizacji. Aby jednak robić to świadomie, musimy wiedzieć, jakie są bieżące parametry powietrza, które wdychamy. Bez tego wszelkie nasze działania będą prowadzone po omacku. Zaprezentowany przyrząd w prosty i czytelny, a zarazem efektowny sposób wskazuje nam bieżącą temperaturę oraz wilgotność względną powietrza. A te parametry są kluczowe dla wielu osób – astmatyków, alergików albo małych dzieci. Utrzymując je na odpowiednim poziomie, można zapobiec wielu schorzeniom lub chociaż osłabić objawy tych już występujących.

Budowa i działanie

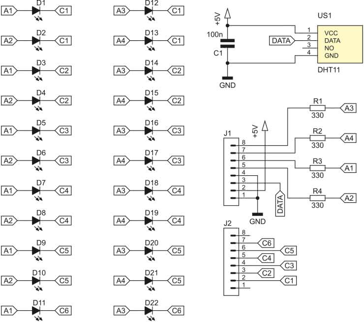
Urządzenie składa się z dwóch płytek – wyświetlacza i części sterującej. Schemat ideowy wyświetlacza został pokazany na rysunku 1. Zawiera łącznie 22 diody LED, z których jedna połowa służy do wyświetlania temperatury w stopniach Celsjusza [°C], a druga do wskazywania wilgotności względnej [% RH]. Diody te zostały połączone w sześć grup, załączanych poprzez linie C1…C6. W ramach każdej z tych grup znajdują się cztery anody A1…A4 – poza ostatnią grupą, która ma tylko dwie diody. Prąd anody każdej anody jest ograniczany rezystorem szeregowym R1…R4. Sterowanie odbywa się więc w trybie multipleksowym, grupa po grupie.

Rysunek 1. Schemat ideowy wyświetlacza

Takie rozwiązanie pozwala na zredukowanie liczby zaangażowanych wyprowadzeń mikrokontrolera sterującego do 10. Jednocześnie, w ramach każdej grupy mogą być załączone nie więcej niż cztery diody, przez co nie są wymagane dodatkowe elementy wykonawcze, jak na przykład tranzystory zwiększające wydajność prądową wyjść mikrokontrolera. Redukuje to liczbę elementów do absolutnego minimum. Prąd płynący przez pojedynczą diodę nie przekracza 9 mA, więc cała grupa pobiera nie więcej niż 36 mA. Typowy mikrokontroler z rodziny AVR potrafi obsłużyć obciążenie pobierające taki prąd.

Na płytce wyświetlacza znajduje się również czujnik temperatury i wilgotności typu DHT11 – układ US1. Ma on interfejs cyfrowy, który wymaga tylko jednej linii do prowadzenia komunikacji z mikrokontrolerem. Jest kalibrowany na etapie produkcji, co upraszcza uruchamianie układu. Przy jego wyprowadzeniach zasilania znajduje się kondensator C1, zalecany przez notę katalogową producenta tego układu. Niezbędny do prawidłowego działania rezystor podciągający linię danych znalazł się na drugiej płytce.

Na rysunku 2 znajduje się schemat ideowy płytki sterującej, której głównym elementem jest mikrokontroler typu ATtiny24A-PU. Oprócz wspomnianego rezystora podciągającego zawiera drugi, identyczny rezystor, który podciąga do dodatniej linii zasilania wyprowadzenie zerujące mikrokontrolera.

Rysunek 2. Schemat ideowy płytki sterującej

Połączenie między tymi płytkami zapewniają dwa złącza typu goldpin. Trzecie złącze, J3, służy do zasilania układu. Jest to pionowe złącze USB typu B. Kondensatory C1 i C2 filtrują zasilanie dla mikrokontrolera i zmniejszają jego tętnienia wywołane cyklicznym przełączaniem grup diod.

Montaż i uruchomienie

Układ został zmontowany na dwóch dwustronnych płytkach drukowanych. Płytka wyświetlacza ma wymiary 135×48 mm, a sterująca (z mikrokontrolerem) 58×25 mm. Ich schematy zostały pokazane odpowiednio na rysunku 3 i rysunku 4. W odległości 2,54 mm od krawędzi płytki wyświetlacza znalazły się cztery otwory montażowe, każdy o średnicy 2,5 mm. Ponadto w obu płytkach jest zlokalizowany jeszcze jeden otwór, którego rola zostanie omówiona dalej.

Rysunek 3. Schemat płytki wyświetlacza
Rysunek 4. Schemat płytki sterującej

Montaż proponuję rozpocząć od elementów o najmniejszej wysokości obudowy, czyli rezystorów. Pod układ US1 na płytce sterującej proponuję zastosować podstawkę, aby ułatwić jego programowanie oraz wymianę w razie uszkodzenia. Kondensator C1 na płytce wyświetlacza oraz C2 na płytce sterującej należy położyć na powierzchni płytki. Zmontowany układ można zobaczyć na fotografii 1.

Fotografia 1. Wygląd zmontowanych płytek układu

Warto zauważyć, że na płytce sterującej znajduje się złącze J3, które powinno być wlutowane w nią od przeciwnej strony niż pozostałe elementy – tak, aby był do niego dostęp po złączeniu płytek (fotografia 2).

Fotografia 2. Szczegóły montażu płytek

Obie płytki są ze sobą połączone dwoma złączami, po 8 pinów każde. W układzie prototypowym zostały one obrócone względem siebie (po prawej stronie płytki wyświetlacza znajduje się złącze żeńskie, zaś męskie po lewej) aby uniemożliwić przypadkowe wetknięcie tych płytek odwrotnie. Mogłoby to uszkodzić układ, a na pewno byłoby przyczyną nieprawidłowego działania. Tak wlutowane złącza widać na fotografii 1, a na fotografii 2 znajduje się widok dwóch płytek już złączonych ze sobą, które dodatkowo skręcono tuleją dystansową. W ten sposób relatywnie gruby i ciężki kabel USB nie wyciągnie tych złączy szpilkowych.

Na etapie uruchamiania jest konieczne zaprogramowanie pamięci Flash mikrokontrolera dostarczonym wsadem oraz zmiana jego bitów zabezpieczających. Oto ich nowe wartości:

Low Fuse = 0xE2
High Fuse = 0xDC

Szczegóły są widoczne na rysunku 5, który pokazuje okno konfiguracji bitów zabezpieczających z programu BitBurner. W ten sposób zostanie wyłączony preskaler zegara przez 8, zatem na rdzeń mikrokontrolera trafi sygnał zegarowy o częstotliwości 8 MHz. Ponadto włączy się Brown-Out Detector, który wprowadzi mikrokontroler w stan zerowania, jeżeli jego napięcie zasilające spadnie poniżej 4,3 V. To znacznie zmniejsza ryzyko zawieszenia się układu podczas uruchamiania.

Rysunek 5. Szczegóły ustawienia bitów zabezpieczających

Poprawnie zaprogramowany układ jest gotowy do działania po podłączeniu zasilania do złącza USB. Nie jest wymagana jakakolwiek kalibracja. Zasilanie powinno odbywać się napięciem o wartości 5 V lub zbliżonej (dopuszczalnej przez standard USB), dobrze stabilizowanym i filtrowanym. Pobór prądu zależy od liczby załączonych diod LED, ale nie przekracza 30 mA.

W trakcie pracy liczba załączonych diod LED jest tym większa, im większą wartość ma dany parametr. Każda dioda informuje o tym, że dana wartość została osiągnięta, więc temperatura wynosząca, na przykład, 27°C zostanie wskazana jako świecenie się diod od D1 (10°C) do D9 (26°C), ale już bez D10 (28°C). Analogicznie jest z wilgotnością. W temperaturze poniżej 10°C i wilgotności względnej niższej niż 20% układ nie załączy żadnej diody, lecz są to warunki niemal niemożliwe do wystąpienia w zwykłych warunkach mieszkaniowych.

Cyfrowy czujnik typu DHT11 komunikuje się z mikrokontrolerem co 2 s i wtedy następuje odświeżenie wskazań. Za każdym razem podejmowane są cztery próby komunikacji – jeżeli żadna z nich się nie powiedzie, to układ zaczyna cyklicznie migać wszystkimi diodami. Tak może się zdarzyć po uszkodzeniu czujnika, silnej zmianie wilgotności lub przy nieprawidłowym montażu. Usunięcie usterki przywraca układ do normalnego działania.

Michał Kurzela, EP

Wykaz elementów: Płytka wyświetlacza
Rezystory: (THT o mocy 0,25 W)
  • R1…R4: 330 Ω
Kondensatory:
  • C1: 100 nF raster 5 mm MKT
Półprzewodniki:
  • D1…D11: 3 mm czerwone np. LED F3 R
  • D12…D22: 3 mm zielone np. LED F3 G
  • US1: DHT11
Pozostałe:
  • J1, J2: goldpin 8 pin męski 2,54 mm THT
Płytka sterująca
Rezystory: (THT o mocy 0,25 W)
  • R1, R2: 4,7 kΩ
Kondensatory:
  • C1: 100 nF raster 5 mm MKT
  • C2: 47 μF 25 V raster 2,5 mm
Półprzewodniki:
  • US1: ATtiny24A-PU DIP14
Pozostałe:
  • J1, J2: goldpin 8 pin żeński 2,54 mm THT
  • J3: UBBS-4R-D14-4D
  • Jedna podstawka DIP14
  • Dwie śruby M3 6 mm
  • Jedna tuleja dystansowa gwint wewnętrzny M3 12 mm poliamid
Artykuł ukazał się w
Elektronika Praktyczna
październik 2022
DO POBRANIA
Materiały dodatkowe
Elektronika Praktyczna Plus lipiec - grudzień 2012

Elektronika Praktyczna Plus

Monograficzne wydania specjalne

Elektronik listopad 2025

Elektronik

Magazyn elektroniki profesjonalnej

Raspberry Pi 2015

Raspberry Pi

Wykorzystaj wszystkie możliwości wyjątkowego minikomputera

Świat Radio listopad - grudzień 2025

Świat Radio

Magazyn krótkofalowców i amatorów CB

Automatyka, Podzespoły, Aplikacje listopad - grudzień 2025

Automatyka, Podzespoły, Aplikacje

Technika i rynek systemów automatyki

Elektronika Praktyczna listopad 2025

Elektronika Praktyczna

Międzynarodowy magazyn elektroników konstruktorów

Elektronika dla Wszystkich grudzień 2025

Elektronika dla Wszystkich

Interesująca elektronika dla pasjonatów