Wzmacniacz audio dla wymagających (1)

Wzmacniacz audio dla wymagających (1)

W dzisiejszych czasach prym w technice audio wiodą wzmacniacze „cyfrowe”, które mogą pochwalić się naprawdę imponującymi parametrami. Pomimo tego, duża grupa fanów dobrego brzmienia zdecydowanie wybiera rozwiązania czysto analogowe, zaprojektowane i wykonane w taki sposób, jak odbywało się od kilkudziesięciu lat. Właśnie dla takich osób powstał opisany tu wzmacniacz.

Podstawowe parametry:
  • maksymalna moc wyjściowa: około 15 W,
  • znamionowa impedancja obciążenia: 8 Ω,
  • jeden kanał (monoblok),
  • wejście sygnału: asymetryczne,
  • wykonany w całości na elementach dyskretnych, bez układów scalonych,
  • stopień końcowy pracujący w klasie AB z wysokim prądem spoczynkowym (przeważa praca w klasie A),
  • zasilacz transformatorowy ze stabilizacją napięcia,
  • chłodzenie wyłącznie pasywne, przy pomocy masywnych radiatorów.

Sprzęt audio wysokiej jakości jest bardzo kosztowny – ceny takich urządzeń zaczynają się od kilkunastu...kilkudziesięciu tysięcy złotych. Zbudowane są z doskonałej jakości elementów osadzonych w prawidłowo zaprojektowanym obwodzie i zamkniętych w solidnej, ułatwiającej eksploatacje i cieszącej oko obudowie. Mówiąc krótko – wykonanie bezkompromisowe. Na specjalne życzenie klienta mogą być dodane specjalne detale np. pozłacane gniazda lub elementy obudowy wykonane z drewna egzotycznego.

Zaprezentowany układ ma w sobie coś z takich konstrukcji: został zaprojektowany na bazie sprawdzonych, klasycznych rozwiązań wyłącznie z zastosowaniem elementów dyskretnych. Cechuje się prostotą działania i szerokimi możliwościami modyfikacji. Nie zawiera elementów uważanych za audiofilskie, lecz każdy może we własnym zakresie odpowiednio „podrasować” tę konstrukcję. Co istotne, dwa moduły na płytach drukowanych – zasilacz i wzmacniacz mocy, zostały osadzone w obudowie, której wykonanie można zlecić.

W artykule znajduje się jej szczegółowy projekt. W ten sposób możemy stać się posiadaczami sprzętu audio o wystarczającej, jak na domowe warunki, mocy wyjściowej, którego wygląd na pewno wzbogaci wystrój niejednego salonu albo pokoju odsłuchowego. Brak szumiących wentylatorów i solidna, metalowa obudowa mogą przywodzić na myśl sprzęt produkowany kilka dekad temu.

Tytułowy wzmacniacz jest monoblokiem, czyli posiada wejście monofoniczne oraz wyjście w postaci jednej pary zacisków głośnikowych. Chcąc wysterować dwie kolumny w układzie stereofonicznym, potrzebne będą dwa takie. Można też samodzielnie przeprojektować obudowę (użyć większej) aby zmieściły się w niej dwa komplety płytek drukowanych z transformatorami sieciowymi. Możliwości jest naprawdę wiele!

Budowa i działanie

Z uwagi na dużą złożoność projektu, omówienie układu zostanie podzielone na trzy bloki:

  1. zasilacz,
  2. wzmacniacza,
  3. konstrukcja łącząca wszystkie komponenty urządzenia, włączając w to elementy związane z obudową.

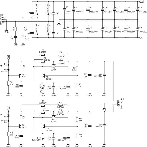
Zasilacz

Schemat stabilizowanego zasilacza został pokazany na rysunku 1. Do zacisków złącza J1 jest podłączone dzielone uzwojenie wtórne transformatora sieciowego o napięciach znamionowych 2×21 V AC. Dodatkowe obwody RC: R1+C1 i R2+C2 – tłumią zakłócenia o wysokiej częstotliwości, które mogłyby się przedostać z sieci przez transformator. Ich wpływ może być słyszalny w postaci cichego syczenia w głośniku o poziomie niezależnym od wysterowania.

Rysunek 1. Schemat ideowy modułu zasilacza

Cztery diody prostownicze D1…D4 tworzą mostek Graetza. Wybrano diody Schottky’ego ze względu na niski spadek napięcia w kierunku przewodzenia. Istnieje opinia, że diody Schottky’ego wprowadzają zakłócenia wywołane szybkim przełączaniem. Aby ten proces spowolnić, przewidziano na płytce miejsce dla kondensatorów C3…C6, które powinny mieć po kilka nanofaradów. Jednak w układzie prototypowym nie zaobserwowałem konieczności ich montażu, więc nie zostały ujęte w wykazie elementów.

Wyprostowane, jednokierunkowe napięcie jest filtrowane przez potężną baterię dwunastu kondensatorów elektrolitycznych – po sześć na gałąź. Użycie wielu kondensatorów połączonych równolegle zmniejsza wypadkową wartość ESR oraz ESL, jak również rozkłada prąd tętnień pomiędzy kilka elementów. Dzięki temu będą mogły pracować przez bardzo długi czas bez pogorszenia parametrów.

Wzmacniacz został wyposażony w układ stabilizacji napięcia zasilającego. Stabilizator liniowy traci część mocy w postaci ciepła, za to redukuje amplitudę tętnień i znacząco zmniejsza wpływ napięcia sieciowego na położenie punktu pracy elementów wzmacniacza. Zastosowano układ z prostą pętlą sprzężenia zwrotnego dla stabilizacji napięcia wyjściowego.

Źródłem napięcia odniesienia jest dioda Zenera D7. Ponieważ diody Zenera mają tendencję do wytwarzania szerokopasmowego szumu śrutowego, równolegle do niej podłączono kondensatory C22 i C23. Te diodę polaryzuje źródło prądowe wykonane na tranzystorze T1, a natężenie dostarczanego przezeń prądu to niecałe 40 mA. Źródło prądowe ma wyższą rezystancję dynamiczną niż rezystor, co przekłada się na mniejszą amplitudę tętnień prądu polaryzującego diodę D7. Dwie połączone szeregowo diody półprzewodnikowe, D5 i D6, wymuszają spadek napięcia na złączu baza-emiter tranzystora T1 i na rezystorze R4. Rezystor R4 polaryzuje bazę T1 oraz wspomniane diody.

Równolegle połączone tranzystory T2 i T3 pełnią rolę elementów wykonawczych, przez które przepływa prąd wyjściowy zasilacza. Rezystory R5 i R6 wyrównują rozpływ prądów między nimi poprzez zmniejszenie wpływu napięcia baza-emiter na natężenie prądu danego tranzystora. W trakcie prawidłowej pracy, przez każdy z nich przepływa prąd o natężeniu około 300 mA, co wywołuje spadek napięcia rzędu 150 mV. Tranzystor T5 monitoruje spadek napięcia na jednym z tych rezystorów, ściślej: na R6. Jeżeli ten spadek byłby na tyle silny, że otworzyłby złącze baza-emiter tego tranzystora, to zabierze on, przez kolektor do wyjścia zasilacza, część prądu przeznaczonego dla T2 i T3. Prąd wyjściowy zostanie w bardzo prosty sposób zredukowany.

Jeszcze jedną gałęzią, która wchodzi do węzła zasilanego przez kolektor T1, jest kolektor tranzystora T4. Pełni rolę prostego wzmacniacza błędu. Jego bazę polaryzuje dzielnik składający się z rezystorów R8 i R9. W trakcie prawidłowej pracy, na R8 występuje spadek napięcia równy sumie napięć: przewodzącej diody D7 (5,1 V) oraz otwartego złącza baza-emiter tranzystora T4 (0,7 V). Na R7 będzie się odkładało napięcie proporcjonalnie większe, dokładniej 18,9 V. Zatem napięcie wyjściowe układu musi wynosić 5,8 V+18,9 V=24,7 V. Jeżeli miałoby wzrosnąć, prąd kolektora T4 również wzrośnie, przez co zabierze nieco prądu z baz T2 i T3, obniżając napięcie wyjściowe. I w drugą stronę: jego spadek poniżej tej granicy poskutkuje zmniejszeniem napięcia baza-emiter T4, przez co większa część prądu ze źródła prądowego popłynie do baz T2 i T3.

Zaprojektowany w ten sposób zasilacz nie zapewnia rewelacyjnych parametrów (jak na dzisiejsze realia). Współczynnik stabilizacji można byłoby znacznie poprawić stosując wzmacniacz błędu o wyższym wzmocnieniu, a najlepiej scalony stabilizator. Dalszym etapem byłoby już tylko użycie stabilizatora impulsowego. To prawda, lecz celem tego projektu było zbudowanie w pełni funkcjonalnego wzmacniacza złożonego z prostych elementów dyskretnych, takich jak diody i tranzystory. Obwód stabilizujący napięcie dodatnie został szczegółowo omówiony. Stabilizator napięcia ujemnego ma identyczną topologię, różni się kierunkami prądów i komplementarnymi typami elementów. Zasada działania jest identyczna. Oba napięcia – dodatnie i ujemne – są dostępne na zaciskach złącza J2.

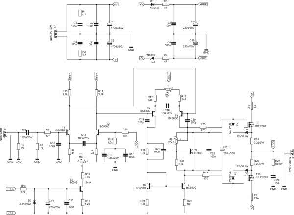
Wzmacniacz

Schemat bloku wzmacniacza został pokazany na rysunku 2. Napięcie wyjściowe zasilacza trafia na zaciski złącza J1. Jest ono dodatkowo filtrowane z zakłóceń wysokoczęstotliwościowych, a dodatkowo kondensatory C3 i C6 redukują impedancję wyjściową takiego źródła zasilania. Dla obwodów stopnia wejściowego i stopnia sterującego zastosowano dodatkowe elementy filtrujące. Diody D1 i D2 doładowują kondensatory C7…C10, co zmniejsza wpływ tętnień napięcia na kondensatorach C3 i C6. Rezystory R3 i R4 spowalniają doładowywanie kondensatorów, zmniejszając tętnienia odkładającego się na nich napięcia.

Rysunek 2. Schemat ideowy modułu wzmacniacza

Wejściowy sygnał audio jest podawany na zaciski złącza J2. Rezystor R5 stanowi obciążenie źródła sygnału – zmniejsza impedancję wejściową co wpływa także na ograniczenie zakłóceń. Stanowi on również element polaryzujący kondensator C11, którego zadaniem jest odcięcie ewentualnej składowej stałej pochodzącej ze źródła sygnału, która zmieniałaby punkt pracy układu wejściowego. Rezystor R6 polaryzuje z kolei drugą elektrodę C11 oraz stanowi drogę dla prądu stałego zasilającego bazę T1. Kondensator C11 jest elektrolitycznym kondensatorem bipolarnym, wobec czego wystąpienie niewielkiej składowej stałej o dowolnej polaryzacji nie uszkodzi go.

Rezystor R7 i kondensator C12 tworzą prosty filtr dolnoprzepustowy o częstotliwości granicznej około 720 kHz. Tak wysoka wartość nie ma wpływu na charakterystykę amplitudową w paśmie słyszalnym, nie spowalnia również znacząco odpowiedzi impulsowej, lecz za to zawęża pasmo dla szumu i zakłóceń.

Pierwszym stopniem wzmacniającym jest układ różnicowy zrealizowany na tranzystorach T1 i T2. Są to niskoszumne tranzystory dyskretne. Ewentualną rozbieżność w napięciach baza-emiter można skorygować regulując potencjometrem P1. Jego obecność zmniejsza wzmocnienie tego stopnia, wobec czego ich emitery zostały sprzęgnięte (dla składowej zmiennej) przy pomocy kondensatora C13. Tranzystor, T1 otrzymuje na bazę sygnał audio, zaś T2 – sygnał sprzężenia zwrotnego wraz ze składową stałą, co zostanie wyjaśnione w dalszej części.

Źródło prądowe zasilające emitery pary różnicowej T1+T2 zostało zrealizowane w bardzo prosty sposób – przy użyciu tranzystora T3, którego baza jest polaryzowana stałym napięciem wymuszanym przez diodę Zenera. Spadek napięcia na R11, który wynosi około 2,4 V, wymusza przepływ prądu emitera równy 2 mA. Dioda Zenera jest połączona równolegle z kondensatorami, aby generowany przez nią szum nie powodował fluktuacji prądu emiterów pary różnicowej. Rezystor R10 polaryzuje diodę D3 z potencjału +PRE, a nie z masy, aby spadek napięcia na nim był możliwie największy – wówczas najlepiej odzwierciedla pracę źródła prądowego – oraz aby symetrycznie obciążać źródło zasilania. Rezystor R12 nie jest, w teorii, potrzebny, lecz zmniejsza wpływ pojemności Cjc tranzystora T3 na pracę układu różnicowego T1+T2.

Obciążeniem kolektorów układu różnicowego T1+T2 są rezystory o jednakowej wartości, R13 i R14. Spadek napięcia na nich wynosi, około 1 mA×3,9 kΩ=3,9 V. Wyjście układu różnicowego jest w pełni symetryczne, co ułatwia realizację następnego stopnia układu.

Zadbano o niski prąd pracy tranzystorów w pierwszym stopniu układu, ponieważ ma on decydujący wpływ na poziom szumów, a ten z kolei rośnie wraz ze wzrostem natężenia prądu kolektorów.

Spadki napięć na R13 i R14 ustalają prąd emiterów tranzystorów T4 i T5, które również tworzą układ różnicowy. Płynie przez nie niemały prąd, ponieważ w emiterze każdego z tych tranzystorów znajduje się rezystancja 249 Ω+100 Ω/2≈300 Ω. Ich bazy są na potencjale o około 3,9 V niższym od potencjału węzła +PRE, zatem prądy emiterów wynoszą około (3,9 V–0,7 V)/300 Ω≈10,7 mA. Potencjometr P2 pozwala uzyskać symetrię między nimi, ponieważ to również są tranzystory dyskretne. Tak duży prąd tego stopnia ma pozytywny wpływ na szybkość przeładowywania pojemności wejściowych tranzystorów MOSFET.

Kondensatory C19 i C20 zawężają pasmo przenoszenia. Ich wartość została dobrana doświadczalnie, zaś obecność tych elementów jest kluczowa dla stabilnej pracy układu. Zdecydowano się na taki krok zamiast np. spowolnienia przeładowywania pojemności wejściowych tranzystorów MOSFET, ponieważ nie wprowadza on do sygnału zniekształceń. Jak pokażą pomiary, pasmo przenoszenia tego wzmacniacza i parametry jego odpowiedzi czasowej są i tak imponujące jak na relatywnie prosty układ audio.

Obciążeniem kolektorów układu różnicowego T4+T5 jest lustro prądowe. Daje to dwukrotny wzrost wzmocnienia w stosunku do obciążenia rezystancyjnego. Rezystory R21 i R22 wyrównują różnice w napięciach baza-emiter tych tranzystorów. Rezystor R19 zmniejsza straty mocy w tranzystorach i wyrównuje je w stosunku do sąsiedniej gałęzi. Kondensator C21 przyspiesza sterowanie tranzystorem T6 (połączonym w diodę) przez T4.

W sąsiedniej gałęzi, znajdującej się między kolektorami tranzystorów T5 i T7, znajduje się obwód znany jako „mnożnik napięcia baza-emiter”. Napięcie na zaciskach rezystora R20 jest równe napięciu baza-emiter tranzystora T8, zaś na potencjometrze P3 jest proporcjonalnie większe, ponieważ prąd płynący przez P3 i przez R20 jest w przybliżeniu taki sam. To powoduje, że T8 staje się diodą, której napięcie przewodzenia można wyregulować oraz zmienia się ono wraz z temperaturą jego złącza baza-emiter. Przykręcając T8 do radiatora chłodzącego tranzystory mocy można ustabilizować ich punkt pracy. Kondensatory C22 i C23 zmniejszają impedancję tego „mnożnika”, czym poprawiają sprzężenie zmiennoprądowe między bramkami tranzystorów mocy. Tranzystor T8 (BD139) jest relatywnie wolny, ale on nie przenosi sygnału – czynią to kondensatory C22 i C23. Natomiast jego obudowa ułatwia przykręcenie go do radiatora chłodzącego tranzystory wyjściowe i to był kluczowy powód wyboru takiego, a nie innego, elementu.

W roli stopnia wyjściowego pracują dwa tranzystory MOSFET o przeciwnych polaryzacjach. Są połączone w układzie wtórnika komplementarnego. Mają zbliżony kształt charakterystyk przejściowych, podobną transkonduktancję w tym samym punkcie pracy i podobne napięcie progowe. Para IRFP240 i IRFP9240 jest często spotykana we wzmacniaczach akustycznych.

Diody Zenera D4 i D5 oraz D6 i D7 zabezpieczają izolator podbramkowy tych tranzystorów przed przebiciem wywołanym chwilowym przekroczeniem dopuszczalnego napięcia bramka-źródło. Rezystory R23 i R24 poprawiają stabilność pracy układu, ponieważ, wraz z pojemnościami wejściowymi tych tranzystorów, tworzą filtry dolnoprzepustowe. Na rezystorach R25 i R26 odkłada się napięcie wywołane przez prąd spoczynkowy, co pozwala wyrównać napięcia bramka-źródło między tymi tranzystorami. Bezpieczniki F1 i F2 tworzą proste zabezpieczenie przeciwprzeciążeniowe dla tranzystorów mocy. Rezystor R27 i kondensator C24 tworzą tzw. obwód Zobla, który wyrównuje impedancję widzianą przez tranzystory wyjściowe w funkcji częstotliwości – kolumny głośnikowe, z racji indukcyjnego charakteru, zwiększają swoją impedancję wraz ze wzrostem częstotliwości.

Ostatnim elementem składowym bloku wzmacniacza jest sprzężenie zwrotne, zarówno dla składowej stałej jak i zmiennej. Sprzężenie stałoprądowe realizuje rezystor R16, który ma rezystancję zbliżoną do tej, która polaryzuje bazę T1. W ten sposób nie powstaje składowa różnicowa, którą wywołują prądy baz T1 i T2 na rezystancjach je polaryzujących.
Dla składowej zmiennej uaktywnia się dzielnik rezystorowy, składający się z R15 i R16, który ustala finalne wzmocnienie układu dla składowej zmiennej. Na zaciskach kondensatorów C16 i C17 występuje zerowa składowa stała, zatem i w tym miejscu użyto bezbiegunowego kondensatora elektrolitycznego o znacznej pojemności. Dla zmniejszenia jego impedancji w zakresie wysokich częstotliwości, połączono go równolegle z kondensatorem foliowym.

Warto zauważyć, że prądy płynące przez elementy tego układu nie zależą od dokładnej wartości napięcia zasilającego. Dzieje się tak dzięki źródłom i lustrom prądowym, a także różnicowemu wzmacniaczowi błędu dla składowej stałej (para różnicowa T1+T2), który ustala zerową składową na wyjściu, biorąc jako referencję potencjał masy. Jedynie prąd rezystora R10 może ulegać wahaniom przy zmianach wartości napięć zasilających, ale ma on drugorzędne znaczenie.

Potencjometr P3 ustala punkt pracy tranzystorów mocy, a dokładniej ich prąd spoczynkowy. Jednak napięcie progowe tranzystorów polowych ulega zmianie wraz z temperaturą, a dokładniej – rośnie, co wymaga zwiększenia napięcia bramka-źródło dla utrzymania tego samego prądu drenu. Dlatego prąd ustalony przy zimnych tranzystorach stanie się znacznie niższy, gdy te rozgrzeją się. Obwód z tranzystorem T8 ma za zadanie częściowo to kompensować, ponieważ napięcie przewodzenia złącza p-n rośnie wraz z temperaturą.

Po zwielokrotnieniu, przy pomocy dzielnika P3+R20, napięcie kolektor-emiter T8 również będzie rosło wraz z temperaturą.

Tranzystory polowe wykazują ujemne termiczne sprzężenie zwrotne (prąd drenu spada wraz ze wzrostem temperatury przy stałym napięciu bramka-źródło), a bipolarne dodatnie (prąd kolektora rośnie wraz ze wzrostem temperatury przy stałym napięciu baza-emiter), więc te dwa przeciwstawne efekty powinny się skompensować. Ten mechanizm nie działa idealnie – przeważa ujemne sprzężenie zwrotne pochodzące od tranzystorów MOSFET. Ale, jak pokażą pomiary, będzie to oddziaływanie dostatecznie silne, aby utrzymać punkt pracy w rozsądnych granicach.

Całe urządzenie

Schemat ideowo-blokowy znajduje się na rysunku 3. Ten rysunek przyda się podczas omawiania montażu urządzenia w obudowie. Jako zabezpieczenie toroidalnego transformatora sieciowego TR powinien wystąpić bezpiecznik zwłoczny, w układzie modelowym użyto bezpiecznika T2A. Gniazdo IEC może być zintegrowane z oprawką bezpiecznika.

Rysunek 3. Schemat ideowo-blokowy kompletnego urządzenia

Dwie płytki drukowane – zasilacza i wzmacniacza – powinny być połączone między sobą trzema przewodami o znacznym polu przekroju poprzecznego. Ich rozdzielenie ułatwiło przykręcenie wszystkich tranzystorów wymagających chłodzenia do radiatorów, o czym dalej. Prąd diody LED sygnalizującej załączenie wzmacniacza jest ograniczany przy użyciu rezystora R, a cała ta gałąź pobiera zasilanie spomiędzy zacisków V+ i V– zasilacza dla symetrycznego obciążania go.

Montaż

Płytka zasilacza ma wymiary 70×200 mm, natomiast płytka wzmacniacza jest mniejsza – 70×140 mm. Obie płytki drukowane mają dwie warstwy przewodzące. Ich wzór ścieżek oraz schematy montażowe zostały pokazane na rysunkach 4 i 5.

Rysunek 4. Schemat płytki PCB modułu zasilacza
Rysunek 5. Schemat płytki PCB  modułu wzmacniacza

W odległości 3 mm od krawędzi płytek znalazły się otwory montażowe, każdy o średnicy 3,2 mm, zaś otwory przy radiatorach są odsunięte od tych krawędzi o 6 mm z uwagi na obecność metalowych elementów konstrukcyjnych obudowy. Płytka zasilacza ma dwa dodatkowe otwory znajdujące się pomiędzy kondensatorami elektrolitycznymi, które są stosunkowo ciężkie. Długi laminat mógłby się wyginać, a dodając co najmniej jeden punkt podparcia można temu zapobiec.

Na obu płytkach znajdują się wyłącznie elementy montowane techniką przewlekaną, więc do ich polutowania wystarczy zwykła lutownica, niezbyt grube spoiwo lutownicze (tinol), kalafonia i trochę cierpliwości. Na tym etapie nie należy montować tranzystorów przykręcanych do radiatorów, czyli:

  • T2, T3, T7 i T8 na płytce zasilacza,
  • T8, T9 i T10 na płytce wzmacniacza.
Fotografia 1. Wygląd zmontowanej płytki zasilacza

Szczegółowy widok obu tych płytek po zmontowaniu (już z tranzystorami) został pokazany na fotografiach 1 i 2. Tranzystory zostaną przylutowane do płytek po zamontowaniu ich w obudowie, o czym dalej. W ten sposób będzie można idealnie dobrać długość ich wyprowadzeń.

Fotografia 2. Wygląd zmontowanej płytki wzmacniacza

Tranzystory T1 i T2, T4 i T5 oraz T6 i T7 powinny pracować w możliwie zbliżonych warunkach termicznych. Zostały na płytce umiejscowione w taki sposób, aby dało się skleić ze sobą ich płaskie fragmenty obudów. Odrobina kleju termoprzewodzącego, nałożonego na odtłuszczone powierzchnie, oraz ściśnięcie ze sobą szczypcami załatwi sprawę. Na fotografii 2 są widoczne na tranzystorach białe ślady tego kleju, którego nadmiar wyciekł spomiędzy obudów. Można również te tranzystory skleić przed wlutowaniem w płytkę.

Fotografia 3. Wygląd wewnętrznej konstrukcji wzmacniacza

Wygląd wewnętrznej konstrukcji wzmacniacza został pokazany na fotografii 3. Dokładny opis przygotowania obudowy oraz przebieg procesu uruchamiania wzmacniacza zostanie opisy w kolejnej części artykułu.

Michał Kurzela, EP

Wykaz elementów: Płytka zasilacza
Rezystory: (THT o mocy 0,6 W i tolerancji 1% jeżeli nie napisano inaczej)
  • R1, R2: 4,7 Ω
  • R3, R10: 4,7 kΩ
  • R4, R9: 18 Ω
  • R5, R6, R11, R12: 0,47 Ω 3 W
  • R7, R13: 3,9 kΩ (opis w tekście)
  • R8, R14: 1,2 kΩ
Kondensatory:
  • C1, C2, C7, C14, C21, C22, C24, C26, C27, C29: 100 nF/100 V raster 5 mm MKT
  • C3…C6: nie montować (opis w tekście)
  • C8…C20: 4700 μF/50 V raster 10 mm, średnica max. 22 mm
  • C23, C25, C28, C30: 220 μF/35 V raster 3,5 mm średnica 8 mm
Półprzewodniki:
  • D1…D4: SBT10100
  • D5, D6, D8, D9: 1N4148
  • D7, D10: dioda Zenera 5,1 V/1,3 W THT
Pozostałe:
  • J1, J2: ARK3/750
  • T1, T9, T10: BD140
  • T2, T3: BD243C lub odpowiednik
  • T4…T6: BD139
  • T7, T8: BD244C lub odpowiednik
Płytka wzmacniacza
Rezystory: (THT o mocy 0,6 W i tolerancji 1% jeżeli nie napisano inaczej)
  • R1, R2: 4,7 Ω
  • R3, R4, R8, R9: 47 Ω
  • R5, R6, R16: 15 kΩ
  • R7, R23, R24: 470 Ω
  • R10: 8,2 kΩ
  • R11, R15, R19, R20: 1,2 kΩ
  • R12…R14: 3,9 kΩ
  • R17, R18: 249 Ω
  • R21, R22: 100 Ω
  • R25, R26: 0,22 Ω 3 W
  • R27: 10 Ω 3 W
  • P1, P2: 100 Ω montażowy, jednoobrotowy, leżący
  • P3: 20 kΩ montażowy Helitrim 3296W
Kondensatory:
  • C1, C2, C4, C5, C7, C9, C15, C17, C21, C22, C24: 100 nF/100 V raster 5 mm MKT
  • C3, C6: 4700 μF/50 V raster 10 mm, średnica max. 22 mm
  • C8, C10, C14, C23: 220 μF/35 V raster 3,5 mm średnica 8 mm
  • C11, C13, C16, C18: 100 μF/25 V raster 3,5 mm średnica 8 mm bipolarny elektrolityczny np. ECEA1EN101U Panasonic (opis w tekście)
  • C12: 470 pF 50 V ceramiczny C0G raster 5 mm
  • C19, C20: 150 pF 50 V ceramiczny C0G raster 5 mm
Półprzewodniki:
  • D1, D2: 1N5819
  • D3: dioda Zenera 3,3 V/0,5 W THT
  • D4…D7: dioda Zenera 12 V/0,5 W THT
  • T1, T2, T6, T7: BC550C (opis w tekście)
  • T3: BC546
  • T4, R5: BC560C
  • T8: BD139
  • T9: IRFP240
  • T10: IRFP9240
Pozostałe:
  • F1, F2: bezpieczniki szybkie F2A 5×20 mm + blaszki do druku (GN BEZP DRUK)
  • J1, J3: ARK3/750
  • J2: ARK2/500
Pozostałe komponenty użyte do budowy wzmacniacza
Obudowa MINI DISSIPANTE 2U – 1MNPDA02/33/300B – panel 10mm – SREBRNY z frezowaniem i płytą montażową Mini PD 33/250 244×240mm (opis w tekście)
Transformator 100 VA toroidalny 230 VAC 2×21 V 2×2,38 A (TST100 21V-21V) z mocowaniem
Gniazdo BNC przykręcane do obudowy (GNIAZD BNC4)
Gniazdo RCA przykręcane do obudowy (ACJD-RED)
Zaciski laboratoryjne: czerwony (3250-RT) i czarny (3250-SW)
Gniazdo zasilania IEC z bezpiecznikiem, przykręcane (GN ZAS.6200)
Bezpiecznik zwłoczny T2A 5×20 mm
Oprawka diody LED 5 mm (LED OPRAW 11)
Dioda LED czerwona 5 mm (L-53HD)
Rezystor 6,8 kΩ 0,6 W do diody LED
Przełącznik ON-OFF dźwigniowy (KN3D-101)
Gałka na oś 6 mm (GAŁ RN-113A)
Potencjometr ALPS 2×10 kΩ logarytmiczny RK271
Płytka do podłączenia potencjometru RK271 (opis w tekście)
Przewód ekranowany 1 żyłowy
Przewody 2,5 mm², 1,5 mm² i 0,22 mm² (szczegóły w tekście)
5 podkładek silikonowych TO220
2 podkładki silikonowe TO247
4 tulejki izolacyjne TO220
10 tulejek dystansowych 8 mm, gwint wew/zew, poliamid
4 śrubki M2,5 5 mm (do złącza BNC)
Oczko lutownicze M3
Śrubki M3 i nakrętki
Opaski zaciskowe z tworzywa sztucznego
Klej termoprzewodzący
Pasta termoprzewodząca
Artykuł ukazał się w
Elektronika Praktyczna
marzec 2022
DO POBRANIA
Materiały dodatkowe
Elektronika Praktyczna Plus lipiec - grudzień 2012

Elektronika Praktyczna Plus

Monograficzne wydania specjalne

Elektronik listopad 2025

Elektronik

Magazyn elektroniki profesjonalnej

Raspberry Pi 2015

Raspberry Pi

Wykorzystaj wszystkie możliwości wyjątkowego minikomputera

Świat Radio listopad - grudzień 2025

Świat Radio

Magazyn krótkofalowców i amatorów CB

Automatyka, Podzespoły, Aplikacje listopad - grudzień 2025

Automatyka, Podzespoły, Aplikacje

Technika i rynek systemów automatyki

Elektronika Praktyczna listopad 2025

Elektronika Praktyczna

Międzynarodowy magazyn elektroników konstruktorów

Elektronika dla Wszystkich grudzień 2025

Elektronika dla Wszystkich

Interesująca elektronika dla pasjonatów