Stacja pogodowa WS-01

Stacja pogodowa WS-01

Pomysł na projekt został zainicjowany wtedy, gdy zepsuła się stacja pogodowa, z której dotąd korzystałem. Ponieważ wcześniej już wykonywałem projekt miernika temperatury, ciśnienia oraz wilgotności, postanowiłem zmodyfikować tę konstrukcję dodając do niej kolorowy wyświetlacz. Ponadto, poprzedni projekt był wyposażony w przetwornicę zasilającą zbudowaną z elementów dyskretnych, co dawało bardzo szeroki zakres napięć zasilających, ale też przekładało się na niski koszt elementów. Postanowiłem zaimplementować to ciekawe rozwiązanie, także w nowym projekcie.

Podstawowe parametry:
  • mierzy temperaturę, wilgotność względną powietrza oraz ciśnienie atmosferyczne,
  • ensorem parametrów środowiskowych jest popularny czujnik BME280,
  • pomiary prezentowane są na kolorowym wyświetlaczu o przekątnej 3,2 cala,
  • stację należy zasilać wyłącznie z zewnętrznego zasilacza stabilizowanego 18 V.

Sensorem parametrów środowiskowych jest popularny czujnik BME280 komunikujący się z mikrokontrolerem za pomocą interfejsu I2C. Jest on łatwo dostępny w postaci gotowej płytki PCB z wyprowadzeniami typu goldpin, którą można łatwo zastosować w różnych aplikacjach.

Stacja może być zasilania napięciem z bardzo szerokiego przedziału: 24...230 V AC/DC. Jednak zastosowana przetwornica zasilania nie zapewnia separacji galwanicznej od sieci zasilającej, dlatego ze względów bezpieczeństwa zalecane jest zasilanie urządzenia napięciem o wartości 18 V DC z zewnętrznego zasilacza. W takich warunkach tranzystory kluczujące przetwornicy po prostu pozostają otwarte. Jednak rozwiązanie układowe jest bardzo interesujące i dla jego lepszego zrozumienia opiszę cały układ tak, jakby miał pracować z napięciem 230 V AC. Pozwoli to lepiej zrozumieć działanie układu przetwornicy.

Budowa i działanie

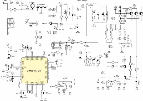
Schemat ideowy stacji pogodowej został pokazany na rysunku 1. Zasilanie doprowadzane jest do złącza SUPPLY. Rezystory wejściowe R1, R2, R3, R4, tworzą wraz z kondensatorami C1, C2, C3 filtr wejściowy, oraz zabezpieczają stację w przypadku zwarcia któregoś elementu. Za rezystorami został umieszczony warystor R5 zabezpieczający układ przed przepięciami. Mostek MB6S prostuje napięcia zasilające, które trafia do przetwornicy.

Rysunek 1. Schemat elektroniczny stacji pogodowej

W pierwszej chwili tranzystory T1, T2 pozostają otwarte. Prąd płynący do odbiornika, po krótkim czasie, zależnym od stałej czasowej t=L/R, osiąga określoną wartość, a wtedy spadek napięcia na rezystorze R17 powoduje wysterowanie tranzystorów Q1 oraz Q2. W tym momencie tranzystory kluczujące T1 i T2 zostaną zatkane. Rezystory R12 i R13 dodatkowo wyrównują prądy płynące przez tranzystory Q1 i Q2. W momencie gwałtownego zatkania tranzystorów T1 i T2, dławik indukuje napięcie o przeciwnej biegunowości, utrzymujące przepływ prądu przez odbiornik oraz obwód złożony z diody D1 oraz rezystorów R15, R16, R17. Gdy przez wspomniane rezystory przepływa prąd, to powoduje powstanie na nich spadku napięcia, który podtrzymuje wysterowanie tranzystorów Q1 oraz Q2. Wartość prądu we wspomnianym obwodzie zmniejsza swoją wartość wykładniczo ze stałą czasową t (stany nieustalone w obwodach elektrycznych). W momencie zmniejszenia tej wartości poniżej progu, który powoduje wysterowanie tranzystorów Q1, Q2, następuje ponowne otwarcie tranzystorów T1, T2.

Przetwornica stabilizuje prąd wyjściowy, którego wartość obliczono na około 120 mA. Diody Zenera D2, D9 mają za zadanie stabilizowanie napięcia. Dalsza część układu stanowi zabezpieczenie przed zwarciem oraz przeciążeniem za pomocą źródła prądowego, które tworzą tranzystory T3, T4 i T5. Za pomocą rezystorów R29, R30 i R31 jest ustalany prąd płynący przez tranzystory, który zależy także od spadku napięcia na diodach D3 i D5. Kondensatory C5, C9 filtrują napięcie stabilizowane za pomocą diod Zenera D2, D9.

W przypadku braku obciążenia np. na skutek odłączenia wyświetlacza, przetwornica spowodowałaby przepływ całego prądu przez diody Zenera, co doprowadziłoby do ich uszkodzenia na skutek przegrzania. Dlatego do układu zostało dodane lustro prądowe z tranzystorami NPN, które ma za zadanie dodatkowo obciążyć przetwornicę w przypadku przerwy w obwodzie lub znacznego zmniejszenia obciążenia (tak sytuacja może wystąpić w trakcie normalnej pracy urządzenia). Lustro prądowe zostało tak obliczone, aby w razie konieczności obciążyło przetwornicę prądem około 100 mA.

Lustro prądowe jest tworzone przez tranzystory Q3, Q4, Q5 i Q6 wraz z rezystorami R18...R28. Co prawda, w takiej konfiguracji powinno się zastosować tranzystory w układzie monolitycznym, ale ze względu na to, że nie jest wymagana wysoka dokładność tego obwodu, oraz tranzystory muszą zapewniać rozpraszanie odpowiedniej mocy, zastosowano cztery klasyczne tranzystory NPN. Tranzystor Q3 jest połączony równolegle z tranzystorem Q4, natomiast tranzystor Q5 jest połączony równolegle z tranzystorem Q6. Rezystory R19, R20, R22 i R23 mają za zadanie wyrównanie prądów płynących przez tranzystory. Przez gałąź lustra z tranzystorami Q5, Q6 zaczyna płynąć prąd obciążający o wartości powodującej taki spadek napięcia na rezystorze R24, aby zgadzało się drugie prawo Kirchhoffa w obwodzie R21, R20, VBEQ3, VBEQ4, R22, R24. Wartość potrzebnego spadku napięcia na rezystorze R24 jest ustalana za pomocą rezystorów R18, R19, R20, R21. Zmieniając wartość rezystora R21 można zmieniać wartość prądu obciążającego.

Napięcie z zabezpieczającego źródła prądowego jest podawane na dyskretny regulator LDO zbudowany z tranzystorów Q7...Q11, rezystorów R32...R41 oraz diody Zenera D4. Dioda Zenera D4 dostarcza napięcie odniesienia dla stabilizatora LDO. Głównym układem sterującym tranzystorem MOSFET z kanałem P – Q12 jest wzmacniacz różnicowy zbudowany z tranzystorów Q9 i Q10, rezystorów R35 i R36 oraz źródła prądowego z tranzystorami Q7 i Q8. Parametry źródła prądowego są ustalane za pomocą rezystora R34. Za pomocą dzielnika z elementów R40 i R41 jest ustalana wartość napięcia wyjściowego za regulatorem LDO. Kondensatory C6, C7, C8 wraz z rezystorem R42, tworzą filtr dolnoprzepustowy dla napięcia zasilającego mikrokontroler, sensor oraz wyświetlacz.

Czujnik BME280 jest połączony przewodem ze stacją pogodową, dlatego linia zasilająca dla tego czujnika została zabezpieczona przed zwarciem. Układ zabezpieczający tworzą tranzystory Q15 i Q16 oraz rezystory R47, R49. Za pomocą rezystora R47, jest ustalana wartość prądu przy którym zadziałają zabezpieczenia. Kondensatory C20 i C21 filtrują zasilanie do czujnika.

Mikrokontroler sterujący pracą wyświetlacza oraz komunikujący się z czujnikiem to STM32F105RCT6, taktowany rezonatorem zewnętrznym 8 MHz. Kondensatory C10...C13 filtrują zasilanie procesora. Układ RC zbudowany z rezystora R44 oraz kondensatora C16 zapewnia prawidłowy reset procesora po włączeniu zasilania. Z kolei rezystor R43 zapewnia prawidłowe bootowanie mikrokontrolera po włączeniu zasilania. Złącze PRG służy do zaprogramowania oraz debugowania mikrokontrolera za pomocą interfejsu SWD. Złącze DISPLAY-CON służy do podłączenia wyświetlacze TFT 3,2” z kontrolerem ILI9341. Mikrokontroler komunikuje się z wyświetlaczem za pomocą interfejsu SPI. Rezystory R51 oraz R52 mają za zadanie podciągać linie SDA, SCL interfejsu I2C. Do zacisku FOTO należy podłączyć fotodiodę.

Napięcie z anody fotodiody poprzez wtórnik emiterowy Q14 współpracujący z rezystorem R46 jest podawane na przetwornik ADC mikrokontrolera. Wejście przetwornika mikrokontrolera jest dodatkowo zabezpieczone poprzez diody D7, D8 oraz rezystor R54.

Montaż i uruchomienie

Płytka PCB została zaprojektowana w taki sposób, aby jej wymiar był zgodny z wymiarem płytki wyświetlacza, natomiast otwory montażowe pokrywały się z otworami montażowymi wyświetlacza. Elementy zostały rozmieszczone na obu warstwach płytki. W pobliżu elementów, na których może wydzielać się dużo ciepła umieszczono dużo przelotek aby poprawić odprowadzanie ciepła do otoczenia. Na stronie TOP oraz BOTTOM, została wylana masa, przy czym masy wyświetlacza, mikrokontrolera, sensora oraz regulatora LDO zostały rozdzielone od masy przetwornicy. Na całej płytce rozmieszczono przelotki aby wyrównać potencjał pomiędzy masami oraz żeby zapewnić jak najlepsze trasy dla prądów powrotnych. Schemat płytki PCB został pokazany na rysunku 2.

Rysunek 2. Schemat płytki PCB

Wszystkie elementy odpowiedzialne za zasilanie mikrokontrolera, sensora, wyświetlacza zostały umieszczone na stronie TOP natomiast pozostałe elementy umieszczono na stronie BOTTOM. Dodatkowo na stronie TOP znajduje się obszar niepokryty soldermaską. Do tego obszaru można przykleić niewielki aluminiowy radiator za pomocą kleju termoprzewodzącego.

Montaż należy rozpocząć od przylutowania wszystkich elementów SMD oprócz mikrokontrolera. Po tej czynności można przylutować elementy przewlekane. Następnie należy podłączyć napięcie zasilania 18 V do układu i sprawdzić czy zasilanie sensora, mikrokontrolera oraz wyświetlacza to 3,3 V. Jeżeli wartość napięcia się zgadza to można przystąpić do wlutowania mikrokontrolera. Po wlutowaniu mikrokontrolera można podłączyć fotodiodę do złącza oraz podłączyć sensor do płytki.

W kolejnym kroku należy podłączyć programator do złącza PRG oraz zaprogramować pamięć FLASH mikrokontrolera. Do tego celu można użyć programatora ST-LINK V2 oraz programu STM32 ST-LINK Utility. Po wgraniu programu należy podłączyć wyświetlacz oraz załączyć zasilanie. Po załączeniu zasilania stacja powinna się uruchomić po czasie około 20 s (tyle trwa cały proces inicjalizacji wraz z czasem potrzebnym na załadowanie grafik na wyświetlacz). Zmontowaną płytkę PCB pokazują fotografie 1, 2 i 3.

Fotografia 1. Wygląd zmontowanej płytki – strona BOTTOM
Fotografia 2. Wygląd zmontowanej płytki – strona TOP
Fotografia 3. Wygląd zmontowanej płytki z zamontowanym wyświetlaczem

Obudowa

Po zmontowaniu całego układu można przystąpić do umieszczenia go w obudowie. Układ zamontowany w obudowie został pokazany na fotografiach 4 i 5.

Fotografia 4. Wygląd zmontowanej płytki umieszczonej w obudowie
Fotografia 5. Wygląd urządzenia oraz czujnika zamkniętych w zaprojektowanych obudowach

Obudowa do stacji pogodowej została wykonana w technice druku 3D. Poza obudową dla płytki zawierającej mikrokontroler została zaprojektowana dodatkowa obudowa dla czujnika BME280, widoczna na fotografii tytułowej. Składa się ona z dwóch części, w których należy umieścić czujnik, a następnie skleić je ze sobą – rysunek 3.

Rysunek 3. Projekt obudowy czujnika
Rysunek 4. Projekt obudowy dla stacji pogodowej WS-01

Główna obudowa, która składa się z części frontowej oraz tylnej klapki została pokazana rysunku 4. Płytki PCB należy przymocować do obudowy za pomocą śrubek oraz nakrętek 3 mm. Część tylną oraz przednią obudowy głównej należy połączyć ze sobą również przy pomocy śrubek 3 mm.

Krzysztof Miękus
lordwest1989@tlen.pl

Wykaz elementów:
Rezystory:
  • R1, R2, R3, R4: 2,2 Ω (SMD0805)
  • R5: S05 kΩ250 kΩ (THT)
  • R6, R7, R8, R9: 100 kΩ (SMD1206)
  • R10, R11, R12, R13: 10 Ω (SMD0805)
  • R14: 1 kΩ (SMD1206)
  • R15: 4,7 Ω (SMD0805)
  • R16: 4,7 Ω (SMD0805)
  • R17: 3,9 Ω (SMD1206)
  • R18: 3,3 kΩ (SMD0805)
  • R19, R20, R22, R23: 2 Ω (SMD0805)
  • R21: 330 Ω (SMD0805)
  • R24: 10 Ω (SMD1206)
  • R25, R26, R27, R28, R42: 47 Ω (SMD1206)
  • R29, R30, R31: 14 Ω (SMD0805)
  • R32: 2,2 Ω (SMD0805)
  • R33, R36, R39, R44, R46, R51, R52, R53, R56: 10 kΩ (SMD0805)
  • R34: 560 Ω (SMD0805)
  • R35, R37: 1 kΩ (SMD0805)
  • R38: 100 kΩ (SMD0805)
  • R40: 4,7 kΩ (SMD0805)
  • R41: 100 Ω (SMD0805)
  • R43: 510 Ω (SMD0805)
  • R45: 22 Ω (SMD0805)
  • R47: 33 Ω (SMD0805)
  • R48: 6,8M Ω (SMD0805)
  • R49: 2 kΩ (SMD0805)
  • R54: 2,2 kΩ (SMD0805)
Kondensatory:
  • C1, C2, C3: 100 nF/500 V (SMD1812)
  • C4, C6, C10, C11, C12, C13, C14, C15, C16, C17, C18, C19, C20, C21, C28: 100 nF/50 V (SMD0805)
  • C5, C9: 220 μF/25 V elektrolityczny
  • C7, C8: 47 μF/25 V elektrolityczny
Półprzewodniki:
  • B1: MB6S (SOIC-4)
  • TR1: 22 V (DO214AC)
  • D1: EGL1J-600V (MINIMELF)
  • D2, D9: 5,6 V/0,5 W (SOD80C)
  • D3, D5, D7, D8: (MINIMELF)
  • D4, D6: 3,3 V/0,5 W (SOD80C)
  • Q1, Q2: PMBTA45,215 (SOT23)
  • Q12: Si2319 (SOT23)
  • Q13: 8 MHz (HC49/S)
  • Q15: AO3401 (SOT23)
  • Q3, Q4, Q5, Q6, Q11, Q14: BC817K (SOT23)
  • Q7, Q8, Q9, Q10, Q16: BC807 (SOT23)
  • T1, T2: WMO11N65C2 (TO252)
  • T3, T4, T5: FMMT717 (SOT23)
  • U2: STM32F105RCT6 (LQFP64)
Pozostałe:
  • BME280: goldpin 6×2,54
  • DISPLAY-CON: goldpin 14×2,54
  • FOTODIODA, SUPPLY: ARK254-2
  • L1: 3,9 mH/500 mA/4 Ω (THT)
  • PRG: goldpin 5×2,54
Artykuł ukazał się w
Elektronika Praktyczna
marzec 2022
DO POBRANIA
Materiały dodatkowe
Elektronika Praktyczna Plus lipiec - grudzień 2012

Elektronika Praktyczna Plus

Monograficzne wydania specjalne

Elektronik listopad 2025

Elektronik

Magazyn elektroniki profesjonalnej

Raspberry Pi 2015

Raspberry Pi

Wykorzystaj wszystkie możliwości wyjątkowego minikomputera

Świat Radio listopad - grudzień 2025

Świat Radio

Magazyn krótkofalowców i amatorów CB

Automatyka, Podzespoły, Aplikacje listopad - grudzień 2025

Automatyka, Podzespoły, Aplikacje

Technika i rynek systemów automatyki

Elektronika Praktyczna listopad 2025

Elektronika Praktyczna

Międzynarodowy magazyn elektroników konstruktorów

Elektronika dla Wszystkich grudzień 2025

Elektronika dla Wszystkich

Interesująca elektronika dla pasjonatów