Wzmacniacze wejściowe do częstościomierza (1). Rozszerzenie możliwości AVT3275

Wzmacniacze wejściowe do częstościomierza (1). Rozszerzenie możliwości AVT3275

W „Elektronice Praktycznej” oraz siostrzanej „Elektronice dla Wszystkich” były publikowane artykuły opisujące liczniki częstotliwości i czasu (EdW 9/20, EP 5/20). Są to urządzenia, które doskonale spełniają swoje zadania, ale ich możliwości można jeszcze poszerzyć. Zadaniem prezentowanych układów jest dostosowanie sygnałów, których parametry uniemożliwiały wykonanie pomiaru, do poziomów akceptowanych przez opisywane liczniki częstotliwości oraz projektowanego AVT3278.

Podstawowe parametry:
  • poszerza możliwości niemal każdego miernika częstotliwości/czasu, dopasowując parametry mierzonych sygnałów do wejść miernika,
  • zawiera wzmacniacze sygnału cyfrowego, sygnału HF oraz sygnału VHF oraz multiplekser pozwalający na wygodne przełączanie pomiędzy nimi,
  • zawiera łatwo dostępne elementy i daje możliwość dokonania różnych modyfikacji, zarówno sprzętowych, jak i programowych.

Każdy elektronik miał nieraz styczność z pomiarem częstotliwości i z pewnością potrafi sobie wyobrazić, jak duża różnorodność sygnałów wiąże się z tym zagadnieniem. Z tego względu zaprojektowano trzy rodzaje wzmacniaczy (AVT3277/1, /2, /3), a każdy może być wykonany w kilku wariantach. Jeśli istnieje potrzeba użycia kilku rodzajów wzmacniaczy, można je podłączyć do płytki multipleksera (AVT3277/0), która, poza wyborem źródła sygnału, umożliwia dodatkowy podział sygnału (/2 lub /4) oraz monitorowanie badanego sygnału. Zasadniczym przeznaczeniem tych układów jest współpraca z licznikiem częstotliwości AVT3275 ale można je podłączyć do innych mierników wyposażonych w interfejs I2C. Jeśli miernik nie ma takiego interfejsu, to sterowane można zrealizować za pomocą dodatkowego mikrokontrolera albo, po pominięciu mikrokntrolera STM32G030, ręcznie przełącznikami i potencjometrem. Największy zestaw płytek wejściowych może składać się z czterech wzmacniaczy AVT3277/1/2/3 oraz dwóch multiplekserów AVT3277/0.

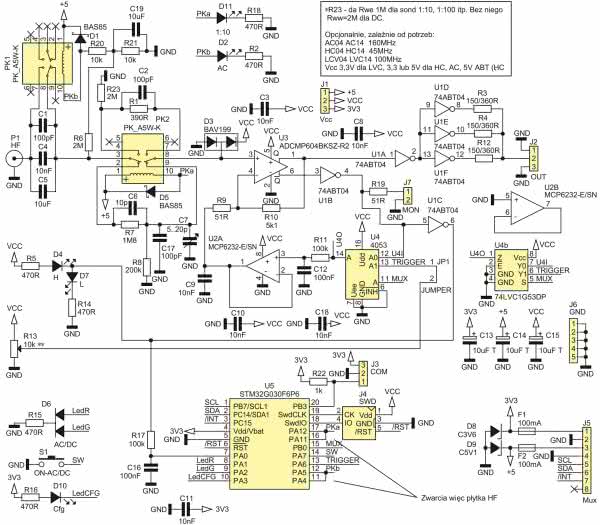
Wzmacniacz sygnału cyfrowego AVT3277/1 – budowa i działanie

Opis rozpocznę od prostej i taniej płytki wejścia cyfrowego w standardzie TTL/TTL-LV, której schemat został pokazany na rysunku 1. Sygnał wejściowy doprowadzony do gniazda BNC P1 przez kondensatory C1, C2, C3 przekazywany jest do obwodu zabezpieczającego złożonego z R3 i D2. Kondensator C4 zwiera rezystor R3 dla szybkich przebiegów wejściowych, dzięki czemu pojemność D2, U1A i pojemności montażowe nie tworzą filtru dolnoprzepustowego z R3 dla dużych częstotliwości. Gdyby jednak amplituda sygnału malała przy wysokich częstotliwościach, należy zwiększyć wartość C4. Kondensator C4 musi mieć małą wartość rezystancji szeregowej ESR, podobnie jak kondensatory wejściowe C1...C3. Właśnie z powodu ESR na wejściu użyto kondensatorów o małych pojemnościach, które najczęściej charakteryzują się małą wartością ESR oraz C2 o dużej pojemności, aby nie powstał filtr górnoprzepustowy. Ponieważ układ AVT3275 może mierzyć częstotliwości od 0,1 Hz, C2 powinien mieć ogromną wartość, co niesie za sobą wiele problemów. Z tego powodu kondensatory mogą być zwarte stykami przekaźnika PK1.

Rysunek 1. Schemat wzmacniacza sygnału cyfrowego AVT3277/1

Bramka U1A jest buforem, który steruje bramką Schmitta. Wejście bramki zabezpieczają diody zawarte w D2. Można dokonać wyboru zakresu napięć wejściowych pomiędzy Vcc a 5 V. Najczęściej będzie wybrany zakres Vcc przez zwarcie pinów 1–2 J8, ale w przypadku układów LVC konieczne jest wybranie 3,3 V przez zwarcie pinów 2–3.

W torze wejściowym przewidziano stosowanie różnych rodzin układów. Zależnie od potrzeb mogą to być układy HC, HCT, LVC, AC, ACT, ABT i inne. Nie w każdej rodzinie występują bramki Schmitta, na przykład w ABT. Z tego powodu bramka taka została zrealizowana z użyciem rezystorów R5, R7. Jeśli użyto układów z wejściami Schmitta, na przykład 74HC14, to rezystor R5 należy zastąpić zworą, a R7 nie montować. Głębokość sprzężenia zwrotnego reguluje stosunek R5 do R7. Nie należy zanadto zwiększać wartości R5, gdyż wraz z pojemnością wejściową U1B tworzy ona filtr dolnoprzepustowy.

Uformowany sygnał za pośrednictwem buforów U1E i U1F przekazywany jest na wyjście J2. Wartości rezystorów R1 i R8 należy dostosować do impedancji falowej dalszych obwodów. Jeśli połączenie będzie wykonane kablem ekranowanym, rezystory powinny mieć wartość 100 Ω dla przewodu 50 Ω, 150 Ω dla przewodu 75 Ω i 240 Ω dla skrętki 120 Ω. Jeżeli płytka wzmacniacza będzie połączona z multiplekserem, należy zastosować rezystory 100 Ω lub je pominąć.

Sygnał wyjściowy jest doprowadzony przez U1D do wyjścia J7. Można tam podłączyć oscyloskop w czasie uruchamiania płytki. Ten sam sygnał steruje diodami D3 i D4 sygnalizującymi poziom sygnału wejściowego. Dodatkowo ten sam sygnał po przejściu przez filtr dolnoprzepustowy R13, C11 doprowadzony jest do przetwornika ADC w U3.

Gdy przekaźnik PK1 jest aktywny i zwiera kondensatory wejściowe, wzmacniacz U2A nie pełni istotnej funkcji. Inaczej jest, gdy PK1 jest nieaktywny. Wtedy U2A za pośrednictwem R4 polaryzuje wejście U1A. Wartość tego napięcia ustala położenie potencjometru R11 lub wypełnienie sygnału PWM z wyjścia PA6 układu U3. Zworka JP1 pozwala odłączyć R11, który znajduje się na PCB. W takiej sytuacji do wyprowadzenia 2. JP1 można doprowadzić napięcie z zewnętrznego potencjometru znajdującego się na panelu czołowym. Nawet gdy jest zamontowany U3, można wymusić pracę z zewnętrznym napięciem, wystarczy wprowadzić U3 w stan resetu przez zwarcie wyprowadzeń 3 i 5 złącza J4. Gdy napięcie polaryzacji ustala U3, JP1 powinien być rozwarty, ponieważ skrajne położenie ślizgacza potencjometru R11 będzie powodowało zwarcie wyjścia U3 z zasilaniem lub masą układu.

Rezystor R4 ustala rezystancję wejściową 1 MΩ. Jest to typowa rezystancja spotykana w tego rodzaju przyrządach pomiarowych. Pojemność wejściową ustalają głównie D2, U1A i pojemności montażowe. Dioda D2 ma ok. 2 pF, bramka U1A ma 3...5 pF, zależnie od technologii wykonania. Wraz z pojemnościami montażowymi pojemność wejściowa wynosi około 10...15 pF.

Zastosowany na płytce mikrokontroler zapewnia komunikację i sterowanie za pośrednictwem magistrali I2C i pełni funkcję przetwornika ADC, DAC i GPIO. Dlaczego w płytce wejść zastosowano mikrokotroler? Jest on tańszy od gotowych układów, które byłyby potrzebne do zrealizowania tej funkcjonalności. Mikrokontroler zawiera przetworniki 12-bitowe i pozwala na zaimplementowanie inteligentnego algorytmu pracy sygnalizującego awarie komunikacji czy pracę samodzielną bez sterowania przez magistralę I2C. Zasadniczą funkcją mikrokontrolera jest pomiar napięcia na wejściu PA0, sterowanie polaryzacją wejścia U1A, przekaźnikiem PK1 oraz dwukolorową diodą D5, statusową D8 i odczyt stanu przycisku S1. Dzięki temu, że odczyt przycisku realizuje mikrokontroler, nie ma problemu z pozbyciem się drżenia styków czy odróżnieniem krótkiego naciśnięcia od długiego.

Przekaźnik PK1 jest sterowany bezpośrednio z portów mikrokontrolera. Aby zwiększyć ich wydajność prądową i zmniejszyć spadek napięcia na tranzystorach wyjściowych portów, połączono je po dwa razem. Niektórych Czytelników zastanowi, dlaczego przekaźniki zasilane z 5 V podłączone są bezpośrednio do portów U3 zasilanego z 3,3 V?

Otóż wejścia U3 tolerują napięcie 5 V, gdy pracują w trybie otwarty dren, dioda zabezpieczająca nie jest przyłączona do Udd U3, dzięki czemu napięcie na wyjściu nie jest ograniczone do Udd, lecz do około 5,5 V. To pozwala na bezproblemową pracę przekaźnika.

Zworka J1 pozwala wybrać napięcia zasilania U1. Dla układów 74HCTx4, 74ACTx4, 74ABT04 musi być ustawiona na 5 V. Dla 74HCx4, 74ACx4 5 V lub 3,3 V, dla 74LVC koniecznie 3,3 V. Układy LVC, AC, HC można zasilić niższym napięciem niż 3,3 V, doprowadzając je do wyprowadzenia 2 szpilek J1 (tak można dostosować płytkę do pracy z innymi napięciami, na przykład 1,8 V). Trzeba jednak zadbać o to, aby poziom wysoki wynosił co najmniej 70% napięcia zasilania układów na płytce współpracującej z płytką wzmacniacza wejściowego (na przykład płytką multipleksera), jeśli znajdują się na niej układy rodziny HC, AC, LVC lub 2,45 V dla układów ABT, HCT, ACT.

Napięcie zasilające jest filtrowane kondensatorami C6, C8, C10, C12, C13, C14. Bezpieczniki F1, F2 i diody Zenera D6, D7 tworzą proste zabezpieczenie przed skutkami błędnego podłączenia zasilania.

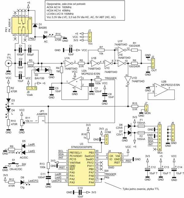
Wzmacniacz sygnału HF AVT3277/2 – budowa i działanie

Następną płytką jest wzmacniacz sygnału HF z komparatorem, której schemat został pokazany na rysunku 2. W opisie zostaną pominięte bloki występujące w płytce wzmacniacza sygnału cyfrowego, a omówione będą tylko różnice. Pierwszą z nich jest tłumik 1:10 przyłączany za pomocą styków przekaźnika PK2. W stanie spoczynkowym przekaźnika tłumik jest włączony (R7 i R8). Kompensację częstotliwością zapewnia C6 i C17 wraz z trymerem C7. Gdy przekaźnik jest włączony, tłumik jest odłączony, a sygnał wejściowy jest przekazywany, podobnie jak w przypadku wzmacniacza sygnału cyfrowego, przez szeregowy rezystor R1 i kondensator C2.

Rysunek 2. Schemat wzmacniacza sygnału HF AVT3277/2

Napięcie spoczynkowe w trybie AC zapewniają rezystory R20, R21 i R6. Wynosi ono 2,5 V i w razie potrzeby można je zmienić, korygując wartość R20 lub R21. Kondensator C19 filtruje to napięcie. W trybie DC, gdy przekaźnik PK1 jest aktywny, rezystor R6 zwarty jest do masy za pośrednictwem R21. Rezystor R23 gwarantuje rezystancję wejściową 1 MΩ, także dla wyłączonego dzielnika 1:10, gdy nie wtrąca on swojej rezystancji 2 MΩ przez połączone szeregowo rezystory R7 i R8.

W odróżnieniu od rozwiązania z rysunku 1, sygnał wejściowy jest kształtowany przez szybki komparator U3. Wyjście proste komparatora (wyprowadzenie 1) buforowane bramką U1A steruje buforami U1D, U1E i U1F, z których sygnał jest kierowany na wyjście J2. W odróżnieniu od rozwiązania z rysunku 1 tu trzy, a nie dwa bufory sterują linią wyjściową, dlatego rezystancje na wyjściach są inne. Sygnał dla monitora (wyjście J7) i sterowania diodami D4, D7 jest pobierany w wyjścia zanegowanego komparatora.

Poza diodami, filtrem dolnoprzepustowym R17, C16, zanegowane wyjście komparatora doprowadzone jest także do klucza analogowo-cyfrowego U4 (U4b). Pozwala to na wybór poziomu wyzwalania pomiędzy potencjometrem R13 czy wyjściem PA6 układu U3 (tryb MANUAL) a sygnałem wyjściowym komparatora (tryb AUTO). Pozostała funkcjonalność płytki jest taka sama jak układu wzmacniacza sygnału cyfrowego.

Wzmacniacz sygnału VHF AVT3277/3 – budowa i działanie

Ostatnia z płytek to wzmacniacz sygnału VHF, którego schemat został pokazany na rysunku 3. Na płytce można zastosować preskaler typu MC12080 (od 100 MHz do 1,4 GHz) i MC12079 (od 250 MHz do 2,8 GHz) oraz układ typu μPB1507 (od 500 MHz do 3 GHz) zasilane, zależnie od wersji, napięciem 3,3 V lub 5 V. Wyboru napięcia dokonujemy, zwierając odpowiednie wyprowadzenia J7.

Rysunek 3. Schemat wzmacniacza sygnału VHF AVT3277/3

Tranzystor T1 załącza zasilanie preskalera tylko wtedy, gdy płytka wejściowa jest aktywna, co eliminuje generowanie zakłóceń na inne płytki wejściowe, ponieważ preskaler jest samooscylujący, a to oznacza, że gdy nie ma sygnału wejściowego, na wyjściu generuje jakąś niestabilną częstotliwość. Dodatkową zaletą odłączania zasilania nieużywanego preskalera jest zmniejszenie poboru prądu – trzeba mieć na uwadze, że w mierniku można zamontować kilka płytek z preskalerami.

Dioda D1 zabezpiecza wejście, ale należy mieć świadomość wpływu pojemności D1 na pracę układu. Można rozważyć pominięcie tego elementu w czasie montażu. Wartość R1 zależy od preskalera, dla MC12080 wynosi 820 Ω, dla MC12079 1,2 kΩ, a μPB1507 nie wymaga rezystora.

Rezystory drabinki RP1 zapewniają napięcie 5 V w stanie wysokim dla obwodów zasilanych tym napięciem (wyjścia PA0, PB11 i PB12 pracują w trybie otwarty dren). Zworę ZW1 należy założyć, gdy używany jest MC12080, w przypadku μPB1507 musi być bezwzględnie zdjęta, natomiast dla MC12079 nie można znaleźć informacji na temat wyprowadzenia 7 układu, co sugeruje, że zwora Z1 nie ma znaczenia.

Zależnie od typu preskalera należy wlutować odpowiednie rezystory R12 i R13. Dla MC12080 R12=0 Ω, R13 niewlutowany, dla MC12079 R12 niewlutowany, R13=0 Ω, μPB1507 R12=2 kΩ R13=18 kΩ. Dzięki temu miernik AVT3275 dobierze odpowiednie mnożniki przy wyświetlaniu wyniku pomiaru.

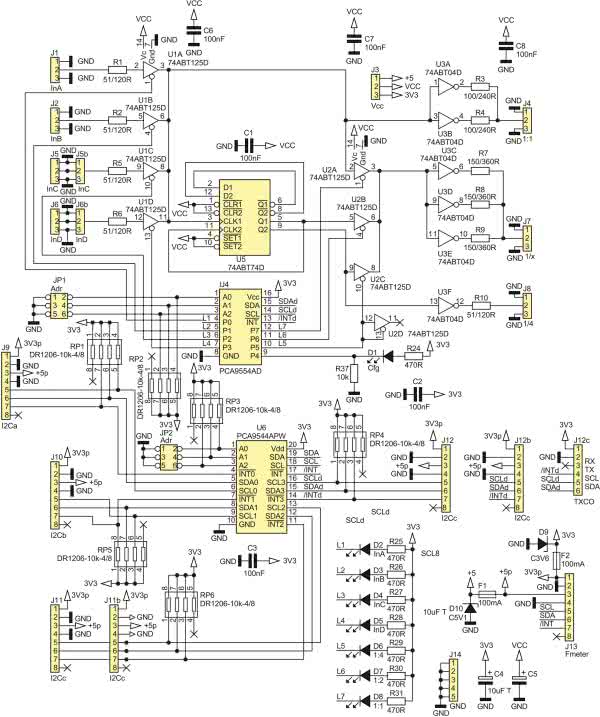
Multiplekser wzmacniaczy sygnału AVT3277/0 – budowa i działanie

Powyżej opisane płytki mogą pracować samodzielnie, jeśli jednak istnieje potrzeba podłączenia kilku płytek wzmacniaczy do jednego wejścia miernika, to można zrealizować z użyciem multipleksera AVT3277/0. Jego budowa nie jest skomplikowana, a schemat został pokazany na rysunku 4. Sygnały wejściowe pochodzące z maksymalnie czterech płytek wzmacniaczy wejściowych doprowadzone są do złączy J1, J2, J5, J6. Aby wybrać sygnał jednej z czterech płytek wzmacniaczy, nie zastosowano multipleksera, ale cztery bramki z wyjściem 3-stanowym układu U1 ze względu na to, że asortyment bardzo szybkich układów rodziny ABT jest dość ubogi. Sygnał ten jest dzielony przez dwa i cztery w przerzutniku T zrealizowanym z przerzutnika D układu U5. Układ U2 pozwala wybrać, czy na wyjście J7 przekazać sygnał ze wzmacniacza wejściowego, czy podzielony przez dwa lub cztery. Dodatkowo dostępne są wyjścia sygnału bez podziału na złączu J4 oraz po podziale przez cztery na J8.

Rysunek 4. Schemat multipleksera wzmacniaczy sygnału AVT3277/0

Wyjście J4 (sygnał 1:1) może być wyprowadzone, jak w prototypie, na złącze BNC dostępne z tyłu obudowy, do którego podłącza się oscyloskop. Podgląd sygnału może być bardzo pomocny przy manualnym ustawianiu poziomu wyzwalania lub kontroli automatycznego ustalania poziomu, który ma spore ograniczenia zwłaszcza przy większych częstotliwościach. Sygnały dostępne na J4, J7, J8 są buforowane bramkami układu U3. Podobnie jak w przypadku płytek wzmacniaczy, zastosowano tu bufory wyjściowe z włączonymi równolegle rezystorami, których rezystancję należy dostosować do impedancji przewodów (zwykle będzie to przewód ekranowany 50 Ω).

Bramkami układów U1 i U3 steruje ekspander I2C układ U4 typu PCA9554AD. Układ ten jest bardziej zaawansowaną wersją układu PCF8574. Podstawową zaletą PCA9554 w stosunku do PCF8574 jest komunikacja I2C z zegarem 400 kHz, a nie 100 kHz, oraz rejestr kierunku pozwalający na pracę wyjścia w trybie push-pull, a nie pull-up jak na przykład w układach serii 8051, co ogranicza maksymalny prąd wyjściowy w stanie wysokim oraz stromość narastania zboczy sygnału.

Drugim układem związanym z magistralą I2C jest multiplekser PCA9544APW (U6). Pozwala on rozdzielić jedną magistralę I2C na cztery. Dzięki temu każda z płytek wzmacniaczy ma ten sam adres. Program częstościomierza AVT3275 sprawdza obecność płytek wzmacniaczy na poszczególnych slotach. Bez tego mechanizmu każda z płytek musiałaby mieć inny adres, ustalany na przykład zworkami. Zastosowany w nich STM32G030F6 nie ma wystarczającej liczby wyprowadzeń, aby na każdej z wersji ustawić inny adres, co wiązałoby się z koniecznością zastosowanie innego, droższego mikrokontrolera zajmującego na płytce większą powierzchnię. Co gorsza, takie rozwiązanie byłoby podatne na błędy użytkownika, związane ze złym ustawieniem adresu, bo w I2C nie ma unikalnych adresów jak w 1-Wire. Rozwiązanie z PCA9544 pozwala uniknąć takich problemów. Kolejną zaletą PCA9544 jest obsługa linii przerwań. Co prawda w AVT3275 ta funkcja nie jest wykorzystana, ale w innych rozwiązaniach może być przydatna. Mikrokontrolery na płytkach wzmacniaczy mogą zgłaszać przerwania. Aktualnie jest to przerwanie od resetu płytki i przycisku, ale niewykluczone, że w kolejnych wersjach programu czy kolejnych wersjach płytek źródeł przerwań będzie więcej.

Dlaczego zrealizowana jest obsługa aż czterech wejść w sytuacji, gdy AVT3275 ma tylko dwa wejścia? Trudno zrealizować jedno uniwersalne wejście, które działałoby prawidłowo zarówno dla sygnałów 0,1 Hz, jak i 200 MHz, a także dla sygnałów logicznych 1,8 V czy radiowych o poziomie kilku mV, jak i dziesiątek czy setek woltów. Z tego powodu można zbudować kilka wzmacniaczy zoptymalizowanych do określonych warunków. Przykładowo może to być płytka dla poziomów TTL 5 V, kolejna dla 1,8 V oraz preskaler na kilka GHz. Dzięki identyfikacji płytki przez oprogramowanie, zawarte w mikrokontrolerze na płytce wzmacniacza, licznik częstotliwości wie, czy płytka zawiera preskaler i może uwzględnić to przy wyświetlaniu wyniku pomiaru.

W częstościomierzu przewidziano możliwość podłączenia dwóch płytek multiplekserów, stąd na JP2 wyprowadzono wejścia adresowe. W sytuacji, gdy są dwie płytki, należy je zmontować, zachowując pewne reguły związane z montażem złączy, bo płytki montowane są na tak zwaną kanapkę. Dzięki dwóm płytkom multiplekserów dowolna płytka wejściowa może zostać podłączona do dowolnego z dwóch wejść częstościomierza AVT3275/3278. W wersji z jednym multiplekserem wejście A AVT3275 podłączone jest do multipleksera (wyjście J7), natomiast wejście B do jednego z wejść J1, J2, J5 lub J6 przez przylutowanie na stronie bottom płytki złącza NS25-W3P albo w miejscu złącza J5b, J6b.

Wyjaśnienia wymaga jeszcze wyprowadzenie na złącze J8 sygnału podzielonego przez cztery. Wynika to także z obecności sygnału bez podziału na J4, które może służyć do podglądu sygnału na oscyloskopie. W przypadku gdy miernik nie potrafi mierzyć większych częstotliwości, które jest w stanie dostarczyć płytka wejść, sygnał może zostać podzielony przez dwa lub cztery, aby dostosować go do możliwości miernika. Przykładowo, gdy miernik został zrealizowany na popularnym AVRmega/tiny, co ogranicza pomiar do 10 lub nawet 8 MHz, a płytka z układami 74HC potrafi dostarczyć sygnały do 45, a nawet 50 MHz. Podział przez 4 pozwoli mierzyć miernikiem o zakresie 10 MHz sygnały do 40 MHz. Niestety, dzielnik powoduje utratę rozdzielczości, a co gorsza, uniemożliwia pomiar czasu impulsu (możliwy jest tylko pomiar okresu sygnału). To oznacza, że dzielnik należy przyłączyć wtedy, gdy jest to niezbędne.

Gdy o przyłączeniu dzielnika decyduje operator miernika, problemu nie ma, ale gdy funkcję tę realizuje automatyka miernika, zaczynają się problemy. Gdy zostanie podany sygnał o zbyt dużej częstotliwości, miernik zmierzy go, przy czym wynik będzie niezgodny z rzeczywistością. Najczęściej pomiar będzie niestabilny, ale może się zdarzyć, że pomiar będzie stabilny, a częstotliwość niezgodna z rzeczywistą. Dzięki wyjściu J8 można mierzyć sygnał dodatkowym timerem, oszacować częstotliwość (pomiar nie musi być dokładny) i odpowiednio ustawić dzielnik. Wydawać się może, że do automatycznej zmiany stopnia podziału wystarczy tylko dodatkowy sygnał podzielony przez cztery. Byłoby tak, gdyby nie możliwość pomiaru długich czasów. Przy pomiarze czasu 10 sekund i włączonym dzielniku przez cztery stwierdzenie, czy sygnał występuje, czy nie, trwałoby 40 sekund zamiast dziesięciu. Można co prawda mierzyć głównym wejściem sygnał bez podziału, dodatkowym timerem podzielonym przez cztery, po pomiarze odpowiednio ustawić dzielnik, ale co w sytuacji, gdy po pomiarze wysokiej częstotliwości rozpoczniemy pomiar niskiej? Podzielnik będzie ustawiony na cztery! Tu z pomocą przychodzi wyjście J4, które nawet nie musi być doprowadzone do timera, wystarczy, aby programowo sprawdzać, czy zmienia stan. Razem z wynikiem pomiaru sygnału z J8 pozwoli to oszacować mierzoną częstotliwość. Dzięki temu automatyka pomiaru działa najszybciej jak to możliwe. Niestety AVT3275 nie ma dodatkowych wejść pomiarowych, ale będzie w nie wyposażony AVT3278. Możliwy byłby taki pomiar w AVT3275, korzystając z wejścia timera przeznaczonego do pomiaru sygnału 1 pps oraz dodatkowego wejścia rezerwowego. Jeśli Czytelnicy będą zainteresowani taką wersją programu, powstanie odpowiednia modyfikacja oprogramowania.

Uwaga! Sygnały na wyjściach J4, J7 i J8 są zanegowane. Program AVT3275 uwzględnia ten fakt i gdy wykryje płytkę AVT3277/0, zamienia zmierzone czasy impulsów niskiego i wysokiego pomiędzy sobą.

Magistrala I2C w pewnych warunkach może zostać zablokowana przez slave. Dzieje się tak w przypadku, kiedy transmisja zostanie przerwana w czasie, gdy slave wystawia na SDA stan niski. Reset mikrokontrolera nie rozwiązuje problemu, bo kontroler stwierdza, że trwa transmisja i komunikuje przegranie arbitrażu na magistrali. Wyjściem z tej sytuacji jest wyłączenie i włączenie zasilania slave. Nie jest to jednak elegancie rozwiązanie. Można inaczej odblokować slave – wystarczy wygenerowanie dziesięciu impulsów na linii SCL. W przypadku AVT3275 sytuacja jest bardziej skomplikowana, ponieważ na magistrali znajdują się multipleksery. Z tego powodu oprogramowanie cyklicznie sprawdza każdą z magistral za multiplekserem, testuje ją i w razie wykrycia nieprawidłowości próbuje odblokować slave.

Podsumowanie

W kolejnej części artykułu dokończymy opis sprzętu i omówimy szczegóły montażu wszystkich płytek. Uruchomiony miernik częstotliwości i czasu z zamontowanymi wzmacniaczami sygnałów wejściowych został zaprezentowany na fotografii 1.

Fotografia 1. Uruchomiony miernik częstotliwości i czasu z zamontowanymi wzmacniaczami sygnałów wejściowych

SaS
sas@elportal.pl

Wykaz elementów: wzmacniacz sygnału cyfrowego AVT3277/1
Rezystory: (SMD1206, o ile nie opisano inaczej)
  • R1, R8: 100/240 Ω
  • R2, R9, R10: 470 Ω
  • R3: 390 Ω
  • R4: 1 MΩ
  • R6, R12…R14: 100 kΩ
  • R5, R15: 51 Ω
  • R7: 10 kΩ
  • R16: 1 kΩ
  • R11: 10 kΩ potencjometr montażowy THT
Kondensatory: (SMD1206)
  • C1, C4: 100 pF
  • C2, C5, C6, C8, C10: 10 nF
  • C3: 10 µF
  • C7, C11: 100 nF
  • C12…C14: 10 µF tantalowy
Półprzewodniki:
  • D1: BAS85
  • D2: BAV199
  • D3: LED czerwona 5 mm
  • D4: LED zielona 5 mm
  • D5: LED 2 kolory wspólna katoda
  • D6: C3V6 minimelf
  • D8: LED niebieska SMD1206
  • D7: C5V1 minimelf
  • D9: LED żółta SMD1206
  • U1: 74ABT04D
  • U2: MCP6232-E/SN
  • U3: STM32G030F6P6
Inne:
  • S1: mikroswitch kątowy
  • PK1: AZ850-5
  • P1: gniazdo kątowe BNC
  • F1, F2: PTC 100 mA ZH32
  • JP1: listwa goldpin 1×2
  • J1: listwa goldpin 1×3
  • J2, J8: gniazdo goldpin kątowe 1×3
  • J3: listwa goldpin 1×3
  • J4: T821-1-06-S1
  • J5: gniazdo goldpin kątowe 1×8
  • J6: listwa goldpin 1×5
  • J7: NS25-W2K
wzmacniacz sygnału HF AVT3277/2
Rezystory: (SMD1206, o ile nie opisano inaczej)
  • R1: 390 Ω
  • R2, R5, R14…R16, R18: 470 Ω
  • R3, R4, R12: 150/360 Ω
  • R6 R23 2 MΩ
  • R7: 1,8 MΩ
  • R8: 200 kΩ
  • R9, R19: 51 Ω
  • R10: 5,1 kΩ
  • R11, R17: 100 kΩ
  • R20, R21: 10 kΩ
  • R22: 1 kΩ
  • R13: 10 kΩ potencjometr montażowy THT
Kondensatory: (SMD1206)
  • C1, C2, C17: 100 pF
  • C3, C4, C8, C9, C10, C11, C18: 10 nF
  • C6: 10 pF
  • C5, C19: 10 µF
  • C7: trymer 2...25 pF
  • C12, C16: 100 nF
  • C13…C15: 10 µF tantalowy
Półprzewodniki:
  • D1: D5 BAS85
  • D2: LED żółta
  • D3: BAV199
  • D4: LED czerwona 3 mm
  • D6: LED 2 kolory wspólna katoda
  • D7: LED zielona 3 mm
  • D8: C3V6 minimelf
  • D9: C5V1 minimelf
  • D11: LED żółta
  • D10: LED niebieska
  • U1: 74ABT04
  • U2: MCP6232-E/SN
  • U3: ADCMP604BKSZ-R2
  • U4: 74HC4053D
  • U5: STM32G030F6P6
  • U4: 74LVC1G53DP
Inne:
  • S1: mikroswitch kątowy
  • P1: gniazdo kątowe BNC
  • PK1: PK2 AZ850-5
  • F1, F2: PTC 100 mA ZH32
  • JP1: listwa goldpin 1×2
  • J1:
  • listwa goldpin 1×3
  • J2, J3: gniazdo goldpin kątowe 1×3
  • J4: T821-1-06-S1
  • J5: gniazdo goldpin kątowe 1×8
  • J6: listwa goldpin 1×5
  • J7: NS25-W2K
Wykaz elementów: wzmacniacz sygnału VHF AVT3277/3
Rezystory: (SMD1206, o ile nie opisano inaczej)
  • R1, R5, R8, R9, R12, R14: 470 Ω
  • R2: 51 Ω
  • R3: 390 Ω
  • R4: R6: R7: 150/360 Ω
  • R11: 820 Ω
  • R10: 1 kΩ
  • R13: opis w tekście
  • P1: 10 kΩ potencjometr montażowy THT
  • RP1: DR1204-4/8-4D03
Kondensatory: (SMD1206)
  • C1, C6…C8 10 nF
  • C2, C3: 10 µF tantalowy
  • C4, C5: 1 nF
Półprzewodniki:
  • D1: BAV199
  • D2: C3V6 minimelf
  • D3: C5V1 minimelf
  • D4: D7 LED zielona 3 mm
  • D5: LED niebieska
  • D6: LED czerwona 3 mm
  • D8: LED niebieska 3 mm
  • T1: BC807
  • U1: MC12080DG
  • U2: STM32G030F6P6
  • U3: 74LVC04AD
Inne:
  • S1: mikroswitch kątowy
  • ZW1: zwora
  • F1, F2: PTC 100 mA ZH32
  • J1: gniazdo kątowe BNC
  • J2: J4 gniazdo goldpin kątowe 1×3
  • J3: gniazdo goldpin kątowe 1×3
  • J5: T821-1-06-S1
  • J6: listwa goldpin 1×5
  • J7: listwa goldpin 1×3
multiplekser wzmacniaczy sygnału AVT3277/0
Rezystory: (SMD1206, o ile nie opisano inaczej)
  • R1, R2, R5, R6, R10: 51/120 Ω
  • R3, R4, 100/240 Ω
  • R7, R8, R9, 150/360 Ω
  • R24…R31: 470 Ω
  • R37: 10 kΩ
  • RP1, RP2, RP3, RP4, RP5, RP6: DR1204-4/8-4D03
Kondensatory: (SMD1206)
  • C1…C3, C6…C8: 100 nF
  • C4, C5, 10 µF tantalowy
Półprzewodniki:
  • D1: LED niebieska SMD1206
  • D2...D8: LED zielona SMD1206
  • D9: C3V6 minimelf
  • D10: C5V1 minimelf
  • U1, U2: 74ABT125D
  • U3: 74ABT04D
  • U4: PCA9554AD
  • U5: 74ABT74D
  • U6: PCA9544APW
Inne:
  • F1, F2: PTC 100 mA ZH32
  • JP1, JP2: T821-1-06-S1
  • J1…J3, J5, J5b, J6, J6b: listwa goldpin 1×3
  • J4, J7, J8: NS25-W3P
  • J9...J12b: listwa goldpin 1×8
  • J12c: NS25-W6P
  • J13: NS25-W8P
  • J14: listwa goldpin 1×5
Artykuł ukazał się w
Elektronika Praktyczna
wrzesień 2021
DO POBRANIA
Materiały dodatkowe
Elektronika Praktyczna Plus lipiec - grudzień 2012

Elektronika Praktyczna Plus

Monograficzne wydania specjalne

Elektronik listopad 2025

Elektronik

Magazyn elektroniki profesjonalnej

Raspberry Pi 2015

Raspberry Pi

Wykorzystaj wszystkie możliwości wyjątkowego minikomputera

Świat Radio listopad - grudzień 2025

Świat Radio

Magazyn krótkofalowców i amatorów CB

Automatyka, Podzespoły, Aplikacje listopad - grudzień 2025

Automatyka, Podzespoły, Aplikacje

Technika i rynek systemów automatyki

Elektronika Praktyczna listopad 2025

Elektronika Praktyczna

Międzynarodowy magazyn elektroników konstruktorów

Elektronika dla Wszystkich grudzień 2025

Elektronika dla Wszystkich

Interesująca elektronika dla pasjonatów