Przedwzmacniacz lampowy do gramofonu

Przedwzmacniacz lampowy do gramofonu
Pobierz PDF Download icon

Płyty winylowe, zastąpione już dawno płytami CD, nie zniknęły całkowicie z rynku. W dobie mediów cyfrowych nadal są obecne jako stare, kolekcjonerskie wydania ulubionych artystów, a niekiedy, także nowe, aktualne wydania. Do odtworzenia zapisu z płyty winylowej niezbędny jest gramofon, ale aby umożliwić jego współpracę z zestawem audio i wydobyć wszystkie walory ścieżki dźwiękowej niezbędny jest specjalizowany przedwzmacniacz gramofonowy zaprezentowany poniżej.

Podstawowe parametry:
  • przeznaczony do wkładek typu MM, których sygnał wyjściowy ma napięcie ok. 4…5 mV,
  • stopnie lampowe pracują w układzie wspólnej katody z lampami 6N2P-EW,
  • blok korekcji RIAA w pętli sprzężenia zwrotnego,
  • wejścia i wyjścia wyprowadzone na gniazda DIN5,
  • wymaga zasilacza o napięciu 12 VDC i wydajności 2 A.

Na przestrzeni lat, technika odtwarzania dźwięku zapisanego na płycie winylowej przeszła chyba wszystkie możliwe drogi ewolucji, zarówno pod względem mechanicznym, jak i układów elektronicznych. Powszechnie wiadomo, że dźwięk na płycie winylowej jest zapisany w postaci rowka, którego boczne ścianki zostały precyzyjnie odwzorowane w tłoczni z matrycy i ich nierówna powierzchnia przechowuje pierwotnie zapisany sygnał dwóch kanałów. Dźwięk ten jest możliwy do odtworzenia przy pomocy igły gramofonowej, której drgania są zamieniane na sygnał elektryczny.

Chęć zapisania dwudziestu kilku minut dźwięku wymusiła na autorach standardu opracowanie płyty drobnorowkowej. To z kolei wymagało specjalnego rodzaju zapisu według krzywej RIAA. Nie wdając się w szczegóły, zapis taki polega na obniżeniu poziomu niskich częstotliwości i podwyższeniu poziomu zapisu dla częstotliwości wysokich. Tematyka krzywych RIAA jest szeroko omawiana w literaturze i Internecie. Temat mechaniki i geometrii ramienia jest również ciekawy i zachęca się do zgłębienia przynajmniej podstawowych wiadomości na ten temat z innych źródeł.

Igła gramofonowa jest umieszczona we wkładce gramofonowej, która jest przetwornikiem drgań igły na sygnał elektryczny. Istnieją trzy podstawowe rodzaje wkładek gramofonowych:

  • Wkładka piezoelektryczna – występująca we wczesnych modelach gramofonów klasy popularnej, ale trafia się również w obecnie sprzedawanych gramofonach;
  • Wkładka typu MM (Moving Magnet) – najpopularniejszy rodzaj wkładki, zawiera element magnetyczny drgający w pobliżu cewki;
  • Wkładka typu MC (Moving Coil) – elementem drgającym jest cewka. Wkładka stosowana jest w sprzęcie najwyższej klasy, wymaga specjalnego przedwzmacniacza o dużym wzmocnieniu, gdyż sama oferuje sygnał o poziomie napięcia zaledwie 0,2...0,5 mV.

Prezentowany przedwzmacniacz przeznaczony jest do używania z wkładką typu MM, której sygnał wyjściowy ma napięcie ok. 4...5 mV. Przez dziesięciolecia opracowano wiele układów elektronicznych wzmacniających sygnał z wkładki gramofonowej. Początkowo były to układy zawierające lampy elektronowe, później tranzystory, a obecnie wykorzystywane są wzmacniacze operacyjne o doskonałych parametrach. Jednak widok gramofonu z obecnym obok przedwzmacniaczem lampowym jest niepowtarzalny, dlatego autor projektu zdecydował się na zastosowanie lamp w swojej konstrukcji.

Budowa i działanie

Lampowe układy przedwzmacniaczy gramofonowych można podzielić na dwa główne typy. Pierwszy z nich ma układ korekcji częstotliwościowej RIAA umieszczony pomiędzy stopniami wzmacniającymi. Drugi typ, ma blok korekcji RIAA w pętli sprzężenia zwrotnego. Ponieważ autor konstrukcji budował już wzmacniacz lampowy audio bez pętli sprzężenia zwrotnego, ciekawość skłoniła do wyboru układu, który pętlę sprzężenia posiada.

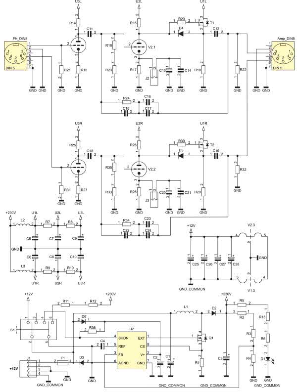
Popularny i chwalony w sieci jest układ przedwzmacniacza EAR834p. Jest to rozwiązanie, którym inspirował się autor, ale zastosował kilka własnych modyfikacji. Schemat układu pokazano na rysunku 1. Na schemacie widoczny jeden kanał wzmacniacza, którego wejścia i wyjścia zostały wyprowadzone na gniazda DIN5. Dwa stopnie lampowe pracują w układzie wspólnej katody. Pierwszy stopień wzmacniacza, który zawiera połówkę lampy V1 (6N2P-EW), wzmacnia sygnał wejściowy i jednocześnie zapewnia właściwe obciążenie wkładki gramofonowej.

Rysunek 1. Schemat jednego toru sygnałowego przedwzmacniacza

Wkładka wymaga obciążenia o rezystancji 47 kΩ, lecz dopuszcza się niewielkie zmiany tej wartości ponieważ można w ten sposób ukształtować dźwięk wedle własnych oczekiwań. W układzie zastosowano rezystor niskoszumowy 47,5 kΩ. Ponieważ stopień wejściowy pracuje z małymi sygnałami, wzmocnienie nie powinno być zbyt wysokie, ponieważ spowoduje uwypuklenie szumu lampy oraz szumu rezystorów. Z tego powodu rezystor katodowy R16 nie jest bocznikowany kondensatorem, a powstałe lokalnie sprzężenie zwrotne dla sygnałów zmiennych obniżyło wzmocnienie i poszerzyło pasmo. Pomiar napięć w układzie dał wartości dla tego stopnia U3L=195 V, Ua=111 V, Uk=1,06 V. Pomiar napięć drugiego kanału wygląda podobnie.

Drugi stopień wzmacniający zawiera połówkę lampy V2 (6N2P-EW). Na wejściu obecne są rezystory o łącznej rezystancji 2 MΩ, które dołączają siatkę lampy V2 do masy. Ten stopień przedwzmacniacza daje możliwość dodania równolegle do rezystora R17 kondensatorów C13 i C14, które zwierając składową zmienną do masy, wyłączą jej sprzężenie zwrotne powodowane rezystorem R17 i w efekcie wzmocnienie stopnia wzrośnie.

Autor ma wkładkę typu AT VM520EB i kondensatory nie są włączane do obwodu.

Wartości rezystorów anodowych w zaprezentowanym układzie odbiegają wartościami od rezystorów z układu EAR834p (174 kΩ vs. 330 kΩ).

Podczas próbnych odsłuchów zauważono, że wzmocnienie układu jest zbyt wysokie (dla używanej wkładki) i autor subiektywnie odczuwał je jako zbyt krzykliwe. Po zastosowaniu wartości 174 kΩ dźwięk uspokoił się. Wydaje się, że w zależności od zastosowanych lamp, napięć zasilających i użytej wkładki, należy indywidualnie dobrać elementy ustalające punkty pracy lamp zgodnie z własnymi upodobaniami. Wartości rezystorów katodowych i anodowych nie są krytyczne i można próbować różnych konfiguracji. Jednak należy pamiętać, aby lampa pracowała z niewielkimi wartościami prądów. Ma to wpływ na generowane w niej szumy śrutowe. 

Omawiany stopień wzmacniający jest objęty sprzężeniem zwrotnym, w którym sygnał pobierany jest z wyjścia i poprzez elementy R24, C15, C16+C17 kształtowane jest wzmocnienie stopnia zgodnie z charakterystyką RIAA.

W porównaniu do układów z bierną korekcją, przesunięcia fazowe sygnału są w takim rozwiązaniu mniejsze. Po uruchomieniu, napięcia panujące w układzie lampy V2 wynoszą U2L=218 V, Ua=121 V, Uk=1,22 V.

Wzmocniony sygnał z lampy V2 nie może być bezpośrednio podany na wyjście wzmacniacza, ponieważ impedancja wyjściowa układu jest zbyt wysoka. W rozwiązaniach klasycznych stosuje się kolejną triodę pracującą w układzie wtórnika katodowego. Kolejna lampa, która już nie ma wpływu na barwę dźwięku, może być zastąpiona wtórnikiem źródłowym bez szkody dla dźwięku. Dlatego na wyjściu wzmacniacza zastosowano tranzystor MOSFET oznaczony T1. Płynie przez niego niewielki prąd, wiec można zastosować element w obudowie smd i schować go pod płytką drukowaną. Dioda Zenera D4 zabezpiecza bramkę T1 przed zbyt wysokim napięciem, które pojawia się na chwilę po uruchomieniu, zanim nie wzrośnie prąd anodowy lampy V2.

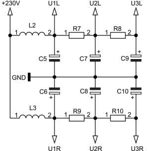
Rysunek 2. Schemat bloku zasilania z przetwornicą podwyższającą napięcie

Przedwzmacniacz wymaga prądu o natężeniu ok. 350 mA do zasilania obwodu żarzenia lamp, oraz kilku miliamperów prądu anodowego o napięciu 230 V. Zamiarem autora, była budowa przedwzmacniacza o niewielkich gabarytach, który będzie dodatkiem do gramofonu, a nie odwrotnie. Cel osiągnięto dzięki zasilaniu przedwzmacniacza z zewnętrznego zasilacza o napięciu 12 VDC i wydajności 2 A. W bloku zasilania znajduje się przetwornica StepUp (rysunek 2), która dostarcza napięcia anodowego, a obwody żarzenia lamp połączono w szereg (rysunek 3).

Rysunek 3. Schemat szeregowego połączenia obwodów żarzenia lamp

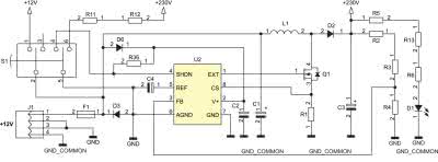
Na wejściu układu zasilającego umieszczono bezpiecznik oraz diodę D3. Elementy te zabezpieczają układ przetwornicy przed odwrotnym podłączeniem zasilania. Przetwornicę podwyższającą zrealizowano na układzie MAX1771, z częstotliwością pracy ustawioną na ok. 300 kHz, ponieważ nie ma wpływu na sygnał z wkładki gramofonowej. Jest to klasyczny układ przetwornicy StepUp z kontrolą prądu tranzystora Q1.

Rezystor R1 o rezystancji 220 mΩ ogranicza wartość przełączanego prądu do kilkudziesięciu miliamperów. Z uwagi na niewielki pobierany prąd spodziewana jest duża wartość indukcyjności dławika L1. W dokumentacji układu MAX1771 producent zamieścił uproszczony wzór, według którego można dobrać parametry dławika. Obliczona indukcyjność wyniosła ok. 470 µH, lecz w czasie prób praca układu była niepewna, a napięcie za niskie. Układ uruchomiono z dławikiem 330 µH, 1,2 A – z którym pracuje stabilnie. Producent układu MAX1771 informuje w dokumentacji, że zalecana indukcyjność dławika powinna zawierać się w przedziale 10...300 µH i to się potwierdziło. Wartość napięcia wyjściowego ustalana jest dzielnikiem napięcia R2+R3, R4, a wartość elementów dobiera się ze wzoru zamieszczonego w dokumentacji MAX1771.

Uzyskane napięcie 230 V jest dodatkowo filtrowane w układzie z rysunku 4.

Rysunek 4. Schemat układu filtracji napięcia anodowego

Oddzielnego omówienia wymaga wyłącznik dźwigniowy S1. W stanie wyłączenia, napięcie +12 V podawane jest przez diodę D6 na zasilanie układu MAX1771. Układ przetwornicy jednak nie startuje ponieważ wejście SHDN jest w stanie wysokim. Napięcie +12 V dociera, poprzez dławik L1 i diodę D2 do diody LED, która świecąc słabym światłem sygnalizuje stan StandBy. Po załączeniu zasilania, styki przełącznika 1-2 doprowadzają napięcie do obwodu żarzenia lamp, a styki 4-5 zwierają wyprowadzenie SHDN do masy – to powoduje start przetwornicy i mocniejsze świecenie diody LED D1. Po wyłączeniu wzmacniacza rezystory R11 i R12 podłączają napięcie anodowe do masy, dzięki czemu następuje rozładowanie kondensatorów. Obecność wysokiego napięcia na anodach lamp w czasie gdy żarnik jest zimny jest szkodliwe dla lampy.

Montaż i uruchomienie

Założono, że przedwzmacniacz będzie niewielkim, nie rzucającym się w oczy urządzeniem, dlatego układ umieszczono w małej, podłużnej, aluminiowej obudowie, jednocześnie zapewniającej ekranowanie przed zewnętrznymi zakłóceniami. Na przedniej ściance umieszczono wyłącznik S1 i diodę LED (fotografia 1) sygnalizującą stan pracy.

Fotografia 1. Przedwzmacniacz w obudowie

Tył obudowy to dwa gniazda DIN5 oraz gniazdo uziemienia (fotografia 2). Niestety nie udało się zmieścić gniazda zasilającego i jest ono zamontowane na przewodzie. Gniazda DIN5 wydają się przestarzałe, ale to naprawdę solidne gniazda o bardzo kompaktowych rozmiarach. Ich opinię zepsuły słabej jakości wtyczki DIN5 wykonywane ze słabego i nieestetycznego plastiku.

Fotografia 2. Widok tylnej ścianki obudowy przedwzmacniacza

Stosując pierwszą z brzegu markową wtyczkę DIN5, np. NEUTRIK REAN NYS322G, ponownie polubimy ten rodzaj złączy.

Rysunek 5. Kompletny schemat przedwzmacniacza

Kompletny schemat przedwzmacniacza został pokazany na rysunku 5, natomiast rysunek 6 pokazuje schemat płytki PCB. Elementy układu rozmieszczono na dwustronnej płytce drukowanej Miejsca na spodzie płytki zaznaczone gwiazdkami wymagają oddzielnego połączenia przewodem.

Rysunek 6. Schemat płytki PCB

Rezystory w obwodach sygnałowych lamp powinny być niskoszumowe. Elementy korekcji RIAA powinny być dobrej jakości i dobrane tak aby na obu kanałach ich wartości były identyczne.

Fotografia 3. Widok zmontowanej płytki od strony TOP

Kondensatory C16 i C23 o pojemności 330 pF mogą być zastąpione pomierzoną parą 220 pF i 100 pF – w ten sposób łatwiej uzyskać wymaganą pojemność równą dokładnie 330 pF. W obwodzie sprzężenia zwrotnego kształtującego charakterystykę RIAA zastosowano kondensatory silver-mica. W pozostałych miejscach zastosowano kondensatory MKSE (150 nF) i MKC (2,2 µF). Zmontowana płytka została pokazana na fotografii 3 i fotografii 4.

Fotografia 4. Widok zmontowanej płytki od strony BOTTOM

Układ nie wymaga uruchamiania po zmontowaniu. Warto jednak sprawdzić, czy napięcia żarzenia na lampach są jednakowe (2×6 V), oraz czy napięcia w gałęziach zasilających anody lamp są zbliżone do wspomnianych wcześniej wartości. Na obu kanałach powinny być podobne napięcia w tych samych punktach układu. We wzmacniaczu zastosowano lampy typu 6N2P-EW, które są wprawdzie odpowiednikami lamp ECC83, lecz mają inaczej rozmieszczone wyprowadzenia żarzenia. Płytka PCB może zasilać wyłącznie lampy 6N2P.

Uruchomiony układ nie był poddawany pomiarom. W subiektywnym odczuciu działa poprawnie, a przy braku obecności sygnału (igła w górze) można wzmacniacz ustawić na maksymalną głośność i z głośników wydobędzie się co najwyżej cichy szum lampy.

Paweł Gołębiewski
info@eltik.pl

Wykaz elementów:
Rezystory:
  • R1: 0,22 Ω SMD1206
  • R2, R3: 750 kΩ SMD0805
  • R4, R7, R9: 10 kΩ SMD0805
  • R5, R6: 68 kΩ
  • R8, R10, R21, R31: 47,5 kΩ
  • R11, R12, R13: 68 kΩ
  • R14, R15, R25, R26: 174 kΩ
  • R16, R17, R27, R28: 2,2 kΩ
  • R18, R23, R33, R35: 1 MΩ
  • R19, R29: 100 kΩ
  • R20, R30: 100 Ω
  • R22, R32: 330 kΩ
  • R24, R34: 750 kΩ
  • R36: 470 kΩ SMD0805
Kondensatory:
  • C1: 100 µF/25 V
  • C2: 1 µF MKT
  • C3, C5, C6, C7, C8, C9, C10: 10 µF/250 V
  • C4: 100 nF SMD_0805
  • C11, C18: 150 nF
  • C12, C19: 2,2 µF
  • C13, C20: 100 µF
  • C14, C21: 100 nF
  • C15, C17, C22, C24: 100 pF
  • C16, C23: 330 pF
  • C25: 6,8 µF/35 V tantalowy
  • C26, C27, C28: 470 µF/16 V
Półprzewodniki:
  • D1: LED 5 mm
  • D2: US1J
  • D3: 1N4007
  • D4, D5: dioda Zenera 12 V
  • D6: 1N4148 SMD0805
  • T1, T2: 2SK2865 TO252
  • U2: MAX1771CSA
  • Q1: IPD60R600 TO252
Inne:
  • F1: 1,0 A
  • L1: 330 µH 1,2 A DE1207
  • L2, L3: 47 mH 200R 7,5 mA 7159-473J
  • S1: przełącznik 7201MD9ABE
  • V1, VL: 6N2P-P Noval 9
  • Obudowa: Monacor AH-62/SW
  • Amp_DIN5: złącza DIN5
Artykuł ukazał się w
Elektronika Praktyczna
grudzień 2020
DO POBRANIA
Pobierz PDF Download icon
Materiały dodatkowe
Elektronika Praktyczna Plus lipiec - grudzień 2012

Elektronika Praktyczna Plus

Monograficzne wydania specjalne

Elektronik listopad 2025

Elektronik

Magazyn elektroniki profesjonalnej

Raspberry Pi 2015

Raspberry Pi

Wykorzystaj wszystkie możliwości wyjątkowego minikomputera

Świat Radio listopad - grudzień 2025

Świat Radio

Magazyn krótkofalowców i amatorów CB

Automatyka, Podzespoły, Aplikacje listopad - grudzień 2025

Automatyka, Podzespoły, Aplikacje

Technika i rynek systemów automatyki

Elektronika Praktyczna listopad 2025

Elektronika Praktyczna

Międzynarodowy magazyn elektroników konstruktorów

Elektronika dla Wszystkich grudzień 2025

Elektronika dla Wszystkich

Interesująca elektronika dla pasjonatów