Sensor smogu z technologią Bluetooth Low Energy (1)

Sensor smogu z technologią Bluetooth Low Energy (1)
Pobierz PDF Download icon

W artykule opisano kompletny projekt platformy sprzętowej przeznaczonej do pomiaru zawartości pyłów zawieszonych w powietrzu. Informacje z czujnika, uzupełnione o temperaturę oraz wilgotność powietrza, są wyświetlane na ekranie tabletu lub smartfonu. Dodatkowo wyniki pomiarów są opatrzone komentarzami ułatwiającymi podjęcie decyzji odnośnie do czasu treningu na świeżym powietrzu, spaceru itp. Rekomendacje: sensor przyda się w codziennym funkcjonowaniu, zwłaszcza w zatłoczonym, zakurzonym środowisku miejskim.

Od jutra nie oddycham! Takie stwierdzenie ciśnie się na usta po skonfrontowaniu podawanych niekiedy w mediach wskaźników jakości powietrza z zaleceniami Światowej Organizacji Zdrowia (http://bit.ly/2CNODp5). Jednak po kilku próbach szybko stwierdzam, że jakoś tak ciężko oddycha się... bez oddychania. Co zatem zrobić, aby ograniczyć ekspozycję na niezdrowe powietrze w chwilach, gdy jest ono złej jakości? Wystarczy wiedzieć, jaki obecnie jest stan powietrza za oknem i odpowiednio dostosować aktywność! To przecież dziecinnie proste, a już na  pewno prostsze niż rezygnacja z oddychania. Już miałem instalować aplikację, która udostępnia te potrzebne mi dane, ale... chwila... Jaka jest dla mnie użyteczność informacji, że kilka lub kilkanaście kilometrów dalej (tam, gdzie akurat znajduje się czujnik, z którego korzysta aplikacja) stan powietrza jest taki, a taki...? Hm... To dla mnie nie zadziała. Potrzebuję bezprzewodowego, szybkiego i kompaktowego sposóbu pomiaru jakości powietrza za moim oknem.

Zbudujmy zatem taki sprzęt, który:

  • Wykorzysta dokładny, aktywny, laserowy sensor pyłów zawieszonych w powietrzu (aktywny oznacza w tym przypadku, że nie musimy dbać o dostarczanie powietrza do badania - sensor dysponuje mikroturbiną przetłaczającą badane medium).
  • Będzie mierzył dodatkowo temperaturę i wilgotność powietrza (termometr zaokienny stanie się w moim życiu zbędny).
  • Umożliwi łatwy, zdalny odczyt zmierzonych wielkości na telefonie komórkowym lub tablecie (nie po to rezygnuję z termometru zaokiennego, aby wytężać wzrok, próbując odczytać, jaki dziś stan powietrza - to byłoby dość irytujące).
  • Poza wskazywaniem zmierzonych wartości podpowie, co one właściwie dla mnie znaczą (odczyt: PM10=65, PM2.5=54, PM1=37 niewiele mówi sam w sobie. Przydałaby się też informacja ułatwiająca podjęcie decyzji typu: Biegam dzisiaj czy przekładam to na jutro? Wietrzyć mieszkanie teraz czy powstrzymać się od zapraszania do wnętrza dodatkowych zanieczyszczeń?).
  • Zadowoli się zasilaniem z dwóch popularnych baterii lub akumulatorów typu AAA (jeśli sensor ma być mobilny i łatwy w użyciu, to ten wybór wydaje się idealnym rozwiązaniem).
  • Będzie miał jednak możliwość alternatywnego sposobu zasilania poprzez gniazdo micro-USB (ten interfejs stał się tak wszechobecny, że byłoby naprawdę smutno, mając obok siebie np. samochód, w nim ładowarkę USB, a w dłoni kochany sensor z wyczerpanymi akumulatorami bez możliwości jego użycia).
Rysunek 1. Schemat blokowy sensora smogu

Projekt

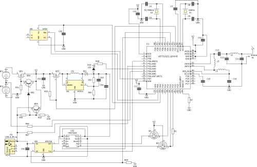
Koncepcyjny schemat blokowy projektowanego sensora (nazwijmy go BBair) pokazuje rysunek 1. Do pomiaru jakości powietrza wybrany został laserowy czujnik PMS7003 oznaczony na schemacie z rysunku 2 jako U53. Jest to chyba obecnie najnowszy produkt określający koncentrację pyłów zawieszonych w powietrzu ze stajni Plantower. Mierzy zawartość PM10 (pyły o rozmiarach do 10 μm), PM2.5 (pyły nie większe niż 2,5 μm) oraz PM1 (pyły o rozmiarach poniżej 1 μm). Deklarowana dokładność pomiaru PM2.5 to ±10 μg/m³ w zakresie od 0 do 100 μg/m³ oraz ±10% w zakresie od 100 do 500 μg/m³. Sensor PMS potrzebuje do poprawnej pracy nominalnego napięcia 5 V, a reszta  komponentów naszego czujnika smogu będzie działała z napięciem dwóch baterii AAA (2…3 V). Konieczne jest zatem zastosowanie konwertera napięcia zbudowanego na tranzystorach Q3 i Q4, aby umożliwić bezproblemową komunikację kontrolera z sensorem PMS.

Rysunek 2. Schemat ideowy sensora smogu

Jako termometr i higrometr posłużył precyzyjny SHT20 (U55) bezpośrednio podłączony do kontrolera. Dokładność pomiaru temperatury wynosi ±0,5°C w szerokim zakresie od -20…80°C, a wilgotności względnej ±3% RH w zakresie 20…80% RH. Istotne jest to, że SHT20 ma zakres pomiarowy od 0…100% RH.

Całością będzie zarządzał kontroler umożliwiający realizację komunikacji Bluetooth Low Energy z rodziny nRF51 oznaczony na schemacie U1. Standardowo został on otoczony komponentami niezbędnymi do prawidłowego działania: główny rezonator kwarcowy X1 o częstotliwości 16 MHz i zegarkowy X2. Komponenty zgrupowane wokół L2, L3 i L4 stanowią układ dopasowania wyjścia RF do anteny.

Ciekawym wyzwaniem okazało się zorganizowanie systemu zasilania. Nasz sensor smogu będzie działał z zasilaniem bateryjnym, ale priorytet powinno mieć zasilanie kablowe z portu micro-USB. Baterie/akumulatory muszą być dwa, aby uzyskać dostatecznie wysokie napięcie zasilania. Powinny też dać się łatwo wymieniać na nowe, aby po rozładowaniu pakietu w terenie nasz sensor smogu był gotów do kolejnych pomiarów w kilka chwil. Z powyższego wynika konieczność zastosowania zabezpieczenia przed odwrotnym, omyłkowym zainstalowaniem baterii. Zrealizować to można prosto za pomocą tranzystora PMOS, w sposób pokazany na schemacie z rysunku 3. Gdy polaryzacja baterii BAT jest prawidłowa, jak na schemacie 3A, tranzystor przewodzi przez wewnętrzną diodę i zabezpieczany układ jest prawidłowo zasilany. W przypadku odwrócenia biegunów baterii (schemat 3B) tranzystor jest zablokowany przez dodatni potencjał na jego bramce, co chroni urządzenie przed przepływem prądu w niepożądanym kierunku - prosta sprawa.

Rysunek 3. Zabezpieczenie przed odwrotnym przyłączeniem baterii za pomocą tranzystora PMOS

Kolejnym jednak aspektem jest zasilanie z portu micro-USB: nie możemy wymagać, aby użytkownik przed każdym podłączeniem kabla wyjmował baterie z sensora. Jednocześnie poprzez złącze micro-USB nie może być realizowane ładowanie, ponieważ nigdy nie mamy pewności, czy w urządzeniu zainstalowane są akurat akumulatory. Być może użytkownik zdecydował się na użycie baterii, które nie tolerują ładowania. Zatem możliwość przepływu prądu w tym kierunku powinna zostać zablokowana. Niestety sam tranzystor PMOS, którego już użyliśmy, nie zrealizuje tego zadania, ponieważ po podłączeniu kablowego zasilania USB będzie spolaryzowany do przewodzenia prądu w kierunku baterii. Pokazuje to uproszczony schemat z rysunku 4. Wstawienie diody blokującej zamiast tranzystora PMOS nie wchodzi jednak w grę ze względu na występujący na niej zbyt duży spadek napięcia.

Rysunek 4. Polaryzacja PMOS po dołączeniu zasilania USB

Następne wyzwanie w projektowanym układzie przełącznika zasilania stanowi dostarczanie 5-woltowego napięcia dla samego sensora PMS. Wymagania są takie, że gdy układ korzysta z baterii/akumulatorów, napięcie to musi być generowane przez konwerter DC-DC pracujący w konfiguracji boost. Jednak po wsunięciu wtyczki microUSB, to właśnie z tego portu chcielibyśmy czerpać energię. Najprostszym rozwiązaniem byłoby zastosowanie dwóch diod ułożonych jak na rysunku 5, ale niestety jest to niemożliwe. Napięcie w standardzie USB może wahać się w przedziale 4,75…5,25 V, a minimalne napięcie pracy sensora PMS to 4,5 V. Nie ma tu już niestety miejsca na spadek napięcia na diodzie. Cała ta układanka tworzy nam nietrywialną sytuację, wyglądającą jak węzeł gordyjski. Niespodziewanie jednak wszystkie problemy rozwiązało kilka tranzystorów i przełącznik zasilania AP2171 (na schemacie U52).

Rysunek 5. Zabezpieczenie za pomocą dwóch diod

Gdy do gniazda micro-USB nie jest podłączone zasilanie, kontroler czerpie energię wprost z baterii poprzez tranzystor zabezpieczenia polaryzacyjnego Q51. Zatkany tranzystor Q52 jest w tej sytuacji jakby nieobecny, a zatkany Q54 zapobiega pojawieniu się napięcia V2 na nieużywanym gniazdku micro-USB. Jeśli wymagane jest uruchomienie czujnika PMS, kontroler włącza tranzystor Q53, sterując przetwornicą DC-DC z układem AP3015 oznaczonym na rysunku 2 jako U51. Gdy jednak na złączu micro-USB pojawi się napięcie, to Q54 zostaje natychmiast wysterowany, dostarczając napięcie dla kontrolera. Jest ono nieco wyższe niż dwie w pełni naładowane baterie AAA połączone szeregowo i dzięki temu uzyskujemy priorytet „zasilania z kabla”. Jednocześnie wysterowany zostaje Q52, zamykając Q51 i uniemożliwiając przepływ prądu z micro-USB przez Q54 do baterii - ładowanie jest niemożliwe. Gdy w tej sytuacji wystąpi potrzeba uruchomienia sensora PMS, kontroler zorientuje się, że podłączone jest zewnętrzne zasilanie dzięki połączeniu z R57. Wtedy zamiast uruchamiać konwerter DC-DC, wysteruje nóżkę czwartą układu U52, podając zasilanie do czujnika PMS wprost z gniazda micro-USB.

Bluetooth Low Energy

Technologia, której wdzięczna nazwa pochodzi od króla Sinozębego, w wersji klasycznej (BR/EDR) nie jest nowością. Jednak od wersji 4.0 stanowi rewolucyjną zmianę w świecie komunikacji bezprzewodowej bliskiego zasięgu. Marketingowa nazwa zaproponowana przez twórcę technologii to Bluetooth SMART, ale równolegle funkcjonuje pod wieloma pseudonimami: Bluetooth 4, Bluetooth Low Energy, Bluetooth LE, BLE. Bluetooth SMART nie jest kompatybilny wstecz, ponieważ opiera się na zupełnie nowym modelu komunikacji. Nie zagłębiając się nadmiernie w szczegóły, aby ten materiał nie wypełnił wszystkich stron bieżącego numeru EP, napiszę pokrótce, że każde urządzenie BLE może występować w jednej z czterech ról: Broadcaster, Observer, Central lub Peripheral (używam nietłumaczonych nazw, aby ułatwić kontynuację zgłębiania tematu w źródłach angielskojęzycznych).

Broadcaster to urządzenie, które wysyła w eter w zdefiniowanych okresach krótkie komunikaty z kilkunastoma bajtami informacji. Nie może on odebrać żadnych danych, a nawiązanie z nim połączenia jest niemożliwe - zajmuje się tylko rozgłaszaniem informacji - to taka jakby radiowa latarnia morska o niewielkim zasięgu. Kluczowe jest jednak to, że taka praca urządzenia pozwala na zużywanie bardzo, bardzo małych ilości energii. Dla przykładu średni pobór prądu przy zasilaniu ze źródła o napięciu 3 V kształtuje się na poziomie 1…3 μA.

Observer skanuje „eter” i odbiera komunikaty od broadcasterów będących w zasięgu - pozostając przy morskich porównaniach, observer to taki jakby statek wypatrujący sygnału wysłanego z latarni. Observer nie wysyła żadnych informacji i z nim również nie można nawiązać połączenia. Skanowanie w przeciwieństwie do rozgłaszania wymaga większej ilości energii, dlatego często urządzenia te nie prowadzą ciągłego nasłuchu, lecz robią to przez kilka chwil na żądanie użytkownika.

Urządzenie Peripheral podobne jest do broadcastera z tą różnicą, że można z nim nawiązać połączenie i wymieniać informacje. Tę rolę odgrywa właśnie zaprojektowany przez nas sensor jakości powietrza.

Ostatni typ urządzenia w modelu BLE określany jest jako Central. To urządzenie może skanować rozgłoszeniowe kanały Bluetooth LE i nawiązywać połączenia z wybranymi urządzeniami peripheral będącymi w radiowym zasięgu. W tej roli w naszym projekcie sensora smogu Bbair może wystąpić dowolny sprzęt mobilny (smartfon/tablet) dysponujący technologią Bluetooth SMART.

Jak model Bluetooth Low Energy działa w rzeczywistości

Rysunek 6. Ekran główny aplikacji BBAir

Zobaczmy teraz, jak przedstawiony model Bluetooth LE działa w realnym świecie. Po zainstalowaniu dwóch baterii lub akumulatorów AAA w nasz sensor jakości powietrza zostaje tchnięte życie. Zielona dioda LED mrugnie kilkukrotnie, sygnalizując poprawny start czujnika. Po tej spektakularnej akcji sensor nie daje widocznego znaku działania, ale jako urządzenie peripheral wysyła krótkie komunikaty rozgłoszeniowe, informując o swojej obecności, gotowości do zestawienia połączenia i udostępnienia danych. Potrzebujemy teraz urządzenia central, które skorzysta z danych dostarczanych przez nasz sensor jakości powietrza. W tej roli wystąpi smartfon z systemem Android w wersji nie niższej niż 4.4.2 - to chyba w zasadzie każdy obecnie dostępny na rynku. Ponieważ, jak wspomnieliśmy wcześniej, technologia Low Energy nie jest kompatybilna wstecz, musi on mieć wersję Bluetooth nie niższą niż 4.0. Jeśli obydwa warunki są spełnione, to spod adresu www.PokochajCzystePowietrze.pl możemy pobrać aplikację BBair. Po zainstalowaniu i uruchomieniu zostanie pokazany ekran jak na rysunku 6. Aby smartfon, jako urządzenie central, rozpoczął skanowanie w poszukiwaniu partnerów peripheral, musimy nacisnąć przycisk POŁĄCZ. Po chwili w nowym okienku zaczną pojawiać się kolejne wiersze opisujące znalezione urządzenia Bluetooth SMART.

Rysunek 7. Sensory odnalezione w czasie skanowania
Rysunek 8. Wyniki pomiarów na ekranie smartfonu

Na rysunku 7 pokazano sytuację znalezienia dwóch sensorów, ale skanowanie trwa nadal. Jak nadmieniono wcześniej, jest ono procesem energochłonnym, dlatego nie trwa cały czas. Po kilkunastu sekundach telefon automatycznie zakończy proces, a kolejne skanowanie może zostać wykonane po dotknięciu przycisku na ekranie. Mając na liście sensor, którym zamierzamy wykonać pomiar, klikamy na niego, a smartfon zestawi z nim połączenie. Od tej chwili żadne inne urządzenie central nie może połączyć się już z czujnikiem wybranym przez nas do wykonywania pomiarów - po prostu podczas skanowania nie pojawi się on na liście dostępnych urządzeń.

Po pomyślnym zestawieniu połączenia sensor BBair rozpoczyna wykonywanie pomiarów, błyskając diodą. Chwilę później przesyła pierwsze stabilne wyniki wprost na ekran smartfonu jak na rysunku 8. Poza lakonicznym wyświetlaniem koncentracji pyłów poszczególnych frakcji, temperatury oraz wilgotności względnej, aplikacja określa również aktualny stan powietrza, wykorzystując polskie normy oraz zalecenia Światowej Organizacji Zdrowia (WHO). Wszystkie możliwe wskazania pokazuje tabelka z rysunku 9.

Rysunek 9. Tabela z możliwymi wynikami pomiarów

Tego poranka, gdy kończyłem pisanie artykułu, stan powietrza na południu Krakowa nie przedstawiał się idealnie (rysunek 8). W chwili pomiaru przekroczony był średni dopuszczalny poziom dobowy PM10. Stan taki, aby nie powodował negatywnych następstw dla naszego zdrowia, według WHO nie powinien wystąpić częściej niż 35 dni w roku. Na szczęście wewnątrz budynku stężenie pyłów było trzykrotnie niższe. Nie otwierałem okna, bo jak wynikało z pomiarów, nie dałoby to żadnej korzyści. Wręcz przeciwnie: podniosłoby zapylenie pokoju, w którym intensywnie oddychałem, aby ten materiał wyszedł jak najlepiej.

Mariusz Żądło
iram@poczta.onet.pl

Artykuł ukazał się w
Elektronika Praktyczna
kwiecień 2019
DO POBRANIA
Pobierz PDF Download icon
Elektronika Praktyczna Plus lipiec - grudzień 2012

Elektronika Praktyczna Plus

Monograficzne wydania specjalne

Elektronik listopad 2025

Elektronik

Magazyn elektroniki profesjonalnej

Raspberry Pi 2015

Raspberry Pi

Wykorzystaj wszystkie możliwości wyjątkowego minikomputera

Świat Radio listopad - grudzień 2025

Świat Radio

Magazyn krótkofalowców i amatorów CB

Automatyka, Podzespoły, Aplikacje listopad - grudzień 2025

Automatyka, Podzespoły, Aplikacje

Technika i rynek systemów automatyki

Elektronika Praktyczna listopad 2025

Elektronika Praktyczna

Międzynarodowy magazyn elektroników konstruktorów

Elektronika dla Wszystkich grudzień 2025

Elektronika dla Wszystkich

Interesująca elektronika dla pasjonatów