Generator cyfrowy

Generator cyfrowy
Pobierz PDF Download icon

Urządzenie, którego projekt zaprezentowano w artykule to generator przebiegu prostokątnego. Na tle podobnych przyrządów wyróżnia się przede wszystkim czytelnym i łatwym w obsłudze interfejsem użytkownika. Parametry pracy prezentowane są na kolorowym wyświetlaczu LCD, a zmiany są dokonywane za pomocą dwóch impulsatorów. Ciekawostką jest to, że do jego budowy nie zastosowano ani specjalizowanego układu DDS, ani generatora RC ? przebieg jest generowany bezpośrednio z mikrokontrolera. Rekomendacje: użyteczny przyrząd warsztatowy, który przyda się każdemu konstruktorowi lub serwisantowi.

Urządzenie jest obsługiwane za pomocą dwóch impulsatorów. Górny impulsator, oznaczony SW2, służy do regulowania wartości częstotliwości – obrót w lewo zmniejsza wartość, obrót w prawo zwiększa wartość, natomiast przyciśnięcie impulsatora zmienia skok regulacji. Skok regulacji może przyjmować wartości: 1 Hz, 10 Hz, 100 Hz, 1 kHz, 10 kHz,100 kHz, przy czym wartość minimalna zależy od częstotliwości. Wykaz skoków regulacji  umieszczono w tabeli 1.

Ustawiona częstotliwość jest prezentowana dużą czcionką w górnej linii treści ekranu. W lewym górnym rogu ekranu jest wyświetlana ustawiona wartość skoku regulacji, na przykład „X 10Hz”. Jeśli przekroczymy zakres częstotliwości dla takiego skoku regulacji, urządzenie automatycznie zastosuje wyższą wartość skoku, ale nie zmieni ustawionej, wyświetlanej wartości. Jeśli częstotliwość zostanie zmniejszona i powróci do wcześniejszego zakresu, to urządzenie automatycznie powróci do wcześniej ustawionego skoku.

Impulsator dolny, oznaczony SW1, pozwala na regulowanie czterech parametrów przebiegu wyjściowego: wypełnienia, czasu trwania impulsu, czasu trwania przerwy oraz amplitudy. Wybór parametru jest wykonywany poprzez przyciskanie pokrętła i wskazywane jest symbolem „>” wyświetlanym przy tym parametrze.

Współczynnik wypełnienia (Duty) może być regulowany w zakresie 1…99% ze skokiem 1% dla częstotliwości do 200 kHz. Dla większej częstotliwości regulacja współczynnika jest możliwa w zakresie 10…90% ze skokiem 10%.

Czasy trwania impulsu i przerwy (Pulse, Pause) są automatycznie obliczane i ustawiane podczas zmiany częstotliwości i wypełnienia, ale generator pozwala na dodatkową, niezależną regulację tych parametrów. Dzięki temu jest możliwe precyzyjne ustawienie kształtu przebiegu wyjściowego. Regulacja czasów możliwa jest w zakresie od 0,2 ms do 900 ms, przy czym okres przebiegu nie może być mniejszy niż 1 ms i większy niż 1 s. W zależności od aktualnej wartości czasu urządzenie ustawia skok regulacji (tabela 2).

Ostatni parametr to amplituda (Amp), może być regulowana w zakresie 0,1…3,3 V ze stałym skokiem równym 0,1 V.

Budowa

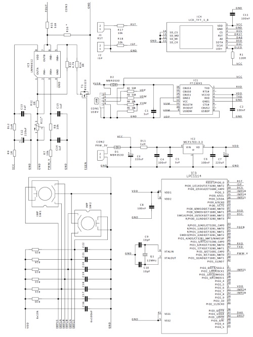
Schemat ideowy generatora pokazano na rysunku 1. Można go podzielić na kilka bloków logicznych: blok zasilania, blok interfejsu użytkownika, blok komunikacji USB, blok wzmacniacza wyjściowego, blok sterujący.

 
Rysunek 1. Schemat ideowy generatora

Blok zasilania, który obejmuje stabilizator IC2 oraz elementy sąsiadujące. Jego zadaniem jest filtrowanie napięcia wejściowego, które jest podawane do pozostałych bloków oraz dostarczenie stabilizowanego napięcia 3,3 V do zasilania mikrokontrolera. Zasilanie urządzenia może być doprowadzone przez gniazdo USB z komputera lub ładowarki, lub przez złącze CON2 z zasilacza stabilizowanego o napięciu 5 V i prądzie co najmniej 0,4 A.

Blok interfejsu użytkownika jest złożony z impulsatora oraz wyświetlacza. Wyjścia impulsatorów połączone są z elementami R i C, które ograniczają zaburzenia i pozwalają na precyzyjny odczyt kierunku oraz liczby impulsów.

Wyświetlacz to gotowy moduł – ekran przytwierdzony do niewielkiej płytki drukowanej, która zawiera kilka elementów oraz wyprowadzenia w postaci szpilek goldpin. Wyświetlacz ma matrycę RGB o rozdzielczości 160×128 pikseli. Barwa każdego piksela jest określana liczbą 16-bitową, która odpowiada kolorom RGB według schematu 5-6-5. Łatwo zauważyć, że przesłanie treści całego wyświetlacza wymaga przesłania ponad 40 kB bajtów danych. Dlatego wyświetlacz wyposażono w kontroler typu ST7735S z szybkim interfejsem SPI.

Blok komunikacji USB zbudowano na bazie układu FT230, konwertera USB-UART. Umożliwia on programowanie mikrokontrolera, a tym samym pozostawia otwartą drogę do ulepszania i rozbudowywania funkcji urządzenia.

Programowanie mikrokontrolera możliwe jest po uruchomieniu wbudowanego bootloadera. W tym celu należy założyć zworkę na szpilki J2 oznaczone ISP, a następnie zrestartować urządzenie krótkim zwarciem wyprowadzeń złącza JP1 oznaczonych RST. Programowanie wykonujemy za pomocą aplikacji Flash Magic. Blok komunikacji umożliwia także wymianę danych pomiędzy urządzeniem a komputerem ale w obecnej wersji programu sterującego funkcja ta nie jest wykorzystywana.

Blok wzmacniacza wyjściowego obejmuje układ IC5 oraz elementy sąsiadujące. Odpowiada za wzmocnienie przebiegu wygenerowanego przez mikrokontroler oraz realizuje funkcję regulacji amplitudy. Rysunek 2 ilustruje sposób działania tego bloku.

Rysunek 2. Schemat blokowy wzmacniacza wyjściowego

Blok sterujący zawiera mikrokontroler typu LPC1114 taktowany przebiegiem o częstotliwości 48 MHz. Do generowania przebiegów o regulowanych parametrach jest potrzebna jednostka o jak największej częstotliwości taktowania, ponieważ to pozwala na uzyskanie większej rozdzielczości i dokładniej odwzorowuje przebieg. Zagadnienie będzie dokładniej rozwinięte w dalszej części artykułu. Jednak najważniejszego elementu urządzenia nie widać na schemacie – jest to program sterujący zawarty w pamięci mikrokontrolera.

Wykaz elementów:
Rezystory:
R1: 120 V
R2, R3, R15: 51 V
R4, R5, R7, R8, R17, R18, R20…R25: 10 kV
R9: 1 V
R12, R14: 0 V
R13: 4,7 kV
R11, R16: nie montować
Kondensatory:
C1, C5, C13, C14, C15: 1 mF
C2, C4, C6, C8, C11, C16…C22: 100 nF
C3, C7, C12: 220 mF
C9, C10: 10 pF
Półprzewodniki:
D1, D2: MBR0530
T1: BSS138
IC1: FT230XS
IC2: MCP1703-3,3V
IC3: LPC1114
IC4: TFT 1,8’
IC5: LMH6612
Inne:
DL1, DL2: 1 mH
Q1: rezonator kwarcowy 12 MHz
SW1, SW2: impulsator
J1, J2, CON2: goldpin 1×2
CON1: USB B pionowe
CON3: BNC przykręcane
IC4: gn. goldpin 4 i 8 pin

Działanie

Generowanie przebiegu prostokątnego jest realizowane przy użyciu 32-bitowego timera, jednego z dwóch wchodzących w skład peryferiów mikrokontrolera. Timer skonfigurowano w funkcji generatora PWM z aktywnym kanałem PWM0. Wyjście generatora skonfigurowano na wyprowadzeniu bitu 1 portu 1. Parametry przebiegu wyjściowego są konfigurowane wartościami dwóch rejestrów. Wartość rejestru oznaczonego MR3 określa, ile cyklów zegarowych taktujących timer będzie przypadało na jeden okres przebiegu PWM, a więc pozwala na ustawienie częstotliwości tego przebiegu. Drugi rejestr MR0 określa współczynnik wypełnienia przebiegu PWM a dokładnie, liczbę cykli taktujących przypadających na czas trwania niskiego poziomu wyjściowego.

Przy takiej metodzie wytwarzania przebiegu prostokątnego kluczowym parametrem jest częstotliwość taktowania timera. Im będzie ona większa, tym szerszy będzie zakres częstotliwości przebiegu wyjściowego oraz większa dokładność ustawiania częstotliwości i wypełnienia. W prezentowanym urządzeniu mikrokontroler oraz jego peryferia są taktowane przebiegiem o częstotliwości 48 MHz, co pozwala na wyznaczenie częstotliwości przebiegu wyjściowego z wzoru: 

fOUT=48 MHz/(MR3+1)

W tabeli 3 umieszczono kilka przykładowych wartości częstotliwości, a wśród nich takie, których można wygenerować z pewnym przybliżeniem – w tabeli podano rzeczywistą wartość częstotliwości przebiegu wyjściowego. nie da się wygenerować i ich rzeczywiste wartości. Jako ciekawostkę podane są także wartości rozdzielczości, czyli najmniejsze, możliwe do osiągnięcia zmiany częstotliwości.

Montaż i uruchomienie

Schemat montażowy generatora pokazano na rysunku 3. Do budowy urządzenia w głównej mierze zastosowano elementy montowane powierzchniowo. Elementy bierne w obudowach SMD1206 nie powinny sprawić kłopotu w czasie montażu, natomiast układy scalone w obudowach TSSOP mają gęsto rozmieszczone wyprowadzenia i mogą być trudne w montażu dla osób o niewielkim doświadczeniu. Pomocna w montażu, będzie fotografia 4 przedstawiająca zmontowaną płytkę. W miejsce wyświetlacza należy zamontować dwa złącza 4-pinowe oraz 8-pinowe, natomiast sam wyświetlacz należy dołączyć dopiero po umyciu płytki i skontrolowaniu poprawności montażu. Mikrokontroler w zestawie AVT będzie już zaprogramowany więc urządzenie powinno działać natychmiast po włączeniu zasilania.

Rysunek 3. Schemat montażowy generatora
Fotografia 4. Widok zmontowanego generatora

KS
ep@prolab.waw.pl

Artykuł ukazał się w
Elektronika Praktyczna
marzec 2019
DO POBRANIA
Pobierz PDF Download icon
Elektronika Praktyczna Plus lipiec - grudzień 2012

Elektronika Praktyczna Plus

Monograficzne wydania specjalne

Elektronik listopad 2025

Elektronik

Magazyn elektroniki profesjonalnej

Raspberry Pi 2015

Raspberry Pi

Wykorzystaj wszystkie możliwości wyjątkowego minikomputera

Świat Radio listopad - grudzień 2025

Świat Radio

Magazyn krótkofalowców i amatorów CB

Automatyka, Podzespoły, Aplikacje listopad - grudzień 2025

Automatyka, Podzespoły, Aplikacje

Technika i rynek systemów automatyki

Elektronika Praktyczna listopad 2025

Elektronika Praktyczna

Międzynarodowy magazyn elektroników konstruktorów

Elektronika dla Wszystkich grudzień 2025

Elektronika dla Wszystkich

Interesująca elektronika dla pasjonatów