Dwukierunkowy regulator obrotów silnika prądu stałego

Dwukierunkowy regulator obrotów silnika prądu stałego
Pobierz PDF Download icon
Zmiana prędkości obrotowej silnika prądu stałego jest podstawowym zadaniem w wielu układach napędowych. W artykule przedstawiono nieskomplikowany i co najważniejsze ? ?niemikroprocesorowy? dwukierunkowy regulator prędkości obrotowej silnika prądu stałego wykorzystujący metodę PWM. Rekomendacje: regulator przyda się majsterkowiczom do regulowania prędkości obrotowej narzędzi oraz w budowanych przez siebie urządzeniach.

W opisywanym urządzeniu, do ustawiania prędkości obrotowej silnika DC służy potencjometr. W skrajnych położeniach silnik pracuje z maksymalną prędkością obrotową w danym kierunku. Silnik jest zatrzymywany i hamowany, gdy potencjometr zostanie ustawiony w położeniu środkowym. Zmiana kierunku jest realizowana automatycznie w zależności od położenia potencjometru. W skrajnych położeniach sygnał PWM ma wypełnienie 100%, co zapewnia minimalne straty przy maksymalnej prędkości obrotowej. Położenie „zerowe” ma strefę martwą, co ułatwia stabilne zatrzymanie silnika.

Regulator może być zasilany napięciem z zakresu 8…30 V DC, co zapewnia współpracę z typowymi silnikami prądu stałego. Maksymalna obciążalność prądowa regulatora wynosi 2 A.

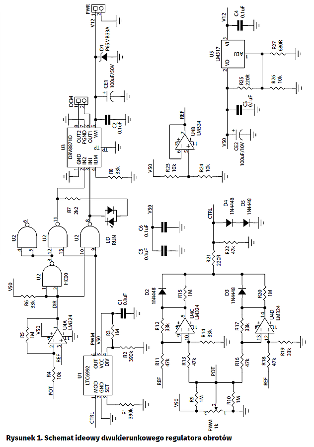
Schemat ideowy regulatora pokazano na rysunku 1. Składa się on z czterech bloków funkcjonalnych:

  • Generatora PWM 0…100% sterowanego napięciem – układu scalonego typu LTC6992-1 (U1).
  • Bloku obróbki sygnału sterującego z układem LM324 (U4).
  • Detektora kierunku i logiki sterującej driverem silnika 74HC00 (U2).
  • Drivera silnika z zabezpieczeniami – układu scalonego DRV8871 (U3).

Zasilanie układu sterującego zapewnia U5 typu LM317. Układ drivera silnika jest oparty o specjalizowany układ scalony typu DRV8871 (U3) firmy TI. Jego schemat blokowy pokazano na rysunku 2. Zawiera on wszystkie komponenty niezbędne do realizacji sterowania silnikiem szczotkowym prądu stałego: dwa półmostki MOSFET o małej rezystancji Rdson i z bezstratnym układem pomiaru prądu silnika niewymagającym zewnętrznych elementów, logikę zabezpieczającą, pompę ładunku do sterowania tranzystorów mocy, wbudowany układ zabezpieczeń przeciążeniowych i termicznych oraz wejściową logikę sterującą. Wbudowany czujnik prądu silnika nie wymaga zewnętrznego rezystora pomiarowego, ale w dalszym ciągu możliwa jest zmiana maksymalnego prądu uzwojeń poprzez dobór rezystora podłączonego do wyprowadzenia Ilim zgodnie ze wzorem Ilim=64/R8. W prototypie prąd ustalono na 2 A, co odpowiada rezystancji R8 wynoszącej około 33 kV. Minimalną wartość rezystora ustalono na 15 kV. Rezystor powinien być dobrany w zależności od zastosowanego silnika.

Sterowanie kierunkiem obrotów odbywa się w konwencji L/R za pomocą wejść IN1/IN2. Obwody logiczne wykonane z użyciem układu U2 (74HC00) zmieniają sposób sterowania na standard PWM/DIR. Dwubarwna dioda LED sygnalizuje kierunek obrotów oraz orientacyjnie wypełnienie PWM. Komparator ze wzmacniaczem operacyjnym U4A porównuje napięcie z suwaka potencjometru PWM z napięciem odniesienia REF=2,5 V generując wewnętrzny sygnał DIR określający kierunek obrotów silnika. Napięcie odniesienia jest uzyskiwane z napięcia zasilania 5 V (stabilizowanego przez U5) poprzez dzielnik R23/R24 i buforowane jest przez układ U4B. Gdy wypełnienie sygnału PWM wynosi 0% silnik jest hamowany, tj. zwierany wbudowanymi kluczami do masy.

Za generowanie sygnału PWM odpowiada układ U1 typu LTC6992-1, którego schemat blokowy pokazano na rysunku 3. Zawiera on wszystkie bloki potrzebne do realizacji generatora PWM o ustalonej częstotliwości i regulowanym współczynniku wypełnienia. Częstotliwość odniesienia wbudowanego generatora jest ustalana rezystorem dołączonym do wejścia SET (R1). Dodatkowy podział częstotliwości ustala dzielnik przyłączony do wyprowadzenia DIV (R2/R3). Zmiana napięcia na wyprowadzeniu MOD w zakresie 0…1 V zmienia współczynnik wypełnienia w granicach 0…100%. W prototypie częstotliwość generatora ustalono na ok. 128 kHz, a stopień podziału na 256, co daje taktowanie PWM równe 500 Hz.

Sygnał sterujący generatorem PWM jest wytwarzany w układzie dwóch wzmacniaczy różnicowych U4C/U4D, odpowiedzialnych za konwersję napięcia 0…5 V z suwaka potencjometru PWM na napięcie sterujące MOD U1, w zakresie 0…1 V. Wzmacniacz U4C pracuje dla napięć suwaka potencjometru z zakresu 2,5…5 V skalując je na zakres 0…1,7 V, a U4D, odpowiednio – 0…2,5 V na 1,7…0 V. Diody D2 i D3 sumują napięcia wzmacniaczy U4C/U4D i wprowadzają wraz z rezystorami R15, R20 niewielką strefę martwą w środkowym położeniu potencjometru. Diody D4 i D5 zabezpieczają wejście MOD U1 przed przekroczeniem dopuszczalnego zakresu napięcia. Przebiegi napięć w układzie regulacji pokazano na rysunku 4.

Napięcia zasilania 5 V dostarcza stabilizator U5 typu LM317 w typowej aplikacji. Regulator jest zasilany poprzez złącze PWR napięciem 8…30 V DC o mocy odpowiedniej do zastosowanego silnika. Silnik jest dołączany do złącza DCM.

Moduł regulatora zmontowano na dwustronnej płytce drukowanej, której schemat montażowy pokazano na rysunku 5. W zależności od wymaganej precyzji regulacji w miejsce typowego potencjometru 9 mm (PWM) można wlutować złącze SIP i zastosować zewnętrzny potencjometr wieloobrotowy o rezystancji 1 kV. Układ U3 może być wyposażony w niewielki naklejany radiator dla obudowy SO8 ułatwiający odprowadzenie ciepła. Moduł zmontowany ze sprawnych elementów nie wymaga uruchamiania, jednak warto sprawdzić napięcia sterujące CTRL, DIR, PWM w zależności od położenia potencjometru.

Czasem warto uświadomić sobie, że nawet w XXI wieku nie wszystko musi być zrobione z użyciem mikrokontrolera lub mikroprocesora

Adam Tatuś, EP

 

Artykuł ukazał się w
Elektronika Praktyczna
grudzień 2017
DO POBRANIA
Pobierz PDF Download icon
Elektronika Praktyczna Plus lipiec - grudzień 2012

Elektronika Praktyczna Plus

Monograficzne wydania specjalne

Elektronik listopad 2025

Elektronik

Magazyn elektroniki profesjonalnej

Raspberry Pi 2015

Raspberry Pi

Wykorzystaj wszystkie możliwości wyjątkowego minikomputera

Świat Radio listopad - grudzień 2025

Świat Radio

Magazyn krótkofalowców i amatorów CB

Automatyka, Podzespoły, Aplikacje listopad - grudzień 2025

Automatyka, Podzespoły, Aplikacje

Technika i rynek systemów automatyki

Elektronika Praktyczna listopad 2025

Elektronika Praktyczna

Międzynarodowy magazyn elektroników konstruktorów

Elektronika dla Wszystkich grudzień 2025

Elektronika dla Wszystkich

Interesująca elektronika dla pasjonatów