ADAU1466SOM - miniaturowy moduł DSP (3). Aplikacja testowa

ADAU1466SOM - miniaturowy moduł DSP (3). Aplikacja testowa
Pobierz PDF Download icon

W poprzednich częściach artykułu opisano moduł ADAU1466SOM wraz ze współpracującą płytką bazową ADAU1466_SOM_MB. Skoro sprzęt jest już gotowy do działania, to nadeszła kolej na wprowadzenie do konfiguracji i oprogramowania układu w celu jego zastosowania w praktyce.

Przed rozpoczęciem testowania konieczne jest przygotowanie zestawu płytki bazowej, zasilacza, kabli UFL-RCA (2 szt.), stereofonicznego mini jacka 3,5 mm (3 szt.) oraz źródła, np. odtwarzacza CD z wyjściem S/PDIF (coax), przetwornika C/A z wejściem S/PDIF (coax) oraz wzmacniacza audio. Zestaw – podobnie jak wcześniejsze procesory z rodziny Sigma DSP – jest programowany i konfigurowany za pomocą programatora USBi.

Fotografia 1. Moduł ADAU1466_SOM_I2C wraz z płytką bazową

Moduł SOM wraz z płytką bazową pokazano na fotografii 1, natomiast programator USBi na fotografii 2. Dla przypomnienia, na rysunku 3 zamieszczono schemat blokowy układu ADAU1466.

Fotografia 2. Programator USBi
Rysunek 3. Schemat blokowy ADAU1466

Ze strony https://www.analog.com należy pobrać oprogramowanie SigmaDSP (rysunek 4). W momencie pisania artykułu posługiwałem się wersją 4.1. Do jego pracy jest wymagany komputer PC z zainstalowanym systemem Windows 7 lub nowszym oraz interfejsem USB 2.0. Po zainstalowaniu i uruchomieniu należy dołączyć programator USBi do komputera i płytki ADAU1466SOM oraz założyć i zapisać nowy projekt.

Rysunek 4. Uruchomione Sigma Studio 4.1

Uruchomienie aplikacji przykładowej dla DSP składa się z kilku kroków:

Konfiguracja częstotliwości próbkowania systemu z menu (lub CTRL+U, CTRL+Q), jak na rysunku 5 oraz zatwierdzenie zmian klawiszem, co spowoduje parametryzację użytych bloków funkcjonalnych do ustalonej częstotliwości próbkowania.

Rysunek 5. Konfiguracja częstotliwości fs

Konfiguracja interfejsu programowania USBi (rysunek 6). Procesor DSP jest programowany przez interfejs USBi (interfejs slave w DSP) przy użyciu interfejsu I2C. Zgłasza się on pod adresem 0x70. Z procesorem współpracuje pamięć programu I2C (interfejs master w DSP) pracująca pod adresem 0xA0. Należy uważnie sprawdzić wpisane adresy, aby nie przeprogramować firmware'u interfejsu USBi, co zakończy się jego trwałym uszkodzeniem! W tym kroku konieczne jest także ustawianie konfiguracji pamięci EEPROM (rysunek 7). Okienko konfiguracji dostępne jest po kliknięciu prawym przyciskiem myszy na układ U2 E2prom. Ustawione parametry są dopasowane do pamięci AT24C512, jeżeli zastosowano pamięć o innej konfiguracji, trzeba je ustawić zgodnie z notą producenta.

Rysunek 6. Konfiguracja USBi
Rysunek 7. Konfiguracja pamięci EEPROM

Konfiguracji procesora ADAU1466 poprzez ustawienie odpowiednich opcji w menu „Hardware Configuration” w zakładce IC1-ADAU1466 „Register Controls”. Kompletna konfiguracja wymaga ustawienia sporej liczby parametrów poukrywanych w zakładkach.

Rysunek 8. Konfiguracja taktowania procesora Clock_Control
Rysunek 9. Konfiguracja zasilania Power_Clocking
Rysunek 10. Konfiguracja interfejsów szeregowych Serial_ports
Rysunek 11. Konfiguracja interfejsów SPDIF

Na szczęście w nowej wersji są one logicznie pogrupowane:

  • Clock_Control odpowiada za konfigurację systemu taktowania DSP oraz konfigurację generatora sygnału MCLK (rysunek 8). 
  • Power_Clocking, gdzie jest konfigurowane zasilanie poszczególnych układów DSP. Polecam załączanie zasilania tylko bloków wymaganych w projekcie dla zaoszczędzenia pobieranej mocy i minimalizacji zaburzeń EMI (rysunek 9).
  • Serial_ports, (Input/Output), gdzie konfigurowane są interfejsy szeregowe, określane są tryby ich pracy (master, slave), rodzaj interfejsu (I2S, TDM, LJ, RJ), długość słowa danych od 16 do 32 bitów (rysunek 10).
  • SPDIF, kilka zakładek, w których są konfigurowane interfejsy S/PDIF RX/TX (rysunek 11).
  • Multipurpose określająca konfigurację GPIO DSP. Ze względu na kilka funkcji pełnionych przez GPIO, określany w niej jest kierunek pracy GPIO (In/Out), czas eliminacji drgań (Debounce) w wypadku wejścia, tryb podciągania w przypadku wyjścia oraz multipleksowanie wyprowadzenia pomiędzy GPIO a rdzeń DSP, gdy może ono być skonfigurowane jako interfejs szeregowy lub interfejs pamięci zewnętrznej. Za pomocą funkcji Read This Page jest możliwe odczytanie stanu wejść GPIO, a za pomocą przycisków funkcyjnych MPxx Write – zmiana poziomu wyjść (rysunek 12).
  • AUXADC, zakładka tylko do odczytu poziomów napięć wbudowanego przetwornika A/C. Jej działanie jest zastanawiające, ponieważ poziomy zmieniają się skokowo 0-3, niezależnie od wartości napięcia na A/C. Błąd ten jest zgłoszony producentowi i zapewne zostanie naprawiony w którejś z kolejnych wersji Sigma Studio (rysunek 13).
  • Routing Matrix, zakładka określająca sposób przepływu sygnałów audio przez DSP i ASRC (konwerter częstotliwości próbkowania) w aplikacjach wymagających zmiany częstotliwości próbkowania do fs DSP (rysunek 14).
  • ASRC zakładka informująca o stanie układu ASRC (rysunek 15).
Rysunek 12. Konfiguracja interfejsów GPIO
Rysunek 13. Konfiguracja przetwornika AUXADC
Rysunek 14. Konfiguracja przepływu sygnałów Routing Matrix 
Rysunek 15. Zakładka monitorująca stan ASRC

Jak widać, parametrów do ustawiania jest sporo, co wymaga częstego sięgania do dosyć obszernej dokumentacji lub pomocy na forum ez.analog. Niestety, od kilku lat nie można doczekać się sensownego zestawu aplikacji przykładowych, ułatwiających start z procesorami SigmaDSP. O ile w wypadku w miarę nieskomplikowanych ADAU1701 można poradzić sobie całkiem szybko, to konfigurowanie ADAU1466 jest czasochłonne.

W kolejnym kroku należy narysować aplikację – nieskomplikowaną, korzystając z zakładki Schematic, a bardziej złożoną – z zakładki schematu blokowego Block Schematic. Aplikacja jest tworzona z gotowych bloków funkcjonalnych dostępnych w bibliotekach programu. Łączone są one za pomocą „przewodów”, co upodabnia aplikacje do rzeczywistego układu złożonego z połączonych fizycznych urządzeń. Pozwala to na skupienie się na realizacji algorytmu, a nie na języku programowania.

Edytor ma wyraźne oznaki choroby wieku niemowlęcego. Ma kilka uciążliwych przypadłości, do których na razie trzeba się przyzwyczaić. Na przykład, niekiedy błędnie odświeża schemat, co skutkuje jego zamrożeniem (nie można wpisać wartości w konfiguracji bloków). Czasem IDE pracuje niestabilnie, a najbardziej uciążliwy jest jednak brak poprawnego działania funkcji kopiuj/wklej. Po takiej operacji na zaznaczonych elementach wklejane są czasem jako grafika, co skutecznie uniemożliwia podłączenie ich do „przewodów” i w miarę sprawne rysowanie schematu. W razie konieczności powielenia fragmentu schematu łatwiej jest narysować go ponownie, niż skopiować. Na pozostałe dolegliwości pomaga restart środowiska. Warto też wyrobić sobie nawyk zapisywania co pewien czas projektu za pomocą naciśnięcia klawiszy Ctrl+S, co ustrzeże przed niezamierzoną utratą pracy.

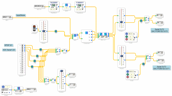
Rysunek 16. Przykładowa aplikacja

Przykładową aplikację wykonaną za pomocą Sigma Studio pokazano na rysunku 16. Pełni ona funkcję stereofonicznej zwrotnicy dwudrożnej wykonanej do celów dydaktycznych. Sygnał wejściowy z interfejsu S/PDIF oraz z portu Serial1, do którego jest doprowadzony przetwornik A/C przez interfejs I2S (A/C w trybie master, tj. generuje sygnały LRCK/BCLK), jest doprowadzony do bloku ASRC. Blok konwersji częstotliwości próbkowania ASRC przelicza mogące zmieniać się częstotliwości i rozdzielczości próbkowania sygnałów z interfejsów wejściowych oraz synchronizuje je z rdzeniem DSP. Jest to preferowany sposób doprowadzenia sygnałów do obróbki DSP, chyba że mamy absolutną pewność, że sygnały interfejsów szeregowych nie będą zmieniały częstotliwości próbkowania fs oraz są zgodne z częstotliwością próbkowania DSP. Dla interfejsu S/PDIF (kanały 0/1) ASRC jest obligatoryjne. Nieco myląca jest nazwa bloku AsrcIn, co sugeruje wejście do ASRC. W rzeczywistości założono, że oznaczenie In odpowiada kierunkowi sygnałów widzianych przez DSP (In – sygnał do obróbki doprowadzony do rdzenia DSP). Konfigurację ASRC (zakładka Routing Matrix) pokazano na rysunku 17. Procesor ADAU1466 ma 8 niezależnych bloków ASRC (stereofoniczne lub dwa kanały w trybie multipleksowanym TDM).

Rysunek 17. Konfiguracja źródeł ASRC

Z bloku ASRC sygnał poprzez punkty połączeniowe T-Connection jest doprowadzony do dwóch multiplekserów. Pierwszy pozwala na przełączenie sygnału z interfejsu S/PDIF-Serial1 do dalszej obróbki, drugi doprowadza go do regulatora poziomu i na wyjście S/PDIF. W tor sygnału są włączone bloki wyciszania. Blok Mute i blok multipleksera są „sterowane” z aplikacji Sigma Studio (za pomocą myszki) i nie mają możliwości zmiany stanu poprzez interfejs GPIO/AUXADC. Są jednak bardzo użyteczne podczas uruchamiania aplikacji. Dalej, w torze DSP, sygnał jest podany na multiplekser MX1, ale w wersji ze sterowaniem zewnętrznym (z GPIO lub z innego bloku funkcjonalnego) – w naszym wypadku z wejścia GPIO_7 (MP7). Zmiana poziomu MP7 pozwala na przełączanie multipleksera pomiędzy generatorem szumu a sygnałem audio z ASRC. Aby możliwa była taka interakcja, konieczne jest skonfigurowanie GPIO7 w tryb wejścia i załączenie funkcji MP na pinie GPIO7 (rysunek 18). W modelu do GPIO7 są dołączone przełącznik suwakowy i przycisk, które po załadowaniu aplikacji będą aktywowały generator szumu „W_Noise”. Poziom szumu może być ustalony regulatorem podczas uruchamiania aplikacji. Następnie sygnał jest podany na blok zwrotnicy dwudrożnej „Crossover1”, której parametry można ustalić, klikając lewym przyciskiem myszy na ikonę zwrotnicy (rysunek 19).

Rysunek 18. Konfiguracja GPIO7(MP7)
Rysunek 19. Konfiguracja bloku zwrotnicy

Sygnał po podziale na składowe o częstotliwości niskiej lub wysokiej jest doprowadzony do bloku regulatora poziomu sterowanego sygnałem zewnętrznym Slev vol, w którym należy zwiększyć liczbę kanałów z 2 do 4 za pomocą menu podręcznego (prawy przycisk myszy  Grow Alogorithm  Gain (HW slew)  2. Analogicznie zmniejsza się liczbę kanałów (prawy przycisk myszy  Reduce Alogorithm), o ile zajdzie taka potrzeba i dany blok umożliwia operację. Ze względu na zmianę formatu danych w ADAU1466 (w porównaniu do ADAU1701), regulacja poziomu sygnałem z przetwornika A/C nie może odbywać się bezpośrednio, a dopiero po konwersji formatu za pomocą dodatkowych bloczków, zgodnie ze schematem zamieszczonym na rysunku 20.

Rysunek 20. Konwersja formatu sygnału A/C

Na koniec sygnał jest doprowadzony do bloków korygujących poziom już po podziale częstotliwości i wyprowadzony na wyjścia portu szeregowego współpracujące z przetwornikami C/A. Dla celów testowych wyjścia mogą być przełączone multiplekserami na sygnał z testowych generatorów przebiegu sinusoidalnego 400 Hz/4 kHz. Ostatnim blokiem aplikacji jest blok sygnalizujący pracę procesora DSP (rysunek 21). Generator impulsów o częstotliwości 1 Hz i wypełnieniu 50% jest połączony z blokiem komparatora wykrywającego poziom niski, a stąd doprowadzony do wyjścia GPIO1 dołączonego do LED MP1.

Rysunek 21. Wskaźnik pracy DSP

Po narysowaniu schematu i konfiguracji sprzętu, ustawieniu przełączników CFG na płytce w położenie 1=ON, 2=ON, co dezaktywuje tryb selfboot, dołącza sygnał reset USBi do systemu i umożliwia programowanie DSP. W tym momencie należy załadować aplikację do ADAU1466. Wymaga ona linkowania (Ctrl+I, rysunek 22) i kompilacji (F7), jeżeli ładowanie zakończy się poprawnie, to na belce statusu zostanie wyświetlony komunikat. Aplikacja zostanie uruchomiona, co potwierdza miganie Led MP1. Przechodzimy do sprawdzenia działania aplikacji w systemie. Parametry bloków funkcjonalnych mogą być zmieniane w czasie rzeczywistym, ponieważ bezpośrednio przez USBi ładowane są do pamięci DSP.

Rysunek 22. Aplikacja po linkowaniu

Ze względu na ładowanie aplikacji do pamięci ulotnej DSP każdorazowo po włączeniu zasilania lub restarcie procesora, konieczne jest ponowne jej załadowanie. Gdy DSP ma pracować samodzielnie, należy wykorzystać tryb self boot, w którym, każdorazowo po restarcie, DSP automatycznie ładuje zawartość pamięci nieulotnej. W wypadku procesorów z rodziny ADAU146x (ADAU145x) programator USBi nie ma bezpośredniego połączenia z pamięcią EEPROM, co powoduje odmienny sposób programowania pamięci. Przed zapisem programu interfejs USBi zapisuje do DSP bootloader, który pośredniczy w zapisie EEPROM przyłączonej do interfejsu typu slave. Aby zapisać aplikację w pamięci EEPROM, należy wrócić do zakładki Hardware Configuration, kliknąć prawym przyciskiem myszy na blok „DSP IC1” i wybrać opcję Self-boot Memory → Erase memory through DSP i następnie Write latest Compilation through DSP (rysunek 23). Po zaprogramowaniu przełącznik selfboot należy ustawić w położenie 1=OFF i nacisnąć przycisk „reset”, co uruchomi procedurę selfboot, czyli wczytanie i uruchomienie aplikacji w trybie samodzielnym.

Rysunek 23. Programowanie pamięci EEPROM

Na koniec

Przykładowa aplikacja w możliwie krótki sposób pokazuje konfigurację portów szeregowych i GPIO procesora DSP, konieczną do tworzenia samodzielnych aplikacji, i oczywiście, nie wyczerpuje wszystkich jego możliwości. Pozostaje więc dalsze samodzielne zdobywanie doświadczenia. Pomocne mogą być w tym wpisy z forum http://ez.analog.com. Powodzenia we własnych projektach!

Adam Tatuś, EP

 

Artykuł ukazał się w
Elektronika Praktyczna
styczeń 2019
DO POBRANIA
Pobierz PDF Download icon
Elektronika Praktyczna Plus lipiec - grudzień 2012

Elektronika Praktyczna Plus

Monograficzne wydania specjalne

Elektronik listopad 2025

Elektronik

Magazyn elektroniki profesjonalnej

Raspberry Pi 2015

Raspberry Pi

Wykorzystaj wszystkie możliwości wyjątkowego minikomputera

Świat Radio listopad - grudzień 2025

Świat Radio

Magazyn krótkofalowców i amatorów CB

Automatyka, Podzespoły, Aplikacje listopad - grudzień 2025

Automatyka, Podzespoły, Aplikacje

Technika i rynek systemów automatyki

Elektronika Praktyczna listopad 2025

Elektronika Praktyczna

Międzynarodowy magazyn elektroników konstruktorów

Elektronika dla Wszystkich grudzień 2025

Elektronika dla Wszystkich

Interesująca elektronika dla pasjonatów