Procesor wokalny z efektami echa DRP-10

Procesor wokalny z efektami echa DRP-10
Pobierz PDF Download icon

Rynek procesorów wokalnych jest dosyć ubogi. O ile efekty do gitary są łatwo dostępne oraz ich cena jest przystępna, o tyle w efektach dla wokalistów nie ma takiego samego szerokiego wyboru, a ponadto ich cena jest wysoka. Celem projektu było opracowanie taniego efektu wokalnego, który każdy będzie mógł sobie zbudować. To pozwoli na szybki jego serwis w przypadku uszkodzenia przed koncertem. Każdy wie, że uszkodzenie sprzętu na gwarancji wiąże się z 2-3 tygodniowym okresem oczekiwania na usunięcie usterki, co jest niedopuszczalne, gdy mamy w tym terminie występ.

Rekomendacje: efekt doskonale sprawdzi się na scenie, a ponieważ ma przedwzmacniacz mikrofonowy, znajdzie także zastosowanie jako element zestawu do karaoke.

Podstawowe parametry:
  • Zasilanie 12 V DC/0,5 A.
  • Wejście mikrofonowe, wyjście liniowe.
  • Elastyczne, konfigurowalne efekty delay i reverb.
  • Tryb „przeźroczysty” (bypass).
  • Bazuje na mikrokontrolerze STM32.

W zestawach PA są wbudowane przedwzmacniacze mikrofonowe, które stosując DRP-10 należy wyłączyć , aby uniknąć przesterowania (ustawić wejścia jako liniowe). Często w systemach PA jest wbudowany podstawowy efekt reverb, któremu możemy zmienić tylko parametr intensywności na potencjometrze. W procesorze DRP-10 możemy zmieniać 12 parametrów dla efektu reverb (6 opóźnień oraz 6 tłumień) oraz 3 parametry dla efektu delay (opóźnienie, tłumienie oraz załączenie krotności).

Budowa

Zasada działania efektu wokalnego polega na wzmocnieniu sygnału z mikrofonu dynamicznego, a następnie skierowania go do przetwornika analogowo cyfrowego procesora. Przetwornik A/C mikrokontrolera powinien być szybki oraz mieć dużą rozdzielczość. Oprócz tego mikrokontroler powinien mieć jak najwięcej pamięci RAM, aby odkładać w niej aktualnie pobrane próbki sygnału dźwiękowego.

Człowiek słyszy dźwięki w przybliżeniu od 16 Hz do 20 kHz, więc częstotliwość próbkowania powinna być co najmniej dwa raz większa od sygnału dźwiękowego (min 40 kHz). Należy pamiętać, że od momentu pobrania sygnału do jego podania na przetwornik C/A procesor musi wykonać obróbkę sygnału. Dla przykładu, jeżeli wartość z 12-bitowego przetwornika A/C będziemy zapisywali do pamięci RAM co 0,02 ms, a bufor będzie 16-bitowy, to w pamięci RAM 64 kB możemy przechować 32 tys. próbek. Te 32 tys. próbek pomnożone przez 0,02 ms daje 640 ms, a więc o około 640 ms możemy opóźnić sygnał z mikrofonu w stosunku do sygnału podanego na wyjście, czyli biegnącego do wzmacniacza. Oczywiście, te 640 ms jest czysto teoretyczne, ponieważ pamięć RAM przechowuje też stos i zmienne potrzebne do obsługi programu. Ze względu na łatwą dostępność, niewygórowaną cenę (w porównaniu do specjalizowanego w obróbce sygnału procesora DSP), dobre „uzbrojenie” w bloki funkcjonalne oraz wydajność wystarczającą do obróbki sygnału audio, zdecydowałem się zastosowanie mikrokontrolera z rdzeniem ARM.

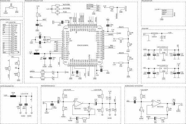
Rysunek 1. Schemat efektu DRP-10

Schemat ideowy efektu DRP-10 pokazano na rysunku 1. W urządzeniu zastosowano procesor typu STM32F105RBT6. Jego zasoby obejmują 128 kB pamięci Flash oraz 64 kB pamięcią SRAM. Maksymalna częstotliwość taktowania rdzenia wynosi 72 MHz. Wśród bloków funkcjonalnych są 12-bitowe przetworniki C/A i A/C. Ma także kontroler DMA, który może bez angażowania CPU transmitować dane pomiędzy pamięcią a przetwornikami.

Procesor wokalny jest zasilany z 12-woltowego zasilacza impulsowego. Wejście zasilające jest zabezpieczone za pomocą diody D4 i bezpiecznika 150 mA. Za bezpiecznikiem włączono stabilizator napięcia 5 V (7805) oraz 3,3 V (LM1117). Napięcie +5 V służy do zasilania wyświetlacza alfanumerycznego 2 linie ×16 znaków, natomiast 3,3 V do zasilania mikrokontrolera. Wyświetlacz bez problemu może być sterowany napięciem 3,3 V, ale należało zrezygnować z odczytywania flagi zajętości sterownika wyświetlacza przez procesor, aby na pinach mikrokontrolera nie występowało napięcie 5 V, które mogłoby go uszkodzić. Kontrast wyświetlacza jest ustalany za pomocą dzielnika rezystancyjnego złożonego z oporników R14 i R13, a R15 ogranicza prąd podświetlenia tła. Zwora R5 łączy masy analogową i cyfrową w jednym punkcie wspólnym. Rezystory R4, R3, R2 zasilają te wejścia mikrokontrolera, do których dołączono enkoder mechaniczny. Enkoder jest obsługiwany za pomocą przerwania.

W procesorze wokalnym zastosowano podwójny wzmacniacz NE5532. Jego zasilanie jest niesymetryczne, bezpośrednio z +12 V poprzez filtr LC (L2, C10, C11). Sygnał z mikrofonu dynamicznego jest filtrowany na wejściu przez kondensator C12, a następnie podawany przez kondensator na wejście wzmacniacza w układzie nieodwracającym. Zasilanie wzmacniacza operacyjnego jest asymetryczne, więc jest wstępnie polaryzowane 6-woltową składową stałą uzyskiwaną za pomocą dzielnika rezystancyjnego R16/R17. Potencjometr R18 służy do wyregulowania wzmocnienia sygnału wejściowego. Zmieniając rezystor R19 możemy zmieniać maksymalne wzmocnienie według wzoru Ku=(1+RPOT/R19). W projekcie zastosowano wzmocnienie K=54. Dobrano je doświadczalnie, testując mikrofony dynamiczne różnych firm.

Kondensator C15 usuwa składową stałą ze wzmocnionego sygnału dźwiękowego, natomiast rezystory R20, R21 ponownie wprowadzają do niego składową stałą równą 1,57 V. Dobrano ją tak, aby sygnał wejściowy przetwornika A/C był dobrze dopasowany do jego zakresu. Diody Schottky D1…D3 dodatkowo zabezpieczają mikrokontroler. Dwukolorowa dioda świecąca zasilana prądem ograniczanym przez rezystory R26, R27 sygnalizuje poziom wejściowego sygnału audio. Jeśli ma on zbyt mały poziom, nie świeci żadna z diod. Gdy sygnał dźwiękowy będzie dobrze dopasowany, zaświeci dioda zielona. Jeśli sygnał będzie przesterowany, to zaświeci się dioda czerwona.

Wejściowy, analogowy sygnał audio jest przekształcany za pomocą przetwornika A/C na postać cyfrową, obrabiany przez CPU, a następnie konwertowany z cyfrowego na analogowy za pomocą przetwornika C/A. Z sygnału wyjściowego przetwornika C/A za pomocą C16 jest usuwana składowa stała (około 1,5 V), a następnie jest do niego dodawane napięcie 6 V uzyskiwane z dzielnika rezystancyjnego złożonego z R22 i R23. Taki sygnał jest wzmacniany trzykrotnie, a następnie podawany na wyjście, do wzmacniacza audio poprzez kondensator C18.

W pobliżu wszystkich nóżek zasilających procesor STM32 zamontowano kondensatory 100 nF, aby zminimalizować zakłócenia pochodzące od zasilania. Zasilanie przetworników analogowych procesora jest realizowane za pomocą filtru LC złożonego z dławika L1 oraz pojemności C8 i C9. Za pomocą linii SWDIO, SWCLK, NRST można zaprogramować pamięć mikrokontrolera.

Zasada działania

Dźwięk jest falą podłużną rozchodzącą się z prędkością około 340 m/s. Efekt echa słyszymy wtedy, gdy fala dźwiękowa odbija się od jakiejś przeszkody i ponownie dociera do nas, ale z opóźnieniem potrzebnym na ponowne przebycie przez nią drogi od przeszkody do źródła dźwięku. Czas opóźnienia można obliczyć stosując wzór na drogę w ruchu jednostajnym t= 2s/v.

Czas rzędu 200 ms jest wystarczający, aby uzyskać wyraźny efekt delay. W algorytmie procesora została utworzona 16-bitowa tablica mieszcząca 11 tys. elementów, która została umieszczona w pamięci RAM oraz dodatkowo dwie inne tablice dla efektu reverb o pojemności 5020 liczb 16-bitowych. Te tablice pełnią rolę buforów z przetwornika A/C. Przerwanie od zegara systemowego jest generowane co 0,02 ms. W przerwaniu zostaje ustawiony bit zezwalający na przepisanie wartości z przetwornika A/C do bufora.

Zostaje także inkrementowana zmienna wskazująca na element tablicy, do którego ma być przepisana wartość z A/C. Jeśli bufor zaczyna się przepełniać, ta zmienna jest zerowana i bufor zaczyna się nadpisywać od samego początku. Aby sygnał wyjściowy zawierał efekt delay, należy do aktualnej próbki sygnału dźwiękowego dodać odpowiednio opóźnioną próbkę z bufora. Opóźniona próbka nie może mieć takiego samego poziomu, jak próbka aktualnie pobrana, dlatego jest dzielona przez wartość zawartą w tabeli wzmocnienie[]. Zawiera ona współczynniki podziału wyznaczone zgodnie ze skalą logarytmiczną.

Rysunek 2. Schemat blokowy efektu delay o działaniu jednokrotnym. D – blok opóźniający T – blok tłumiący sygnał

Na rysunku 2 pokazano schemat blokowy efektu delay. Procesor wokalny DRP-10 ma możliwość załączenia krotności efektu delay. Jego działanie polega na tym, że polega to na tym, że w momencie wystąpienia flagi zezwalającej na przepisanie wartości z przetwornika A/C do bufora, zamiast przepisywać samą wartość A/C przepisujemy sumę aktualnej próbki przetwornika oraz wcześniej obliczonej wartości próbki opóźnionej i stłumionej (rysunek 3).

Rysunek 3. Schemat blokowy efektu delay o działaniu wielokrotnym. D – blok opóźniający T – blok tłumiący sygnał

Działanie efektu reverb jest zbliżone do efektu delay. Polega ono na zasymulowaniu odbić dźwięku od różnych przeszkód. Można, dla przykładu, wyobrazić sobie, że stoimy w zamkniętej pustej hali, a dźwięk odbija się od ścian. Gdybyśmy stali na środku, a hala miała kształt kwadratu, fale dźwiękowe odbite od ścian dobiegałyby do nas po tym samym czasie. Jeśli hala ma kształt nieregularny, a my nie stoimy na środku, czasy powrotu nas dźwięku odbitego od poszczególnych ścian będą różniły się od siebie i będą miały różne natężenie. Oczywiście, to tylko model służący do zobrazowania efektu reverb. W rzeczywistości fala dźwiękowa jest falą ciśnienia i ulega przeróżnym zjawiskom fizycznym, np. takim zjawiskom falowym, jak dyfrakcja czy interferencja.

W programie reverb zrealizowano przez wprowadzenie 4 opóźnień, które można regulować. Wartość podawana na przetwornik C/A jest sumą aktualnie pobranej próbki z A/C oraz wszystkich próbek o różnych opóźnieniach w stosunku do tej próbki, a ponadto próbek z dodatkowych dwóch buforów w pamięci. Dodatkowe bufory wprowadzają dodatkowe opóźnienia dla sumy opóźnionych próbek, a tym samym symulują efekt wielokrotnego odbicia się dźwięku oraz interferencję fal akustycznych.

Rysunek 4. Schemat blokowy efektu reverb. D – blok opóźniający T – blok tłumiący sygnał

Schemat blokowy efektu reverb zamieszczono na rysunku 4. Aby uzyskać słabszy efekt reverb, należy zrezygnować z tych dodatkowych buforów (bufforREVERB[5020] oraz bufforREVERB2[5020]).

Listing 1. Modyfikacja dla osłabienia efektu reverb
{
flagazwarciaBYPASS=1;
wartoscDAC=buforADC+wartoscDELAY+zalaczREVERB1*(wartoscREV1+wartoscREV2+wartoscREV3);
//wartoscDAC=buforADC+wartoscDELAY+zalaczREVERB1*(wartoscREV1);
}

W tym celu w programie należy odszukać treść pokazaną na listingu 1, usunąć znak komentarza, natomiast skomentować aktualne podstawienie zmiennej wartoscDAC. Po tej czynności będziemy mieć reverb bez bloków zaznaczonych na rys. 5 linią przerywaną.

Ważnym elementem w programie jest implementacja przycisku bypass, dzięki któremu próbki z przetwornika A/C będą bez zmian przenoszone do przetwornika C/A. Dzięki temu np. głos wokalisty może być wolny od jakichkolwiek sztucznych efektów.

Na płytce drukowanej rozdzielono masę analogową od cyfrowej łącząc je tylko w jednym punkcie. Puste pola płytki zostały wylane masami, dzięki czemu uzyskano zmniejszenie poziomu zaburzeń słyszalnych w głośniku. Masy na obu warstwach płytki połączono przelotkami. Przy projektowaniu płytki starano się uzyskać jak najmniejsze wymiary.

Program

Najważniejszą częścią całego programu jest część, w której dokonują się obliczenia dla efektu delay oraz efektu reverb.

Listing 2. Przepisanie wartości z przetwornika A/C do bufora
buffor[s]=(uint16_t)(buforADC+(zalDELAYwielokrotny*wartoscDELAY));

W pierwszej kolejności po ustawieniu bitu zezwalającego na próbkowanie jest przepisywana wartość z przetwornika A/C do tablicy, jak pokazano na listingu 2. Jej indeks „s” jest po przepisaniu wartości inkrementowany, maksymalnie do wartości 10999. Przy wartości 11000 indeks jest zerowany. W tym samym czasie do przetwornika C/A jest wpisywana przeliczona wartość będąca sumą sygnału podstawowego i sygnału obliczonego dla efektów delay oraz reverb, jak pokazano na listingu 3.

Listing 3. Zapamiętanie wartości zmodyfikowanego sygnału
wartoscDAC=buforADC+wartoscDELAY+zalaczREVERB1*(wartoscREV1 +wartoscREV2 + wartoscREV3);

Funkcję realizującą efekt delay pokazano na listingu 4.Jeżeli jest załączony efekt delay (zalDEAY1==1), to są wykonywane obliczenia. Ponieważ maksymalne opóźnienie, które możemy ustawić wynosi 200 ms, natomiast liczba elementów tablicy dla takiego opóźnienia wynosi 10000 – dzieląc te dwie wartości otrzymujemy 50. W następnej linii kodu jest obliczany tymczasowy indeks elementu tablicy opóźnionego w stosunku do aktualnie pobranej próbki dźwięku. W kolejnym kroku, wartość opóźnionej próbki jest przepisywana do zmiennej wartoscDELAY. W ostatnich dwóch liniach kodu wartość próbki jest przemnażana przez odpowiedni ułamek mniejszy od 1 w taki sposób, aby nie było konieczności używania w programie zmiennej typu float dla realizacji tłumienia.

Listing 4. Efekt delay
if(zalDELAY1)
{
delayms=50*opoznieniemsDELAY;
if(s>=delayms) l=s-delayms; else l=11000-(delayms-s);
wartoscDELAY=(buffor[l]);
TEMPGAIN=wartoscDELAY*wzmocnienie[wzmocnienieDELAY2];
wartoscDELAY=TEMPGAIN/10000;
}

Fragment programu realizujący efekt reverb pokazano na listingach 5 i 6. Można zauważyć, że obliczenia są wykonywane tak samo, jak w efekcie delay, ale dla 4 opóźnień. W ostatniej linii kodu, wszystkie sygnały opóźnione są zsumowane po uprzednim wytłumieniu (wartoscREV1). Suma sygnałów opóźnionych jest wpisywana do dodatkowego bufora bufforREVERB. Dla tego bufora także jest przeliczane opóźnienie z milisekund na liczbę elementów tablicy. Następnie, element opóźniony tego bufora jest tłumiony i przepisany do zmiennej wartoscREV2.

Listing 5. Efekt reverb
if(zalaczREVERB1)
{
delayrev1=50*opoznienierev1;
delayrev2=50*opoznienierev2;
delayrev3=50*opoznienierev3;
delayrev4=50*opoznienierev4;
if(s>=delayrev1) lr1=s-delayrev1; else lr1=11000-(delayrev1-s);
if(s>=delayrev2) lr2=s-delayrev2; else lr2=11000-(delayrev2-s);
if(s>=delayrev3) lr3=s-delayrev3; else lr3=11000-(delayrev3-s);
if(s>=delayrev4) lr4=s-delayrev4; else lr4=11000-(delayrev4-s);
temp1REV=buffor[lr1];
TEMPGAIN=temp1REV*wzmocnienie[wzmocnienieREVERB1];
temp1REV=TEMPGAIN/10000;
temp2REV=buffor[lr2];
TEMPGAIN2=temp2REV*wzmocnienie[wzmocnienieREVERB2];
temp2REV=TEMPGAIN2/10000;
temp3REV=buffor[lr3];
TEMPGAIN3=temp3REV*wzmocnienie[wzmocnienieREVERB3];
temp3REV=TEMPGAIN3/10000;
temp4REV=buffor[lr4];
TEMPGAIN4=temp4REV*wzmocnienie[wzmocnienieREVERB4];
temp4REV=TEMPGAIN4/10000;
wartoscREV1=temp1REV + temp2REV + temp3REV + temp4REV;
}

Wartość tej zmiennej jest przepisywana do bufora bufforREVERB2, dla którego także jest obliczane opóźnienie. Element opóźniony tablicy bufforREVERB2 jest tłumiony i przepisywany do zmiennej wartoscREV3. Aby zapewnić dodatkowe sprzężenie, zamiast przepisywać do bufora bufforREVERB samą zmienną wartoscREV1 będącą sumą 4 opóźnionych sygnałów (list. 5), przepisujemy sumę zmiennych wartoscREV1 oraz wartoscREV3. Wszystkie zmienne wartoscREV są przepisywane do rejestru przetwornika C/A, co pokazano na list. 3.

Listing 6. Sumowanie cyfrowych ekwiwalentów sygnałów
if(flagaREVERB)
{
flagaREVERB=0;
if(++i>5019) i=0;
bufforREVERB[i]=wartoscREV1 + wartoscREV3;
delayREVc1=50*opoznienieREVc1;
delayREVc2=50*opoznienieREVc2;
if(i>=delayREVc1) lcr1=i-delayREVc1; else lcr1=5020-(delayREVc1-i);
TEMPGAIN5=bufforREVERB[lcr1]*wzmocnienie[wzmocnienieREVERBc1];
wartoscREV2=TEMPGAIN5/10000;
if(++p>5019) p=0;
bufforREVERB2[p]=wartoscREV2;
if(p>=delayREVc2) lcr2=p-delayREVc2; else lcr2=5020-(delayREVc2-i);
TEMPGAIN6=bufforREVERB2[lcr2]*wzmocnienie[wzmocnienieREVERBc2];
wartoscREV3=TEMPGAIN6/10000;
}

Montaż

Rysunek 5. Schemat montażowy efektu DRP-10

Schemat montażowy DRP-10 zamieszczono na rysunku 5. Montaż należy rozpocząć od wlutowania elementów zasilacza. Następnie należy włączyć zasilanie i sprawdzić, czy na wyjściach stabilizatorów mamy żądane wartości napięcia. Jeżeli wszystko przebiegło prawidłowo, należy przylutować mikrokontroler STM32. Jest to najtrudniejsza czynność w całym montażu, ze względu na wymiary obudowy LQFP.

Rysunek 5. c.d.

W następnej kolejności montujemy pozostałe elementy, zaczynając od wzmacniacza operacyjnego, a kończąc na kondensatorach elektrolitycznych. Rezystorów R10 oraz R8 nie należy wlutowywać, aby zapewnić prawidłowe bootowanie procesora. Program do mikrokontrolera można wgrać używając oryginalny programator ST-Link oraz stosując program do wgrywania STM32 ST-Link Utility.

Fotografia 6. Zmontowany efekt w widoku od góry

Gotowy efekt należy zamontować w metalowej obudowie, aby zapewnić odpowiednie ekranowanie. Jako gniazdo mikrofonowe oraz wyjściowe wykorzystano gniazda typu XLR, ponieważ aktualnie większość mikrofonów dynamicznych ma właśnie takie wejścia. Bardzo ważne, aby przy lutowaniu gniazda XLR wykorzystać pin 2 (sygnał) oraz 1 (masa). Przy samym gnieździe wejściowym mikrofonu pomiędzy wyżej wspomnianymi pinami został przylutowany kondensator 10 nF, aby zmniejszyć zaburzenia. Do połączenia płytki z gniazdami należy użyć przewodów o dobrej jakości ekranu. Na fotografiach 6 i 7 pokazano zmontowane urządzenie.

Fotografia 7. Zmontowany efekt w widoku od spodu

Użytkowanie

Przed przystąpieniem do używania efektów, należy ustawić odpowiednie wzmocnienie dla używanego mikrofonu. Śpiewając do mikrofonu z wyłączonymi efektami (BYPASS załączony), należy obserwować diodę LED. Dioda nie może świecić na czerwono, tylko na zielono. Wzmocnienie powinno być ustawione na granicy zmiany koloru diody, tzn. dioda zaświeca się na zielono, ale delikatne zwiększenie wzmocnienia lub głośne śpiewanie do mikrofonu powoduje zaświecanie się diody czerwonej. Zmiany wzmocnienia dokonuje się za pomocą potencjometru.

Używając impulsatora można poruszać się po menu i zmieniać poszczególne parametry każdego efektu. Aby zmienić dany parametr, należy nacisnąć impulsator. Na wyświetlaczu zostanie pokazany znak „>”, informujący o możliwości zmiany wartości parametru. Ponowne, krótkie naciśnięciem impulsatora zatwierdza zmianę i przechodzi z powrotem do wyboru parametru. Jeśli zmieniając parametr naciśniemy i przytrzymamy ośkę impulsatora, to w lewym, dolnym rogu wyświetlacza zostanie przez około 2 sekundy wyświetlona duża litera „S”, a ustawione parametry zostaną zapamięta w pamięci nieulotnej. Dzięki temu użytkownik po ponownym włączeniu procesora wokalnego nie musi na nowo wprowadzać ustawień.

Parametr:

  • „DELAY ZALACZ” powoduje załączenie efektu delay.
  • „OPOZNIENIE DELAY” ustawia czas opóźnienia sygnału opóźnionego w stosunku do aktualnego.
  • DELAY KROTNOŚĆ powoduje załączenie powtarzania wielokrotnego efektu delay z tłumieniem ustawianym parametrem TŁUMIENIE DELAY. Należy pamiętać, żeby przy załączeniu krotności ustawić odpowiednio duże tłumienie, ponieważ przy zbyt małym tłumieniu sygnały powtarzane n-krotnie razem z sygnałem aktualnym dźwięku, mogą mieć zbyt duży poziom i dać efekt przesterowania dźwięku lub sprzężenia. Taka sama zasada tyczy się do efektu reverb i dlatego dla każdego z 4 sygnałów opóźnionych, można ustawić osobne tłumienie (TŁUMIENIE REV1, TLUMIENIE REV2, TLUMIENIE REV3, TLUMIENIE REV4). Dodatkowo dla sygnałów, które są sumą wszystkich sygnałów opóźnionych, można ustawić ich własne tłumienie (TLUMIENIE CREV1, TLUMIENIE CREV2).
  • Opóźnienia dla efektu reverb ustawiamy w parametrach: OPOZNIENIE REV1, OPOZNIENIE REV2, OPOZNIENIE REV3, OPOZNIENIE REV4, OPOZNIENIE CREV1, OPOZNIENIE CREV2. Dwa ostatnie wymienione opóźnienia są dodatkowymi opóźnieniami sumy sygnałów opóźnionych.
  • Parametrem REVERB ZALACZ można załączyć lub wyłączyć efekt reverbu.
  • Parametr TLUMIENE WYJ jest parametrem określającym poziom sygnału wyjściowego z mikrokontrolera. Gdy suma sygnałów efektu delay, reverb oraz aktualnego przekracza wartość 4095 bitów w rejestrze DAC, to sygnał, który jest podawany do przetwornika DAC musi być odpowiednio stłumiony tak, żeby nie było słychać w głośnikach przesterowań lub sprzężeń.

Jak widać użytkownik ma bardzo dużo możliwości skonfigurowania dla siebie najlepszego efektu echa.

Krzysztof Miękus
lordwest1989@tlen.pl

Wykaz elementów:
Rezystory: (SMD 1206)
  • R1…R4, R7, R11, R12: 10 kΩ
  • R5: 0 Ω
  • R6, R9: 510 Ω
  • R13: 1,9 kΩ
  • R14: 680 Ω
  • R15: 270 Ω
  • R26, R27: 660 Ω
  • R16, R17, R22, R23: 47 kΩ
  • R19: 4,7 kΩ
  • R20: 330 kΩ
  • R21: 49,9 kΩ
  • R25: 1,2 kΩ
  • R24: 2,4 kΩ
  • R18: 250 kΩ (potencjometr)
Kondensatory:
  • C1, C2: 22 pF (SMD 1206)
  • C3…C7, C9, C11, C23…C26: 100 nF (SMD 1206)
  • C12: 100 pF (SMD 1206)
  • C16: 470 nF (SMD 1206)
  • C8, C13…C19, C21, C22: 10 μF (elektrolit. SMD)
  • C10, C20: 100 μF (elektrolit. SMD)
Półprzewodniki:
  • D1…D4: dioda Schottky 1 A
  • U1: STM32F105RBT6 (LQFP 64)
  • U2: NE5532 (SO8)
  • U3: LM1117-5 (TO252)
  • U4: LM1117-3.3 (TO252)
  • Dioda LED CLEAR RG OK (THT)
Inne:
  • L1, L2: 10 μH
  • Q1: rezonator kwarcowy 8 MHz
  • Bezpiecznik 315 mA
Artykuł ukazał się w
Elektronika Praktyczna
październik 2018
DO POBRANIA
Pobierz PDF Download icon
Materiały dodatkowe
Elektronika Praktyczna Plus lipiec - grudzień 2012

Elektronika Praktyczna Plus

Monograficzne wydania specjalne

Elektronik listopad 2025

Elektronik

Magazyn elektroniki profesjonalnej

Raspberry Pi 2015

Raspberry Pi

Wykorzystaj wszystkie możliwości wyjątkowego minikomputera

Świat Radio listopad - grudzień 2025

Świat Radio

Magazyn krótkofalowców i amatorów CB

Automatyka, Podzespoły, Aplikacje listopad - grudzień 2025

Automatyka, Podzespoły, Aplikacje

Technika i rynek systemów automatyki

Elektronika Praktyczna listopad 2025

Elektronika Praktyczna

Międzynarodowy magazyn elektroników konstruktorów

Elektronika dla Wszystkich grudzień 2025

Elektronika dla Wszystkich

Interesująca elektronika dla pasjonatów