Lampowy przedwzmacniacz gramofonowy

Lampowy przedwzmacniacz gramofonowy
Pobierz PDF Download icon

Lampowy przedwzmacniacz gramofonowy uzupełnia urządzenia audio opisywane we wcześniejszych wydaniach Elektroniki Praktycznej umożliwiając zestawienie toru współpracującego z gramofonem z wkładką magnetyczną. Stanowi też ciekawe uzupełnienie toru audio, ponieważ – jak można się przekonać – wielu producentów współczesnego sprzętu w ogóle nie montuje wejść gramofonowych. Rekomendacje: przedwzmacniacz umożliwia dołączenie do wzmacniacza mocy gramofonu z wkładką magnetyczną dokonując przy tym niezbędnej korekty charakterystyki częstotliwościowej.

Podstawowe parametry:
  • Wysokiej klasy przedwzmacniacz gramofonowy przeznaczony do współpracy z gramofonem z wkładką magnetyczną.
  • Korekcja zgodna z wymaganiami RIAA.
  • Możliwość zmiany pojemności i rezystancji obciążenia wkładki.
  • W budowie zastosowano 3 lampy: ECC802, ECC803, ECC808.
  • Zasilanie 230 V AC.
  • Stabilizowane napięcia żarzenia lamp.

W budowie przedwzmacniacza zastosowano lampy noval typu ECC808, ECC803, ECC802. Lampa ECC808 jest jednym z ostatnich opracowań schyłku epoki lampowej. To podwójna trioda, elektryczny odpowiednik ECC803, ale o zminimalizowanym poziomie szumów, mniejszym mikrofonowaniu i ograniczonej czułości na przydźwięk pochodzący od żarzenia. Lampa nie jest najtańsza, ale bezproblemowo można ja kupić na zagranicznych serwisach aukcyjnych.

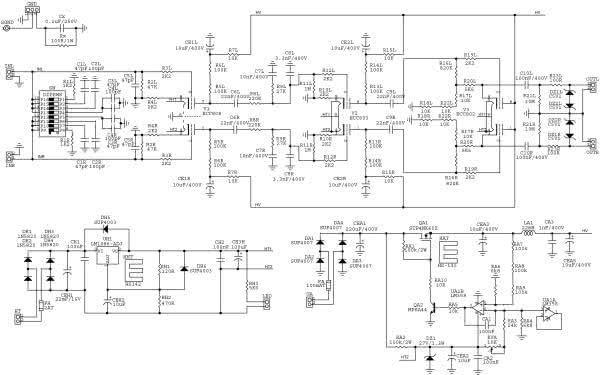
Schemat ideowy przedwzmacniacza zamieszczono na rysunku 1. Elementy kanału lewego mają oznaczenia zakończone literą „L”, kanału prawego literą „R”, zasilacza żarzenia „H”, anodowego „A”.

Rysunek 1. Schemat ideowy przedwzmacniacza gramofonowego

Sygnał wejściowy z gniazda INx, bez kondensatora separującego składową stałą jest podawany na siatkę triody V1. Przełącznik DIP-SW umożliwia dobranie rezystancji obciążenia wkładki MM, która domyślnie wynosi 47 kΩ, natomiast przy włączeniu pozycji 1/8 ok. 1 kΩ, co stanowi dobre dopasowanie dla mojej ulubionej wkładki typu DL110. Pozostałe sekcje przełącznika umożliwiają dopasowanie pojemności obciążenia wkładki w zakresie 50…350 pF.

Wstępnie wzmocniony przez V1 sygnał jest doprowadzony do obwodu korekcji RIAA R8/9x, C7/8x oraz do drugiego stopnia wzmocnienia na V2. Trzecim stopniem jest wtórnik V3 ułatwiający współpracę przedwzmacniacza z wejściami o małej impedancji, jak dla układów lampowych tj. 22…47 kΩ. Poszczególne stopnie są separowane kondensatorami C6, C9, C10x. Zasilanie pierwszego i drugiego stopnia jest dodatkowo filtrowane przez kondensatory CE1, CE2x.

Sygnał po wzmocnieniu i korekcji jest doprowadzony do wyjścia OUTx. Diody Zenera chronią wejście współpracującego wzmacniacza przed ewentualnymi przepięciami generowanymi na skutek nieostrożnego posługiwania się gramofonem (na przykład, upuszczenia igły na płytę).

Przedwzmacniacz wymaga dwóch napięć zasilających: żarzenia HT i anodowego HV. Napięcie żarzenia jest uzyskiwane w stabilizatorze LDO UH1, którego napięcie wyjściowe 6,1 V ustalają rezystory RH1, RH2. Kondensator CEH2 oprócz filtrowania napięcia odniesienia zapewnia łagodne narastanie napięcia żarzenia. Stabilizator LDO jest zasilany z prostownika mostkowego DH1…DH4 na diodach Schottky'ego z filtrem pojemnościowym CEH1, zasilanego napięciem przemiennym 6,3…7,5 V/1,5 A doprowadzonym do złącza HT. Złącze LED służy do przyłączenia diody sygnalizującej załączenie zasilania przedwzmacniacza.

Napięcie anodowe 250 V jest uzyskiwane ze stabilizatora szeregowego ze sprzężeniem zwrotnym. Elementem wykonawczym jest tranzystor QA1. Wzmacniacz błędu oparty na UA1 porównuje napięcie wyjściowe zasilacza uzyskane w dzielniku R6…R9 z napięciem odniesienia uzyskiwanym z dzielnika RVA, R3, R4 zasilanego z diody Zenera DZ1. Potencjometr RVA umożliwia regulację i ustawienie napięcia HV=250 V DC. Kondensatory CEA3, CEA5 filtrują napięcie wyjściowe, a dławik LA1 tłumi zakłócenia w.cz, które mogą przedostawać się od strony sieci do przedwzmacniacza. Napięcie 230…240 V AC zasilające prostownik DA1…DA4 zasilacza anodowego, jest doprowadzone do złącza UA. Elementy wykonawcze zasilaczy tj. UH1, QA1 umieszczone są na niewielkich radiatorach. Prototyp jest zasilany z transformatora TSL40/001.

Obwód Rx, Cx oraz zwora GND umożliwia połączenie masy układu z obudową (kołek montażowy na płytce drukowanej) bezpośrednio (1+2) lub poprzez obwód Rx, Cx (2+3), lub całkowite rozłączenie masy (brak zwory). Położenie zwory należy dobrać eksperymentalnie w systemie docelowym dla uzyskania najniższego poziomu zakłóceń. W zależności od typu gramofonu eksperymentalnie warto sprawdzić także konieczność połączenia masy gramofonu z masą przedwzmacniacza (obudową).

Rysunek 2. Schemat montażowy przedwzmacniacza gramofonowego

Wszystkie elementy przedwzmacniacza zamontowano na dwustronnej płytce drukowanej, której schemat montażowy pokazano na rysunku 2. Montaż nie wymaga szerszego opisywania. Lampa V2 musi być ekranowana – punkt masy dla ekranu jest pomiędzy lampami V1, V2. Połączenia wewnętrzne dla sygnałów INx/OUTx musza być wykonane dobrej jakości przewodem ekranowanym. Połączenie uzwojenia pierwotnego oraz anodowego transformatora sieciowego musi być wykonane przewodem o wzmocnionej izolacji.

Uwaga: w urządzeniu występuje napięcie niebezpieczne dla życia i zdrowia. Wszelkie prace wykonujemy z zachowaniem zasad BHP!

Pozostaje zamontować płytkę w obudowie pamiętając, że układy lampowe są szczególnie czułe na zaburzenia EMI. Należy więc zachować możliwie maksymalnie największe odległości od transformatorów lub innych źródeł zakłóceń, także zewnętrznych.

Uruchomienie przedwzmacniacza sprowadza się do sprawdzenia poprawności montażu i kontroli napięcia żarzenia 6,1 V DC oraz anodowego 250 V DC (regulacja RVA). Teraz pozostaje tylko dołączyć przedwzmacniacz do gramofonu i wzmacniacza mocy, ustawić odpowiadające wkładce rezystancje i pojemności obciążenia, poczekać do nagrzania się lamp i cieszyć się muzyką!

Adam Tatuś, EP

Wykaz elementów:
Rezystory: (MiniMelf, 1%)
  • R10L, R10R, R12L, R12R, R19L, R19R, R3L, R3R, R4L, R4R: 2,2 kΩ
  • R11L ,R11R: 1 MΩ
  • R13L, R13R, R14L, R14R, R5L, R5R, R6L, R6R, RA7…RA9: 100 kΩ
  • R15L, R15R, R17L, R17R, R18L, R18R, R22L, R22R, R7L, R7R, RA5: 10 kΩ
  • R16L, R16R: 820 kΩ
  • R1L, R1R: 1,2 kΩ
  • R20L, R20R, RH3: 5,6 kΩ
  • R21L, R21R: 10 MΩ
  • R23L, R23R: 100 Ω
  • R2L, R2R: 47 kΩ
  • R8L, R8R: 220 kΩ
  • R9L, R9R: 27 kΩ
  • RA1, RA2: 100 kΩ/2 W
  • RA3: 24 kΩ
  • RA4, RA6: 6,8 kΩ
  • RA10: 10 Ω
  • RH1: 120 Ω
  • RH2: 470 Ω
  • RVA: 10 kΩ (pot. wieloobrotowy stojący)
  • Rx: 100 Ω/1 W
Kondensatory:
  • C10L, C10R: 100 nF/400 V (foliowy R=10 mm)
  • C1L, C1R, C3L, C3R, C5L, C5R: 47 pF/50 V (SMD 1206)
  • C2L, C2R, C4L, C4R: 100 pF/50 V (SMD 1206)
  • C6L, C6R, C9L, C9R: 22 nF/5%/400 V (foliowy Rr=10 mm)
  • C7L, C7R: 10 nF/2%/400 V (foliowy R=10 mm)
  • C8L, C8R: 3,3 nF/2%/400 V (foliowy R=10 mm)
  • CA1, CA2, CH1, CH2: 100 nF/50 V (SMD 1206)
  • CA3: 1 nF/400 V (foliowy R=10 mm)
  • CE1L, CE1R, CE2L, CE2R, CEA3, CEA5: 10 μF/400 V (elektrolityczny R=5 mm)
  • CE3H: 100 μF/16 V (tantalowy R=2,5 mm)
  • CEA1: 220 μF/400 V (elektrolityczny SNAP 10 mm)
  • CEA2: 10 μF/50 V (elektrolityczny R=2,5 mm)
  • CEH2: 10 μF/25 V (tantalowy R=2,5 mm)
  • CEH1: 22 mF/16 V (elektrolityczny SNAP 10 mm)
  • Cx: 0,1 μF/250 V (foliowy R=10 mm)
Półprzewodniki:
  • DA1…DA4: SUF4007
  • DH1…DH4: 1N5820
  • DH5, DH6: SUF4003
  • DZ1: 27 V/1,3 W (dioda Zenera)
  • DZ1L, DZ1R, DZ2L, DZ2R: 5,1 V (dioda Zenera)
  • QA1: STP4NK60Z (TO220)
  • QA2: MPSA44 (TO92)
  • UA1: LM358 (SO8)
  • UH1: LM1086-ADJ (TO220)
Pozostałe:
  • FA: 125 mAT (bezpiecznik TR5 zwłoczny z podstawką)
  • FH: 2 AT (bezpiecznik TR5 zwłoczny z podstawką)
  • GND: złącze SIP3 + zwora
  • HAT: HS135 (radiator 50 mm)
  • HHT: HS142 (radiator 50 mm)
  • INL, INR, OUTL, OUTR: DG381-3.5-2 (złącze 2 pin/3,5 mm)
  • LA1: 22 mH (dławik 22 mH/60 mA, COIL22, Ferrocore)
  • LED: złącze KK2 komplet
  • SW: przełącznik DIP-SW 8 poz.
  • UA, HT: złącze ARK2, R=5 mm
  • V1: ECC808 (lampa z podstawką Noval do druku)
  • V2: ECC803 (lampa z podstawką Noval do druku + ekran)
  • V3: ECC802 (lampa z podstawką Noval do druku)
Artykuł ukazał się w
Elektronika Praktyczna
sierpień 2018
DO POBRANIA
Pobierz PDF Download icon
Materiały dodatkowe
Elektronika Praktyczna Plus lipiec - grudzień 2012

Elektronika Praktyczna Plus

Monograficzne wydania specjalne

Elektronik listopad 2025

Elektronik

Magazyn elektroniki profesjonalnej

Raspberry Pi 2015

Raspberry Pi

Wykorzystaj wszystkie możliwości wyjątkowego minikomputera

Świat Radio listopad - grudzień 2025

Świat Radio

Magazyn krótkofalowców i amatorów CB

Automatyka, Podzespoły, Aplikacje listopad - grudzień 2025

Automatyka, Podzespoły, Aplikacje

Technika i rynek systemów automatyki

Elektronika Praktyczna listopad 2025

Elektronika Praktyczna

Międzynarodowy magazyn elektroników konstruktorów

Elektronika dla Wszystkich grudzień 2025

Elektronika dla Wszystkich

Interesująca elektronika dla pasjonatów