Bezprzewodowy przedłużacz sygnalizatora

Bezprzewodowy przedłużacz sygnalizatora
Pobierz PDF Download icon

W „Elektronice Praktycznej” 02/2013 był opublikowany projekt wzmacniacza dzwonka telefonu, którego zadaniem było wykrycie dźwięku i wygenerowanie własnego, znacznie głośniejszego. Opisywany projekt stanowi rozwinięcie tej idei – informacja o wykryciu sygnału akustycznego jest transmitowana bezprzewodowo. Rekomendacje: urządzenie przyda się do monitorowania stanu np. kuchennego termometru z alarmem o osiągnięciu zadanej temperatury znajdującego się kilka pomieszczeń dalej.

Podstawowe parametry:
  • Praca w paśmie ISM 868 MHz (scalone moduły firmy HopeRF).
  • Mikrokontroler ATTiny24A.
  • Czujnik w postaci mikrofonu elektretowego.
  • Sygnalizacja akustyczna w odbiorniku.
  • Zasilanie nadajnika i odbiornika z 2 baterii AA lub AAA (3 V).

Układ składa się z dwóch modułów: nadajnika i odbiornika. W nadajniku znajduje się mikrofon elektretowy oraz prosty układ analogowy, który dopasowuje poziom napięcia z tego mikrofonu do wymagań mikrokontrolera zarządzającego transmisją bezprzewodową. Natomiast odbiornik jest wyposażony w sygnalizator akustyczny, który alarmuje użytkownika o wykryciu dźwięku przez nadajnik.

W obu tych modułach znalazły się również diody LED sygnalizujące stan pracy urządzenia. Zarówno nadajnik, jak i odbiornik, są przystosowane do zasilania napięciem 3 V, pochodzącym z dwóch baterii AA lub AAA.

Budowa modułu

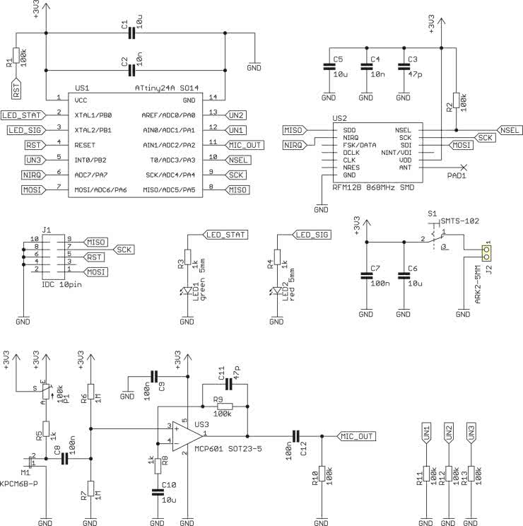
Schemat ideowy modułu nadajnika pokazano na rysunku 1. Do realizacji transmisji drogą radiową użyto scalonego transceiver typu RFM12B firmy HopeRF. Zaletami tego układu są: relatywnie niska cena, odporna na zakłócenia modulacja FSK oraz szerokie możliwości programowej konfiguracji – komunikuje się z mikrokontrolerem przy użyciu standardowego protokołu SPI. Zarządzaniem pracą modułu RFM12B zajmuje się mikrokontroler ATTiny24A firmy Microchip. Można go zasilać tym samym napięciem, co transceiver – ma wystarczającą liczbę wyprowadzeń oraz można go nabyć w bardzo przystępnej cenie.

Rysunek 1. Schemat ideowy modułu nadajnika

W celu zaprogramowania mikrokontrolera można posłużyć się 10-pinowym złączem IDC, które ma wyprowadzenia rozmieszczone zgodnie ze standardem KANDA ISP. Jednak to są te same wyprowadzenia (MISO, MOSI, SCK), które wykorzystuje transceiver RFM12B, co niekiedy utrudnia lub uniemożliwia zaprogramowanie mikrokontrolera. Można zablokować komunikację od strony transceivera poprzez ustawienie wyprowadzenia NSEL. Nie może tego zrobić procesor, gdyż podczas programowania jego wyprowadzenia są nieaktywne.

Dlatego dodano rezystor R2, który podciąga potencjał tej linii do dodatniej szyny zasilania. Stała czasowa tego ładowania wynosi ok. 4 μs (zakładając, pesymistycznie, całkowitą pojemność 40 pF), zatem po upływie około 10 μs poziom napięcia na tym doprowadzeniu będzie można uznać za ustalony. Taki czas przewidziany na wyłączenie modułu RFM12B całkowicie wystarcza, aby programowanie mikrokontrolera mogło odbyć się bez przeszkód.

Do sygnalizacji stanu pracy nadajnika służą dwie diody LED, które są zasilane wprost z mikrokontrolera. Przy tym napięciu zasilającym ich prąd w stanie przewodzenia wynosi ok. 2 mA, lecz dla nowoczesnych diod jest to wystarczające, aby świeciły wystarczająco jasno.

Mikrofon typu KPCM6B-P jest zasilany przez rezystancję wypadkowego połączenia R5 i P1. Im większa jest ta rezystancja, tym czulszy będzie układ. Do wzmocnienia wytworzonego sygnału zmiennego wykorzystano wzmacniacz operacyjny typu MCP601 w miniaturowej obudowie SOT23-5.

Jest on wykonany w technologii CMOS, więc prąd pobierany przez jego wejścia jest znikomo mały. Dodatkowo, ma wyjście typu rail-to-rail. Można go zasilać napięciem rzędu 3 V, a pobór prądu wynosi ok. 230 μA. Wszystkie te cechy powodują, że jest bardzo wyborem do tego zastosowania.

Kondensator C8 stanowi przejście dla sygnału zmiennego, ale oddziela składową stałą między mikrofonem a wejściem nieodwracającym wzmacniacza operacyjnego. Aby optymalnie wykorzystać dostępny zakres zmian napięcia wyjściowego, owe wejście zostało spolaryzowane połową dostępnego napięcia zasilającego. Służy do tego dzielnik składający się z dwóch rezystorów 1 MΩ, przez co wypadkowa rezystancja „widziana” przez to wejście wynosi 500 kΩ. Wartość niebagatelna, lecz prąd pobierany przez wejście wynosi około 1 pA, a to dzięki wykorzystaniu tranzystorów CMOS.

Wzmacniacz operacyjny US3 został pracuje w topologii wzmacniacza nieodwracającego. Jego wzmocnienie w zakresie częstotliwości średnich wynosi ok. 100 V/V. Tyle wystarczy, aby jego wyjście dochodziło do nasycenia, co jest z kolei interpretowane przez mikrokontroler jako poziom niski lub wysoki. Pasmo przenoszenia tego układu jest obustronnie ograniczone: od góry przez kondensator C11 (fmax ≈ 34 kHz), a od dołu przez kondensator C10 (fmin ≈ 16 Hz). W tym zakresie mieści się całe użyteczne pasmo akustyczne, a jednocześnie układ nie wzmacnia niepożądanych zakłóceń elektromagnetycznych, które indukują się w ścieżkach.

Wyjście wzmacniacza operacyjnego zostało oddzielone od mikrokontrolera poprzez kondensator C12, który separuje składową stałą. Potencjał jego prawej okładki jest ustalony przez rezystor R10 na 0 Ω. W momencie wystąpienia stromego impulsu o wysokiej amplitudzie na lewej okładce, przedostanie się on na prawą okładkę i pobudzi mikrokontroler do nadawania. Na wejściu znajduje się przerzutnik Schmitta (rysunek 2), więc nie należy przejmować się czasem przechodzenia napięcia przez stany zabronione.

Rysunek 2. Schemat cyfrowego wyprowadzenia I/O w mikrokontrolerze ATTiny24. Czerwoną ramką zaznaczono przerzutnik Schmitta (źródło: nota katalogowa firmy Micrichip)

Trzy wyprowadzenia mikrokontrolera pozostały niewykorzystane. Aby zapobiec gromadzeniu się na nich ładunków elektrostatycznych, dołączono do nich rezystory ściągające ich potencjał do masy. Dodatkowo zostały one wyzerowane przez oprogramowanie aplikacyjne.

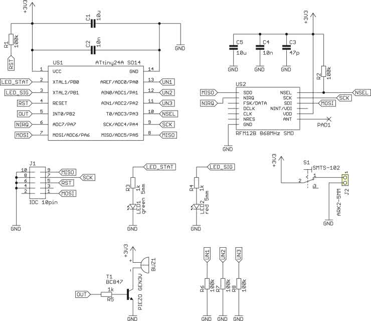
Rysunek 3. Schemat ideowy modułu odbiornika

Schemat ideowy odbiornika pokazano na rysunku 3. W dużej części jest on powtórzeniem schematu nadajnika. Wykorzystuje ten sam moduł transceivera (zmiana kierunku transmisji została dokonana programowo) oraz ten sam mikrokontroler. Różnica tkwi w peryferiach – zamiast wzmacniacza mikrofonowego jest sygnalizator akustyczny, uruchamiany przez wprawienie tranzystora T1 w stan nasycenia.

Montaż i uruchomienie

Moduły zostały zmontowane na dwustronnych płytkach drukowanych. Dla nadajnika zaprojektowano płytkę drukowaną o wymiarach 80 mm×30 mm, której schemat montażowy zamieszczono na rysunku 4. Płytka odbiornika jest mniejsza – ma wymiary 70 mm×30 mm – jej schemat montażowy zaprezentowano na rysunku 5. W odległości 3 mm od krawędzi obu płytek wykonano otwory montażowe.

Rysunek 4. Schemat montażowy płytki nadajnika
Rysunek 5. Schemat montażowy płytki odbiornika

Wszystkie elementy na obu płytkach są zamontowane od góry, na warstwie „Top”. Na spodniej stronie płytki („Bottom”) znalazło się miejsce dla nielicznych ścieżek oraz dużego pola masy. Zostało ono wycięte spod RFM12B, aby nie zaburzać rozkładu pola elektromagnetycznego wokół tego modułu. W mikrofonie KPCM6B-P jedna nóżka jest połączona z obudową – należy ją podłączyć do masy. Zwracam na to uwagę, gdyż na obudowie mikrofonu nie jest to wyraźnie zaznaczone, a odwrotne wlutowanie poskutkuje znacznie gorszą czułością.

Na obu płytkach znajduje się pole lutownicze opisane jako „ANT”. Służy do podłączenia anteny radiowej do transceivera; wystarczy, że będzie to kawałek izolowanego przewodu. Długość fali w próżni na częstotliwości wynosi 34,5 cm, zatem długość monopolowej anteny ćwierćfalowej powinna wynieść ok. 8,6 cm. Należy w tym uwzględnić również połączenia na płytce, więc przewód o długości 8 cm będzie optymalny. Oczywiście, można użyć bardziej rozbudowanej anteny, dedykowanej dla pasma 868 MHz

Do prawidłowo polutowanych układów należy doprowadzić napięcie zasilające o wartości z zakresu 3…3,5 V. Po włączeniu zasilania przełącznikiem S1, można przejść do zaprogramowania pamięci Flash w mikrokontrolerach dedykowanymi wsadami. Konfiguracja bitów zabezpieczających (tzw. fusebit) pozostaje fabryczna.

Eksploatacja

Jeżeli wszystko zostało wykonane poprawnie, dioda w nadajniku powinna co chwilę błyskać na zielono, w odbiorniku również. W tabeli 1 umieszczono opis sposoby sygnalizacji statusu urządzenia za pomocą LED.

Gwoli uściślenia: w stanie spoczynku nadajnik co chwilę wysyła krótkie powiadomienie do odbiornika, co jest sygnalizowane mignięciem zielonej diody. W reakcji na te komunikaty, odbiornik również miga na zielono. Jest to mechanizm pozwalający sprawdzić, czy te dwa moduły „widzą się” prawidłowo. Jeżeli nadajnik zostanie uszkodzony, wyłączony lub dystans między nim a odbiornikiem będzie zbyt duży, wówczas odbiornik przestaje odbierać powiadomienia. Jeżeli przez 1,5 s nie pojawi się informacja od nadajnika, wówczas informuje o tym krótkim komunikatem. Dla użytkownika jest to znak, że może nie otrzymać powiadomienia.

Pobór prądu (uśredniony, przy zasilaniu 3 V) przez moduły wynosi:

  • Nadajnik: 22 mA w stanie spoczynku, 25 mA po wykryciu sygnału.
  • Odbiornik: 13 mA w stanie spoczynku, 22 mA po wykryciu sygnału.

Z tego powodu, zaleca się zasilanie układów z baterii AA lub AAA, lub – najlepiej – z zasilaczy sieciowych. Jednak większość pobieranego prądu jest zużywana przez moduły RFM12B, co potwierdza rysunek 6.

Rysunek 6. Pobór prądu przez moduły RFM12B (źródło: nota katalogowa firmy HopeRF)

Nadajnik pracuje impulsowo, lecz odbiornik nasłuchuje bez przerwy. W zamian za tak relatywnie wysokie zapotrzebowanie na moc, nadajnik pracuje z maksymalną osiągalną mocą wyjściową (5 dBm przy idealnie dopasowanej antenie), zaś odbiornik ma maksymalną czułość rzędu (–103 dBm).

Michał Kurzela, EP

Wykaz elementów: Nadajnik
Rezystory: (SMD 0805)
  • R1, R2, R9…R13: 100 kΩ
  • R3…R5, R8: 1 kΩ
  • R6, R7: 1 MΩ
  • P1: 100 kΩ (pot. montażowy, leżący)
Kondensatory: (SMD 0805)
  • C1, C5, C6, C10: 10 μF/10 V
  • C2, C4 10 nF
  • C7…C9, C12: 100 nF
  • C3, C11: 47 pF
Półprzewodniki:
  • LED1: zielona 5 mm
  • LED2: czerwona 5 mm
  • US1: ATTiny24A (SO14)
  • US2: RFM12B-868MHz (SMD)
  • US3: MCP601 (SOT23-5)
Pozostałe:
  • J1: złącze IDC 2×5 pin (R=2,54 mm męskie, pionowe)
  • J2: złącze ARK2 (R=5 mm)
  • M1: KPCM6B-P lub podobny
  • S1: SMTS102 SPDT kątowy
  • Antena (opis w tekście)
  • Koszyk baterii (opis w tekście)
Odbiornik
Rezystory: (SMD 0805)
  • R1, R2, R6…R8: 100 kΩ
  • R3…R5: 1 kΩ
Kondensatory: (SMD 0805)
  • C1, C5: 10 μF/10 V
  • C2: 10 nF
  • C3: 47 pF
Półprzewodniki:
  • LED1: zielona 5 mm
  • LED2: czerwona 5 mm
  • T1: BC847 lub podobny
  • US1: Attiny24A (SO14)
  • US2: RFM12B-868 MHz (SMD)
Pozostałe:
  • BUZ1: piezo z generatorem 3 V
  • J1: złącze IDC 2×5 pin (R=2,54 mm męskie, pionowe)
  • J2: złącze ARK2 (R=5 mm)
  • S1: SMTS102 SPDT kątowy
  • Antena (opis w tekście)
  • Koszyk baterii (opis w tekście)
Artykuł ukazał się w
Elektronika Praktyczna
lipiec 2018
DO POBRANIA
Pobierz PDF Download icon
Materiały dodatkowe
Elektronika Praktyczna Plus lipiec - grudzień 2012

Elektronika Praktyczna Plus

Monograficzne wydania specjalne

Elektronik listopad 2025

Elektronik

Magazyn elektroniki profesjonalnej

Raspberry Pi 2015

Raspberry Pi

Wykorzystaj wszystkie możliwości wyjątkowego minikomputera

Świat Radio listopad - grudzień 2025

Świat Radio

Magazyn krótkofalowców i amatorów CB

Automatyka, Podzespoły, Aplikacje listopad - grudzień 2025

Automatyka, Podzespoły, Aplikacje

Technika i rynek systemów automatyki

Elektronika Praktyczna listopad 2025

Elektronika Praktyczna

Międzynarodowy magazyn elektroników konstruktorów

Elektronika dla Wszystkich grudzień 2025

Elektronika dla Wszystkich

Interesująca elektronika dla pasjonatów