ADAU1466SOM - miniaturowy moduł DSP (1)

ADAU1466SOM - miniaturowy moduł DSP (1)
Pobierz PDF Download icon

Rodzina Sigma DSP okrzepła, najnowsze procesory doczekały się ostatecznych rewizji struktur krzemowych, więc najwyższy czas zaprezentować płytkę umożliwiająca szybkie zapoznanie się z ich możliwościami. Opisywana płytka ewaluacyjna ADAU1466SOM zawiera procesor Sigma DSP ADAU146x oraz wszystko, co niezbędne do jego działania. Format płytki nawiązuje do modnych aktualnie rozwiązań SOM (system w module), skracających czas opracowania i testowania nowego układu i często pozostających rozwiązaniem docelowym. Rekomendacje: płytka przyda się nie tylko osobom chcącym zapoznać się z możliwościami procesorów DSP, ale również jako samodzielny moduł w aplikacji docelowej.

Podstawowe parametry:
  • Procesor z rodziny Sigma DSP typu ADAU1466.
  • Pamięć danych i parametrów mieszcząca 80 k-słów.
  • 24 k-słów pamięci programu, 6144 instrukcji na próbkę dla fs=48 kHz.
  • Zasilanie 3,3 V/0,8 A.

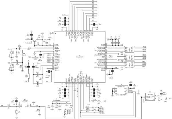
Schemat ideowy modułu ADAU1466SOM pokazano na rysunku 1. Jego „sercem”, co oczywiste, jest procesor z rodziny Sigma DSP typu ADAU1466 (U1). Jest on taktowany za pomocą zewnętrznego oscylatora z rezonatorem kwarcowym X1 o częstotliwości 12,288 MHz oraz kondensatorami C15 i C16. Na wyprowadzeniach gniazda CKO jest dostępny buforowany sygnał zegarowy MCLK do taktowania zewnętrznych przetworników analogowo-cyfrowych i cyfrowo-analogowych. Częstotliwość sygnału, w przeciwieństwie do starszych układów, jest konfigurowana programowo, co znacznie ułatwia projektowanie układów współpracujących. Kondensatory C18 i C9 oraz rezystor R3 są elementami wbudowanej pętli PLL.

Rysunek 1. Schemat ideowy modułu ADAU1466SOM

Podstawowe cechy zastosowanego procesora DSP ADAU1466:

  • Rdzeń taktowany częstotliwością 294 MHz.
  • 24 k-słów pamięci programu, 6144 instrukcji na próbkę dla fs=48 kHz.
  • 80 k-słów pamięci danych i parametrów.
  • Do 1600 ms cyfrowego opóźnienia sygnału (dla fs=48 kHz).
  • 4/4 porty szeregowe wejściowe/wyjściowe.
  • 48 konfigurowalnych kanałów cyfrowych, 32 bitowych/192 kHz, (I2S, TDM, LJ, PCM).
  • 14 GPIO w tym 6×A/C o rozdzielczości 10 bitów.
  • 8 bloków ASRC (skalowanie fs od 1:8 do 7,75:1).
  • Interfejs S/PDIF I/O 192 kHz.
  • 4 kanały interfejsów mikrofonów PDM.
  • Wbudowane generator zasilania, oscylator i programowalny generator pomocniczy,
  • Interfejs pamięci programu w standardzie SPI/I2C.
  • Konfigurowalny interfejs komunikacyjny SPI/I2C pracujący w trybie master lub slave.
  • Tryb selfboot, umożliwiający pracę bez zewnętrznego mikrokontrolera.
  • Miniaturowa obudowa LFCSP72 zajmująca powierzchnię 10 mm×10 mm.
  • Zakres temperatury pracy –40…105°C.
  • Programowanie w graficznym środowisku Sigma Studio (od wersji 3.15).
Rysunek 2. Schemat blokowy procesora ADAU1466 (za notą producenta)

Schemat blokowy układu ADAU1466 pokazano na rysunku 2, a rozmieszczenie wyprowadzeń na rysunku 3.

Rysunek 3. Rozmieszczenie wyprowadzeń ADAU1466

Układ ADM811T (U3) zapewnia poprawny restart procesora (sygnał RES) po włączeniu zasilania oraz formowanie sygnału reset z przycisku MR i programatora USBi. Tranzystor Q1 jest elementem stabilizatora LDO napięcia 1,2 V zasilającego rdzeń DSP. Jako pamięć programu w trybie samodzielnym Self-Boot służy układ typu 24C512 (U2) dołączony do magistrali I2S Master procesora DSP. Przełącznik konfiguracji CFG umożliwia przełączanie trybów Selfboot/Programowanie (poz. P1-4) oraz odłączenie sygnału reset z programatora USBi (poz. P2-3). Dioda PWR sygnalizuje załączenie napięcia 3,3 V zasilającego moduł. Procesor DSP jest programowany przez interfejs USBi w trybie I2C, dołączonego do portu Slave DSP.

Procesor ADAU1466 ma wbudowany odbiornik i nadajnik interfejsu S/PDIF. Sygnały po dopasowaniu za pomocą rezystorów i kondensatorów są doprowadzone do gniazd oznaczonych SI, SO. DSP ma po 4 kanały wejściowe i wyjściowe interfejsów szeregowych, których tryb pracy jest określany programowo (I2S, LR, TDM). Sygnały te są doprowadzone do złącza krawędziowego DSP. Sygnały wyjściowe mają dodatkowo włączone rezystory szeregowe 22 Ω (RP1…RP3).

W procesorze ADAU1466 dla ułatwienia regulacji i kontroli realizowanego programu są wbudowane uniwersalne porty GPIO oraz przetwornik A/C. Sygnały ADC0…ADC6 oraz MP6, MP7 są dostępne na złączu DSP. Niektóre z sygnałów portów szeregowych, gdy nie są używane, mogą być skonfigurowane jako dodatkowe piny GPIO. Opis wyprowadzeń modułu zaprezentowano na rysunku 4.

Rysunek 4. Opis wyprowadzeń modułu (porty szeregowe z nazewnictwem I2S)

Sygnał MP1 jest buforowany i steruje diodą świecącą MP1, pomocną po konfiguracji programowej do sygnalizacji statusu moduł DSP. Dodatkowo, na złącze są wyprowadzone sygnały interfejsów I2C, co jest o tyle przydatne, że ADAU1466 ma możliwość generowania sekwencji sygnałów na porcie I2C master, umożliwiających podstawową konfigurację współpracujących układów, takich jak przetworniki C/A, regulatory poziomu i inne bez udziału zewnętrznego procesora. Moduł wymaga zasilania 3,3 V/0,8 A.

Moduł ADAU1466SOM zmontowano na 4-warstwowej płytce drukowanej. Rozmieszczenie elementów zamieszczono na rysunku 5. Montaż jest typowy i nie wymaga opisywania. Krytyczne dla działania modułu jest poprawne przylutowanie pada termicznego U1. Korzystając ze wszystkich portów szeregowych oraz przy jednoczesnej obróbce sygnału o fs=192 kHz, konieczne jest wyposażenie kom układu U1 i tranzystora Q1 w niewielkie, naklejane radiatory i zapewnienie cyrkulacji powietrza wokół modułu.

Rysunek 5. Schemat montażowy modułu ADAU1466SOM

W kolejnej części artykułu zostanie opisana płytka bazowa z przetwornikami A/C, C/A oraz kilka przykładów programów użytkowych ułatwiających rozpoczęcie pracy z DSP.

Adam Tatuś, EP

Wykaz elementów:
Rezystory: (SMD 0402, 1%)
  • R1, R4: 100 Ω
  • R2: 47 Ω
  • R3: 4,3 kΩ
  • R5: 75 Ω
  • R6, R10: 1 kΩ
  • R7, R11: 10 kΩ
  • R8: 100 kΩ
  • R9: 240 Ω
  • R12…R17: 2,2 kΩ
  • RP1…RP3: 22 Ω (CRA06S08, drabinka SMD)
Kondensatory:
  • C1, C5, C9, C12: 10 nF (SMD 0402, ceramiczny X5R)
  • C2, C4, C6, C8, C10, C13, C17, C20…C26, C30: 100 nF (SMD 0402, ceramiczny X5R
  • C3, C7, C11, C14: 1 μF (SMD 0402, ceramiczny X5R)
  • C15, C16: 22 pF (SMD 0402, ceram. NP0)
  • C18: 5,6 nF (SMD 0402, ceramiczny NP0)
  • C19: 150 pF (SMD 0402, ceramiczny NP0)
  • C27…C29: 10 μF (SMD 0603, ceram. X5R)
  • CE1: 47 μF (SMD „B”)
Półprzewodniki:
  • U1: ADAU1466WBCPZ (LFCSP72)
  • U2: AT24C512CSS (SO8)
  • U3: ADM811T (SOT-143)
  • U4: 74V1G00 (SC70-5)
  • MP1, PWR: LED SMD 0805
Inne:
  • CFG: A6H-2101 (dip switch 2-poz. 1,27 mm)
  • CKO, SI, SO: MX-73412-0114 (złącze UFL męskie)
  • FB1, FB2: 600 Ω (SMD 0402, np. BLM15AX601SN1D)
  • MR: przycisk B3U-1000P
  • USBI: IDC10 (złącze 2×5 pin R=2,54 mm)
  • X1: 12,288 MHz (rezonator kwarcowy 3,2 mm×2,5 mm)
Artykuł ukazał się w
Elektronika Praktyczna
listopad 2018
DO POBRANIA
Pobierz PDF Download icon
Elektronika Praktyczna Plus lipiec - grudzień 2012

Elektronika Praktyczna Plus

Monograficzne wydania specjalne

Elektronik listopad 2025

Elektronik

Magazyn elektroniki profesjonalnej

Raspberry Pi 2015

Raspberry Pi

Wykorzystaj wszystkie możliwości wyjątkowego minikomputera

Świat Radio listopad - grudzień 2025

Świat Radio

Magazyn krótkofalowców i amatorów CB

Automatyka, Podzespoły, Aplikacje listopad - grudzień 2025

Automatyka, Podzespoły, Aplikacje

Technika i rynek systemów automatyki

Elektronika Praktyczna listopad 2025

Elektronika Praktyczna

Międzynarodowy magazyn elektroników konstruktorów

Elektronika dla Wszystkich grudzień 2025

Elektronika dla Wszystkich

Interesująca elektronika dla pasjonatów