Konwerter KF dla tunera RTL-SDR

Konwerter KF dla tunera RTL-SDR
Pobierz PDF Download icon

Tunery DVB-T ze złączem USB, oprócz standardowego zastosowania telewizyjnego, są jednym z najtańszych sposobów na zapoznanie się z ideą SDR, czyli radia definiowanego programowo (Software Defined Radio). Z uwagi na masową produkcję urządzenia tego typu możemy nabyć w cenie od około 10 dolarów. W tego typu tunerach sprzęt jest ograniczony do niezbędnego minimum, natomiast dekodowanie obrazu jest realizowane programowo w głównym procesorze komputera PC.

Rekomendacje: konwerter przyda się wszystkim interesującym się techniką SDR, nie tylko krótkofalowcom.

Podstawowe parametry:
  • Częstotliwość wejściowa 0,1…30 MHz.
  • Częstotliwość wyjściowa 112,1…151,1 MHz.
  • Zasilanie: 5 V z portu USB komputera.
  • Impedancja wejściowa: powyżej 1 kΩ.
  • Impedancja wyjściowa: 50 Ω.
  • Pasmo wejściowego filtru dolnoprzepustowego: 35 MHz przy spadku 3 dB.
 

Przykład typowego przedstawiciela tej rodziny urządzeń przedstawiono na fotografii 1. Społeczność potencjalnych użytkowników szybko dostrzegła fakt, że tego typu tunery po zainstalowaniu odpowiedniego sterownika mogą być z łatwością używane również do odbioru i przetwarzania wielu innych rodzajów sygnałów radiowych oraz telewizyjnych, wąsko- i szerokopasmowych, z uwagi na zastosowany w nich uniwersalny schemat przetwarzania, charakterystyczny dla radia zdefiniowanego programowo.

Fotografia 1. Przykładowy, typowy tuner DVB-T z interfejsem USB

Schemat blokowy jednego z urządzeń odbiorczych DVB-T dostępnych na rynku pokazano na rysunku 2. Składa się ono z dwóch modułów: tunera radiowego z chipem RT820T oraz bloku przetwarzania sygnału z RTL2832U. Układ scalony RT820T jest tunerem RF zawierającym: wzmacniacz w.cz., mieszacz, heterodynę oraz wzmacniacz częstotliwości pośredniej. Układ RTL8232U zawiera zintegrowany tor przetwarzania kwadraturowego SDR (w trybie cyfrowego przetwarzania sygnału DSP) i m.in. 8-bitowy przetwornik A/C, próbkujący z szybkością 28,8 MSa/s, układ formowania sygnału kwadraturowego I/Q oraz kontroler urządzenia USB 2.0 pracujący w trybie Hi Speed. W wyniku formowania sygnału na wyjściu USB otrzymujemy I/Q o maksymalnej szybkości próbkowania około 3,2 MSa/s i rozdzielczości 8 bitów. Tuner radiowy może pracować w zakresie od 24 MHz do 1800 MHz, więc bezpośrednio dostępne dla niego są jedynie radioamatorskie pasma KF 10 oraz 12 m. Dodatkowo, na początku nominalnego zakresu przetwarzania czułość tunera jest niższa niż w dalszej części jego dopuszczalnego pasma przetwarzania. Po to, aby umożliwić komfortowy odbiór w całym zakresie pasm KF (od 0,1 MHz do 30 MHz), został opracowany nieskomplikowany konwerter sygnału, którego zadaniem jest przeniesienie pełnego widma pasm KF na zakres częstotliwości od 112,1 MHz do 151,1 MHz, mieszczący się w zakresie pracy układu RT820T.

Rysunek 2. Schemat blokowy tunera DVB-T

Układ zbudowano z myślą o początkujących krótkofalowcach, z tego względu zastosowano tanie i popularne elementy oraz elementy indukcyjne jedynie produkcji fabrycznej, dlatego nadaje się on doskonale do realizacji także przez początkujących radioamatorów. Odpada w nim kłopotliwe dla wielu osób zadanie samodzielnego nawijania cewek czy poszukiwania mało popularnych rdzeni. Zamiast typowego wejścia antenowego o impedancji 50 V układ wyposażono w wejście o dużej impedancji umożliwiające dołączenie zwykłej, krótkiej anteny teleskopowej lub nawet dowolnego kawałka drutu. To rozwiązanie może okazać się niezwykle istotne w wypadku osób, które dopiero rozpoczynają przygodę z radiem i nie mają dostępu do pełnowymiarowej anteny na pasma KF. Konwerter z tunerem i odpowiednim oprogramowaniem dla komputera PC może zatem stanowić pierwszy odbiornik nasłuchowy początkującego krótkofalowca.

Opis układu

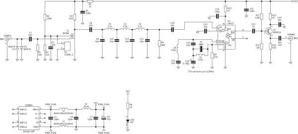
Układ konwertera zbudowano z łatwo dostępnych elementów i niedrogich podzespołów, których „półka cenowa” dobrze odpowiada poziomowi kosztu nabycia przedstawionego wcześniej tunera USB. Schemat ideowy konwertera pokazano na rysunku 3.

Rysunek 3. Schemat ideowy konwertera

Sygnał z wejścia antenowego CONN1 jest podawany na wzmacniacz wstępny zrealizowany na dwubramkowym tranzystorze T1 (N-MOSFET) typu BF998, zapewniającym wzmocnienie około 5 dB (<30 MHz, Zin=50 V). Główną rolą wzmacniacza jest dopasowanie bliżej nieokreślonej impedancji zastosowanej anteny do impedancji wejściowej (około 500 V) zastosowanego filtru dolnoprzepustowego oraz kompensacja strat tego filtru w paśmie przepustowym. Diody krzemowe BAR74 (D1, D2) zabezpieczają wzmacniacz wejściowy przed uszkodzeniem w wypadku podania sygnału o dużej amplitudzie, pochodzącej np. od bliskiej stacji lokalnej. Sygnał z wyjścia wzmacniacza trafia na wejście filtru dolnoprzepustowego (C8-C12, L4-L6), którego zadaniem jest wytłumienie sygnałów o częstotliwościach powyżej 35 MHz. Jako cewki filtru zastosowano popularne dławiki SMD z serii CW-1008 oraz kondensatory SMD 0603 NP0. Zrealizowany w prototypowym układzie filtr miał charakterystykę przenoszenia przedstawioną na rysunku 4.

Rysunek 4. Charakterystyka przenoszenia filtru dolnoprzepustowego f<35 MHz

Użyty w projekcie filtr charakteryzuje się może nie najwyższymi możliwymi parametrami, ale w zupełności wystarczającymi w tym zastosowaniu. Jest to oczywista cena kompromisu polegającego na zastosowaniu fabrycznych elementów indukcyjnych niezbyt dużej dobroci, ale za to niewymagających ręcznego wykonania czy strojenia. Sygnał z wyjścia filtru trafia na wejście mieszacza układu U1 (SA612, rysunek 5), który oprócz podwójnie zrównoważonego mieszacza zawiera także generator lokalny LO oraz stabilizator napięcia.

Rysunek 5. Schemat blokowy układu SA612

Dopasowanie impedancji wyjściowej filtru 500 Ω do impedancji wejściowej mieszacza w układzie U1 (1,5 kΩ) zrealizowano z wykorzystaniem rezystora R5 po to, aby zachować prawidłową charakterystykę filtru. Wzmocnienie układu z tranzystorem T1 tak dobrano, aby cały tor wejściowy miał wypadkowe wzmocnienie równe około 0 dB dzięki kompensacji strat filtru wejściowego oraz układu dopasowania impedancji. Układ U1 pracuje w podstawowej aplikacji, zgodnej z notą katalogową producenta, w której generator lokalny LO zrealizowano w układzie Colpittsa pracującym na siódmej harmonicznej zastosowanego rezonatora kwarcowego, w tym wypadku równej 112 MHz. Wyjście sygnału, zawierające przesunięte w dziedzinie częstotliwości widmo odbieranych sygnałów, jest podawane na wzmacniacz z tranzystorem T2 typu BFR92A, pracującym w układzie wspólnego kolektora, którego zadaniem jest beztransformatorowe dopasowanie impedancji wyjściowej mieszacza w układzie U1 (1,5 kV) do impedancji wejścia antenowego tunera DVB-T. Charakterystykę przenoszenia w zakresie roboczym wtórnika przedstawiono na rysunku 6.

Rysunek 6. Charakterystyka przenoszenia wtórnika

Jak widać, jest ona niemal płaska w całym wymaganym zakresie 112…151 MHz (na wykresie widać również niedoskonałości przetwornika A/C zastosowanego przyrządu pomiarowego: skończony krok kwantyzacji oraz charakterystyka „poszarpana” błędami przetwarzania). Zasilanie konwertera (+5 V DC) jest realizowane bezpośrednio z portu USB komputera, z którym współpracuje tuner DVB-T. Pobór prądu przez konwerter jest mniejszy od 100 mA i dlatego nie ma potrzeby wykonania enumeracji portu USB, co znacząco upraszcza układ zasilania.

Ponieważ napięcie z portu USB zawiera wiele zakłóceń impulsowych, pochodzących z pracującego obok komputera, w torze zasilania omawianego układu dodatkowo zastosowano prosty filtr, zrealizowany z wykorzystaniem elementów kondensatorów C3, C7 i indukcyjności L1…L3.

Montaż i uruchomienie

Schemat montażowy konwertera pokazano na rysunku 7. Płytkę drukowaną zaprojektowano dla obudowy aluminiowej typu GAINTA ALU-G0470 o wymiarach 50 mm×50 mm×31,8 mm. Montaż konwertera nie powinien sprawiać większych kłopotów i należy przeprowadzić go w sposób typowy, to jest montując najpierw elementy bierne, a następnie półprzewodniki. W urządzeniu w większości zastosowano elementy SMD o wymiarze 0603, które przy odrobinie wprawy bez problemu można przylutować ręcznie. Na bokach obudowy należy nawiercić otwory na gniazda BNC, stanowiące wejście i wyjście konwertera, natomiast od góry nawiercić otwór na diodę LED sygnalizującą pracę układu. Wejście CONN1 oraz wyjście konwertera CONN3 należy połączyć z gniazdami BNC na obudowie krótkim odcinkiem cienkiego przewodu koncentrycznego typu RG174.

Z
Rysunek 7. Schemat montażowy konwertera

Do uruchomienia konwertera możemy alternatywnie zastosować oscyloskop, analizator widma lub tuner DVB-T ze skonfigurowanym i uruchomionym programem GQRX. W wypadku zastosowania tunera należy uruchomić program GQRX, aby odbierał sygnały w pobliżu częstotliwości 112 MHz. Teraz należy obserwować przebieg transformaty FFT sygnału na odbiorniku i delikatnie obracać rotorem trymera C16 aż do momentu, gdy na ekranie uzyskamy widmo sygnału w okolicach częstotliwości 112 MHz o jak największej amplitudzie.

Z
Rysunek 8. Poprawne wskazanie częstotliwości w programie GQRX

Następnie do wejścia antenowego możemy doprowadzić sygnał z generatora zewnętrznego, nastawionego na częstotliwość mieszczącą się w zakresie pracy konwertera (np. 15 MHz) i o poziomie wyjściowym zbliżonym do –45 dBm. W tym wypadku na przykładowej częstotliwości 112 MHz+15 MHz=127 MHz powinien pojawić się wyraźny prążek widma odbieranego sygnału. Jeśli dysponujemy odpowiednim miernikiem częstotliwości, to możemy zmierzyć dokładną częstotliwość pracy heterodyny. Jej wartość należy wpisać w zakładce „Input Control” programu GQRX ze znakiem ujemnym, aby uzyskać poprawne wskazanie częstotliwości w programie jak na rysunku 8.

Lucjan Bryndza, EP 

Wykaz elementów:
Rezystory: (SMD 0603)
  • R1: 10 kΩ
  • R2: 100 kΩ
  • R3: 51 kΩ
  • R4: 510 Ω
  • R5, R14: 820 Ω
  • R6: 10 Ω
  • R8: 1 kΩ
  • R9: 22 kΩ
  • R10, R13: 47 Ω
  • R11: 6,8 kΩ
  • R12: 12 kΩ
Kondensatory: (SMD 0603)
  • C1, C2, C6, C14, C15, C19, C23, C24: 10 nF
  • C3…C5, C7, C20, C21: 100 nF
  • C8, C12, C18: 10 pF
  • C9: 47 μF (SMD „B”)
  • C10, C11: 22 pF
  • C16: 5/30 pF (trymer)
  • C22: 1 nF
Półprzewodniki:
  • D1, D2: BAR74
  • D3: LED (SMD)
  • T1: BF998
  • T2: BFR92A
  • U1: SA612
Inne:
  • L1, L2: BLM21PG221SN1D
  • L3: 10 μH
  • L4, L6: 3,3 μH
  • L5: 3,9 μH
  • L8, L9: 270 nH
  • X1: 48 MHz (rezonator kwarcowy)
  • CON1, CON3: gniazdo BNC
  • CONN2: złącze USB G5P
Artykuł ukazał się w
Elektronika Praktyczna
styczeń 2018
DO POBRANIA
Pobierz PDF Download icon
Elektronika Praktyczna Plus lipiec - grudzień 2012

Elektronika Praktyczna Plus

Monograficzne wydania specjalne

Elektronik listopad 2025

Elektronik

Magazyn elektroniki profesjonalnej

Raspberry Pi 2015

Raspberry Pi

Wykorzystaj wszystkie możliwości wyjątkowego minikomputera

Świat Radio listopad - grudzień 2025

Świat Radio

Magazyn krótkofalowców i amatorów CB

Automatyka, Podzespoły, Aplikacje listopad - grudzień 2025

Automatyka, Podzespoły, Aplikacje

Technika i rynek systemów automatyki

Elektronika Praktyczna listopad 2025

Elektronika Praktyczna

Międzynarodowy magazyn elektroników konstruktorów

Elektronika dla Wszystkich grudzień 2025

Elektronika dla Wszystkich

Interesująca elektronika dla pasjonatów