Wielozadaniowy termostat

Wielozadaniowy termostat
Pobierz PDF Download icon

Ciepło ma ważne znaczenie dla człowieka, zarówno w kontekście fizjologicznym, jak i ekonomicznym. Dlatego staramy się utrzymać temperaturę, która zagwarantuje komfort cieplny, ale jednocześnie nie spowoduje nadmiernego zużycia energii, bo jej wyprodukowanie ma swoją cenę. Opisywany termostat umożliwia regulowanie temperatury za pomocą 4 wyjść przekaźnikowych o bogatych możliwościach konfiguracji.

Rekomendacje: termostat przyda się do kontroli temperatury w zaawansowanych aplikacjach.

Podstawowe parametry:
  • Dwa kanały pomiaru temperatury.
  • Pomiar różnicy temperatury.
  • Zakres pomiaru temperatury –55…+125°C.
  • Konfiguracja oraz parametry pracy prezentowane na wyświetlaczu LCD 2×16.
  • 4 wyjścia przekaźnikowe o obciążalności 5 A/250 V AC.
  • Wyjścia sterowane automatycznie w zależności od temperatury lub manualnie.
  • Alarm dźwiękowy po przekroczeniu zadanego progu.
  • Alarm po wykryciu zaniku napięcia.
  • Rozbudowana konfiguracja.
  • Obudowa KM-30.
  • Wymiary płytki drukowanej 163 mm×87 mm.
  • Zasilanie 12 V DC/0,3 A.

Urządzenie dokonuje pomiaru temperatury za pomocą dwóch czujników oraz oblicza występującą pomiędzy nimi różnicę. Każdy z tych trzech parametrów może być niezależnym źródłem sterującym dla każdego z czterech wyjść przekaźnikowych. Wyjściom można przypisać wartości temperatury załączania lub wyłączania. Do dyspozycji jest również funkcja alarmu dźwiękowego po przekroczeniu zadanej temperatury. Ta funkcja może monitorować jeden z trzech wcześniej wymienionych parametrów. Oprócz tego jest dostępna funkcja alarmu załączanego po wykryciu zaniku napięcia na złączu (nie jest to złącze zasilające urządzenia).

Oprócz tych podstawowych funkcji urządzenie ma szereg usprawnień dodatkowych, takich jak możliwość przypisania etykiety każdemu z czujników oraz każdemu z wyjść, zapamiętywanie skrajnych wartości temperatury zmierzonej przez czujniki, ustawienia wyjść zgrupowane w dwóch profilach, co pozwala na szybkie przełączanie ustawień, dynamiczny zmieniający się ekran główny, na którym cyklicznie jest wyświetlane wiele parametrów pracy.

Obsługa termostatu

Interfejs urządzenia stanowi klawiatura czteroprzyciskowa oraz wyświetlacz 2×16 znaków. Funkcje przycisków są następujące:

  • S1: pełni funkcję anuluj/cofnij – pozwala zakończyć aktualnie wybraną operację lub przejść do tyłu w strukturze menu. Dodatkowo jego przyciśnięcie na stronie głównej menu przywraca pierwszą stronę prezentacji parametrów, natomiast chwilowe przytrzymanie powoduje wyzerowanie zapamiętanych wartości skrajnych.
  • S2, S3: funkcja góra/dół lub plus/minus, pozwalają na poruszanie się po stronach i podstronach menu oraz pozwalają na zmianę parametrów. Przytrzymanie przycisku daje wielokrotną zmianę.
  • S4: funkcja „OK”, przejście „do przodu” w strukturze menu, wybranie elementu do edycji oraz zatwierdzanie ustawień. Dodatkowo jego przyciśnięcie na stronie głównej menu powoduje przejście do następnej strony prezentacji parametrów.

Menu urządzenia podzielono na siedem podstron ustawień i stronę główną. Każda zawiera kilka podstron – pełną strukturę menu pokazano na rysunku 1. Cztery strony konfiguracji wyjść mają identyczną strukturę podstron, dlatego na rysunku połączono je w jedną gałąź, ale w rzeczywistości każde wyjście ma swoje niezależne ustawienia.

Rysunek 1. Struktura menu

Pierwsza strona ustawień (pomijając stronę główną) nosi nazwę „Profil”. Na pierwszej podstronie mamy możliwość wybrania aktywnego profilu. Urządzenie pozwala na wybranie jednego z trzech profili. Pierwsze dwa są konfigurowalne. Można w nich ustawiać i zapamiętywać temperatury załączania i wyłączania wyjść. Na kolejnych stronach menu będą wyświetlane wartości dla aktualnie wybranego profilu. Ich zmiana również będzie zachodziła tylko dla aktualnego profilu. Trzeci profil, nazwany „Manualny”, ma predefiniowane ustawienia – wyłącza automatyczne sterowanie wyjściami. Ich załączanie i wyłączanie możliwe będzie tylko poprzez menu urządzenia. Ostatnie dwie podstrony, dla grupy „Profil”, pozwalają na nadanie nazwy profilowi pierwszemu i drugiemu.
W praktycznym zastosowaniu pierwszy profil będzie profilem głównym, ustawionym dla normalnej pracy urządzenia. Drugi profil może zostać skonfigurowany np. jako profil „Oszczędny”, w którym ustawione temperatury będą o kilka stopni niższe – może on być uruchomiony w czasie nieobecności domowników.

Kolejne cztery strony ustawień, nazwane „Konfig. wyj.”, służą do konfigurowania parametrów wyjść. Pierwsza podstrona „Stan wyjścia:” informuje, czy dane wyjście jest wyłączone „WYŁ”, czy załączone „ZAŁ”. Po zatwierdzeniu podstrony przyciskiem „OK” mamy możliwość zmiany stanu wyjścia. Jeśli jest wybrany profil „Manualny”, to wyjście pozostanie w nowo ustawionym stanie. Jeśli wybrano któryś z profili pracy automatycznej, to wyjście po chwili powróci do stanu wynikającego z ustawionych parametrów.

Kolejna podstrona to „Źródło zał/wył:”. Pozwala ona na wybranie źródła parametrów sterujących danym wyjściem. Do wyboru mamy: „Manualnie”, „Temp T1”, „Temp T2”, „Różnicowa”. Pierwsza opcja pozwala na automatyczne wyłączenie sterowania wyjściem, nawet jeśli jest aktywny jeden z profili automatycznych. Pozostałe trzy opcje pozwalają na ustawienie w funkcji źródła parametrów temperatury zmierzonej za pomocą czujnika „1” lub „2”, lub obliczonej temperatury różnicowej.

Podstrony „Wartość ZAŁ” oraz „Wartość WYŁ” służą do ustawienia wartości temperatury, przy której ma nastąpić załączenie i wyłączenie wyjścia. Jeśli temperatura załączenia jest niższa od temperatury wyłączenia, to wyjście pracuje w trybie dogrzewania. W tym trybie, jeśli temperatura zmierzona za pomocą danego czujnika osiągnie wartość równą lub mniejszą od temperatury załączenia, to wyjście zostanie załączone a jego wyłączenie nastąpi po osiągnięciu lub przekroczeniu temperatury wyłączenia. Gdy temperatura załączenia jest większa od temperatury wyłączenia, to wyjście pracuje w trybie chłodzenia i działa odwrotnie do trybu dogrzewania.

Ostatnia podstrona konfiguracji wyjść to „Nazwa:”. Jak można się domyślić, pozwala na przypisanie etykiet wyjściom. Wprowadzona nazwa jest używana później na jednej z podstron strony głównej – widzimy wówczas taki przykładowy komunikat:

Wyjście 1 ZAŁ
Grzałka gł.

Strona nazwana „Konf. Alarmu” umożliwia skonfigurowanie stanów alarmowych. Termostat może alarmować o niektórych sytuacjach przerywanym sygnałem dźwiękowym. Na pierwszej podstronie konfiguracji alarmu jest ustawiane źródło alarmu. Podobnie jak w konfiguracji wyjść, do wyboru mamy „Temp T1”, „Temp T2” oraz „Różnicowa”. Nie ma tylko opcji „Manualnie”, bo nie miałaby ona zastosowania praktycznego. Kolejne podstrony to „Alarm powyżej:” oraz „Alarm poniżej:”, które pozwalają na ustawienie temperatury granicznej, po przekroczeniu której zostanie uruchomiony alarm. Alarm będzie trwał tak długo, aż kontrolowana temperatura powróci do zakresu pomiędzy ustawionymi granicami lub dopóki nie zostanie wciśnięty przycisk „Anuluj”. Jeśli temperatura znajdzie się w bezpiecznym zakresie, a następnie znowu przekroczy próg wyzwolenia alarmu, to ten zadziała ponownie. Ostatnia podstrona konfiguracji alarmu nazwana „Po zaniku nap.” pozwala na włączenie dodatkowego źródła alarmu, działającego niezależnie od poprzednich – jest to sygnalizacja zaniku napięcia występującego na wejściu przystosowanym do standardowego napięcia sieci energetycznej 230 V AC. Po zaniku napięcia na tym złączu po chwili włączy się alarm, ale oczywiście pod warunkiem, że zasilanie samego termostatu będzie ciągle dostarczane np. z systemu zasilania awaryjnego. Taka funkcjonalność może mieć ogromne znaczenie praktyczne.

Kolejna i ostatnia strona menu to „Ustawienia”. Dotyczy ona kilku ustawień ogólnych. Po pierwsze pozwala nadać nazwy czujnikom temperatury, służą do tego podstrony „Nazwa czuj. T1” oraz „Nazwa czuj. T2”. Nazwy te będą wyświetlane na podstronach strony głównej. Drugie ustawienie „Obliczanie Tr” dotyczy obliczania temperatury różnicowej. Podstrona pozwala wybrać, czy temperatura różnicowa to różnica wartości T1–T2 czy odwrotnie.

Rysunek 2. Kolejność podstron dla strony głównej

Strona główna, podobnie jak strony ustawień, również składa się z kilku podstron, ale te są przełączane automatycznie. Automatyczna zmiana podstron następuje tylko na głównej stronie menu i tylko wtedy, gdy klawiatura termostatu jest nieużywana. Kolejność podstron pokazano na rysunku 2. Pokazywane na nich informacje pochodzą z różnych stron ustawień, zawierają także nazwy przypisane dla czujników, wyjść oraz profili. Szczególną informacją, niedostępną na żadnej innej stronie menu, są zapamiętane temperatury skrajne, czyli temperatury maksymalna i minimalna, które zostały zmierzone przez dany czujnik. Aby wyzerować te wartości, należy przytrzymać przycisk „Anuluj”. Pomiędzy podstronami jest przywoływana strona główna, aby był możliwy podgląd zmierzonych wartości. Również naciśnięcie przycisku „Anuluj” przywraca stronę główną, natomiast naciskanie przycisku „OK” powoduje wyświetlenie kolejnych podstron.

Budowa i montaż

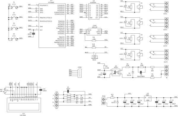
Schemat ideowy termostatu pokazano na rysunku 3. Można na nim wyróżnić kilka bloków funkcjonalnych. Blok ze stabilizatorem IC3 filtruje napięcie zasilające i dostarcza stabilizowane +5 V do zasilania pozostałych bloków. Za złączem zasilania włączono rezystor R15 oraz diodę Zenera D2 o napięciu 15 V. Jest to układ zabezpieczający przed dołączeniem zasilania o zbyt wysokim napięciu, bliskim lub przekraczającym 15 V.

Rysunek 3. Schemat ideowy termostatu

Istotnym blokiem jest blok ze złączami czujników temperatury oznaczonymi EX1 i EX2. Czujniki są dołączone w konfiguracji niestandardowej – w liniach danych 1-Wire oprócz rezystorów podciągających do +5 V są włączone szeregowo rezystory o niewielkiej rezystancji R13 i R17. Pełnią one funkcje zabezpieczenia przed zakłóceniami oraz uszkodzeniem wejść urządzenia.

Wyświetlacz IC4 oraz klawiatura czteroprzyciskowa S1...S4 tworzą interfejs użytkownika. Mikrokontroler IC1 wraz z zawartym w pamięci programem steruje funkcjami i działaniem urządzenia. Na płytce zostały umieszczone opcjonalne złącza CON1 oraz CON2. W czasie normalnego użytkowania urządzenia nie będą potrzebne, mogą być użyteczne w przypadku modyfikacji oprogramowania – pierwsze daje dostęp do linii interfejsu UART, drugie umożliwia dołączenie programatora ze złączem w standardzie ISP-Atmel.

Blok wykonawczy tworzy driver IC2 i cztery przekaźniki K1...K4. Do każdego dołączono LED (LED1...LED4) informujący o zasilaniu cewki przekaźnika. Jedno z pozostałych wyjść drivera IC2 steruje sygnalizatorem dźwiękowym BUZZ. Przekaźniki oraz sygnalizator są zasilane napięciem niestabilizowanym, bezpośrednio ze złącza zasilania. Wyjścia przekaźników połączone są z potrójnymi zaciskami śrubowymi OUT1...OUT4, dzięki temu do dyspozycji są styki normalnie otwarte NO oraz normalnie zwarte NC.

Ostatnim blokiem urządzenia jest blok wykrywania napięcia zbudowany na bazie transoptora IC5. Elementy bloku tak dobrano, aby możliwe było monitorowanie napięcia 230 V. Jeśli na złączu monitorowania występuje napięcie, to tranzystor wyjściowy transoptora przewodzi. Wyjście jest dodatkowo filtrowane obwodem R5 i C5 przed zakłóceniami i krótkimi zanikami napięcia.

Rysunek 4. Schemat montażowy termostatu

Termostat zbudowano na jednostronnej płytce drukowanej, której schemat montażowy pokazano na rysunku 4. Montaż urządzenia nie jest trudny i należy go przeprowadzić z zachowaniem ogólnych zasad. Trzeba pamiętać, aby nie pominąć trzech zworek z drutu oznaczonych „zw.”. Po zmontowaniu, ale przed zamontowaniem w podstawkach układów scalonych i wyświetlacza, warto dołączyć zasilanie 12 V do złącza POW i skontrolować, czy do mikrokontrolera i wyświetlacza dociera napięcie +5 V. Jeśli napięcie jest prawidłowe, to należy odłączyć zasilanie i umieścić podzespoły w swoich miejscach.

Rysunek 5. Wzór maskownicy panelu czołowego

Płytka pasuje do obudowy KM-30, ale wymaga ona niewielkiej modyfikacji. Należy wykonać otwory na wyświetlacz oraz przyciski w górnej części obudowy w ściance, która będzie frontem urządzenia. Dla termostatu zaprojektowano też maskownicę, do zamontowania na ściankę czołową obudowy. Pokazano ją na rysunku 5. Na fotografii 6 pokazano termostat w obudowie z zamontowanym panelem czołowym.

Fotografia 6. Wygląd zmontowanego termostatu umieszczonego w obudowie

Uruchomienie

Pierwszym i jedynym etapem uruchomienia jest wyregulowanie kontrastu wyświetlacza. Jeśli w urządzeniu został umieszczony zaprogramowany mikrokontroler, to należy regulować potencjometrem R10, aż do uzyskania wyraźnej treści na wyświetlaczu. Po tej czynności urządzenie jest gotowe do pracy. Teraz można ustawić parametry załączania, nazwy wyjść, czujników itd.

Termostat wymaga zasilania napięciem 11…14 V i wydajności prądowej co najmniej 0,3 A. Zasilanie jest dołączane do złącza POW z zachowaniem właściwej polaryzacji, o której informują oznaczenia na płytce. Warto zadbać o to, aby źródło zasilania miało możliwość podtrzymania napięcia w czasie awarii – wtedy możliwe będzie użycie funkcji sygnalizującej zanik napięcia zasilającego.

Rysunek 7. Schemat połączeń termostatu z urządzeniami zewnętrznymi

Złącza EX1 i EX2 służą do przyłączenia czujników temperatury DS18B20. Do złącza oznaczonego „IN” należy doprowadzić monitorowane napięcie. Złącza „OUT” to wyprowadzone styki przekaźników. Każde ma trzy zaciski – środkowy to zacisk wspólny, zacisk po lewej stronie to styk NO (w momencie załączenia przekaźnika łączy się z zaciskiem wspólnym), po prawej stronie to styk NC (odłącza się od styku wspólnego w momencie zadziałania przekaźnika). Na rysunku 7 pokazano schemat połączeń termostatu z dwoma odbiornikami i aktywną funkcją sygnalizującą zanik napięcia zasilania.

KS

Wykaz elementów:
Rezystory: (SMD 0805)
  • R12: 1 Ω
  • R2, R4, R13, R17, R18: 82 Ω
  • R3, R6…R9, R11, R14, R16: 3,3 kΩ
  • R1, R5: 220 kΩ
  • R10: 20 kΩ (potencjometr)
Kondensatory:
  • C1…C5, C11: 220 μF/16 V
  • C6: 100 nF/400 V
  • C7…C10: 100 nF
Półprzewodniki:
  • D1, D2: dioda Zenera 15 V/1,3 W LED1…LED4: LED 3 mm
  • IC1: ATmega328PA (zaprogramowany)
  • IC2: ULN2003
  • IC3: 7805
  • IC5: PC817
Inne:
  • IC4: wyświetlacz LCD2×16
  • S1…S4: przycisk
  • K1…K4: przekaźnik JQC3FF/12 V
  • BUZZ: głośnik piezo z generatorem.
  • CON1, CON2: nie montować
  • POW, EX1, EX2: złącze DG301/5.0/2
  • IN, OUT1, OUT2, OUT3, OUT4: złącze DG360/7.5/3
Artykuł ukazał się w
Elektronika Praktyczna
styczeń 2018
DO POBRANIA
Pobierz PDF Download icon
Materiały dodatkowe
Elektronika Praktyczna Plus lipiec - grudzień 2012

Elektronika Praktyczna Plus

Monograficzne wydania specjalne

Elektronik listopad 2025

Elektronik

Magazyn elektroniki profesjonalnej

Raspberry Pi 2015

Raspberry Pi

Wykorzystaj wszystkie możliwości wyjątkowego minikomputera

Świat Radio listopad - grudzień 2025

Świat Radio

Magazyn krótkofalowców i amatorów CB

Automatyka, Podzespoły, Aplikacje listopad - grudzień 2025

Automatyka, Podzespoły, Aplikacje

Technika i rynek systemów automatyki

Elektronika Praktyczna listopad 2025

Elektronika Praktyczna

Międzynarodowy magazyn elektroników konstruktorów

Elektronika dla Wszystkich grudzień 2025

Elektronika dla Wszystkich

Interesująca elektronika dla pasjonatów