Stereofoniczny wzmacniacz klasy D o mocy 2×50 W

Stereofoniczny wzmacniacz klasy D o mocy 2×50 W
Pobierz PDF Download icon
W artykule opisano rozwiązanie stereofonicznego wzmacniacza końcowego klasy D o mocy 2×50 W przy obciążeniu 8 V. Wzmacniacz jest oparty na najnowszym układzie scalonym firmy Texas Instruments typu TPA3244. To rozwiązanie zapewnia dużą sprawność przy jednocześnie sporej mocy wyjściowej. Rekomendacje: wysokiej klasy wzmacniacz, który przyda się przy budowie domowego amplitunera, kina domowego, sprzętu car audio itp.

Od wycofania z produkcji popularnych końcówek LM3886/LM3875 firma Texas Instruments konsekwentnie rozwija linię „cyfrowych” wzmacniaczy z serii TPA32xx. Opisywany moduł oparto na układzie TPA3244 zawierającym cztery konfigurowalne kanały wzmacniacza mocy, ze wspólnymi obwodami załączenia, wyciszania i zabezpieczeń, które w modelu skonfigurowano jako dwie końcówki mocy w układzie BTL. Wzmacniacz może znaleźć zastosowanie w wielokanałowych układach wzmacniających na przykład kina domowego, w instalacjach samochodowych zasilanych napięciem 24 V lub jako element toru aktywnego zestawu głośnikowego.

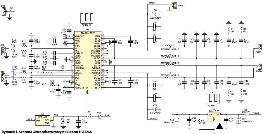
Schemat ideowy wzmacniacza pokazano na rysunku 1. Układ TPA3244 pracuje zgodnie z notą aplikacyjną. Skonfigurowano go jako dwukanałową końcówkę w topologii BTL (wzmacniacz mostkowy) przez podanie poziomu niskiego na wyprowadzenia M1 i M2. Kanały są oznaczone „A” i „B”. Sygnał wyjściowy przed doprowadzeniem do zacisków wyjściowych OUTA/OUTB jest poddawany filtracji dolnoprzepustowej za pomocą dławików L1…L4 i kondensatorów C1…C4, C7…C10. Ze względu na duże natężenie prądu wyjściowego oraz impulsowy charakter pracy dobór elementów filtrujących jest krytyczny. W modelu zastosowano cewki na rdzeniach proszkowych Laird MGV-1207 oraz metalizowane kondensatory polipropylenowe MKP Epcos, co minimalizuje straty i pozwala na zachowanie bardzo dobrej jakości sygnału. Filtr wyjściowy oraz kondensatory sprzęgające są dobrane arbitralnie do współpracy z obciążeniem z zakresu 6…8 V.

Jak w każdym obwodzie impulsowym, a szczególnie w układzie, w którym są przełączane spore moce, jest wymagana szczególna uwaga przy projektowaniu toru zasilania oraz odpowiednie filtrowanie napięcia zasilającego, które w modelu zapewniono przez kondensatory C17…C20 umieszczone bezpośrednio przy wyprowadzeniach U1. Dodatkowo, kondensatory CE1 i CE2 o łącznej pojemności 4,4 mF o małej rezystancji ESR stanowią lokalny bufor energii.

Płytka wymaga zewnętrznego źródła zasilania o napięciu 18…30 V doprowadzonego do złącza PWR, o odpowiedniej do obciążenia wydajności prądowej. Prototyp był zasilany napięciem 30 V. Dostarczał do obciążenia 8 V moc 2×50 W przy zniekształceniach THD +N poniżej 1%. Sprawność układu dochodzi do 90%. Do zasilania może być użyty typowy zasilacz impulsowy 24...28,8 V z ograniczeniem prądu, o mocy minimum 150 W lub typowy układ prostownika mostkowego na szybkich diodach z kondensatorem filtrującym o pojemności minimum 22 mF, zasilany z transformatora toroidalnego 24 V o mocy co najmniej 200 VA.

Do zapewnienia napięcia zasilającego 12 V zastosowano stabilizator U2 typu LM317HV w typowym układzie aplikacyjnym. Rezystor R5 ogranicza straty w U2. Napięciem +12 V jest zasilany również stabilizator 3,3 V z diodą Zenera DZ zapewniający zasilanie układu U3, tj. generatora sygnału zerowania typu MCP100T. Dioda PWL sygnalizuje obecność zasilania wzmacniacza. Kondensatory C24…C30 pracują w filtrach wewnętrznych obwodów zasilania układu U1. Kondensatory C13…C16 są elementami obwodów polaryzacji tranzystorów mocy półmostków.

Sygnał wejściowy jest podawany na gniazda INA i INB. Powinien mieć maksymalną amplitudę 4 Vpp. Przed wzmocnieniem za pomocą U1, kondensatory CE9…CE12 separują składową stałą, a człony RC złożone z rezystorów R12…R15 oraz kondensatorów C31…C34 filtrują zakłócenia w.cz. Sygnał wejściowy audio musi być symetryczny. Jeżeli dostępny sygnał jest niesymetryczny, można zastosować symetryzator z układem SSM2142 lub odwracacz fazy sygnału o wzmocnieniu jednostkowym zbudowany np. w oparciu na układzie NE5532.

Na złącze ERR są dostępne statusy sygnału U1: CLI – przesterowania i przekroczenia temperatury, FLT – SHDN wyłączenia awaryjnego układu. Wyjścia są typu otwarty dren i mogą być zasilane napięciem 3,3 V.

Ze względu na traconą moc układ U1 ma pad termiczny przylutowany do warstwy masy płytki drukowanej. Przy forsownej pracy warto wyposażyć TPA3244 w dodatkowy radiator np. SK437-50 przymocowany od „góry” za pomocą śrub M3 i dwustronnej, samoprzylepnej taśmy termoprzewodzącej. Należy zwrócić uwagę na wysokość elementów w otoczeniu układu U1, aby nie dopuścić do zwarcia z radiatorem poprzez wykonanie odpowiednich podfrezowań w jego krawędziach w wypadku trudności z zakupem elementów SMD o obniżonej wysokości. W razie forsownej pracy lub wysokiej temperatury otoczenia można wymusić dodatkowy przepływ powietrza wentylatorem.

Wzmacniacz zmontowany jest na dwustronnej płytce drukowanej, rozmieszczenie elementów pokazano na rysunku 2. Montaż jest typowy i nie wymaga opisywania. Uruchomienie najlepiej przeprowadzić, korzystając z zasilacza laboratoryjnego z ograniczeniem prądowym przy obniżonym np. do 15 V napięciu zasilania, sprawdzając działanie każdego z kanałów.

Adam Tatuś, EP

Artykuł ukazał się w
Elektronika Praktyczna
sierpień 2017
DO POBRANIA
Pobierz PDF Download icon
Elektronika Praktyczna Plus lipiec - grudzień 2012

Elektronika Praktyczna Plus

Monograficzne wydania specjalne

Elektronik listopad 2025

Elektronik

Magazyn elektroniki profesjonalnej

Raspberry Pi 2015

Raspberry Pi

Wykorzystaj wszystkie możliwości wyjątkowego minikomputera

Świat Radio listopad - grudzień 2025

Świat Radio

Magazyn krótkofalowców i amatorów CB

Automatyka, Podzespoły, Aplikacje listopad - grudzień 2025

Automatyka, Podzespoły, Aplikacje

Technika i rynek systemów automatyki

Elektronika Praktyczna listopad 2025

Elektronika Praktyczna

Międzynarodowy magazyn elektroników konstruktorów

Elektronika dla Wszystkich grudzień 2025

Elektronika dla Wszystkich

Interesująca elektronika dla pasjonatów