Okrągły wyświetlacz OLED (2)

Okrągły wyświetlacz OLED (2)
Pobierz PDF Download icon

W pierwszej części artykułu opublikowanej w rubryce ?Kurs? zaprezentowano sposób obsługi programowej okrągłego wyświetlacza OLED. W części drugiej zamieszczamy opis płytki ewaluacyjnej, która pozwoli na zrealizowanie wielu interesujących projektów. Rekomendacje: zestaw przyda się do wykonania prototypu lub funkcjonującego urządzenia typu smartwatch lub innego, o podobnym kształcie.

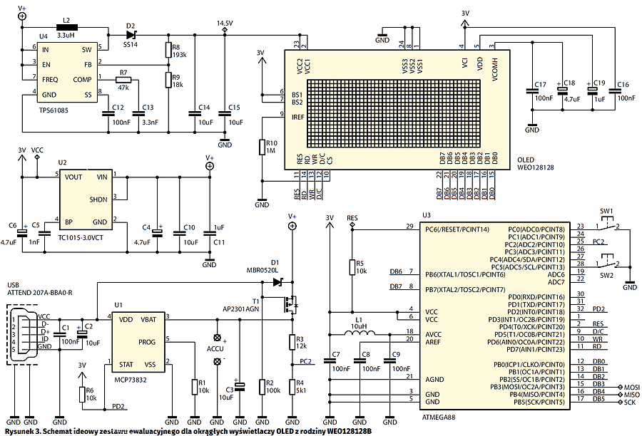
Schemat ideowy zestawu ewaluacyjnego pokazano na rysunku 3. Jest to system mikroprocesorowy, którego sercem jest niewielki mikrokontroler ATmega88 taktowany wewnętrznym, wysokostabilnym generatorem RC o częstotliwości 8 MHz. Mikrokontroler ten, podobnie jak wyświetlacz, jest zasilany napięciem 3 V pozyskiwanym ze stabilizatora liniowego LDO typu TC1015-3.0VCT. Całe urządzenie, w zamyśle przenośne, zaprojektowano jako zasilane z wbudowanego akumulatora litowego (zaciski ACCU), dla którego przewidziano specjalizowaną sekcję ładowania z wykorzystaniem napięcia pozyskiwanego z umieszczonego na płytce złącza micro-USB. Sekcję, o której mowa, zbudowano z użyciem specjalizowanego układu ładowania akumulatorów litowych typu MCP73832 firmy Microchip. Ten układ idealnie nadaje się do zastosowania w aplikacjach ładowarek, ponieważ w pełni automatycznie nadzoruje proces ładowania, wybierając odpowiedni tryb ładowania oraz mechanizm kontroli, zaś jedynym zmartwieniem użytkownika jest wybór prądu ładowania szybkiego, którego dokonujemy, dobierając wartość rezystora podłączonego pomiędzy wyprowadzenie PROG a masę. Prąd ten dobieramy według zależności IREG=1000 V/RPROG, gdzie wielkości IREG wyrażono w mA, natomiast RPROG w kV.

W zestawie rezystor RPROG (R1) ma wartość 10 kV, co ustawia prąd ładowania szybkiego na wartość 100 mA. Nie bez powodu ustawiono tego typu prąd ładowania, wszak należy pamiętać, iż dla wygody do zasilania przewidziano podłączenie go do portu USB komputera lub popularnego zasilacza ze złączem USB, a ten pozwala na maksymalny pobór prądu rzędu 500 mA w trybie high-power, zaś typowo 100 mA.

Komentarza wymaga także opcjonalny układ współdzielenia obciążenia zbudowany przy użyciu tranzystora T1 typu MOSFET z kanałem P, diody Schottky’ego D1 oraz rezystora R2. Dlaczego niezbędna była implementacja tego rodzaju rozwiązania? Otóż układ MCP73832 ma bloków funkcjonalnych odpowiedzialnych za współdzielenie obciążenia, to znaczy, odpowiedzialnych za uwzględnienie w procesie ładowania faktu, że w czasie, gdy układ nadzoruje proces ładowania akumulatora, to tenże akumulator zasila urządzenie, które pobiera z niego prąd. Taka sytuacja, po pierwsze, powoduje w najlepszym wypadku wydłużenie samego procesu ładowania, zaś w skrajnych wypadkach może go zaburzyć czy spowodować, że proces ładowania nigdy nie dobiegnie końca. Aby temu zapobiec, zastosowano prosty „przełącznik” w postaci tranzystora MOSFET, którego bramkę dołączono bezpośrednio do napięcia USB zasilającego ładowarkę. W wypadku obecności napięcia USB (czyli de facto poziomu wysokiego na bramce tranzystora) tranzystor T1 przechodzi w stan wyłączenia, odłączając tym samym ładowany akumulator od obciążenia. W tym samym czasie obciążenie, którym jest urządzenie, zostaje zasilone bezpośrednio z napięcia portu USB, a dokładnie rzecz ujmując, poprzez diodę D1. W razie odłączenia urządzenia od napięcia zasilającego USB, bramka tranzystora T1 zostaje ściągnięta do masy (poprzez rezystor R2), powodując przewodzenie tegoż tranzystora, a więc tym samym zasilenie naszego urządzenia z akumulatora ACCU. W tym przypadku dioda D1 pełni nieco inną funkcję, a mianowicie zabezpiecza przed przepływem prądu wstecznego tj. z akumulatora w kierunku źródła napięcia zasilającego (USB). W ten prosty sposób zbudowano prosty i w pełni funkcjonalny układ współdzielenia obciążenia, który czasami występuje w innych typach scalonych kontrolerów ładowania produkcji firmy Microchip.

Dodatkowo, wyświetlacz potrzebuje napięcia rzędu 14,5 V zasilającego panel OLED, więc w bloku zasilającym tenże panel wykorzystano nowoczesną przetwornicę typu step-up o oznaczeniu TPS61085 firmy Texas Instruments. Przetwornica ta odznacza się doskonałymi parametrami elektrycznymi: sprawność dochodząca do 93%, szeroki zakres napięcia wejściowego (2,3…6 V), miękki start, wbudowane zabezpieczenia (termiczne, przed spadkiem napięcia), częstotliwość przełączania 1,2 MHz. Dodatkowo układ TPS61085 ma wejście EN (Enable), za którego pomocą możemy wyłączyć przetwornicę, jeśli zajdzie taka potrzeba (np. wygaszenie wyświetlacza) i tym samym ograniczyć pobór prądu ze źródła napięcia zasilającego. W celu uczynienia naszego zestawu jeszcze bardziej uniwersalnym, na schemacie urządzenia dodano dwa, uniwersalnie mikroprzyciski oznaczone SW1/SW2 przeznaczone do dowolnego wykorzystania przez aplikację użytkownika.

Montaż

Schemat montażowy zestawu ewaluacyjnego pokazano na rysunku 4. Zaprojektowano niewielką płytkę drukowaną, która swoim kształtem przypomina zegarek naręczny, dając możliwość zamocowania typowego paska utrzymującego ją na nadgarstku. Z uwagi na fakt, że moduł wyświetlacza OLED jest dołączony do płytki z użyciem gniazda ZIF o bardzo gęstym rastrze (0,5 mm), montaż płytki ewaluacyjnej rozpoczynamy właśnie od przylutowania tego gniazda. Najprostszym sposobem montażu elementów o tak dużym zagęszczeniu wyprowadzeń, niewymagającym jednocześnie posiadania specjalistycznego sprzętu, jest użycie typowej stacji lutowniczej, dobrej jakości cyny z odpowiednią ilością topnika oraz dość cienkiej plecionki rozlutowniczej, która umożliwi usunięcie nadmiaru cyny spomiędzy wyprowadzeń złącza. Należy przy tym uważać, by nie uszkodzić termicznie tego elementu. Jakość tak wykonanego połączenia sprawdzamy pod lupą, korzystając z miernika pozwalającego sprawdzić ciągłość połączeń. Wspomniana kontrola będzie znacznie łatwiejsza, jeśli płytkę przemyjemy alkoholem izopropylowym w celu wypłukania nadmiaru kalafonii lutowniczej. Następnie lutujemy mikrokontroler oraz wszystkie elementy bierne przeznaczone do montażu na warstwie TOP obwodu drukowanego.

W kolejnym kroku przechodzimy do warstwy BOTTOM, gdzie w pierwszej kolejności lutujemy elementy półprzewodnikowe, następnie rezystory i kondensatory SMD, zaś na samy końcu dławiki L1/L2 oraz elementy mechaniczne, jak mikroprzyciski SW1/SW2 oraz gniazdo micro-USB. Na samym końcu podłączamy taśmę wyświetlacza OLED do złącza ZIF umieszczonego na płytce naszego modułu, dbając o odpowiednie zablokowanie zatrzasku tego złącza, po czym przyklejamy go do obwodu drukowanego, korzystając z dwustronnej taśmy klejącej. Akumulator zasilający podłączamy do wyprowadzeń ACCU (zachowując, co oczywiste, odpowiednią polaryzację) i podklejamy do płytki urządzenia od strony BOTTOM. Warto zauważyć, że na płytce drukowanej urządzenia, po stronie BOTTOM, przewidziano, dość duże punkty lutownicze, za których pomocą podłączymy nasz system do programatora mikrokontrolerów AVR (oznaczone VCC, SCK, MOSI, MISO, RES).

Robert Wołgajew, EP

Artykuł ukazał się w
Elektronika Praktyczna
sierpień 2017
DO POBRANIA
Pobierz PDF Download icon
Elektronika Praktyczna Plus lipiec - grudzień 2012

Elektronika Praktyczna Plus

Monograficzne wydania specjalne

Elektronik listopad 2025

Elektronik

Magazyn elektroniki profesjonalnej

Raspberry Pi 2015

Raspberry Pi

Wykorzystaj wszystkie możliwości wyjątkowego minikomputera

Świat Radio listopad - grudzień 2025

Świat Radio

Magazyn krótkofalowców i amatorów CB

Automatyka, Podzespoły, Aplikacje listopad - grudzień 2025

Automatyka, Podzespoły, Aplikacje

Technika i rynek systemów automatyki

Elektronika Praktyczna listopad 2025

Elektronika Praktyczna

Międzynarodowy magazyn elektroników konstruktorów

Elektronika dla Wszystkich grudzień 2025

Elektronika dla Wszystkich

Interesująca elektronika dla pasjonatów