Kompresor audio "One Knob" z układem THAT430

Kompresor audio "One Knob" z układem THAT430
Pobierz PDF Download icon
Kompresor jest podstawowym blokiem używanym w obróbce i rejestracji sygnału audio. Urządzenie ma sporo elementów manipulacyjnych, dzięki którym można silnie ingerować w brzmienie kompresowanego sygnału. W wielu sytuacjach cała ta "gałkologia" jest niepotrzebna i bardzo przydałby się kompresor łatwy w obsłudze, najlepiej z jedną gałką, którą można regulować jedynie ?głębokość? kompresji. Oto projekt takiego urządzenia. Rekomendacje: moduł jest kolejnym elementem domowego studia nagrań i przyda się głównie przy realizacji nagrań dźwiękowych.

Opisany kompresor oparty jest na specjalizowanym układzie THAT4301 firmy That Corporation, zawierający w strukturze wszystkie bloki niezbędne dla realizacji kompresora. Przedstawione urządzenie jest wzorowane na nocie aplikacyjnej „One Knob Squezeer” (dn115) producenta wraz z uzupełnieniami koniecznymi dla zachowania zgodności z opisywanymi wcześniej modułami „domowego studia nagrań”.

Kompresor jest oparty na układzie wzmacniacza o regulowanym napięciowo wzmocnieniu w topologii Feed-Forward (rysunek 1a), tj. sygnał sterujący układ VCA, przygotowany w obwodzie regulacji (side-chain), jest pobierany bezpośrednio z wejścia kompresora, w odróżnieniu od topologii Feed-Back (rysunek 1b), gdzie jest pobierany z wyjścia kompresora.

Regulacje odpowiedzialne za „poziom” sygnału w typowym kompresorze są powiązane. Na przykład, zwiększenie współczynnika kompresji (Ratio) lub obniżenie progu zadziałania (Threshold) powoduje obniżenie poziomu wyjściowego (Output). Aby utrzymać poziom wyjściowy, po kompresji jest konieczne każdorazowe jego wyrównanie (MakeUp). Taka procedura bywa uciążliwa, gdy zależy nam na możliwie szybkiej zmianie parametrów. Regulacja wymaga kilku prób dla uzyskania oczekiwanego efektu. W nocie aplikacyjnej dn115 przedstawiono aplikację układu, w której interakcje są ograniczone do minimum, a do obsługi kompresora wystarcza pojedynczy potencjometr. Układ samodzielnie koryguje zmiany poziomów. Charakterystyka przejściowa w zależności od ustawienia potencjometru „COMP” układu jest zamieszczona na rysunku 4.

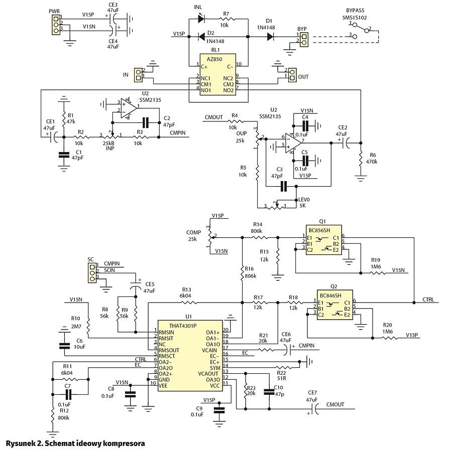
Schemat ideowy modułu kompresora pokazano na rysunku 2. Sygnał wejściowy z gniazda „IN” jest doprowadzony do stopnia o regulowanym wzmocnieniu opartym na wzmacniaczu U2-1. Układ umożliwia dopasowanie czułości wejściowej potencjometrem „INP”. Podczas pracy poziom wejściowy (czułość) jest ustalany jednorazowo na wartość sygnału na wejściu VCAIN kompresora na ok. -10 dB. Przekaźnik RL1 umożliwia załączenie funkcji „Bypass” kompresora przekazując sygnał z wejścia na wyjście bez jakiejkolwiek zmiany, gdy kompresor jest pozbawiony zasilania (ułatwia to budowę torów szeregowych) lub gdy jest wyłączony przełącznikiem „BYPASS” doprowadzonym do złącza BYP. Prace kompresora w torze audio sygnalizuje dioda „INL”.

Sygnał po dopasowaniu wzmocnienia w U2-1 jest doprowadzony poprzez kondensator CE6 do wejścia układu VCAIN U1 i przez CE5 na detektor RMS U1. Stałą czasową detektora ustalono na ok. 30 ms (C6=10 mF). Sygnał z potencjometru „COMP” (kompresja) jest sumowany z sygnałem wyjściowym detektora RMS. Tranzystor Q2 odpowiada za kształtowanie progu i „miękkiej” charakterystyki załamania kompresora (Soft-Knee) w otoczeniu progu kompresji. Tranzystor Q2 służy koryguje sygnał sterujący CTRL, gdy jest ustawiona większa kompresja. Z wyjścia kompresora „VCAOUT”, po buforowaniu OA3O, sygnał jest doprowadzony do stopnia wyjściowego o wzmocnieniu regulowanym potencjometrem „OUP”.

Kompresor jest zasilany napięciem symetrycznym ±15 V (200 mA) doprowadzonym do złącza „PWR”. Wyposażono go w złącze „S.C.” (Side Chain), które służy do przyłączenia zewnętrznego korektora. CMPIN to sygnał wyjściowy, SCIN to sygnał wejściowy obwodu sterowania kompresora. W trybie normalnym wyprowadzenia 1-2 złącza „SC” powinny być zwarte. Jako zewnętrzny obwód SC może być użyty np.: filtr dolnoprzepustowy, korektor barwy dźwięku, który odpowiednio kształtując charakterystykę SC uwypukli odpowiednie pasmo podczas kompresji. Należy zwrócić uwagę, aby zewnętrzny obwód SC zachował zgodność fazy.

Kompresor zmontowano na niewielkiej płytce drukowanej. Jej schemat montażowy pokazano na rysunku 3. Poza płytką zamontowano przełącznik „BYPASS”. Polecam stosowanie podstawki pod dosyć kosztowy układ U1.

Po poprawnym zmontowaniu urządzenie należy wyregulować. Jeżeli nie ma błędów montażowych, do wejścia urządzenia należy doprowadzić sygnał sinusoidalny 1 Vrms, a wyjście obciążyć rezystorem 10 kV i doprowadzić do wejścia oscyloskopu. Potencjometry „INP” i „OUP” ustawić w położeniu środkowym, natomiast „COMP” w lewym skrajnym. Po włączeniu układu przełącznikiem „BYPASS”, powinna zaświecić się dioda INL. Potencjometrem „LEV0” należy ustalić identyczny poziom sygnału wejściowego i wyjściowego (statyczne wzmocnienie kompresora =1 V/V), aby przełączanie „BYPASS” nie zmieniało poziomu sygnału. Po regulacji należy do kompresora doprowadzić sygnał muzyczny (na przykład – perkusja lub gitara basowa) i sprawdzić poprawność działania potencjometrów „INP”, „OUP” oraz „COMP”. Po wyregulowaniu poziomu wejściowego za pomocą „INP” zmiany kompresji w szerokim zakresie nastaw potencjometru „COMP” nie powoduje zmiany poziomu wyjściowego. Potencjometr „OUP” koryguje poziom wyjściowy, aby nie spowodować przesterowania kolejnego stopnia.

Adam Tatuś, EP

Artykuł ukazał się w
Elektronika Praktyczna
lipiec 2017
DO POBRANIA
Pobierz PDF Download icon
Elektronika Praktyczna Plus lipiec - grudzień 2012

Elektronika Praktyczna Plus

Monograficzne wydania specjalne

Elektronik listopad 2025

Elektronik

Magazyn elektroniki profesjonalnej

Raspberry Pi 2015

Raspberry Pi

Wykorzystaj wszystkie możliwości wyjątkowego minikomputera

Świat Radio listopad - grudzień 2025

Świat Radio

Magazyn krótkofalowców i amatorów CB

Automatyka, Podzespoły, Aplikacje listopad - grudzień 2025

Automatyka, Podzespoły, Aplikacje

Technika i rynek systemów automatyki

Elektronika Praktyczna listopad 2025

Elektronika Praktyczna

Międzynarodowy magazyn elektroników konstruktorów

Elektronika dla Wszystkich grudzień 2025

Elektronika dla Wszystkich

Interesująca elektronika dla pasjonatów